ÚVOD | Novinky | 8 Bitů | Příslušenství | Drobnosti | TTL | Kontakt


SAPI-1 | ONDRA | PMI-80 | PMD-85 | klony PMD-85 | klony SM50/40 | PETR | PLAN-80A | IQ151 | TNS | FK-1 | HVĚZDA | SP 830 | PCS 1-QR6000 | TEMS


8 bity / PCS 1-QR6000 / QR6002


OCR z dokumentace:

Technické zprávy
Čidla a regulátory

TESLA TŘINEC, k. p.
739 39 Třinec, Oldřichovice
telefon 23 611, dálnopis 52 610



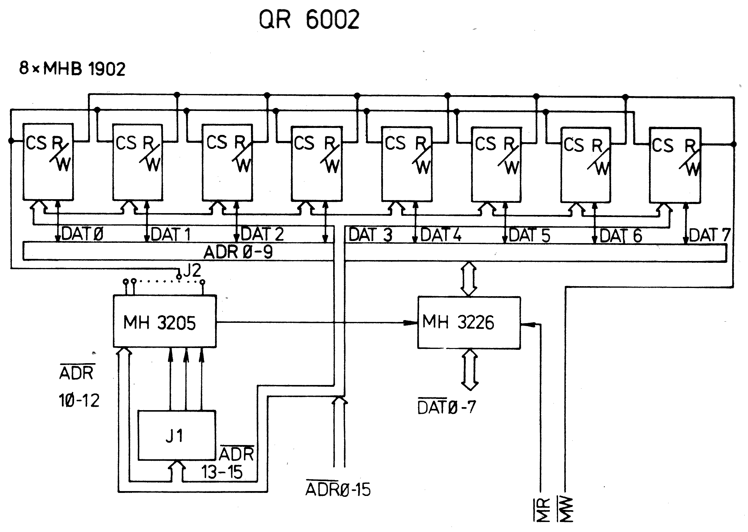
QR 6002 RAM 1K



Funkční jednotka statické paměti QR 6002 RAM 1K má organizaci 8x1 KBytů. Vnitřní datová sběrnice funkční jednotky je oddělena od systémové datové sběrnice obousměrnými výkonovými budiči sběrnice s třístavovým výstupem. Paměťové pole 1 KBytů lze umístit v množině adres 0 až 64 KBytů pomocí propojovacích polí J1 a J2 dekodéru adres. Řídícími signály této funkční jednotky jsou MR a MW. Protože vybavovací doba použitých paměťových obvodů MHB 1902 je větší než 0,5 µs, je nutno vyvolávat po signálovém spoji RDY při operaci čtení a záznamu do paměti zařazení jednoho stavu "WAIT" jako dodatkové zpoždění.

Funkční jednotka QR 6002 má zálohované napájení z litinového článku BR 2025. V případě, že dojde k přerušení centrálního napájení +5V, řídící obvody náhradního zdroje připojí baterie k paměťovým obvodům. Čas udržení informace s použitým bateriovým pomocným zdrojem je větší než 10 hodin.


Technická data:

napájecí napětí
UCC = +5V ±0,25V

odběr proudu stanovený dle katalogových údajů a osazení desky
ICC = 457mA

rozměry modulu cca
20 x 130 x 186,5 ( mm ) ( š x v x d )

hmotnost
190g

napěťové úrovně TTL:
0 ≤ L ≤ 0,8 ( V )
2 ≤ H ≤ 5,5 ( V )

vstupní signály
ADR0ADR15, MR, MW

výstupní signály
RDY

výstupní a vstupní signály
DAT0DAT7





ÚVOD | Novinky | 8 Bitů | Příslušenství | Drobnosti | TTL | Kontakt


SAPI-1 | ONDRA | PMI-80 | PMD-85 | klony PMD-85 | klony SM50/40 | PETR | PLAN-80A | IQ151 | TNS | FK-1 | HVĚZDA | SP 830 | PCS 1-QR6000 | TEMS


8 bity / PCS 1-QR6000 / QR6002



SAPI.cz - web o československých osmibitech, zejména SAPI-1. Provozuje EC1045 od roku 2011
Za korekce češtiny dekuji: MELSOFTovi, Silliconovi, Martinu Lukáškovi a NOSTALCOMPovi

Když začínám blbnout z 8bitů tak se chodím léčit mezi otaku.
Animefest.cz