ÚVOD | Novinky | 8 Bitů | Příslušenství | Drobnosti | TTL | Kontakt


SAPI-1 | ONDRA | PMI-80 | PMD-85 | klony PMD-85 | klony SM50/40 | PETR | PLAN-80A | IQ151 | TNS | FK-1 | HVĚZDA | SP 830 | PCS 1-QR6000 | TEMS


8 bity / PCS 1-QR6000 / QR6010


OCR z dokumentace:

Technické zprávy
Čidla a regulátory

TESLA TŘINEC, k. p.
739 39 Třinec, Oldřichovice
telefon 23 611, dálnopis 52 610



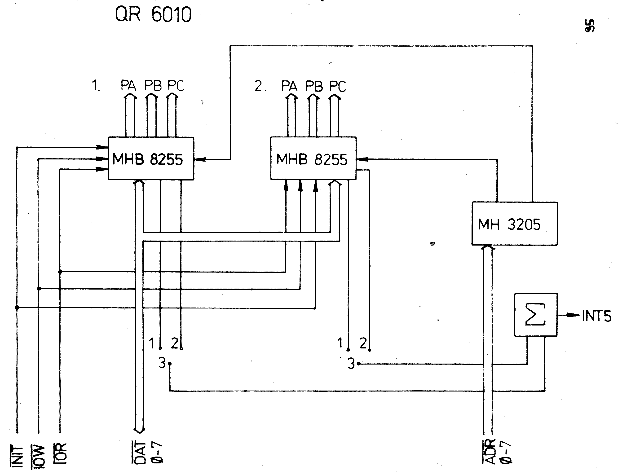
QR 6010 IO 2



Modul IO 2 obsahuje šest obousměrných paralelních vstupů / výstupů, jejichž funkce je programovatelná. Základní vlastnosti této jednotky umožňují využít všech pracovních modů obvodu MHB 8255. Jednotlivé mody je třeba definovat programem a propojkami na DPS. Modul využívá jednu skupinu osmi adres, kterou lze umístit v adresovém prostoru vstupů / výstupů libovolně pomocí propojovacího pole v součinnosti s adresovým dekodérem.


Technická data:

napájecí napětí
UCC = +5V ±0,25V

odběr proudu stanovený dle katalogových údajů a osazení desky
ICC = 470mA

rozměry modulu
20 x 130 x 186,5 ( mm ) ( š x v x d )

hmotnost modulu
cca 200g

napěťové úrovně TTL:
0 ≤ L ≤ 0,8 ( V )
2 ≤ H ≤ 5,5 ( V )

vstupní signály modulu
ADR0ADR7 vstupy negované adresové sběrnice INIT, IOR a IOW aktivní v „ 0 "

výstupní signály modulu
INI5 aktivní v „ 0 "

vstupní a výstupní signály modulu
DAT0DAT7





ÚVOD | Novinky | 8 Bitů | Příslušenství | Drobnosti | TTL | Kontakt


SAPI-1 | ONDRA | PMI-80 | PMD-85 | klony PMD-85 | klony SM50/40 | PETR | PLAN-80A | IQ151 | TNS | FK-1 | HVĚZDA | SP 830 | PCS 1-QR6000 | TEMS


8 bity / PCS 1-QR6000 / QR6010



SAPI.cz - web o československých osmibitech, zejména SAPI-1. Provozuje EC1045 od roku 2011
Za korekce češtiny dekuji: MELSOFTovi, Silliconovi, Martinu Lukáškovi a NOSTALCOMPovi

Když začínám blbnout z 8bitů tak se chodím léčit mezi otaku.
Animefest.cz