ÚVOD | Novinky | 8 Bitů | Příslušenství | Drobnosti | TTL | Kontakt


SAPI-1 | ONDRA | PMI-80 | PMD-85 | klony PMD-85 | klony SM50/40 | PETR | PLAN-80A | IQ151 | TNS | FK-1 | HVĚZDA | SP 830 | PCS 1-QR6000 | TEMS


8 bity / PCS 1-QR6000 / QR6011


OCR z dokumentace:

Technické zprávy
Čidla a regulátory

TESLA TŘINEC, k. p.
739 39 Třinec, Oldřichovice
telefon 23 611, dálnopis 52 610



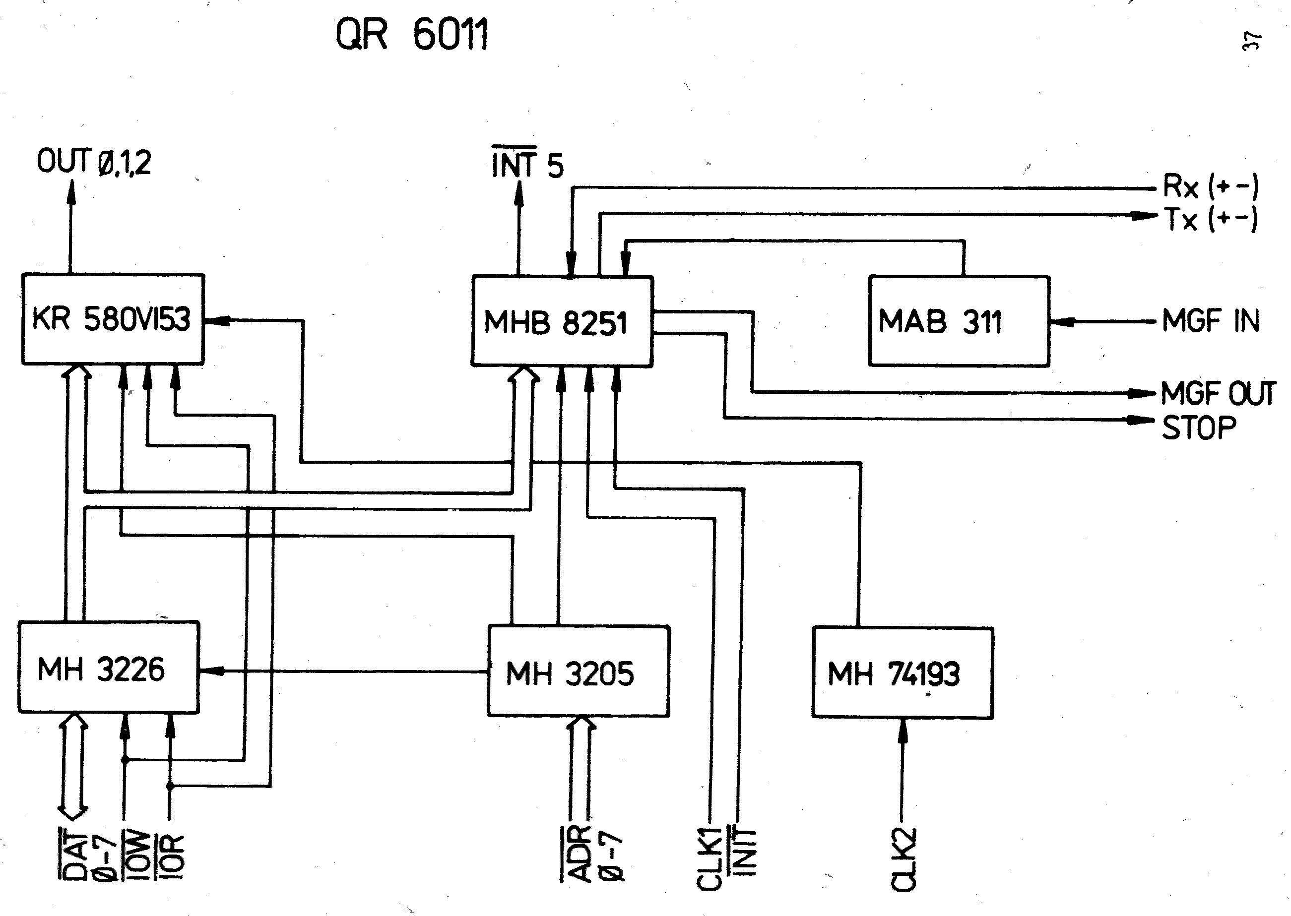
QR 6011 IO 3



Modul IO 3 je určen pro sériový vstup a výstup dat. Umožňuje programovou volbu přenosové rychlosti a synchronní / asynchronní přenos mezi PCS 1 a výstupním / vstupním zařízením pracujícím v sériovém režimu. Transformaci paralelní formy na sériovou při výstupu, a sériové na paralelní při vstupu zajišťuje obvod MHB 8251. Časování jednotky a programovou volbu přenosové rychlosti zabezpečuje obvod KR 58VI53 ( MHB 8253). Synchronizací přenosu dat mezi centrální procesorovou jednotkou regulátoru a funkční jednotkou IO 3 zabezpečuje signál požadavku na přerušení INI5.


Technická data:

napájecí napětí
UCC = +5V ±0,25V
UDP = +12V ±0,5V
UDN = -12V ±0,5V

odběr proudu stanovený dle katalogových údajů a osazení desky
ICC = 470mA
IDP = 30mA
IDN = 30mA

rozměry modulu
20 x 130 x 160 ( mm ) ( š x v x d )

napěťové úrovně TTL:
0 ≤ L ≤ 0,8 ( V )
2 ≤ H ≤ 5,5 ( V )

kmitočet hodinových impulsů
18,432MHz

vstupní signály
ADR0ADR7, INIT, IOR, IOW, CLK1, CLK2
Rx ( - ), Rx ( + ), MGF IN

výstupní signály
INI5, OUT0, OUT1, OUT2
Tx ( - ), Tx ( + ), MGF OUT

vstupní a výstupní signály
STOP, DAT0DAT7

hmotnost
cca 155g





ÚVOD | Novinky | 8 Bitů | Příslušenství | Drobnosti | TTL | Kontakt


SAPI-1 | ONDRA | PMI-80 | PMD-85 | klony PMD-85 | klony SM50/40 | PETR | PLAN-80A | IQ151 | TNS | FK-1 | HVĚZDA | SP 830 | PCS 1-QR6000 | TEMS


8 bity / PCS 1-QR6000 / QR6011



SAPI.cz - web o československých osmibitech, zejména SAPI-1. Provozuje EC1045 od roku 2011
Za korekce češtiny dekuji: MELSOFTovi, Silliconovi, Martinu Lukáškovi a NOSTALCOMPovi

Když začínám blbnout z 8bitů tak se chodím léčit mezi otaku.
Animefest.cz