ÚVOD | Novinky | 8 Bitů | Příslušenství | Drobnosti | TTL | Kontakt


SAPI-1 | ONDRA | PMI-80 | PMD-85 | klony PMD-85 | klony SM50/40 | PETR | PLAN-80A | IQ151 | TNS | FK-1 | HVĚZDA | SP 830 | PCS 1-QR6000 | TEMS


8 bity / PLAN-80A

Technický dopis



Obsah:



VÁŽENÝ SPOTŘEBITELI


Úvodem tohoto technického dopisu prosíme o omluvu a shovívavost za nutné provedení některých změn a úprav, které vyplynuly z průběhu ověřovacích zkoušek stavebnic počítače PLAN 80A a nejsou proto zachyceny ve vlastním návodu na stavbu, ale jsou obsaženy v tomto dodatku v technickém dopise.
Následující informace můžeme rozdělit na dva druhy. Jedny zdůrazňují některé technologické postupy, které je nutné bezpodmínečně dodržet druhé zachycují výše zmíněné změny, vyvolané jednak zkouškami jednak změnou podoby základní verze a použitých součástek. Smyslem změn je snaha zajistit spotřebiteli jistý úspěch při stavbě počítaje.
Přilněte ujištění, že všechny následující změny byly vyzkoušeny na vzorcích a zajišťují správnou funkci počítače.

Abychom dosáhli únosného kompromisu mezi minimální možnou, provozu schopnou verzí počítače a cenou, která je dána zcela nevhodným způsobem zdanění těchto výrobků, volili jsme právě tento rozsah základní verze počítače. Dovolujeme si podotknout, že pořizováním dalších komponentů je možné postavit stolní mikropočítač s téměř profesionální úrovní. Tím je zajištěn dokonalý polytechnický charakter stavebnice, což je hlavní cíl, který touto stavebnicí sledujeme.



VĚNUJTE POZORNOST NÁSLEDUJÍCÍM STATÍM
  1. Jako první operaci, kromě pečlivého studia dokumentace, doporučujeme provést velmi pečlivou kontrolu všech tištěných spojů !
  2. Při manipulaci s obvody MOS - FET nejdříve sáhnout na vodovodní vedení nebo UT a teprve potom na vlastní IO. Nebezpečí zničení těchto IO elektrostatickým nábojem !
  3. Při jakémkoliv pájení na desce plošného spoje v průběhu prací vždy nejdříve odpojit napájecí napětí!
  4. Zásadně nepoužívat pistolovou páječku! Doporučujeme tužkovou páječku - mikropájku, s regulací teploty hrotu. Umožňuje propojení hrotu páječky se zemí na plošném spoji. Například typ ERS 50.
  5. Návod na stavbu napájecího zdroje záměrně neuvádíme s ohledem na zachování bezpečnosti a všech příslušných ČSN a předpisům Totéž platí o videovstupu TV.
    V případě vlastní konstrukce zdroje musí být zachováno správné pořadí "nabíhání" napětí a zdroj musí obsahovat elektronickou přepěťovou pojistku.
    Doporučujeme používat zdroj pro počítač PMD 85, nebo jiný vhodný zdroj, odpovídající výstupním napětím a výkonem, schválený EZÚ Praha.
  6. Vzhledem k současné situaci na trhu diskrétních prvků si vyhrazujeme právo dodávat odpovídající ekvivalenty, kde to konstrukce počítače dovoluje.
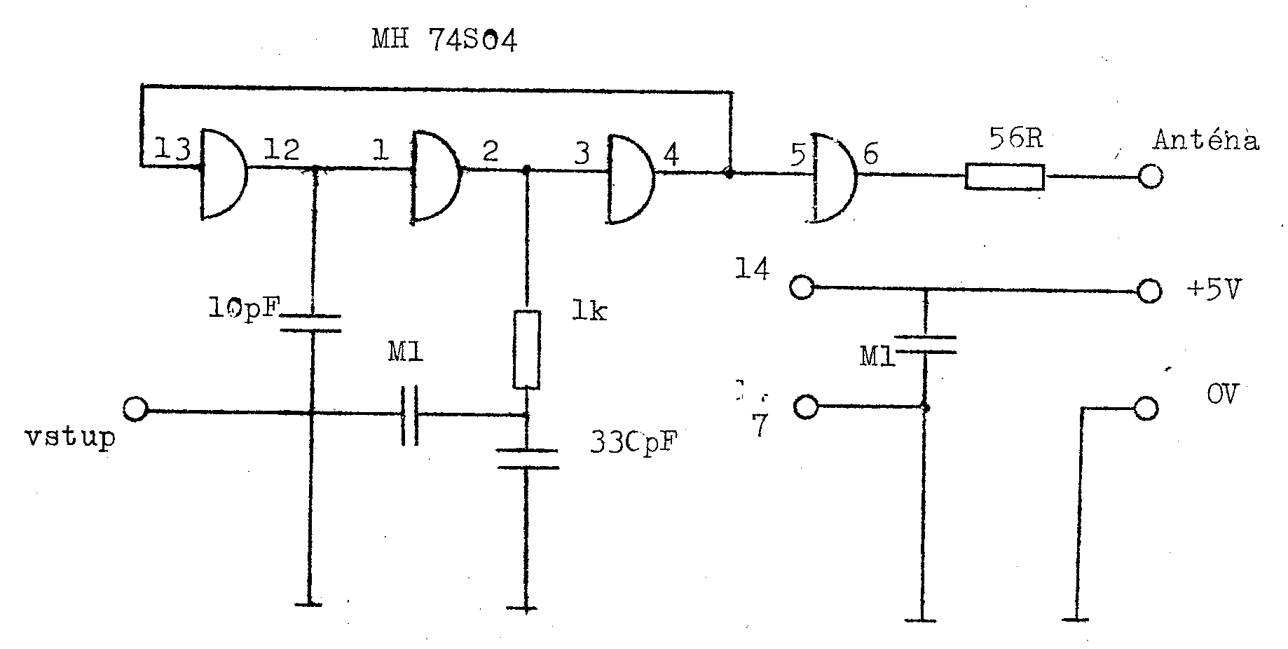
  7. Na schématu číslo 4 - neplatí zde uvedené schéma vf-modulátoru. Platí schéma uvedené dále v tomto dopise. Místo autorem navrhovaného zapojení vf-modulátoru, bylo použito z technologických důvodů jednodušší zapojení.
  8. V následném období zajistí Drukov Brno dodávky vhodné skřínky,do které bude možné umístit postavený počítač i s klávesnicí. Skřínka bude nabízena prostřednictvím běžné obchodní sítě. Tím bude zajištěno rutinní používání počítače.


Nyní prosíme o respektování následujících připomínek a nutných změn.

  1. Na osazovacím výkrese, vpravo dole, vpravo od IO 66-MHB 8286 je naznačen odpor R53, který svými vývody patří do pájecích bodů o jednu pozici dále doprava.
    Osazovací strana plošného spoje má označení V3.3/2 a jedná se o modře zdůrazněný reliéf plošného spoje. Žlutá verze slouží pro kontrolu při osazování.
  2. V části uživatelského manuálu
    1. v této stavebnici je použita klávesnice TS 5220004,Tesla Jihlava.
    2. oprava na straně 6, pátý odstavec : ..... v klávesnici TS 5220004 slouží pro výmaz řádku klávesa se šipkou dolů( kod CTRLX ).
    3. Instrukci INPUT lze přerušit rovněž tlačítkem CTRLX.


OŽIVOVACÍ PŘEDPIS

  1. Zobrazovací obvody
  2. Strana 4-4, krok U-32

    Ad c) Protože je pro generátor Znaků použito obvodů typu 2716, jsou v paměti nahrány dva typy generátoru znaků po 1 kbyte paměti.
    Propojky jsou pak zapojeny takto:
    32-33
    37-39
    36-37 1. generátor
    36-31 2. generátor
    Pro uvedení do provozu použijte generátoru 1.
    1.generátor obsahuje semigrafiku
    2.generátor obsahuje malá písmena + českou abecedu

    Krok U - 62

    Na vývodech pro konektor videomodulátoru jsou tyto hodnoty:
    Vývody 3,4,9,10,11 - jsou indikovány impulsy na log,sondě
    Vývod 8 - modulovaný signál, který nemá logickou úroveň
    V případě, že tomu tak není, je třeba hledat závadu v obvodech tvořících příslušný signál ( schéma č.4).

  3. Část EPROM
  4. Nastavení Propojek

    Propojky zapojíme pro typ 2716,tj. kroky U 71B - U 74B.
    Dále propojíme vývody IO-42 dle U -76, propojku 42 - 43 dle U - 79B.
    Propojíme vývody IO-27, tj. 1-2, 3-4,5-6 (U-8l). Provedeme U-88B,tj. 136 - 137!

  5. Rozšiřující verze pro EPROM
  6. Dle U 110B - U 113B, U 114B-U 117B a U 118B - U 121B zapojíme propojky pro paměť 2716.
    Obdobně pak propojky dle návodu pro IO 22 a IO 25.
    Propojky 123 až 138 zapojíme pro tuto verzi takto:
    125-124
    129-130
    137-136
    133-138

  7. Část CPU
  8. Krok U - 162

    Mikrospínač zapojit tak, aby po stisku skutečně připojil R 43 na zem ( viz schéma č. 3).
    Vzhledem k rozteči otvorů v desce plošného spoje, nesouhlasí otvory s roztečí vývodů mikrospínače. Doporučujeme upevnit mikrospínač na skřínku mikropočítače a propojení provést drátovými spojkami.
    Při pájení pozor na zkraty mezi vývody mikrospínačů a sousedními ploš. spoji (zmenšené rozteče).



DEMONSTRAČNÍ PROGRAM


Výpis programu "KRESLI"

10 CLS
20 MOVE 0,0
30 DRAW 0,63
40 DRAW 143,63
50 DRAW 143,0
60 DRAW 0,0
70 CURS 7,3
80 P. * 1, " KRESLENI OBRAZCE POMOCI SIPEK"
90 X = 75 : y = 35
100 MASK (HEX(7C))
110 PLOT X,Y
120 A = INM(8)
130 B = INCHART
140 IF (A=HSX(10)) * (X>2) X=X-l
150 IF (B=HEX(08)) * (X>2) X=X-1l
160 IF (A=HEX(20)) * (X<14l) X=X+1
170 IF (B=HEX(04)) * (X<141) X=X+1
180 IF (A=HEX(08)) * (Y<61) Y=Y+l
190 IF (B=HEX(18)) * (Y<61) Y=Y+l
200 IF (A=HEX(04)) * (Y>20) Y=Y-1
210 IF (B=HEX(05)) * (Y>20) Y=Y-1
220 GOTO 110

NÁVRH PŘIPOJENÍ VF-MODULÁTORU





Krabičku s vf-modulátorem umístíme na volnou plochu vedle IO 01. Připájíme ji po celém obvodu k plošnému spoji.Smí se dotýkat jen zemních spojů !
Napájení vf-modulátoru proveďte přes Zenerovu didodu D14 (KZ 141) a odporu 100R (0,5W). Proti zemi zapojte kondenzátor 33n. Vlevo od potenciometru R4 se nachází napájecí bod +12V.


SCHÉMA VF- MODULÁTORU





DOPORUČENÉ PŘIPOJENÍ JOYSTICKU







Obsah:



ÚVOD | Novinky | 8 Bitů | Příslušenství | Drobnosti | TTL | Kontakt


SAPI-1 | ONDRA | PMI-80 | PMD-85 | klony PMD-85 | klony SM50/40 | PETR | PLAN-80A | IQ151 | TNS | FK-1 | HVĚZDA | SP 830 | PCS 1-QR6000 | TEMS


8 bity / PLAN-80A

Technický dopis



SAPI.cz - web o československých osmibitech, zejména SAPI-1. Provozuje EC1045 od roku 2011
Za korekce češtiny dekuji: MELSOFTovi, Silliconovi, Martinu Lukáškovi a NOSTALCOMPovi

Když začínám blbnout z 8bitů tak se chodím léčit mezi otaku.
Animefest.cz