ÚVOD | Novinky | 8 Bitů | Příslušenství | Drobnosti | TTL | Kontakt
CONSUL 259.13 finál 800.541 (přidáno repro. a stavové LED)
OCR návodu CONSUL 259.13
CONSUL
259.13
NÁVOD K OBSLUZE
CONSUL 259.13
NÁVOD K OBSLUZE
JKPOV 402 183 259 593
JKPOV 402 183 259 594
JKPOV 402 183 259 595
JKPOV 402 183 259 596
JKPOV 402 183 259 597
JKPOV 402 183 259 598
JKPOV 402 183 259 599
Bezkontaktní abecedně číselná klávesnice CONSUL 259.13 je určena pro zařízení videoterminálu.
| Název finálního výrobku | Číslo finálního výrobku | JKPOV |
| AČBK 259.13 - LAT 2 | 259-800.540 | 402 183 259 593 |
| AČBK 259.13 VÚVT Žilina - LAT 1 | 259-800.541 | 402 183 259 594 |
| AČBK 259.13 VÚVT Žilina - LAT 3 | 259-800.542 | 402 183 259 595 |
| AČBK 259.13 VÚVT Žilina - ČS 4 | 259-800.546 | 402 183 259 596 |
| AČBK 259.13 VÚVT Žilina - LAT + AZB 1 | 259-800.543 | 402 183 259 597 |
| AČBK 259.13 VÚVT Žilina - LAT + AZB 2 | 259-800.544 | 402 183 259 598 |
| počet tlačítek | 82 |
| zdvih tlačítek | 4 ± 10 % mm |
| tlak při stisku | 0,833 N ± 15 % |
| napájecí napětí | + 5 V ± 5 % |
| výstupní napětí | odpovídá TTL log. |
| kód | viz příloha 8, 9, 10 |
| pracovní teplota | + 5 V - 40 °C |
| relativní vlhkost | až 95 % při 30 °C |
| atmosférický tlak | 0,0975 - 0,1055 MPa (975 - 1055 mbar) |
Klávesnice se skladují v suchých místnostech v transportních obalech maximálně v pěti vrstvách. Při uskladnění je nutno zabezpečit klávesnice proti mechanickému poškození. Teplota místnosti se může pohybovat v rozmezí + 30 - 40 °C při relativní vlhkosti do 95 %. Prostředí musí být prosto výparů kyselin, žíravin, eventuálně jiných chemických látek způsobujících korozi. Musí být zabráněno náhlým změnám teploty, které by mohly způsobit orosení.
Klávesnice je určena pro nepřetržitý provoz v normálním kancelářském prostředí, tj. bezprašném prostředí při teplotě okolního vzduchu +5 - 40 °C; relativní vlhkosti vzduchu do 95 % (při 30 °C) a atmosférickém tlaku 0,0975 - 0,1055 MPa (tj. 975 - 1055 mbar).
Klávesnice je dodávána bez krytu. Klávesnice se umístí do rámu spolupracujícího zařízení a výstupní konektor se připojí k zařízení.
Uživatel klávesnice zodpovídá za to, že klávesnice je použita v zařízení, jehož parametry odpovídají technickým podmínkám na klávesnici.
Výrobce neručí za škody, které vzniknou uživateli připojením nebo provozem v podmínkách, které neodpovídají technickým podmínkám na klávesnici.
Jestliže byla klávesnice připojena a zkontrolována s ohledem na technické údaje uvedené v technickém popisu nebo technických podmínkách, může operátor zapnout spolupracující zařízení. Tím automaticky zapojí napájecí napětí pro klávesnici.
Po zapnutí se klávesnice automaticky nastaví do výchozího stavu, který je dán technickými podmínkami a je:
pro klávesnici s latinkou : malá latinka
pro klávesnici s azbukou : velká azbuka
Činnost elektroniky klávesnice 259.13
| Varianty: | LAT | 1 | klávesové pole: | příloha č. 1 |
| LAT | 2 | příloha č. 2 | ||
| LAT | 3 | příloha č. 3 | ||
| ČS | 4 | příloha č. 4 |
Výchozí a klidový stav (stav po připojení napětí, když není stlačeno žádné tlačítko):
kódy malé latinské abecedy respektive znaků nacházejících se v dolní části butonů tlačítek se dvěma znaky.
Generování signálu "STROB":
signál je generovaný (změna log. úrovně) po stlačení kteréhokoliv tlačítka mimo tlačítka č. 73 (CTRL), 55 (CAPS LOCK), 79 (REPEAT), 68 (COPY), 74 (BREAK), 76 (SHIFT), 75 (neoznačené), 78 (SHIFT), 37 (SCROLL).
Stlačením některého z tlačítek č. 2-13, 20-31, 38-49, 56-66, 77 vznikne příslušný kód na výstupu klávesnice (signály BIT 1 - BIT 7) z kódové tabulky podle přílohy č. 14 a to malá písmena resp. znaky z dolní části butonů tlačítek se dvěma znaky. Současně se generuje signál "STROB" (po dobu 17,5-1000 µs viz časový diagram - příloha č. 11). Stav signálu BIT K je klidový.
Tlačítko č. 76 resp. 78 - SHIFT.
Stlačením tohoto tlačítka a některého z tlačítek uvedených v bodě 1.17.21. se způsobí změna kódu (signály BIT 1 - BIT 7) a to tak, že se generují kódy velkých písmen. resp. znaků, které se nachází v horní části butonů s dvěma znaky. Současně se generuje signál "STROB". Stav signálu BIT K je klidový. Tato tlačítka (76 a 78) nemají charakter aretovaného tlačítka (jejich vliv je jen po dobu stlačeni). Při stlačení tlačítka SHIFT (č. 76, resp. 78) se generuje jen signál SHIFT.
Tlačítko č. 55 - CAPS LOCK - platí pro latinské verze klávesnic.
Toto tlačítko má charakter aretované polohy, tj. po stlačení zůstane elektricky za aretované a současně je trvale generovaný signál CAPS LOCK. Samotné stlačení tohoto tlačítka nezpůsobí generování signálu "STROB". V případě, že tlačítko č. 55 - CAPS LOCK je v aretované poloze, po stlačení některého tlačítka č. 20-31, 38-46, 49, 56-63 se generuji kódy jen velkých písmen a to bez ohledu na to, v jakém stavu je tlačítko č. 76, resp. 78 (SHIFT). Současně se generuje "STROB". Signál BIT K je v klidovém stavu.
Opětovné stlačeni tlačítka č. 55 - CAPS LOCK způsobí změnu z aretovaného stavu do stavu klidového. Signál "STROB" se tedy nevyrobí a signál CAPS LOCK se změní na klidový stav.
Světelná signalizace aretované polohy tlačítka č. 55 se na klávesnici nevyžaduje.
Tlačítka č. 1 - ESC, 14 - BACK SPACE, 19 - TAB, 32 - LINE FEED, 50 - CR, 67 - DELETE, 77 - SPACE (neoznačené tlačítko).
Při stlačení některého z těchto tlačítek generuje se příslušný kód (signály BIT 1 - BIT 7) z kódové tabulky podle přílohy č. 8. a současně se generuje signál "STROB". Na tato tlačítka nemají vliv ani tlačítka č. 76 a 78 (SHIFT) resp. 55 (CAPS LOCK). Stav signálu BIT K je klidový.
Tlačítko č. 73 - CTRL
Samotné stlačení tlačítka 73 - CTRL negeneruje kód ani signál "STROB“.
Po stlačení tohoto tlačítka a některého z tlačítek 11, 20 - 30, 38 - 46, 56 - 63 způsobí vynulování bitů BIT 6 a BIT 7, tj. generování odpovídajícího kódu ze sloupců 0 a 1 kódové tabulky podle přílohy č. 8.. Současně se generuje signál "STROB". K vynulování signálů BIT 6 a BIT 7 dochází bez ohledu na to, zda bylo současně stlačeno některé z tlačítek 76 (SHIFT), 78 (SHIFT), resp. 55 (CAPS LOCK). Stav signálu BIT K je klidový.
Tlačítka č. 68 - COPY, 37 - SCROLL, 74 - BREAK, 75 - EMPTY (bez označení) :
Při stlačení některého z těchto tlačítek aktivuje se příslušný signál (COPPY, SCROLL, BREAK, resp. EMPTY viz příloha č. 12). Signály BIT 1 - BIT K a "STROB" jsou v klidovém stavu. Tlačítko 76 a 78 (SHIFT), 55 (CAPS LOCK), resp." 73 (CTRL) nemají vliv na tlačítka č. 68 (COPY), 37 (SCTOLL), 75 (EMPTY - bez označení) a 74 (BREAK).
Tlačítko č. 79 - REPEAT.
Současné stlačení tohoto tlačítka s některým tlačítkem mimo tlačítka č. 75 (EMPTY), 68 (COPY), 37 (SCROLL), 74 (BREAK) způsobí cyklické opakováni příslušného kódu (signál "STROB" je generovaný impulsně s frekvencí 10 Hz ± 1 Hz.
Tlačítka č. 15 - 18, 33 - 36, 51 - 54, 69 - 72, 80 - 82. Po stlačení některých z těchto tlačítek generuje se kód podle kódové tabulky - příloha č. 8 a 9 (signály BIT 1 - BIT 7) a současně se generuji signály "STROB" a BIT K (signál "STROB" tehdy, až jsou signály BIT 1 - BIT 7 a BIT K ustálené). Kódy těchto tlačítek nejsou ovlivňovány tlačítky č. 76 a 78 (SHIFT), 55 (CAPS LOCK), resp. 73 (STRL).
Stav datových signálů podle toho, zda byla stlačena tlačítka 76 a 78 (SHIFT), 55 (CAPS LOCK) resp. 73 (CTRL) je v příloze č. 14.
Činnost elektroniky klávesnice 259.13
| Varianty: | LAT + AZB 1 | klávesové pole: | příloha č. 5 |
| LAT + AZB 2 | příloha č. 6 | ||
| LAT + AZB 3 | příloha č. 7 |
Výchozí a klidový stav (stav po připojení napětí, když není stlačeno žádné tlačítko):
kódy velké azbuky respektive znaků nacházejících se v dolní části butonů tlačítek se dvěma znaky.
Generování signálu "STROB":
signál je generovaný (změna log. úrovně) po stlačení kteréhokoliv tlačítka mimo tlačítka č. 73 (CTRL), 55 (CAPS LOCK), 79 (REPEAT), 68 (COPY), 74 (BREAK), 76 (SHIFT), 75 (neoznačené), 78 (SHIFT), 37 (SCROLL).
Stlačením některého z tlačítek č. 2 - 13, 20 - 31, 38 - 49, 57 - 67, 77 vznikne příslušný kód na výstupu klávesnice (signály BIT 1 - BIT 7) z kódové tabulky podle přílohy č. 16 a to velká písmena azbuky resp. znaky z dolní části butonů tlačítek se dvěma znaky. Současně se generuje signál "STROB" (po dobu 17,5 - 1000 µs viz časový diagram - příloha č. 11). Stav signálu BIT K je klidový.
Tlačítko č. 76 resp. 78 - SHIFT.
Stlačení tohoto tlačítka a některého z tlačítek uvedených v bodě 1.17.21 způsobí se změna kódu (signály BIT - BIT 7) a to tak, že se generují kódy malých písmen azbuky resp. znaků, které se nachází v horní části butonů se dvěma znaky. Současně se generuje signál "STROBS". Stav signálu BIT K je klidový. Tato tlačítka (76 a 78) nemají charakter aretovaného tlačítka (jejich vliv je jen po dobu stlačení). Při stlačeni tlačítka SHIFT (č. 76, resp. 78 se generuje jen signál SHIFT).
Tlačítko č. 55 - CAPS LOCK
Toto tlačítko má charakter aretované polohy, tj. po stlačení zůstane elektricky zaaretované a současně je trvale generovaný signál CAPS LOCK. Samotné stlačeni tohoto tlačítka nezpůsobí generování signálu "STROB". V případě, že tlačítko č. 55 - CAPS LOCK je v aretované poloze, po stlačení některého tlačítka č. 20 - 30 , 38 - 48, 57 - 65 se generují kódy jen velkých písmen a to bez ohledu na to, v jakém stavu je tlačítko č. 76 resp. 78 (SHIFT). Současně se generuje "STROBS". Signál BIT K je v klidovém stavu.
Opětovné stlačení tlačítka č. 55 - CAPS LOCK způsobí změnu z aretovaného stavu do stavu klidového. Signál "STROB" se tedy nevyrobí a signál CAPS LOCK se změní na klidový stav.
Světelná signalizace aretované polohy tlačítka č. 55 se na klávesnici nevyžaduje.
Tlačítka č. 1 - ESC, 14 - BACK SPACE, 19 - TAB, 32 - LINE FEED, 56 - DELETE, 77 - SPACE (neoznačené tlačítko).
Při stlačení některého z těchto tlačítek generuje se příslušný kód (signály BIT 1 - BIT 7) z kódové tabulky podle přílohy č. 10 a současně se generuje signál "STROB". Na tato tlačítka nemají vliv ani tlačítka č. 76 a 78 (SHIFT) resp. 55 (CAPS LOCK). Stav signálu BIT K je klidový.
Tlačítko č. 73 - CTRL
Samotné stlačení tlačítka 73 - CTRL negeneruje kód ani signál "STROB".
Po stlačeni tohoto tlačítka a některého z tlačítek 12, 20 - 30, 38-48, 57-65 způsobí vynulování bitů BIT 6 a BIT 7 tj. generování odpovídajícího kódu ze sloupců 0 a 1 kódové tabulky podle přílohy č. 10. Současně se generuje signál "STROBS". K vynulování signálů BIT 6 a BIT 7 dochází bez ohledu na to, zda bylo současně stlačeno některé z tlačítek 76 (SHIFT), 78 (SHIFT), resp. 55 (CAPS LOCK). Stav signálu BIT K je klidový.
Tlačítka č. 68 - COPY, 37 - SCROLL, 74 - BREAK, 75 - EMPY (bez označení):
Při stlačení některého z těchto tlačítek se aktivuje příslušný signál (COPPY SCROLL, BREAK, resp. EMPTY viz příloha č. 16). Signály BIT 1 - BIT K a "STROB" jsou v klidovém stavu. Tlačítko 76 a 78 (SHIFT), 55 (CAPS LOCK), resp. 73 (STRL) nemají vliv na tlačítka č. 68 (COPY), 37 (SCROLL), 75 EMPTY (bez označení) a 74 (BREAK).
Tlačítka č. 15 - 18, 33 - 36, 51 - 54, 69 - 72, 80 - 82.
Po stlačení některých z těchto tlačítek se generuje kód podle kódové tabulky - příloha č. 9 a 10 (signály BIT 1 - BIT 7) a současně se generují signály "STROB" a BIT K (signál STROB tehdy, až jsou signály BIT 1 - BIT 7 a BIT K ustálené). Kódy těchto tlačítek nejsou ovlivňovány tlačítky č. 76 a 78 (SHIFT), 55 (CAPS LOCK), resp. 73 (CTRL).
Stav datových signálů podle toho, zda byla stlačena tlačítka 76 a 78 (SHIFT), 55 (CAPS LOCK) resp. 73 (STRL) je v příloze 16.
Stlačením klávesy CAPS LOCK (uvedeni do aretované polohy) a následné stlačení některé z kláves č. 20 - 30, 38 - 48, 57 - 65 způsobí generování kódu ze 4. a 5. sloupce kódové tabulky přílohy 8, 9, 10 základního klávesového pole.
PŘÍLOHY
| b7 | 0 | 0 | 0 | 0 | 1 | 1 | 1 | 1 | |||||
| b6 | 0 | 0 | 1 | 1 | 0 | 0 | 1 | 1 | |||||
| b5 | 0 | 1 | 0 | 1 | 0 | 1 | 0 | 1 | |||||
| 0 | 1 | 2 | 3 | 4 | 5 | 6 | 7 | ||||||
| b4 | b3 | b2 | b1 | № | 0 | 1 | 2 | 3 | 4 | 5 | 6 | 7 | |
| 0 | 0 | 0 | 0 | 0 | 0 | 77 | 11 | 30 | 29 | 30 | 29 | ||
| 0 | 0 | 0 | 1 | 1 | 1 | 2 | 2 | 38 | 20 | 38 | 20 | ||
| 0 | 0 | 1 | 0 | 2 | 2 | 3 | 3 | 61 | 23 | 61 | 23 | ||
| 0 | 0 | 1 | 1 | 3 | 3 | 4 | 4 | 59 | 39 | 59 | 39 | ||
| 0 | 1 | 0 | 0 | 4 | 4 | 5 | 5 | 40 | 24 | 40 | 24 | ||
| 0 | 1 | 0 | 1 | 5 | 5 | 6 | 6 | 22 | 26 | 22 | 26 | ||
| 0 | 1 | 1 | 0 | 6 | 6 | 7 | 7 | 41 | 60 | 41 | 60 | ||
| 0 | 1 | 1 | 1 | 7 | 7 | 8 | 8 | 42 | 21 | 42 | 21 | ||
| 1 | 0 | 0 | 0 | 8 | 8 | 14 | 9 | 9 | 43 | 58 | 43 | 58 | |
| 1 | 0 | 0 | 1 | 9 | 9 | 19 | 10 | 10 | 27 | 57 | 27 | 57 | |
| 1 | 0 | 1 | 0 | A | 10 | 32 | 48 | 48 | 44 | 25 | 44 | 25 | |
| 1 | 0 | 1 | 1 | B | 11 | 1 | 47 | 47 | 45 | 31 | 45 | 31 | |
| 1 | 1 | 0 | 0 | C | 12 | 64 | 64 | 46 | 56 | 46 | 56 | ||
| 1 | 1 | 0 | 1 | D | 13 | 50 | 12 | 12 | 63 | 49 | 63 | 49 | |
| 1 | 1 | 1 | 0 | E | 14 | 65 | 65 | 62 | 13 | 62 | 13 | ||
| 1 | 1 | 1 | 1 | F | 15 | 66 | 66 | 28 | 11 | 28 | 67 |
xxx po stlačení tlačítka SHIFT (č. 75 nebo 78)
xxx tlačítka, na které nemají vliv tlačítka SHIFT (č.76 resp. 78) a CAPS LOCK (č.55)
Poznámka: Signál BIT K je v klidném stavu. Pro ostatní varianty klávesnic 259.13 platí kód podle číselného označení tlačítek na klávesovém poli příloha č.1. Překódování příslušející odchylkám od varianty LAT.1. zajišťuje spolupracující zařízení současně s příslušným kódem se generuje i signál BIT K.
| b7 | 0 | 0 | 0 | 0 | 1 | 1 | 1 | 1 | ||||
| b6 | 0 | 0 | 1 | 1 | 0 | 0 | 1 | 1 | ||||
| b5 | 0 | 1 | 0 | 1 | 0 | 1 | 0 | 1 | ||||
| b4 | b3 | b2 | b1 | № | 0 | 1 | 2 | 3 | 4 | 5 | 6 | 7 |
| 0 | 0 | 0 | 0 | 0 | 80 | |||||||
| 0 | 0 | 0 | 1 | 1 | 69 | |||||||
| 0 | 0 | 1 | 0 | 2 | 70 | |||||||
| 0 | 0 | 1 | 1 | 3 | 71 | |||||||
| 0 | 1 | 0 | 0 | 4 | 51 | |||||||
| 0 | 1 | 0 | 1 | 5 | 52 | |||||||
| 0 | 1 | 1 | 0 | 6 | 53 | |||||||
| 0 | 1 | 1 | 1 | 7 | 33 | |||||||
| 1 | 0 | 0 | 0 | 8 | 72 | 54 | 34 | |||||
| 1 | 0 | 0 | 1 | 9 | 35 | |||||||
| 1 | 0 | 1 | 0 | 10 | 18 | |||||||
| 1 | 0 | 1 | 1 | 11 | 36 | |||||||
| 1 | 1 | 0 | 0 | 12 | ||||||||
| 1 | 1 | 0 | 1 | 13 | 82 | 17 | ||||||
| 1 | 1 | 1 | 0 | 14 | 16 | 81 | ||||||
| 1 | 1 | 1 | 1 | 15 | 15 |
Poznámka : současně s příslušným kódem se generuje i signál BIT K.
| b7 | 0 | 0 | 0 | 0 | 1 | 1 | 1 | 1 | ||||
| b6 | 0 | 0 | 1 | 1 | 0 | 0 | 1 | 1 | ||||
| b5 | 0 | 1 | 0 | 1 | 0 | 1 | 0 | 1 | ||||
| b4 | b3 | b2 | b1 | № | 0 | 1 | 2 | 3 | 4 | 5 | 6 | 7 |
| 0 | 0 | 0 | 0 | 0 | 77 | 12 | 65 | 42 | 65 | 42 | ||
| 0 | 0 | 0 | 1 | 1 | 3 | 3 | 41 | 57 | 41 | 57 | ||
| 0 | 0 | 1 | 0 | 2 | 4 | 4 | 64 | 43 | 64 | 43 | ||
| 0 | 0 | 1 | 1 | 3 | 5 | 5 | 21 | 59 | 21 | 59 | ||
| 0 | 1 | 0 | 0 | 4 | 6 | 6 | 46 | 62 | 46 | 62 | ||
| 0 | 1 | 0 | 1 | 5 | 7 | 7 | 24 | 22 | 24 | 22 | ||
| 0 | 1 | 1 | 0 | 6 | 8 | 8 | 38 | 47 | 38 | 47 | ||
| 0 | 1 | 1 | 1 | 7 | 9 | 9 | 26 | 40 | 26 | 40 | ||
| 1 | 0 | 0 | 0 | 8 | 14 | 10 | 10 | 30 | 63 | 30 | 63 | |
| 1 | 0 | 0 | 1 | 9 | 19 | 11 | 11 | 61 | 39 | 61 | 39 | |
| 1 | 0 | 1 | 0 | 10 | 32 | 31 | 31 | 20 | 29 | 20 | 29 | |
| 1 | 0 | 1 | 1 | 11 | 1 | 13 | 13 | 23 | 27 | 23 | 27 | |
| 1 | 1 | 0 | 0 | 12 | 66 | 66 | 45 | 48 | 45 | 48 | ||
| 1 | 1 | 0 | 1 | 13 | 50 | 2 | 2 | 60 | 28 | 60 | 28 | |
| 1 | 1 | 1 | 0 | 14 | 67 | 67 | 25 | 58 | 25 | 58 | ||
| 1 | 1 | 1 | 1 | 15 | 49 | 49 | 44 | 12 | 44 | 56 |
xxx po stlačení tlačítka SHIFT (č. 75 nebo 78)
xxx tlačítka, na které nemají vliv tlačítka SHIFT (č.76 resp. 78) a CAPS LOCK (č.55)
Poznámka:
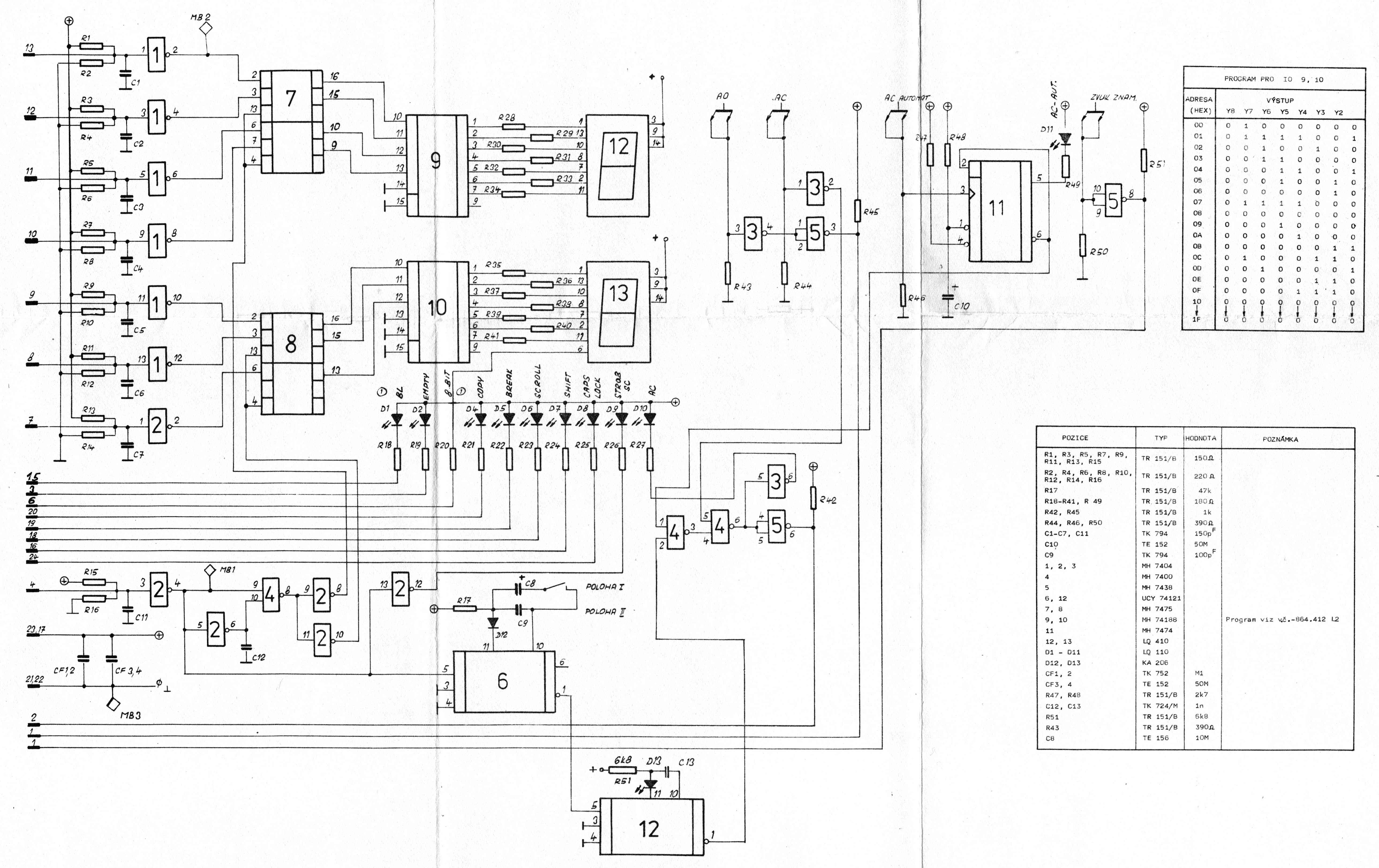
Schéma klávesnice CONSUL 259.13
Schéma klávesnice CONSUL 259.13 a černobílá verze ZDE.
|
ZAVT, KONCERN ZBROJOVKA BRNO KONCERNOVÝ PODNIK 656 17 BRNO. LAZARETNÍ 7, ČSSR |
| II. - 1984 - 7 000 - Č |
ZBROJOVKA BRNO
koncernový podnik
Výpis obsahů PROM pro latinské veze klávesnic 259.13, ve formátu INTELHEX.
| Pozice IO: | 3 |
| Onačení Zbrojovka BRNO: | 164.252 |
| Onačení TESLA: | 062 |
:20000000F0F0F0F0F0F0F0F0F0F0F0F0F0F0F0F0F0F0F0F0F0F0F0F0F0F0F0F0F0F0F0F0E0 :20002000F0F0F0F0F0F0F0F0F0F0F0F0F0F0F0F0F0F0F0F0F0F0F0F0F0F0F0F0F0F0F0F0C0 :20004000F0F0F0F0F0F0F0F0F0F0F0F0F0F0F0F0F0F0F0F0F0F0F0F0F0F0F0F0F0F0F0F0A0 :20006000F0F0F0F0F0F0F0F0F0F0F0F0F0F0F0F0F0F0F0F3F0F0F0F3F0F0FBF0F0F0FBF064 :20008000F0F0F0F0F0F0F0F0F0F0F0F0F0F0F0F0F0F0F0F0F0F0F0F0F0F0F0F0F0F0F0F060 :2000A000F0F0F0F0F0F0F0F0F0F0F0F0F0F0F0F0F0F0F0F0F0F0F0F0F0F0F0F0F0F0F0F040 :2000C000F0F0F0F0F0F0F0F0F0F0F0F0F0F0F0F0F0F0F0F0F0F0F0F0F0F0F0F0F0F0F0F020 :2000E000F8F8F0F0F0F0F0F0FCF0F0F0FCF0F0F0F8F8F0F7F0F0F0F7FDF0FFF0FFF0FFF779 :00000001FF
| Pozice IO: | 7 |
| Onačení Zbrojovka BRNO: | 164.253 |
| Onačení TESLA: | 063 |
:20000000F0F0F0F0F0F0F0F0F0F0F0F0F0F0F0F0FCFCF8FCFCFCFCF8F8FCF8FEF8FCF8F83A :20002000F8F8F8F8F8FEFEFCFCF8FCF8F8F8F0F0F0F0F0F0F0F0F0F0F0F0F0F0F0F0F0F038 :20004000F6F6F6F6F6F6F6F6F6F6F2F6F6F2F2F0FEFEFAFEFEFEFEFAFAFEFAFCFAFEFAFA90 :20006000FAFAFAFAFAFCFCFEFEFAFEFAFAFAFCF2F0F0F0F0F0F0F0F0F0F0F0F0F0F0F0F0D6 :20008000F2F2F2F2F2F2F2F2F2FCF6F2F2F6F6F0FCFCF8FCFCFCFCF8F8FCF8FEF8FCF8F886 :2000A000F8F8F8F8F8FEFEFCFCF8FCF8F8F8FEF6F0F0F0F0F0F0F0F0F0F0F0F0F0F0F0F0A4 :2000C000F7F7F5F5F5F0F0F0F0F4F0F0F0F0F0F0F4F4F0F4F4F4F4F0F0F4F0F4F0F4F0F0DB :2000E000F0F0F0F0F0F4F4F4F4F0F4F0F0F0F4F0F1F3F5F1F5F1F7F7F7F7F7F7F7F7F2FE90 :00000001FF
| Pozice IO: | 8 |
| Onačení Zbrojovka BRNO: | 164.254 |
| Onačení TESLA: | 064 |
:20000000F0F0F0F0F0F0F0F0F0F0F0F0F0F0F0F0F8FEFAF4F2F5FAF9FFF0F0FDF8FCF2F66A :20002000FEF1F5FDF3FBF3F9F1FCF6F4F7FBF0F0F0F0F0F0F0F0F0F0F0F0F0F0F0F0F0F05C :20004000F8F4FCF2FAF6FEF1F9F0FBFDF5F3F7F0F8FEFAF4F2F5FAF9FFF0F0FDF8FCF2F6C1 :20006000FEF1F5FDF3FBF3F9F1FCF6F4F7FBF7FFF0F0F0F0F0F0F0F0F0F0F0F0F0F0F0F006 :20008000F8F4FCF2FAF6FEF1F9FFFBFDF5F3F7F0F8FEFAF4F2F5FAF9FFF0F0FDF8FCF2F672 :2000A000FEF1F5FDF3FBF3F9F1FCF6F4F7FBF7FFF0F0F0F0F0F0F0F0F0F0F0F0F0F0F0F0C6 :2000C000F9F0FFF7FBF0F0F0F0FFF0F0F0F0F0F0F8FEFAF4F2F5FAF9FFF0F0FDF8FCF2F671 :2000E000FEF1F5FDF3FBF3F9F1FCF6F4F7FBF7F0FBF7F5FDF1F1F8F4FCF2FAF6FEF1F0FF27 :00000001FF
| Pozice IO: | 16 |
| Onačení Zbrojovka BRNO: | 164.255 |
| Onačení TESLA: | 065 |
:20000000F8FBF0F7F0F7FCF5F0F0F0F0F0F4F0FCF8FCF4F3F8FFF0FDF0F7F0FBF0F3F0F149 :20002000F0FFF0F3F0F3F0F1F0F7F0FBF0F3F0F1F4F0F0F8F0F4F0F0F0FBF0FFF0F7F0F55E :20004000FCFDF4F9F8FFF0FDF0FBF0FFF0F7F0F5F0F9F4F3F4FBF0F9F0F0F0F0F0F0F0F008 :20006000FCFDF0FDF0FBF0F9F0FFF0F3F0F3F0F1F4FBF0F7F0F7F0F5F0F0F0F0F0F0F0F00E :20008000F8FAF0F6F0F6FCF5F0F0F0F0F0F4F0FCF8FCF4F2F8FEF0FCF0F6F0FAF0F2F0F1D2 :2000A000F0FEF0F2F0F2F0F1F0F6F0FAF0F2F0F1F4F0F0F8F0F4F0F0F0FAF0FEF0F6F0F5E7 :2000C000FCFDF4F9F8FEF0FDF0FAF0FEF0F6F0F5F0F9F4F2F4FAF0F9F0F0F0F0F0F0F0F08E :2000E000FCFDF0FDF0FAF0F8F0FEF0F2F0F2F0F1F4FAF0F6F0F6F0F5F0F0F0F0F0F0F0F096 :00000001FF
| Pozice IO: | 17 |
| Onačení Zbrojovka BRNO: | 164.256 |
| Onačení TESLA: | 066 |
:20000000F5F3F0F1FDF6F7F2F0F0F0F0F0FEF0FCFDFFF0FBF7FCF0F3F0FBF0FEF0FCF0F837 :20002000FFF9F0F9F5FEF0FAF0F3F0F6F0F4F0F0F7F0F0FBF0F1F0F9F0F1F0F6F0F4F0F04E :20004000F5FBF8F2FFF4F0F0F0F9F0FEF0FCF0F8F7FAF5F3FDF4F0F0F0F0F0F0F0F0F0F01E :20006000FDF2F2F8F0FCF0F8F0F1F0F1F0F6F0F2FFFBF0F9F8FEF0FAF0F0F0F0F0F0F0F006 :20008000F5F3F0F1FDF6F7F2F0F0F0F0F0FEF0FCFDFFF0FBF7FCF0F3F0FBF0FEF0FCF0F8B7 :2000A000FFF9F0F9F5FEF0FAF0F3F0F6F0F4F0F0F7F0F0FBF0F1F0F9F0F1F0F6F0F4F0F0CE :2000C000F5FBF8F2FFF4F0F0F0F9F0FEF0FCF0F8F7FAF5F3FDF4F0F0F0F0F0F0F0F0F0F09E :2000E000FDF2F2F8F0FCF0F8F0F1F0F1F0F6F0F2FFFBF0F9F8FEF0FAF0F0F0F0F0F0F0F086 :00000001FF
|
|
|
|
|
|
ÚVOD | Novinky | 8 Bitů | Příslušenství | Drobnosti | TTL | Kontakt