ÚVOD | Novinky | 8 Bitů | Příslušenství | Drobnosti | TTL | Kontakt


Příslušenství / EA 1605




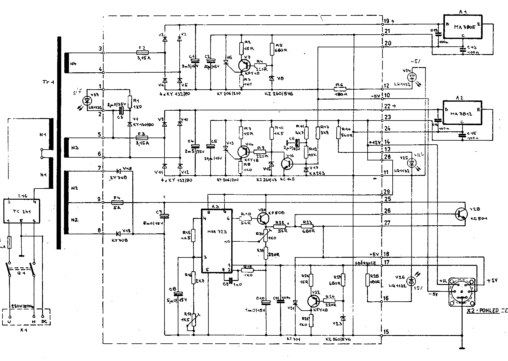
Střeva zdroje EA1605

Zdroj EA 1605 je určen k napájení mikropočítačů založených na mikroprocesoru 8080A. Jedná se precizní lineární zdroj s hlídáním pořadí náběhu napětí, přepěťovými a proudovými pojistkami. Nepovedlo se mi nikde dohledat jaký výkon je zdroj schopný dodat ale vzhledem k tomu že nestačil na napájení PMD 85-2A a PMD 85-3 lze odvodit aspoň přibližné hodnoty:

Napájení220V, 50Hz
Příkonmax. 55VA
Výstupní napjetí   +5V 2A
-5V 0.4A
+12V 1A

Zdroj EA 1605 byl dodáván k mikropočítači PMD 85-1 a k prvním sériím PMD 85-2.

Ve zdroji jsou tři pojistky ale na první pohled jsou vidět jen dvě, ta třetí se schovává mezi transformátorem a zadním panelem.




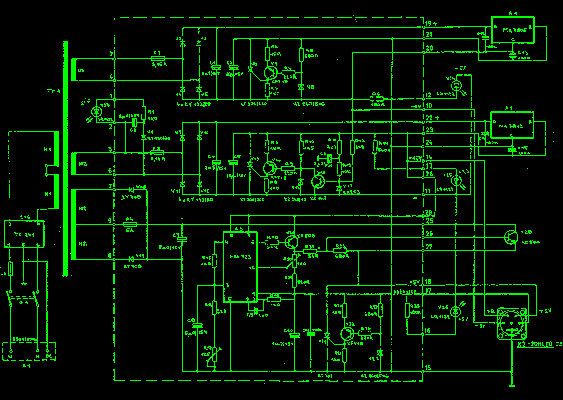
Schéma zdroje EA1605




ÚVOD | Novinky | 8 Bitů | Příslušenství | Drobnosti | TTL | Kontakt


Příslušenství / EA 1605



SAPI.cz - web o československých osmibitech, zejména SAPI-1. Provozuje EC1045 od roku 2011
Za korekce češtiny dekuji: MELSOFTovi, Silliconovi, Martinu Lukáškovi a NOSTALCOMPovi

Když začínám blbnout z 8bitů tak se chodím léčit mezi otaku.
Animefest.cz