ÚVOD | Novinky | 8 Bitů | Příslušenství | Drobnosti | TTL | Kontakt


SAPI-1 | ONDRA | PMI-80 | PMD-85 | klony PMD-85 | klony SM50/40 | PETR | PLAN-80A | IQ151 | TNS | FK-1 | HVĚZDA | SP 830 | PCS 1-QR6000


ZPS | Technické prostředky | Programové vybavení | Dokumentace


8 bity / SAPI-1 / Technické prostředky / AND-1A







AND-1A

Deska AND-1A je odvozená z AND-1, kdy došlo k úpravě adresného dekodéru (MH 3205 (74 138) je nahrazen MH 74S287). Což umožňuje nastavit adresaci AND-1A v celém rozsahu adres s krokem 2kB. Zde uveřejněná dokumentace je OCR dodávané dokumentace, schéma a označení (číslovaní) součástek vychází z AR u IO je označení (číslovaní) shodné s dokumentací u diod tranzistorů a odporu se liší. Dále nesedí číslování propojek. Deska je popsána v dokumentaci k ZPS-3



OCR návodu AND-1A

SAPI-1



Deska alfanumerického displeje

AND-1A







6XK 199 137

TESLA ELSTROJ     TESLA LIBEREC     TESLA ELTOS-DIZ







Obsah:

  1. Úvod
  2. Technické parametry
  3. Instalace
  4. Popis funkce
  5. Programování
  6. Testování

Přílohy:

  1. Zapojení kabelů pro AZJ 462
  2. Zapojení kabelu KB-06
  3. Adresace znaků. na stínítko displeje
  4. Obsah paměti PROM 74 188
  5. Soubor znaků AND-1A
  6. Tabulka konektoru X1
  7. Tabulka konektoru X2
  8. Zapojení drátových propojek
  9. Rozmístění součástek
  10. Rozpiska součástek
  11. Schéma zapojení
  12. Úprava TVP PLUTO


  1. Úvod

  2. Deska AND-1A je řešena jako tzv. video RAM o kapacitě 2kB. Z této kapacity pouze 1kB obsahuje zobrazované znaky /24 x 40 znaků/. Zbývající paměť slouží pro uchování čísla řádky a pozice znaku na řádce. Pro odlišení různých informací lze používat blikající znaky, znaky s blikajícím podtržením /kurzorem/ nebo znaky dvojité šířky. Znakový soubor je dán použitým generátorem znaků MHB 2501 /latinka/ nebo MHB 2502 /azbuka/. Vzhledem k tomu, že tento generátor je zasunut do objímky, lze požadovaný soubor znaků volit jeho výměnou. Standartně je dodávána deska s generátorem 2501.

    Deska AND-1A má vyveden videovýstup s úplným TV signálem /video + synchronizace/ pro připojení TV přijímače, ale zároveň jsou vyvedeny i všechny potřebné signály pro připojení zobrazovací jednotky AZJ 462 z TESLA Orava. Pro připojení libovolné zobrazovací jednotky jsou k disposici oddělené výstupy pro video, horizontální a vertikální synchronizaci. Poloha textu na stínítku je nastavitelná pomocí propojek na desce AND-1A.


  3. Technické parametry

  4. Napájení desky:+5V ± 0,25V / 0,9A
    -12V ± 0,5v / 25mA

    Kapacita paměti RAM1K byte
    Celkový počet zobrazovaných znaků960
    Počet znaků v řádce40
    Počet řádků20 nebo 24
    Matice pro zobrazení znaku5 x 7 bodů
    Mezera mezi znaky1 bod
    Mezera mezi řádky3 body
    Zobrazení kursorublikající podtržení
    Kód zobrazovaných znakůASCII
    Specielní zobrazenídvojitá šíře znaků
    blikající znak
    Perioda řádkové synchronizace64µs
    Perioda snímkové synchronizace20,5 ms
    Počet TV řádků ve snímku320
    Výstupyúplný TV signál
    signál pro AZJ 462
    Nastavení horizontální synchronizaceano
    Nastavení vertikální synchronizaceano
    Šířka horizontálního synchronizačního impulsu   4 µs pro TV
    Způsob adresaceMR a MW

    Zátěž signálů:   A0 až A101,6 mA
    A11 až A15   0,25 mA
    RES0,25 mA
    D0 až D7 0,25 mA
    MR1,85 mA
    MW3,2 mA
    INT 10,5 mA


  5. Instalace

  6. Na desce překontrolujeme nastavení propojek a desku spojíme se zobrazovací jednotkou pomocí kabelů, a to buď přímo nebo prostřednictvím konvertoru TVK-1 /TVP bez videovstupu/. Zapojení kabelů pro AZJ 462 je v příloze.



  7. Popis funkce

  8. Deska AND-1A obsahuje obvody umožňující zobrazit 40 znaků na každém z 24 textových řádcích TV přijímače nebo videomonitoru. Tím deska ve spojení se zobrazovací jednotkou tvoří displej pro mikropočítačový systém SAPI-1. Procesor s deskou AND-1A komunikuje jako s pamětí o kapacitě 2kB.

    Dekodér adresy desky AND-1A je tvořen pamětí PROM s počátečním nastavením adresy od E800H. Spojením propojovacích špiček 44 - 45 lze počáteční nastavení změnit na adresy 3800H. V případě potřeby jiné adresy, je nutno použít paměť PROM s jiným obsahem.

    Vzhledem k tomu, že paměť desky lze procesorem nejen plnit, ale i číst, je možno programově ovládat rolování textu i jiné operace. Aby byl zajištěn Přistup do paměti jak mikroprocesoru, tak i obvodům.displeje, je na desce umístěn multiplexor adresy /D5B, D6B, D6A/ ovládaný signálem SEL /1/DSB/ generovaným dekodérem adresy. V okamžiku výběru desky dojde k odpojení čítačů a připojeni bitů A0 až A10 adresové sběrnice. Toto přepnutí trvá prakticky jediný strojový cyklus mikroprocesoru a v této době je provedeno zatmění stínítka. Pokud není únosné mít na stínítku černé čárky vzniklé zápisem na desku, lze pomocí přerušení zajistit manipulaci s pamětí pouze při zpětném běhu snímku /na přenos dat do Paměti pak zbývá cca 5 - 7 ms za dobu zobrazeni jednoho snímku/.

    Čítače D5C a D6C tvoří společně čítač modulo 64, jehož výstupy jsou značeny jednak H1 - H32, jednak S1 - S32. Tyto výstupy jsou využívány ke generování horizontálních synchronizačních a zatmívacích průběhů /signály H/ a k výběru sloupů paměti /signály S/.

    Čítač D7B tvoří společně se zbývajícím klopným obvodem čítače D6C čítač modulo 32. Tento čítač je inkrementován vždy po desáté lince TV rastru. Čítač tvořený obvody D7C a D5D slouží pro další dělení snímkové frekvence až na 1,5 Hz. Čítač modulo 10 /D2B/ je inkrementován signálem NL - nová linka vždy po 64 µs. Hradlo D3D vydává vždy při každé desáté lince signál 10L, sloužící obvodům vertikální synchronizace jako hodiny pro zpožďovací obvod VS signálu.

    Poloha řádky, na níž se nachází kurzor je dekódována pamětí PROM /D3C/. Výstupy generátoru znaků D1A vedou na vstupy posuvného registru a je na ně přivedeno předpětí z + 5 V. Zavřením výstupů D1A se mimo vytvoření meziřádkové mezery rozsvítí řádky 8, 9 a 10, které potom lze ovládat zatmíváním z paměti PROM /D3C/. Tim je zajištěno svícení kurzoru.

    Hodiny celé desky jsou odvozeny z oscilátoru 6 MHz a vedou do čítače modulo 6 /D2D/. Výstup hradla D6D generuje hodiny s periodou 1 µs pro HORIZONTÁLNÍ ČÍTAČ.

    Systém synchronizace je stejný pro H i V. Klopný obvod D7A se odblokuje po dosažení hodnoty 32 čítačem H a o osm taktů později je tento klopný obvod překlopen. Tim je odblokován posuvný registr D8C čítající impulsy H1 s periodou 2 µs. Připojením vstupu D8D na různé výstupy posuvného registru získáváme zpoždění odstupňované po 2 µs. Je-li zapotřebí posouvat polohu znaků jemněji, přepojíme spojku 11 - 13 na 12 - 13 /jde vlastně o určení, zda synchronizace začíná v lichém nebo sudém stavu čítače H/.

    Z hradla D6D vystupuje impuls pro synchronizaci TV přijímače. Odpovídající šířka impulsu je 4 µs a je získávána zapojením bodu 17 na výstup N + 2, kde N je bod na němž je umístěna spojka. Monostabilní obvod pro šířku impulsů HS je určen pouze pro monitor /AZJ 462 vyžaduje šířku HS 30 µs/.

    Funkce vertikální synchronizace počítá stavem V16, kdy je odblokován obvod D7A, který později, ve stavu V20 /spojka 46 - 47/ nebo V 24 /spojka 48 - 47/ překlopí. Spojka určuje, zda bude zobrazováno 20 nebo 24 řádků. Nastavení zpoždění je v krocích 0,64 ms a impuls VS je pro TV přijímač /100 !!us/ i monitor /AZJ 462 - 1 ms/ vytvářen obvodem D8D vybaveným z tohoto důvodu dvojicí kondenzátorů. Impuls VS je pro TV přijímač veden přes diodu VD4 do převodníku úrovní. Transistor VT1 generuje žádost o přerušení vždy po překlopení D7A do stavu H. Žádost o přerušení je zařazována propojkou 49 - 50.

    Funkce zatmívání při kreslení linky znaku je zajištěna uzemněním vstupu SI posuvného registru D1C při kreslení šestého bodu linky. Po dokreslení dvacátého resp. dvacátého čtvrtého řádku je zatmění zajištěno spojením výstupu 9/D7A a 10/D3D.

    Při kreslení linek znaků je zatmívání zajištěno klopným obvodem D5D. Takt tohoto obvodu je synchronní s plněním posuvného registru D1C. Okamžik zatmívání je určen výstupem 1 paměti PROM D3C.

    Obvod generující signály LOAD a CLK zajišťuje rovněž dvojnásobnou šířku znaku a to ve spolupráci s pamětí D3C, která dekóduje požadavek na dvojitou šířku a oznámí jej signálem !!DZ. Tím dojde k nastavení výstupu 8/D1D do stavu H, k odblokování děliče /D1D/ a změně vstupu A multiplexoru D2C, na jehož výstupu se objeví poloviční kmitočet.

    Výstupní obvody jsou pro TV přijímač tvořeny převodníky úrovně VT3, VT4, VD1 a VD5 a pro monitor výkonovými hradly s otevřeným kolektorovým výstupem.



  9. Programování

  10. Paměť RAM na desce AND-1A představuje pro mikropočítač normální paměť RAM. Lze tedy do této paměti kdykoliv zapisovat nebo z ní číst.

    K programování spolupráce displej - mikropočítač je třeba znát tyto údaje :



  11. Testování

  12. Deska AND - 1A je ve výrobním podniku testována testy TSX 01, TSX 02.



  1. Příloha: Zapojení AZJ 462 (KB-06A)


  2. Zapojení kabelů pro AZJ 462



  3. Příloha: Kabel KB-06


  4. Zapojení kabelu KB-06



  5. Příloha: Adresace znaků na stínítko displeje

  6. 38 38 38 38 38 38 38 38 38 38 38 38 38 38 38 38 38 38 38 38 38 38 38 38 38 38 38 38 38 38 38 38 38 38 38 38 38 38 38 38
    00 01 02 03 04 05 06 07 08 09 0A 0B 0C 0D 0E 0F 10 11 12 13 14 15 16 17 18 19 1A 1B 1C 1D 1E 1F 20 21 22 23 24 25 26 27
    
    38 38 38 38 38 38 38 38 38 38 38 38 38 38 38 38 38 38 38 38 38 38 38 38 38 38 38 38 38 38 38 38 38 38 38 38 38 38 38 38
    40 41 42 43 44 45 46 47 48 49 4A 4B 4C 4D 4E 4F 50 51 52 53 54 55 56 57 58 59 5A 5B 5C 5D 5E 5F 60 61 62 63 64 65 66 67
    
    38 38 38 38 38 38 38 38 38 38 38 38 38 38 38 38 38 38 38 38 38 38 38 38 38 38 38 38 38 38 38 38 38 38 38 38 38 38 38 38
    80 81 82 83 84 85 86 87 88 89 8A 8B 8C 8D 8E 8F 90 91 92 93 94 95 96 97 98 99 9A 9B 9C 9D 9E 9F A0 A1 A2 A3 A4 A5 A6 A7
    
    38 38 38 38 38 38 38 38 38 38 38 38 38 38 38 38 38 38 38 38 38 38 38 38 38 38 38 38 38 38 38 38 38 38 38 38 38 38 38 38
    C0 C1 C2 C3 C4 C5 C6 C7 C8 C9 CA CB CC CD CE CF D0 D1 D2 D3 D4 D5 D6 D7 D8 D9 DA DB DC DB DE DF E0 E1 E2 E3 E4 E5 E6 E7
    
    39 39 39 39 39 39 39 39 39 39 39 39 39 39 39 39 39 39 39 39 39 39 39 39 39 39 39 39 39 39 39 39 39 39 39 39 39 39 39 39
    00 01 02 03 04 05 06 07 08 09 0A 0B 0C 0D 0E 0F 10 11 12 13 14 15 16 17 18 19 1A 1B 1C 1D 1E 1F 20 21 22 23 24 25 26 27
    
    39 39 39 39 39 39 39 39 39 39 39 39 39 39 39 39 39 39 39 39 39 39 39 39 39 39 39 39 39 39 39 39 39 39 39 39 39 39 39 39
    40 41 42 43 44 45 46 47 48 49 4A 4B 4C 4D 4E 4F 50 51 52 53 54 55 56 57 58 59 5A 5B 5C 5D 5E 5F 60 61 62 63 64 65 66 67
    
    39 39 39 39 39 39 39 39 39 39 39 39 39 39 39 39 39 39 39 39 39 39 39 39 39 39 39 39 39 39 39 39 39 39 39 39 39 39 39 39
    80 81 82 83 84 85 86 87 88 89 8A 8B 8C 8D 8E 8F 90 91 92 93 94 95 96 97 98 99 9A 9B 9C 9D 9E 9F A0 A1 A2 A3 A4 A5 A6 A7
    
    39 39 39 39 39 39 39 39 39 39 39 39 39 39 39 39 39 39 39 39 39 39 39 39 39 39 39 39 39 39 39 39 39 39 39 39 39 39 39 39
    C0 C1 C2 C3 C4 C5 C6 C7 C8 C9 CA CB CC CD CE CF D0 D1 D2 D3 D4 D5 D6 D7 D8 D9 DA DB DC DB DE DF E0 E1 E2 E3 E4 E5 E6 E7
    
    3A 3A 3A 3A 3A 3A 3A 3A 3A 3A 3A 3A 3A 3A 3A 3A 3A 3A 3A 3A 3A 3A 3A 3A 3A 3A 3A 3A 3A 3A 3A 3A 3A 3A 3A 3A 3A 3A 3A 3A
    00 01 02 03 04 05 06 07 08 09 0A 0B 0C 0D 0E 0F 10 11 12 13 14 15 16 17 18 19 1A 1B 1C 1D 1E 1F 20 21 22 23 24 25 26 27
    
    3A 3A 3A 3A 3A 3A 3A 3A 3A 3A 3A 3A 3A 3A 3A 3A 3A 3A 3A 3A 3A 3A 3A 3A 3A 3A 3A 3A 3A 3A 3A 3A 3A 3A 3A 3A 3A 3A 3A 3A
    40 41 42 43 44 45 46 47 48 49 4A 4B 4C 4D 4E 4F 50 51 52 53 54 55 56 57 58 59 5A 5B 5C 5D 5E 5F 60 61 62 63 64 65 66 67
    
    3A 3A 3A 3A 3A 3A 3A 3A 3A 3A 3A 3A 3A 3A 3A 3A 3A 3A 3A 3A 3A 3A 3A 3A 3A 3A 3A 3A 3A 3A 3A 3A 3A 3A 3A 3A 3A 3A 3A 3A
    80 81 82 83 84 85 86 87 88 89 8A 8B 8C 8D 8E 8F 90 91 92 93 94 95 96 97 98 99 9A 9B 9C 9D 9E 9F A0 A1 A2 A3 A4 A5 A6 A7
    
    3A 3A 3A 3A 3A 3A 3A 3A 3A 3A 3A 3A 3A 3A 3A 3A 3A 3A 3A 3A 3A 3A 3A 3A 3A 3A 3A 3A 3A 3A 3A 3A 3A 3A 3A 3A 3A 3A 3A 3A
    C0 C1 C2 C3 C4 C5 C6 C7 C8 C9 CA CB CC CD CE CF D0 D1 D2 D3 D4 D5 D6 D7 D8 D9 DA DB DC DB DE DF E0 E1 E2 E3 E4 E5 E6 E7
    
    3B 3B 3B 3B 3B 3B 3B 3B 3B 3B 3B 3B 3B 3B 3B 3B 3B 3B 3B 3B 3B 3B 3B 3B 3B 3B 3B 3B 3B 3B 3B 3B 3B 3B 3B 3B 3B 3B 3B 3B
    00 01 02 03 04 05 06 07 08 09 0A 0B 0C 0D 0E 0F 10 11 12 13 14 15 16 17 18 19 1A 1B 1C 1D 1E 1F 20 21 22 23 24 25 26 27
    
    3B 3B 3B 3B 3B 3B 3B 3B 3B 3B 3B 3B 3B 3B 3B 3B 3B 3B 3B 3B 3B 3B 3B 3B 3B 3B 3B 3B 3B 3B 3B 3B 3B 3B 3B 3B 3B 3B 3B 3B
    40 41 42 43 44 45 46 47 48 49 4A 4B 4C 4D 4E 4F 50 51 52 53 54 55 56 57 58 59 5A 5B 5C 5D 5E 5F 60 61 62 63 64 65 66 67
    
    3B 3B 3B 3B 3B 3B 3B 3B 3B 3B 3B 3B 3B 3B 3B 3B 3B 3B 3B 3B 3B 3B 3B 3B 3B 3B 3B 3B 3B 3B 3B 3B 3B 3B 3B 3B 3B 3B 3B 3B
    80 81 82 83 84 85 86 87 88 89 8A 8B 8C 8D 8E 8F 90 91 92 93 94 95 96 97 98 99 9A 9B 9C 9D 9E 9F A0 A1 A2 A3 A4 A5 A6 A7
    
    3B 3B 3B 3B 3B 3B 3B 3B 3B 3B 3B 3B 3B 3B 3B 3B 3B 3B 3B 3B 3B 3B 3B 3B 3B 3B 3B 3B 3B 3B 3B 3B 3B 3B 3B 3B 3B 3B 3B 3B
    C0 C1 C2 C3 C4 C5 C6 C7 C8 C9 CA CB CC CD CE CF D0 D1 D2 D3 D4 D5 D6 D7 D8 D9 DA DB DC DB DE DF E0 E1 E2 E3 E4 E5 E6 E7
    
    3C 3C 3C 3C 3C 3C 3C 3C 3C 3C 3C 3C 3C 3C 3C 3C 3C 3C 3C 3C 3C 3C 3C 3C 3C 3C 3C 3C 3C 3C 3C 3C 3C 3C 3C 3C 3C 3C 3C 3C
    00 01 02 03 04 05 06 07 08 09 0A 0B 0C 0D 0E 0F 10 11 12 13 14 15 16 17 18 19 1A 1B 1C 1D 1E 1F 20 21 22 23 24 25 26 27
    
    3C 3C 3C 3C 3C 3C 3C 3C 3C 3C 3C 3C 3C 3C 3C 3C 3C 3C 3C 3C 3C 3C 3C 3C 3C 3C 3C 3C 3C 3C 3C 3C 3C 3C 3C 3C 3C 3C 3C 3C
    40 41 42 43 44 45 46 47 48 49 4A 4B 4C 4D 4E 4F 50 51 52 53 54 55 56 57 58 59 5A 5B 5C 5D 5E 5F 60 61 62 63 64 65 66 67
    
    3C 3C 3C 3C 3C 3C 3C 3C 3C 3C 3C 3C 3C 3C 3C 3C 3C 3C 3C 3C 3C 3C 3C 3C 3C 3C 3C 3C 3C 3C 3C 3C 3C 3C 3C 3C 3C 3C 3C 3C
    80 81 82 83 84 85 86 87 88 89 8A 8B 8C 8D 8E 8F 90 91 92 93 94 95 96 97 98 99 9A 9B 9C 9D 9E 9F A0 A1 A2 A3 A4 A5 A6 A7
    
    3C 3C 3C 3C 3C 3C 3C 3C 3C 3C 3C 3C 3C 3C 3C 3C 3C 3C 3C 3C 3C 3C 3C 3C 3C 3C 3C 3C 3C 3C 3C 3C 3C 3C 3C 3C 3C 3C 3C 3C
    C0 C1 C2 C3 C4 C5 C6 C7 C8 C9 CA CB CC CD CE CF D0 D1 D2 D3 D4 D5 D6 D7 D8 D9 DA DB DC DB DE DF E0 E1 E2 E3 E4 E5 E6 E7
    
    3D 3D 3D 30 3D 3D 3D 3D 3D 3D 3D 3D 3D 30 3D 3D 3D 3D 3D 3D 3D 3D 3D 3D 3D 3D 3D 3D 3D 3D 3D 3D 3D 3D 3D 3D 3D 3D 3D 3D
    00 01 02 03 04 05 06 07 08 09 0A 0B 0C 0D 0E 0F 10 11 12 13 14 15 16 17 18 19 1A 1B 1C 1D 1E 1F 20 21 22 23 24 25 26 27
    
    3D 3D 3D 30 3D 3D 3D 3D 3D 3D 3D 3D 3D 30 3D 3D 3D 3D 3D 3D 3D 3D 3D 3D 3D 3D 3D 3D 3D 3D 3D 3D 3D 3D 3D 3D 3D 3D 3D 3D
    40 41 42 43 44 45 46 47 48 49 4A 4B 4C 4D 4E 4F 50 51 52 53 54 55 56 57 58 59 5A 5B 5C 5D 5E 5F 60 61 62 63 64 65 66 67
    
    3D 3D 30 30 30 3D 3D 3D 3D 3D 30 3D 3D 3D 3D 3D 3D 3D 3D 3D 3D 3D 30 3D 3D 3D 3D 30 3D 3D 3D 3D 3D 3D 30 3D 3D 3D 3D 3D
    80 81 82 83 84 85 86 87 88 89 8A 8B 8C 8D 8E 8F 90 91 92 93 94 95 96 97 98 99 9A 9B 9C 9D 9E 9F A0 A1 A2 A3 A4 A5 A6 A7
    
    3D 3D 3D 30 3D 3D 3D 3D 3D 3D 3D 3D 3D 30 3D 3D 3D 3D 3D 3D 3D 3D 3D 3D 3D 3D 3D 3D 3D 3D 3D 3D 3D 3D 3D 3D 3D 3D 3D 3D
    C0 C1 C2 C3 C4 C5 C6 C7 C8 C9 CA CB CC CD CE CF D0 D1 D2 D3 D4 D5 D6 D7 D8 D9 DA DB DC DB DE DF E0 E1 E2 E3 E4 E5 E6 E7
    


  7. Příloha: Obsah paměti PROM


  8. Obsah paměti PROM 74 188 (D3C)

    :20000000FEFEFFFFFFFFFFFFFEFEFFFFFCFCFDFDFEFEFFFFFEFEFFFFFEFEFEFFFCFCFDFD1F
    :00000001FF
    

    Obsah PROM 74s287 standartní (D3A)

    :20000000FFFFFFFFFFFFFFFFFFFFFFFFFFFFFFFFFFFFFFFFFFFFFFFFFFFFFFFFFFFFFFFF00
    :20002000FFFFFFFFFFFFFFFFFFFFFFFFFFFFFFFFFFFFFFFFFFFFFFFFFFFFFFFFFFFFFFFFE0
    :20004000FFFFFFFFFFFFFFFFFFFFFFFFFFFFFFFFFFFFFFFFFFFFFFFFFFFFFFFFFFFFFFFFC0
    :20006000FFFFFFFFFFFFFFFFFFFFFFFFFFFFFFFFFFFFFFFFFFFFFFFFFFFFFFFFFFFFFFFFA0
    :20008000FFFFFFFFFFFFFFFFFFFFFFFFFFFFFFFFFFFFFFFFFFFFFFFFFFFFFFFFFFFFFFFF80
    :2000A000FFFFFFFFFFFFFFFFFFFFFFFFFFFFFFFFFFFFFFFFFFFFFFFFFFFFFFFFFFFFFFFF60
    :2000C000FFFFFFFFFFFFFFFFFFFFFFFFFFFFFFFFFFFFFFFFFFFFFFFFFFFFFFFFFFFFFFF748
    :2000E000FFFFFFFFFFFFFFFFFFFFFFFFFFFFFFFFFFFFF7FFFFFFFFFFFFFFFFFFFFFFFFFF28
    :00000001FF
    


  9. Příloha: Soubor znaků AND-1A

  10.  ZNAK  ASCII  NORMÁLNÍ  BLIKÁ  PODTR.  DVOJITÝ  ZNAK  ASCII NORMÁLNÍ  BLIKÁ  PODTR.  DVOJITÝ 
    \32/2032/2096/60160/A0224/E0@64/400/0064/40128/80192/C0
    !33/2133/2197/61161/A1225/E1A65/411/0165/41129/81193/C1
    "34/2234/2298/62162/A2226/E2B66/422/0266/42130/82194/C2
    #35/2335/2399/63163/A3227/E3C67/433/0367/43131/83195/C3
    $36/2436/24100/64164/A4228/E4D68/444/0468/44132/84196/C4
    %37/2537/25101/65165/A5229/E5E69/455/0569/45133/85197/C5
    &38/2638/26102/66166/A6230/E6F70/466/0670/46134/86198/C6
    '39/2739/27103/67167/A7231/E7G71/477/0771/47135/87199/C7
    (40/2840/28104/68168/A8232/E8H72/488/0872/48136/88200/C8
    )41/2941/29105/69169/A9233/E9I73/499/0973/49137/89201/C9
    *42/2A42/2A106/6A170/AA234/EAJ74/4A10/0A74/4A138/8A202/CA
    +43/2B43/2B107/6B171/AB235/EBK75/4B11/0B75/4B139/8B203/CB
    ,44/2C44/2C108/6C172/AC236/ECL76/4C12/0C76/4C140/8C204/CC
    -45/2D45/2D109/6D173/AD237/EDM77/4D13/0D77/4D141/8D205/CD
    .46/2E46/2E110/6E174/AE238/EEN78/4E14/0E78/4E142/8E206/CE
    /47/2F47/2F111/6F175/AF239/EF079/4F15/0F79/4F143/8F207/CF
    048/3048/30112/70176/B0240/F0P80/5016/1080/50144/90208/D0
    149/3149/31113/71177/B1241/F1O81/5117/1181/51145/91209/D1
    250/3250/32114/72178/B2242/F2R82/5218/1282/52146/92210/D2
    351/3351/33115/73179/B3243/F3S83/5319/1383/53147/93211/D3
    452/3452/34116/74180/B4244/F4T84/5420/1484/54148/94212/D4
    553/3553/35117/75181/85245/F5U85/5521/1585/55149/95213/D5
    654/3654/36118/76182/86246/F6V86/5622/1686/56150/96214/D6
    755/3755/37119/77183/B7247/F7W87/5723/1787/57151/97215/D7
    856/3856/38120/78184/B8248/F8X88/5824/1888/58152/98216/D8
    957/3957/39121/79185/B9249/F9Y89/5925/1989/59153/99217/D9
    :58/3A58/3A122/7A186/BA250/FAZ90/5A26/1A90/5A154/9A218/DA
    ;59/3B59/38123/7B187/BB251/FB[91/5B27/1B91/5B155/9B219/DB
    <60/3C60/3C124/7C1B8/BC252/FC\92/5C28/1C92/5C156/9C220/DC
    =61/3D61/3D125/7D189/BD253/FD]93/5D29/1D93/5D157/9D221/DD
    >62/3E62/3E126/7E190/BE254/FE^94/5E30/1E94/5E158/9E222/DE
    ?63/3F63/3F127/7F191/BF255/FF_95/5F31/1F95/5F159/9F223/DF


  11. Příloha: Obsazení konektoru X1

  12. Č.SIGNÁL   NÁZEVTYP   Č.SIGNÁL   NÁZEVTYP
    6261
    6059   INT1Není nutnéOUT
    58   -12 VNení nutné   NAP57-12 VNení nutnéNAP
    5655
    540 VZemNAP530 VZemNAP
    5251
    5049
    4847
    46A6AdresaINP45A7AdresaINP
    44A4AdresaINP43A5AdresaINP
    42A2AdresaINP41A3AdresaINP
    40A1AdresaINP39A1AdresaINP
    38D1DataBD37D0DataBD
    36D7DataBD35D2DataBD
    34D5DataBD33D6DataBD
    32D3DataBD31D4DataBD
    30A8AdresaINP29A10AdresaINP
    28A12AdresaINP27A13AdresaINP
    26A14AdresaINP25A11AdresaINP
    24A15AdresaINP23A9AdresaINP
    2221
    200 VZemNAP190 VZemNAP
    18+ 5 VNapájeníNAP17+ 5 VNapájeníNAP
    16+ 5 VNepájeníNAP15+ 5 VNepájeníNAP
    1413
    1211MWZápis do paměti   INP
    1009MRčtení z pamětiINP
    08RESNulováníINP07
    0605
    0403
    0201

    Typ signálu: INP vstupní BD obousměrný
    OUT výstupní    NAP napbjení


  13. Příloha: Obsazení konektoru X2

  14. Č.SIGNÁL   NÁZEVTYP   Č.SIGNÁL   NÁZEVTYP
    010 VZem02   HSHor. synchr.    |_|   OKB
    03   0 VZem04
    050 VZem06VSVert. synchr. _|   |_OKB
    070 VZem08
    090 VZem10VSVert. synchr.    |_|   OKB
    110 VZem12
    130 VZem14VIDVideo+zatm. _|||||_OKB
    150 VZem16
    170 VZem18VIDVideo+zatm.    |||||      OKB
    190 VZem20
    210 VZem22HSHor. synch. _|   |_OKB
    230 VZem24
    250 VZem26
    270 VZem28
    290 VZem30CVVideo+synch.TV

    Typ signálu: OKB otevřený kolektor výkonový
    TV televizní obrazový signál


  15. Příloha: Zapojení drátovích propojek


  16. Tabulka propojek 1


    Tabulka propojek 2



  17. Příloha: Rozmístění součástek


  18. Výkres sestavení



  19. Příloha: Rozpiska součástek

  20. OznačeníTyp
    ODPORY
    R8TR 191 68R
    R6TR 191 220R
    R4TR 191 330R
    R1TR 191 560R
    R5, 17, 18TR 191 680R
    R3, 7, 9-14TR 191 1K0
    R2TR 191 3K9
    R15, 16, 21, 31, 35TR 191 4K7
    R22, 34TR 191 4K7
    R23-29, 32, 33TR 191 10K
    R20TR 191 15K
    R19TR 191 47K
    KONDENZÁTORY
    C1-21TK 783 22n
    C30TK 783 6n8
    C29TK 783 10n
    C28TK 783 47n
    C22, 25TE 131 4u7
    C23, 24TE 981 50u
    C26TGL 5155-A/100/5/63
    C27TGL 5155-A/150/5/63
    POLOVODIČE
    VD1-VD5KA 206
    VT1KC 508
    VT2, VT3KSY 71
    VT4TR 15
    D2A, D6DMH 7400
    D1B, D4DMH 7404
    D7DUCY 7406N
    D3DMN 7410
    D7A, D1D, D5DMH 7474
    D2BMH 7490A
    D7B, D5C, D6C, D7C, D2D   MH 7493A
    D1CMH 7496
    D8DUCY 74 123N
    D2CUCY 74 153N
    D6A, DSB, D6B, D4CUCY 74 157N
    D8A, D8CMH 74 164
    D4A, D5AMH 3216
    D1AMHB 2501
    D3B, D4BMHB 2114
    D3CMH 74 188
    D3AMH 74 S 287


  21. Příloha: Schéma zapojení


  22. Schéma AND-1A a černobílá verze ZDE.



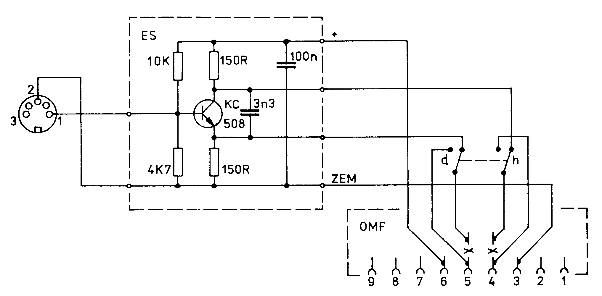
  23. Příloha: Úprava TVP PLUTO

  24. Úprava televizního přijímače PLUTO TESLA Orava typ 4159 AB pro připojení k SAPI-1:

    Pozor! Zásuvka pro kabel KB-06 je tedy na zadní stěně přijímače vpravo nahoře, nad zásuvkou pro vnější reproduktor, nikoliv vlevo od ní!


    Schéma úpravy přijímače PLUTO





Obsah:

  1. Úvod
  2. Technické parametry
  3. Instalace
  4. Popis funkce
  5. Programování
  6. Testování

Přílohy:

  1. Zapojení kabelů pro AZJ 462
  2. Zapojení kabelu KB-06
  3. Adresace znaků. na stínítko displeje
  4. Obsah paměti PROM 74 188
  5. Soubor znaků AND-1A
  6. Tabulka konektoru X1
  7. Tabulka konektoru X2
  8. Zapojení drátových propojek
  9. Rozmístění součástek
  10. Rozpiska součástek
  11. Schéma zapojení
  12. Úprava TVP PLUTO


ÚVOD | Novinky | 8 Bitů | Příslušenství | Drobnosti | TTL | Kontakt


SAPI-1 | ONDRA | PMI-80 | PMD-85 | klony PMD-85 | klony SM50/40 | PETR | PLAN-80A | IQ151 | TNS | FK-1 | HVĚZDA | SP 830 | PCS 1-QR6000


ZPS | Technické prostředky | Programové vybavení | Dokumentace


8 bity / SAPI-1 / Technické prostředky AND-1A



SAPI.cz - web o československých osmibitech, zejména SAPI-1. Provozuje EC1045 od roku 2011
Za korekce češtiny dekuji: MELSOFTovi, Silliconovi, Martinu Lukáškovi a NOSTALCOMPovi

Když začínám blbnout z 8bitů tak se chodím léčit mezi otaku.
Animefest.cz