ÚVOD | Novinky | 8 Bitů | Příslušenství | Drobnosti | TTL | Kontakt
SAPI-1 | ONDRA | PMI-80 | PMD-85 | klony PMD-85 | klony SM50/40 | PETR | PLAN-80A | IQ151 | TNS | FK-1 | HVĚZDA | SP 830 | PCS 1-QR6000 | TEMS
ZPS | Technické prostředky | Programové vybavení | Dokumentace
OCR návodu DBS-1A
| Název : | DESKA DBS-1A |
| Výroba : | TESLA LIBEREC s. p. |
| Kateřinská ulice 235 | |
| 461 98 LIBEREC | |
| Prodej : | TESLA LIBEREC s. p. |
| a | |
| TESLA ELTOS s. p. | |
| Dodavatelsko inženýrský závod | |
| pošta 45, schránka 27 | |
| 145 00 PRAHA 4 | |
| Servis : | TESLA ELTOS s. p. |
| Dodavatelsko inženýrský závod | |
| Kocínova 136 | |
| 397 01 PÍSEK | |
| Technické podmínky : | TESLA LIBEREC s. p. |
| TPTE 82-251/89 |
Deska DBS - 1A je prvkem mikropočítačového souboru SAPI-1.5. Obsahuje zapojení řadiče systémového Displeje s Barevným zobrazením Semigrafických znaků.
| Napájecí napětí / odběr proudu | +5 V ±5% / max. 0,8 A |
| Kapacita obrazové paměti | 4 kB |
| Počet zobrazovaných řádků | volitelný, 16 až 32 |
| Počet znaků v řádku | volitelný, 64 nebo 80 |
| Počet zobrazených znaků | maximálně 2048 |
| Kód znaků | KOI-8 čs2 |
| Generátor znaků | EPROM 2716, 2732, 2764 |
| Počet sad znaků (podle typu EPROM) | 1 nebo 2 |
| Počet znaků v sadě (podle EPROM) | 256 nebo 512 |
| Výška znaků | 8 až 16 linek |
| Atributy znaků | barva popředí |
| barva pozadí | |
| zvýšený jas | |
| blikáni | |
| Barevná škála | 8 barev |
| Speciální funkce | aut. zobrazení kurzoru |
| rolování obrazu | |
| Polarita synchronizačních signálů | vol. pozitivní/negativní |
| Výstupy | úplný monochromatický videosignál 1 V |
| video TTL & synchronizace H a V | |
| signály barev (RGB) s úrovní TTL | |
| signály barev (RGB) s úrovní ~1 V |
Maximální přípustné zatížení sběrnicových signálů
| D0 až D7 | +24 mA úroveň L |
| -2,6 mA úroveň H |
Maximální odběr sběrnicových signálů
| A1 až A7, A11 | -400 µA úroveň L |
| +50 µA úroveň H | |
| A12 až A15, MAP1/2, AEN | -250 µA úroveň L |
| +25 µA úroveň H | |
| A0, D0 až D7, MW, IOR | -200 µA úroveň L |
| +40 µA úroveň H | |
| A8 až A10, MR, IOW | -100 µA úroveň L |
| +20 µA úroveň H | |
| RES | -10 µA úroveň L |
| -10 µA úroveň H |
Pracovní podmínky :
Odolnost výrobku vůči vlivu klimatických činitelů je označena skupinou 2 podle ČSN 36 9302 čl. 1.3.1 tj. musí zabezpečit provozuschopnost a vnější vzhled pro:
| Rozsah pracovních teplot | +5 až +40 °C |
| Relativní vlhkost vzduchu | 40 až 80 % při 25 °C |
| Atmosférický tlak | 84 až 107 kPa |
| Prostředí | bez agresivních plynů a par |
Bezpečnostní ustanovení :
Připojená zařízení napájená z rozvodné sítě 220V/50Hz musí splňovat ustanovení ČSN 36 9060 (zejména požadavek na izolační pevnost zkoušenou napětím 3,75 kV).
| Krytí: | IP 00 |
Funkční zkoušky:
Odolnost proti vnějším vlivům je dána ČSN 36 9302 takto :
| mráz | článek 2.4 |
| suché teplo | článek 2.5 |
| vlhké teplo | článek 2.6 |
| chvění | článek 2.10 |
Střední doba mezi poruchami:
| prostředí normální +5 °C až +40 °C | 21 000 hodin |
| prostředí klimatizované +15 °C až +30 °C | 44 000 hodin |
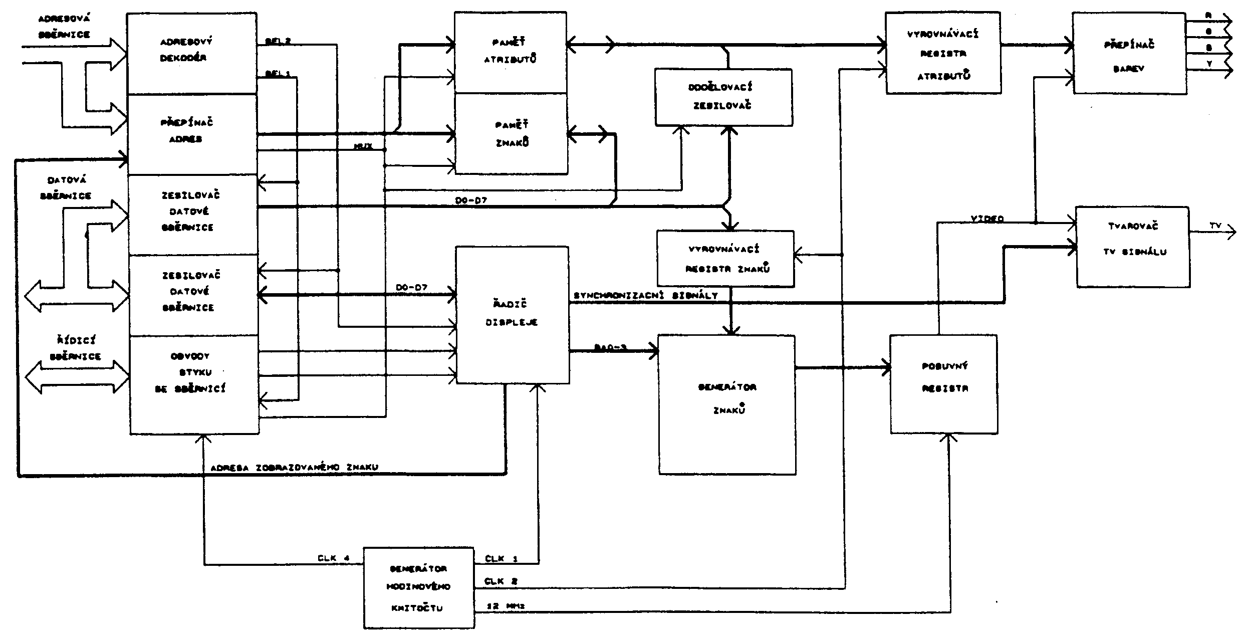
Deska řadiče DBS-1A umožňuje připojit k sestavám tvořeným prvky mikropočítačového souboru SAPI-1.5 nebo SAPI-1 barevný nebo monochromatický displej pracující ve znakovém režimu. Základním prvkem určujícím funkci desky je programovatelný monolitický obvod řízení zobrazování (analog MC6845) doplněný obvody styku se sběrnicí SAPI-1 (dekodér adresy, zesilovače sběrnicových signálů), obvody paměti VIDEORAM rozdělené na paměť znaků a paměť atributů, generátor znaků, obvody vytváření videosignálu se zdrojem taktovacích signálů a obvody rozhraní pro připojení displeje.
Monolitický obvod řízení zobrazování
Integrovaný obvod DD16 typu 6845 zajišťuje následující funkce : automatické generování adresy pro čtení znaků z VIDEORAM, vytváření signálů pro synchronizaci zobrazovací jednotky, automatické zobrazování kurzoru a obvodové (hardwarové) rolování obrazu.
Obvod dovoluje v širokých mezích volit parametry zobrazování a přizpůsobení různým typům zobrazovacích jednotek - počet znaků na řádku, počet řádků na obrazovce, formát znaku, polohu a trvání synchronizačních impulsů aj.
Připojení k systémové sběrnici
Datové signály systémové sběrnice SAPI-1.5 jsou pro zápis do VIDEORAM zesíleny obvodem DD11. Pro zápis/čtení řadiče zobrazování DD16 jsou datové signály obousměrně zesíleny obvodem DD10. Směr přenosu je řízen signálem IOR.
Adresové signály A1 až A11 jsou přivedeny na multiplexer tvořený obvody DD3, DD7 a DD8. Ten připojuje k adresovým vstupům obrazové paměti podle stavu signálu MUX1 buď adresovou sběrnici nebo výstupy řadiče.
Signál A0 vybírá při zápisu do VIDEORAM paměť znaků (A0=L) nebo atributů (A0=H). Při programování řadiče specifikuje A0=L registr adres, A1=H registr dat. Dekodér adresy je rozdělen do dvou částí. Paměť PROM DD2 dekóduje adresové signály A11 až A15 a generuje signál SEL1 - výběr VIDEORAM. Pomoci propojky XT4 je možné zvolit jednu ze čtyř variant umístění obrazové paměti v adresovém prostoru. Činnost dekodéru může být blokována signály MAP1/2. Paměť PROM DD27 dekóduje adresové signály A1 až A7 a vytváří signál SEL2 pro výběr řadiče displeje DD16. Také zde lze zvolit jednu ze čtyř možností adresace pomoci propojky XT3.
VIDEORAM
Obrazová paměť desky DBS-1A má kapacitu 4 kB a je rozdělena na paměť znaků (DD18) a paměť atributů (DD17). Každá z obou polovin je tvořena statickou pamětí RAM 2kx8bit. Výstup paměti atributů je zachycován ve vyrovnávacím registru DD24. Za ním je zařazen registr DD25, který zpožďuje informaci o atributu o periodu jednoho znaku, aby byla na vstupech multiplexeru DD14 současně s výstupem odpovídajícího znaku z posuvného registru DD26.
Paměť je uspořádána tak, že v adresovém prostoru se střídají adresy znaků (sudé) s adresami atributů (liché). Do VIDEORAM lze pouze zapisovat, zápis je synchronizován se zobrazením pomocí signálu RDY. Tento signál se aktivuje při přechodu signálu SEL1 (výběr VIDEORAM) do úrovně H a setrvá v aktivním stavu do příchodu některého ze signálů MW, MR, IOW, IOR. Sestupnou hranou signálu MW se do klopného obvodu DD13A zapíše požadavek na zápis do VIDEORAM. Náběžnou hranou signálu CLK2 se překlopí klopný obvod DD13B. Jeho výstup MUX1 přejde do stavu L, čímž je umožněn zápis do VIDEORAM. Signál MUX1 je ukončen sestupnou hranou signálu CLK4.
Generátor znaků
Podoba znaků zobrazovaných na displeji je uložena v paměti EPROM DD15. Adresové vodiče A0 až A2 paměti jsou připojeny na výstupy RA0 až RA2 řadiče zobrazování a určují právě kreslenou linku znaku. Adresové stupy A3 až A10 jsou připojeny na výstupy paměti znaků a určují kód zobrazovaného znaku (poznámka A11 = "1" linka 8-15).
Na místě generátoru znaků je používána paměť EPROM. Volbou jejího typu je možné, tak jak je uvedeno dále, definovat počet znaků a jejich formát - počet linek, ze kterých se skládají. Pro paměti s vyšší kapacitou je možné používat dvě sady (banky) znaků; jejich výběr je určen stavem signálu MB2 .Hodnota signálu MB2 se nastavuje při programování řadiče a je pro celou obrazovku neměnná. Zapojení desky DBS-1A kromě toho umožňuje využitím signálu MB1, který je součástí atributu znaku, rozšířit kód znaku na 9 bitů, což dovoluje současně zobrazovat až 512 různých znaků.
Standartně dodávaný generátor znaků obsahuje 256 znaků formátu 8x12 bodů. Kódy znaků odpovídají standardu KOI-8čs2 doplněnému o semigrafické a některé speciální symboly. Tento generátor je realizován pamětí typu 2732 (4kB). Paměť je umístěna v objímce, může být nahrazena jiným povoleným typem s obsahem podle požadavků uživatele.
Zdroj taktovacích signálů
Oscilátor s PKJ tvořený invertory DD20A,B,F kmitá na frekvenci 12MHz. Tímto kmitočtem je řízen posuvný registr videosignálu DD26. Výstupní signál z oscilátoru je zároveň veden do posuvného registru DD22. Délku tohoto registru lze nastavit propojkou XT7. Při délce posuvu 4 bity je vstupní kmitočet dělen osmi a to odpovídá 64 zobrazovaným znakům v řádku. Pro 80 znaků je nastavený dělící poměr roven šesti a registr má délku 3 bity.
Signál znakového kmitočtu CLK1 pro řadič zobrazování je odebírán z výstupu Q1n registru DD22. Z tohoto signálu jsou dále odvozeny průběhy pro časování činnosti displeje. Hradlo DD6A vytváří signál CLK2 pro zachycení dat z výstupu paměti znaků do registru DD12, výstupu paměti atributů do registrů DD24, DD25 a synchronizačních signálů z DD16 do registrů DD9, DD4. Hradlo DD21C vytváří signál CLK3 pro zápis do posuvného registru videosignálu. Hradla DD5C a DD5D signál CLK4 pro nulování klopného obvodu DD13B.
Obvody vytváření videosignálu
Výstup generátoru znaků je převeden do sériového tvaru posuvným registrem DD26. Hradlo DD10C invertuje videosignál při detekci kursoru (signál CUR z řadiče). Případnou další inverzi provádí hradlo DD21D v závislosti na nastavení atributu blikání. Frekvence blikání se odvozuje ze snímkového kmitočtu dělením šestnácti čítačem DD19. Výstupem hradla DD21D se pomocí multiplexoru DD8 vybírá barva znaku (H) nebo pozadí (L) z vyrovnávacího registru atributů. Z výstupu multiplexoru se dále odebírají signály R, G, B pro zobrazovací jednotku. Tyto signály spolu se signálem pro řízení jasu Y jsou synchronizovány s hodinovým kmitočtem obrazového signálu v registru DD28.
Matice odporů a diod R8, R11, R14, VD2 až VD7 spolu s převodníkem úrovně s tranzistory VT1, VT2 vytváří z obrazových a synchronizačních signálů kompozitní videosignál pro monochromatický monitor. Propojkou XT6 lze volit způsob zobrazení - buď převod barev do jasové stupnice nebo dvouhodnotové - popředí/pozadí.
Instalaci může provádět pracovník poučený podle §5 vyhlášky 50/78 Sbírky.
Při uvádění výrobku do provozu bezprostředně po dopravě je nutné zajistit vyrovnání teploty zabalené desky s teplotou provozního prostředí a zabránit tak její orosení.
Na desce DBS-1A jsou použity elektrostaticky citlivé prvky. Z ochranných důvodů je nutné i při manipulaci s deskami dodržovat zásady práce s těmito součástkami - například podle oborové normy TESLA NT 8551.
Při vlastní instalaci postupovat takto :
Desku vyjmeme z obalu a překontrolujeme, zda nedošlo k poškození desky při přepravě. Zejména kontrolujeme kontakty konektorů FRB.
Při doplňování již provozovaných sestav zkontrolujeme; zda deska DBS-1A nezpůsobí překročení maximálního odběru z napájecího zdroje. Ověříme, zda adresace desky nekoliduje s již obsazenými adresami. Zkontrolujeme, zda zapojení propojek na desce odpovídá předpokládanému způsobu provozu.
Desku zasuneme do libovolné pozice sběrnice mikropočítače (s výjimkou pozic vyhrazených pro desky RTI-1 případné JPR-lx).
Ověříme, zda je zajištěno dobré proudění vzduchu okolo desky tak, aby byl dodržen předepsaný teplotní režim. Desku zajistíme v rámu namontováním držáku.
DESKU JE DOVOLENO ZASUNOVAT A VYJÍMAT POUZE U SYSTÉMU VE VYPNUTÉM STAVU !
Ke konektoru XP2 připojíme kabel od zkontrolované zobrazovací jednotky. Kryty konektoru zajistíme sponami. Poté je možné zapnout napájení systému v pořadí zobrazovací jednotka - mikropočítač.
Obsazení adres
V adresovém prostoru V/V obsazuje deska DBS-1A dva bajty. Jejich konkrétní adresa závisí na nastavení propojek XT2 a XT3. V paměťovém adresovém prostoru musí být pro VIDEORAM vyhrazeny čtyři kilobajty souvislého adresového prostoru. Umístění této oblasti je určeno nastavením propojek XT1 a XT4. Ve standardně dodávaném provedení jsou navíc pro řízení přístupu do VIDEORAM používány signály MAP1/2 - paměť je aktivní pro MAP1=L, MAP2=H.
Adresaci je možné přizpůsobit požadavkům uživatele změnou obsahu příslušných dekodérů (PROM) DD2 a DD27.
Obvod řízení zobrazování
Řadič typu MC6845 obsahuje celkem 18 datových registrů. Přistup k jednotlivým registrům je otevřen po zapsání čísla registru do adresového registru. Registry adresy světelného pera (č. 16 a 17) nejsou na desce DBS-1A využity.
Po zapnutí napájení je zapotřebí všechny datové registry naplnit konstantami odpovídajícími zvolenému formátu zobrazování.
Bit 4 registru č. 12 může být po spojení příslušné propojky využit pro výběr sady generátoru znaků. Zvolená sada potom platí pro celou obrazovku.
Přehled datových registrů
| Reg. | Význam | Přístup | Délka |
| 00 | Délka řádku | W | 8 bit |
| 01 | Počet znaků na řádku | W | 8 bit |
| 02 | Poloha řádkového synchr. impulsu | W | 8 bit |
| 03 | Šířka řádkového synchr. impulsu | W | 4 bit |
| 04 | Délka snímku | W | 7 bit |
| 05 | Délka snímku jemné | W | 5 bit |
| 06 | Počet řádků ve snímku | W | 7 bit |
| 07 | Poloha snímkového synchr. impulsu | W | 7 bit |
| 08 | Prokládané řádkováni | W | 2 bit |
| 09 | Poslední linka znaku | W | 5 bit |
| 10 | První linka kurzoru | W | 7 bit |
| 11 | Poslední linka kurzoru | w | 5 bit |
| 12 | Počáteční adresa - vyšší bajt | w | 6 bit |
| 13 | Počáteční adresa - nižší bajt | w | 8 bit |
| 14 | Adresa kurzoru - vyšší bajt | R/W | 6 bit |
| 15 | Adresa kurzoru - nižší bajt | R/W | 8 bit |
Paměť znaků
Kódy zobrazovaných znaků se ukládají ve VIDEORAM na sudých adresách vzestupně od začátku ke konci snímku. Zobrazení znaku tvoří souvislou oblast bez ohledu na délku řádku. Adresa prvního znaku je určená obsahem registrů č. 12 a 13 řadiče zobrazování, přičemž adrese znaku 0000hex odpovídá fyzická adresa prvního prvku ve zvolené oblasti paměťového adresového prostoru mikropočítače. Zobrazení je cyklické, tzn. pokud adresa generovaná řadičem přesahuje hodnotu 2kB, zobrazují se znaky znovu od začátku VIDEORAM.
Paměť atributů
Uložení atributů ve VIDEORAM je obdobné jako u znaků s tím rozdílem, že atributy jsou uloženy na lichých adresách vždy o jednu adresu nad příslušným znakem.
Význam jednotlivých bitů atributu
Barva znaku je ovládána nastavením bitů D0,D1,D2 takto:
| D2 | D1 | D0 | barva znaku |
| 0 | 0 | 0 | černá |
| 0 | 0 | 1 | modrá |
| 0 | 1 | 0 | červená |
| 0 | 1 | 1 | fialová |
| 1 | 0 | 0 | zelená |
| 1 | 0 | 1 | modrozelená |
| 1 | 1 | 0 | žlutá |
| 1 | 1 | 1 | bílá |
Jas znaku je ovládán nastavením bitu D3 takto:
| D3 | jas |
| 0 | normální |
| 1 | zvýšený |
Poznámka : Ovládání jasu znaku bitem D3 atributu je voleno zapojením propojky XT5.
Barva pozadí je ovládána nastavením bitů D4,D5,D6 takto:
| D6 | D5 | D4 | barva pozadí |
| 0 | 0 | 0 | černá |
| 0 | 0 | 1 | modrá |
| 0 | 1 | 0 | červená |
| 0 | 1 | 1 | fialová |
| 1 | 0 | 0 | zelená |
| 1 | 0 | 1 | modrozelená |
| 1 | 1 | 0 | žlutá |
| 1 | 1 | 1 | bílá |
Blikání znaku je ovládáno nastavením bitu D7 takto:
| D7 | znak |
| 1 | bliká |
| 0 | nebliká |
Poznámka : Blikání znaku je způsobeno vzájemným zaměňováním barvy znaku s barvou pozadí s frekvencí asi 3Hz.
Poznámky uživatele o programování desky
Tabulka nastavení obsahu registrů řadiče pro různé formáty zobrazování
Formát zobrazení| Registr | 64x20 | 64x25 | 64x32 | 80x20 | 80x25 |
| 00 | 5F | 5F | 5F | 7F | 7F |
| 01 | 40 | 40 | 40 | 50 | 50 |
| 02 | 4A | 4A | 4A | 60 | 60 |
| 03 | 0F | 0F | 0F | 0F | 0F |
| 04 | 19 | 1E | 26 | 19 | 1E |
| 05 | 00 | 02 | 00 | 00 | 02 |
| 06 | 14 | 19 | 20 | 14 | 19 |
| 07 | 17 | 1B | 22 | 17 | 1B |
| 08 | 00 | 00 | 00 | 00 | 00 |
| 09 | 0B | 09 | 07 | 0B | 09 |
| 10 | 40 | 40 | 40 | 40 | 40 |
| 11 | 0B | 09 | 07 | 0B | 09 |
| 12 | 00 | 00 | 00 | 10 | 10 |
| 13 | 00 | 00 | 00 | 00 | 00 |
| 14 | 00 | 00 | 00 | 10 | 10 |
| 15 | 00 | 00 | 00 | 00 | 00 |
Uvedené obsahy registrů platí pro snímkový kmitočet 50 Hz a neprokládané řádkování.
Rastr jednotlivých znaků pro uvedené formáty zobrazení jsou:
| 64 x 20 --> 8 x 12 bodů | 80 x 20 --> 6 x 12 bodů |
| 64 x 25 --> 8 x 10 bodů | 80 x 25 --> 6 x 10 bodů |
| 64 x 32 --> 8 x 8 bodů | (šířka x výška ) |
Příklad inicializačního programu
;podprogram INIT přenáší sekvenci
;inicializačních slov z tabulky
;do registrů řadiče 6845
AREG: EQU 0E0H ;adresa adresového registru 6845
INIT: PUSH AF ;uschovej registry
PUSH HL
PUSH DE
PUSH BC
LD HL,INITAB ;adresa zač. tabulky iniciál. slov
LD E,16 ;délka tabulky
LD D,0 ;číslo datového registru pro l.bajt
NEXT: LD BC,AREG ;nastav adresu registru do BC
OUT (C),D ;zapiš číslo datového registru
INC BC ;adresa datového registru do BC
LD A,(HL) ;inicializační slovo z tabulky
OUT (C),A ;zapiš do datového registru
INC HL ;zvyš adresu v tabulce
INC D ;zvyš adresu datového registru
DEC E ;zmenši počítadlo
JR NZ,NEXT ;není konec tabulky
POP BC ;obnov registry
POP DE
POP HL
POP AF
RET ;konec inicializace
INITAB:DS 16 ;tabulka inicializačních slov
Poznámky uživatele o programování desky
XT 1 Mapování dekodéru adresy VIDEORAM
| propojeno | dekodér |
| 1-2 | ovládán signálem MAP1 |
| 2-7 | ovládání signálem MAP1 zrušeno |
| 3-4 | ovládán signálem MAP2 |
| 4-5 | ovládání signálem MAP2 zrušeno |
XT1, XT4 Nastavení oblasti VIDEORAM v paměti
Z osmi možných způsobů nastavení jsou pro dodávanou verzi dekodéru PROM DD2 6XN 902 053 použitelné tyto :
| propo | jeno | |
| XT1 | XT4 | začátek VIDEORAM |
| 6-7 | 19-20 | B000hex |
| 6-7 | 20-21 | A000hex |
| 6-7 | 20-22 | 9000hex |
| 6-7 | 20-23 | 8000hex |
| 5-6 | 20-25 | C000hex |
| 5-6 | 20-23 | D000hex |
| 5-6 | 20-21 | E000hex |
| 5-6 | 20-19 | F000hex |
XT2, XT3 Nastavení adres registrů řadiče
Z osmi možných způsobů nastavení jsou pro dodávanou verzi dekodéru PROM DD27 6XN 902 061 použitelné tyto :
| propojeno | ||||
| XT2 | XT3 | registr adres | registr dat | |
| 10-42 | 11-12 | E6hex | E7hex | |
| 10-42 | 12-13 | E4hex | E5hex | |
| 10-42 | 12-15 | E2hex | E3hex | |
| 10-42 | 12-17 | E0hex | E1hex | |
| 8-10 | 11-12 | E8hex | E9hex | |
| 8-10 | 12-13 | EAhex | EBhex | |
| 8-10 | 12-15 | EChex | EDhex | |
| 8-10 | 12-17 | EEhex | EFhex |
XT5 Konfigurace znakového generátoru
| Propojeno | typ EPROM | sad | znaků | výška zn. |
| 28-33 | 2716 | 1 | 256 | 8 linek |
| 27-28 | 2732 | 1 | 256 | 16 linek |
| 28-29 | 2732 | 1 | 512 | 8 linek |
| 28-31 | 2732 | 2 | á256 | 8 linek |
| 27-28, 29-30 | 2764 | 1 | 512 | 16 linek |
| 27-28, 30-31 | 2764 | 2 | á256 | 16 linek |
| 28-31, 29-30 | 2764 | 2 | á512 | 8 linek |
29-32 bit D3 atributu ovládá jas displeje
XT6 Volba monochromatického výstupu
| Propojeno | monochromatické zobrazení |
| 34-35 | dvouúrovňové - popředí/pozadí |
| 35-36 | jasová stupnice |
XT7 Volba délky řádku
| Propojeno | počet znaků na řádku |
| 37-38 | 64 |
| 38-39 | 80 |
Poznámky uživatele o nastavení propojek
Dekodér adres obvodů V/V
| Pozice na desce | DD27 |
| Výkresové označení TESLA Liberec | 6XN 902 061 |
| Typ obvodu - paměti PROM | MH 74S 571 |
adresa X=0 1 2 3 4 5 6 7 8 9 A B C D E F
00X-06X --------------------- 0 ----------------------
07x 1 2 4 8 0 0 0 0 0 0 0 0 0 0 0 0
08x-16x --------------------- 0 ----------------------
17x 0 0 0 0 1 2 4 8 0 0 0 0 0 0 0 0
18X-1FX --------------------- 0 ----------------------
Hodnoty adres a obsahu paměťových míst jsou uvedeny
v hexadecimálním tvaru.
Obsah PROM z desky (INTELHEX)
:20000000F0F0F0F0F0F0F0F0F0F0F0F0F0F0F0F0F0F0F0F0F0F0F0F0F0F0F0F0F0F0F0F0E0
:20002000F0F0F0F0F0F0F0F0F0F0F0F0F0F0F0F0F0F0F0F0F0F0F0F0F0F0F0F0F0F0F0F0C0
:20004000F0F0F0F0F0F0F0F0F0F0F0F0F0F0F0F0F0F0F0F0F0F0F0F0F0F0F0F0F0F0F0F0A0
:20006000F0F0F0F0F0F0F0F0F0F0F0F0F0F0F0F0F1F2F4F8F0F0F0F0F0F0F0F0F0F0F0F071
:20008000F0F0F0F0F0F0F0F0F0F0F0F0F0F0F0F0F0F0F0F0F0F0F0F0F0F0F0F0F0F0F0F060
:2000A000F0F0F0F0F0F0F0F0F0F0F0F0F0F0F0F0F0F0F0F0F0F0F0F0F0F0F0F0F0F0F0F040
:2000C000F0F0F0F0F0F0F0F0F0F0F0F0F0F0F0F0F0F0F0F0F0F0F0F0F0F0F0F0F0F0F0F020
:2000E000F0F0F0F0F0F0F0F0F0F0F0F0F0F0F0F0F0F0F0F0F0F0F0F0F0F0F0F0F0F0F0F000
:20010000F0F0F0F0F0F0F0F0F0F0F0F0F0F0F0F0F0F0F0F0F0F0F0F0F0F0F0F0F0F0F0F0DF
:20012000F0F0F0F0F0F0F0F0F0F0F0F0F0F0F0F0F0F0F0F0F0F0F0F0F0F0F0F0F0F0F0F0BF
:20014000F0F0F0F0F0F0F0F0F0F0F0F0F0F0F0F0F0F0F0F0F0F0F0F0F0F0F0F0F0F0F0F09F
:20016000F0F0F0F0F0F0F0F0F0F0F0F0F0F0F0F0F0F0F0F0F1F2F4F8F0F0F0F0F0F0F0F070
:20018000F0F0F0F0F0F0F0F0F0F0F0F0F0F0F0F0F0F0F0F0F0F0F0F0F0F0F0F0F0F0F0F05F
:2001A000F0F0F0F0F0F0F0F0F0F0F0F0F0F0F0F0F0F0F0F0F0F0F0F0F0F0F0F0F0F0F0F03F
:2001C000F0F0F0F0F0F0F0F0F0F0F0F0F0F0F0F0F0F0F0F0F0F0F0F0F0F0F0F0F0F0F0F01F
:2001E000F0F0F0F0F0F0F0F0F0F0F0F0F0F0F0F0F0F0F0F0F0F0F0F0F0F0F0F0F0F0F0F0FF
:00000001FF
Dekodér adresy VIDEORAM
| Pozice na desce | DD2 |
| Výkresové označení TESLA Liberec | 6XN 902 053 |
| Typ obvodu - paměti PROM | MH 74S 287 |
adresa X=0 1 2 3 4 5 6 7 8 9 A B C D E F
00x-04x --------------------- 0 ----------------------
05x 1 1 2 2 4 4 8 8 0 0 0 0 0 0 0 0
06x-08x --------------------- 0 ----------------------
09x 0 0 0 0 0 0 0 0 1 1 2 2 4 4 8 8
0Ax --------------------- 0 ----------------------
0Bx 0 0 0 0 0 0 0 0 1 1 2 2 4 4 8 8
0CX --------------------- 0 ----------------------
0Dx 0 0 0 0 0 0 0 0 1 1 2 2 4 4 8 8
0Ex --------------------- 0 ----------------------
0Fx 0 0 0 0 0 0 0 0 1 1 2 2 4 4 8 8
Hodnoty adres a obsahu paměťových míst jsou uvedeny
v hexadecimálním tvaru.
Obsah PROM z desky (INTELHEX)
:20000000F0F0F0F0F0F0F0F0F0F0F0F0F0F0F0F0F0F0F0F0F0F0F0F0F0F0F0F0F0F0F0F0E0
:20002000F0F0F0F0F0F0F0F0F0F0F0F0F0F0F0F0F0F0F0F0F0F0F0F0F0F0F0F0F0F0F0F0C0
:20004000F0F0F0F0F0F0F0F0F0F0F0F0F0F0F0F0F1F1F2F2F4F4F8F8F0F0F0F0F0F0F0F082
:20006000F0F0F0F0F0F0F0F0F0F0F0F0F0F0F0F0F0F0F0F0F0F0F0F0F0F0F0F0F0F0F0F080
:20008000F0F0F0F0F0F0F0F0F0F0F0F0F0F0F0F0F0F0F0F0F0F0F0F0F1F1F2F2F4F4F8F842
:2000A000F0F0F0F0F0F0F0F0F0F0F0F0F0F0F0F0F0F0F0F0F0F0F0F0F1F1F2F2F4F4F8F822
:2000C000F0F0F0F0F0F0F0F0F0F0F0F0F0F0F0F0F0F0F0F0F0F0F0F0F1F1F2F2F4F4F8F802
:2000E000F0F0F0F0F0F0F0F0F0F0F0F0F0F0F0F0F0F0F0F0F0F0F0F0F1F1F2F4F4F0F8F8E4
:00000001FF
Vývody konektoru připojení ke sběrnici mikropočítače
| Pozice na desce | XP1 | |
| Klíčování | C6 | |
| Typ konektoru | vidlice | TY 517 4511 51 |
| č. | signál | název | typ | č. | signál | název | typ | |
| 1 | 2 | |||||||
| 3 | RDYn | signál READY | OUT | 4 | ||||
| 5 | 6 | |||||||
| 7 | 8 | RESn | nulování | INP | ||||
| 9 | MRn | čtení z MEM | INP | 10 | IORn | čtení z I/0 | INP | |
| 11 | MWn | zápis do MEM | INP | 12 | IOWn | zápis do I/O | INP | |
| 13 | AENn | povol, adres | INP | 14 | ||||
| 15 | + 5 V | napájení Ucc | NAP | 16 | +5 V | napájení Ucc | NAP | |
| 17 | + 5 V | napájení Ucc | NAP | 18 | +5 V | napájení Ucc | NAP | |
| 19 | GND | zem | NAP | 20 | GND | zem | NAP | |
| 21 | MAP1 | rozšiř.adres | INP | 22 | MAP2 | rozšiř.adres | INP | |
| 23 | A9 | adresa-bit 9 | INP | 24 | A15 | adresa-bit 15 | INP | |
| 25 | A11 | adresa-bit 11 | INP | 26 | A14 | adresa-bit 14 | INP | |
| 27 | A13 | adresa-bit 13 | INP | 28 | A12 | adresa-bit 12 | INP | |
| 29 | A10 | adresa-bit 10 | INP | 30 | A8 | adresa-bit 8 | INP | |
| 31 | D4 | data - bit 4 | BD | 32 | D3 | data - bit 8 | BD | |
| 33 | D6 | data - bit 6 | BD | 34 | D5 | data - bit 5 | BD | |
| 35 | D2 | data - bit 2 | BD | 36 | D7 | data - bit 7 | BD | |
| 37 | D0 | data - bit 0 | BD | 38 | D1 | data - bit 1 | BD | |
| 39 | A1 | adresa-bit 1 | INP | 40 | A0 | adresa-bit 0 | INP | |
| 41 | A3 | adresa-bit 3 | INP | 42 | A2 | adresa-bit 2 | INP | |
| 43 | A5 | adresa-bit 5 | INP | 44 | A4 | adresa-bit 4 | INP | |
| 45 | A7 | adresa-bit 7 | INP | 46 | A6 | adresa-bit 6 | INP | |
| 47 | 48 | |||||||
| 49 | 50 | |||||||
| 51 | 52 | |||||||
| 53 | 0 V | analog. zem | NAP | 54 | 0 V | analog. zem | NAP | |
| 55 | 56 | |||||||
| 57 | 58 | |||||||
| 59 | 60 | |||||||
| 61 | 62 |
Signály aktivní v úrovní L jsou označeny příponou " n " .
| Typ signálu : | NAP | napájeni |
| INP | vstup | |
| OUT | výstup | |
| BD | obousměrný |
Vývody konektoru výstupního rozhrání pro zobrazovací jednotku
| Pozice na desce | XP2 | |
| Klíčování | A4 | |
| Typ konektoru | vidlice | TY 513 3011 30 |
| č. | signál | název | typ | č. | signál | název | typ | |
| 1 | GND | zem | NAP | 2 | HSn | hor.svnc.neq. | OUT | |
| 3 | GND | zem | NAP | 4 | RA | červená 1V | OUT | |
| 5 | GND | zem | NAP | 6 | VS | ver.svnc.poz. | OUT | |
| 7 | GND | zem | NAP | 8 | GA | zelená 1V | OUT | |
| 9 | GND | zem | NAP | 10 | VSn | ver.svnc.poz. | OUT | |
| 11 | GND | zem | NAP | 12 | BA | modrá 1V | OUT | |
| 13 | GND | zem | NAP | 14 | Y | intenzita | OUT | |
| 15 | GND | zem | NAP | 16 | R | červená TTL | OUT | |
| 17 | GND | zem | NAP | 18 | VID | video TTL | OUT | |
| 19 | GND | zem | NAP | 20 | G | zelená TTL | OUT | |
| 21 | GND | zem | NAP | 22 | HS | hor.syne.poz | OUT | |
| 23 | GND | zem | NAP | 24 | B | modrá TTL | OUT | |
| 25 | GND | zem | NAP | 26 | ||||
| 27 | GND | zem | NAP | 28 | DE | zatmíváni | OUT | |
| 29 | GND | zem | NAP | 30 | CV | úplný videos. | OUT |
Signály aktivní v úrovní L jsou označeny příponou " n " .
| Typ signálu : | NAP | napájení |
| OUT | výstup |
Poznámky uživatele o použití výstupního rozhraní
Připojení barevného monitoru GRM 4423 (TESLA Orava)
| Konektor XP2 na desce DBS-1A | Konektor XC8 na monitoru GRM |
| 2 HSn hor- sync. neg. | 9 HL horiz, synchr. |
| 10 VSn ver. sync, neg. | 11 VL vertik. synchr. |
| 14 Y intenzita | 12 I intenzita |
| 16 R červená TTL | 3 RH červená |
| 20 G zelená TTL | 5 GH zelená |
| 24 B modrá TTL | 7 BH modrá |
| 1-29 GND zem | 16,18,20,22,24 GND zem |
Připojení monochromatického monitoru se vstupem 1V
| Konektor XP2 na desce DBS-1A | Souosý konektor na monitoru |
| 30 CV úplný videosignál | vnitřní kontakt |
| 29 GND zem | vnější plášť (příruba) |
Připojení jiné zobrazovací jednotky (výplní uživatel)
| Konektor XP2 na desce DBS-1A | Konektor monitoru |
| 2 HSn hor. sync. neg. | |
| 4 RA červená 1V | |
| 6 VS ver. sync. poz. | |
| 8 GA zelená 1V | |
| 10 VSn ver. sync. neg. | |
| 12 BA modrá 1V | |
| 14 Y intenzita | |
| 16 R červená TTL | |
| 18 VID videosignál TTL | |
| 20 G zelená TTL | |
| 22 HS hor. sync. poz. | |
| 24 B modrá TTL | |
| 28 DE zatmíváni | |
| 30 CV úplný videosignál | |
| 1-29 GND zem |
| Výkresové číslo kompletní desky | 6XK 199 246 |
| Výkresové číslo desky plošných spojů | 6XB 007 83 |
Rozložení obvodů úprava (přidáno na XP2:26 +12V pro SCART)
| Formát desky | 140 x 150 mm |
| Maximální výška součástek nad deskou | 15 mm |
| Maximální hmotnost kompletní desky | 200 g |
| Tloušťka desky plošného spoje | 1,5 mm |
| název | pozice na desce | hodnota | typ |
| vidlice | XP1 | TY 517 4511 51 | |
| vidlice | XP2 | TY 513 3011 30 | |
| objímka | (DD2, DD27) | TX 771 1642 | |
| objímka | (DD15) | TX 771 2842 | |
| odpor | R1, R2 | 1k2 | TR 296 |
| odpor | R3, R10, R13, R16 | 220R | TR 296 |
| odpor | R4 | 680R | TR 296 |
| odpor | R5 | 330R | TR 296 |
| odpor | R6, R11, R17 | 1k | TR 296 |
| odpor | R7 | 68R | TR 296 |
| odpor | R8 | 2k2 | TR 296 |
| odpor | R9, R12, R15 | 180R | TR 296 |
| odpor | R14, R18, R19 | 4k7 | TR 296 |
| kondenzátor | C1, C4, C7 | 22µ | TE 132 |
| kondenzátor | C2, C3, C5, C6, C8, C9 | 15n | TK 683 |
| kondenzátor | C10 | 100P | TK 754 |
| kondenzátor | C11, C12, C13 | 47µ | TE 131 |
| PKJ | BX1 | 12 000 kHz | |
| dioda | VD1, VD3, VD8, VD9, VD10 | KAS 21/40 | |
| dioda | VD2, VD4, VD5, VD6, VD7 | KA 206 | |
| tranzistor | VT1 | KC 308B | |
| tranzistor | VT2 | KC 238B | |
| obvod int. | DD1, DD5, DD21 | MH74 ALS 00 | |
| obvod int. | DD3, DD7, DD8,DD14 | MH74 ALS 157 | |
| obvod int. | DD4, DD9, DD22 | MH74 ALS 175 | |
| obvod int. | DD6 | MH74 ALS 02 | |
| obvod int. | DD10 | MH74 ALS 86 | |
| obvod int. | DD11, DD23, DD29 | MH74 ALS 245 | |
| obvod int. | DD12, DD24, DD25 | MH74 ALS 374 | |
| obvod int. | DD13 | MH74 ALS 74 | |
| obvod int. | DD16 | SM 607R (6845) | |
| obvod int. | DD17, DD18 | MHB 2016 (6216) | |
| obvod int. | DD19 | MHB 4024 | |
| obvod int. | DD20 | MH 7404 | |
| obvod int. | DD26 | 74 166 PC | |
| obvod int. | DD28 | MH74 ALS 174 |
Zkoušky u výrobce:
Výrobce provádí typové, kontrolní, informační i dílčí zkoušky pro ověření vlastnosti výrobku v mezních pracovních podmínkách a pro regulaci kvality práce v průběhu výrobního procesu. Metodika a rozsah těchto zkoušek jsou dány interními předpisy, které konkretizují ustanovení státních, oborových a podnikových norem.
Záruka :
Výrobce ručí za jakost výrobku po dobu uvedenou na záručním listě.
Balení :
Při dodávce jednotlivé desky je tato balena do přepravního obalu tvořeného výliskem z pěnového polystyrenu.
Je-li deska dodávána v rámci sestavy, je upevněna do rámu mikropočítače..
Doprava :
Výrobek se přepravuje v dodávaném obalu chráněn před vlivy povětrnosti a agresivních látek všemi druhy krytých přepravních prostředků. Při přepravě nesmí docházet k hrubým otřesům. Klimatické podmínky při dopravě jsou určeny podle ČSN 36 9302 čl.1.8.1 to je :
| rozsah teplot | -40 °C až +50 °C |
| relativní vlhkost vzduchu | 95 % při 30 °C |
Skladování :
Skladovací prostor musí být suchý, dobře větraný, bez mechanických otřesů a chemických vlivů. Skladovací teplota musí být v rozmezí +5 °C až +40 °C a relativní vlhkost maximálně 85 % . Výrobky musí být skladovány v neporušeném obalu (ČSN 36 9302 čl. 1.9.4).
Údržba :
Zařízení neobsahuje žádné nastavovací prvky. Údržba spočívá v občasné kontrole mechanického stavu desky a součástek na ní osazených, případně odstraňování usazeného prachu odsáváním.
Servis :
Záruční a běžné opravy výrobku zajišťuje TESLA ELTOS. Při poruše je nutné zaslat výrobek zabalený v původním obalu na adresu
| TESLA ELTOS DIZ | |
| Kocínova 136 | |
| 397 01 | PÍSEK |
Pro větší odebíraná množství si může odběratel dohodnout s výrobcem jinou formu zajišťování servisní činnosti.
Datum dne uvedení výrobku do provozu : _____________
Údaje o reklamacích : datum, obsah reklamace, opatření
Údaje o provozu : termín od-do, způsob práce, doba práce
Technická obsluha : datum, prováděné práce, technický stav
Závady při provozu : datum, charakteristika závady, příčina
Opravy, konstrukční změny : datum, popis, výsledný stav
Mikropočítačový soubor SAPI-1.5
Deska DBS-1A
Výrobce si vyhrazuje v rámci technického rozvoje a dalšího vývoje zařízení provádět změny sloužící ke zlepšení funkce výrobku. Z tohoto důvodu se nemusí všechny údaje v textu a všechna vyobrazení zcela shodovat s dodávaným zařízením.
Uživatelská dokumentace je duševnim majetkem firmy TESLA LIBEREC. Rozmnožování podléhá souhlasu výrobce. Nerespektování uvedené podmínky, případně jiné zneužití dokumentace může být soudně stíháno.
(C) TESLA LIBEREC 1990
Schéma DBS-1A a černobílá verze ZDE.
Schéma DBS-1A úprava (přidano na XP2:26 +12V pro SCART) a černobílá verze ZDE.
ÚVOD | Novinky | 8 Bitů | Příslušenství | Drobnosti | TTL | Kontakt
SAPI-1 | ONDRA | PMI-80 | PMD-85 | klony PMD-85 | klony SM50/40 | PETR | PLAN-80A | IQ151 | TNS | FK-1 | HVĚZDA | SP 830 | PCS 1-QR6000 | TEMS
ZPS | Technické prostředky | Programové vybavení | Dokumentace