ÚVOD | Novinky | 8 Bitů | Příslušenství | Drobnosti | TTL | Kontakt
SAPI-1 | ONDRA | PMI-80 | PMD-85 | klony PMD-85 | klony SM50/40 | PETR | PLAN-80A | IQ151 | TNS | FK-1 | HVĚZDA | SP 830 | PCS 1-QR6000 | TEMS
ZPS | Technické prostředky | Programové vybavení | Dokumentace
OCR návodu APS-5
UŽIVATELSKÁ DOKUMENTACE
| Obsah: | JPR-1 |
| REM-1/00k | |
| AND-1 | |
| CRM-1 | |
| RTC-1 | |
| DMT-1 | |
| DRV-1A | |
| ADP-1 |
| Výrobce: | Tesla k. p. |
| 461 98 LIBEREC |
návod 6XV 122 89
Jednotka měřicí
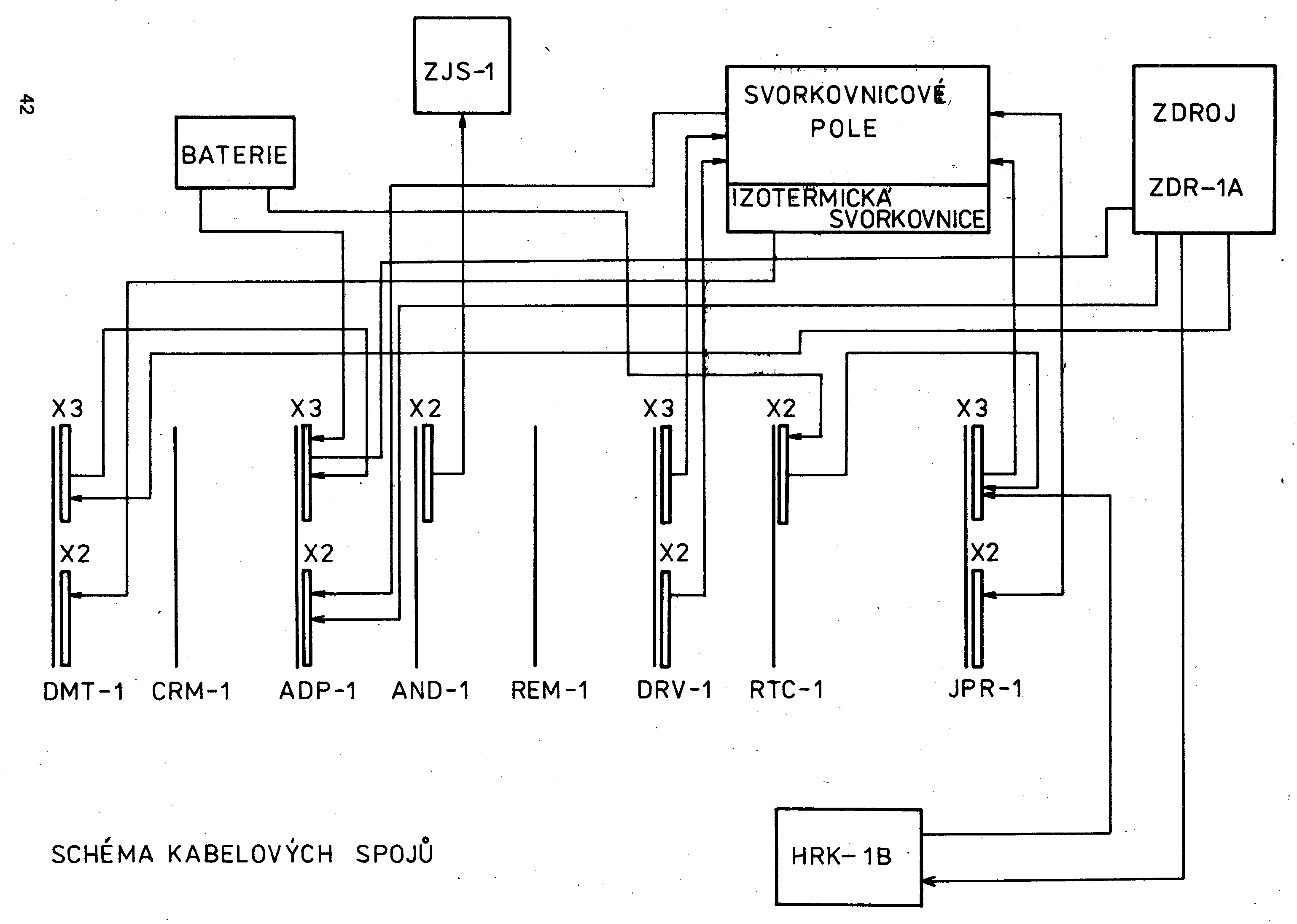
- (převodník pro měření teploty) APS-5 je vybudována na bázi mikropočítačového systému SAPI-1. Mechanicky je řešen jako zásuvný rám s předním panelem v rozměrech 19" modulu. Mechanická konstrukce v sobě zahrnuje zdroj napájecích napětí ZDR-1A a systémovou sběrnici ARB-1 s osmi pozicemi pro desky plošných spojů formátu 140 x 150 mm. V rámu jsou zasunuty tyto desky:
| JPR-1 | jednotka programového řízení |
| REM-1 | jednotka EPROM pamětí |
| AND-1 | jednotka řadiče alfanumerického displeje |
| CRM-1 | jednotka zálohované paměti |
| RTC-1 | jednotka reálného času |
| DMT-1 | jednotka měřícího zesilovače |
| DRV-1A | jednotka reléových výstupů |
| ADP-1 | jednotka analogově - číslicového převodníku |
Na čelním panelu zásuvného rámu jsou umístěny ovládací prvky (spínací zámek, řídicí klávesnice), optické indikátory (svíticí diody), sítové tlačítko a pouzdro pro záložní napájecí zdroj.
Součástí adaptivního převodníku pro měření teploty je i zobrazovací jednotka ZJS-1, která však není dodávána v rámci objednávky přístroje APS-5.
Uvedená sestava představuje samostatný přístroj, který je schopen provádět nezávisle měření v osmi místech. Do paměti přístroje je však vložen i řídicí program, takže sestava může pracovat i jako osmi kanálový řídicí člen.
Na analogové vstupy přístroje lze připojit termočlánky uvedené v následující tabulce (teploty dle ČSN 35 6710). Výkonové členy musí být bezkontaktní (příklad spojení APS-5 s obvody NOGONTA a XJ 4501 viz schéma) a stejně jako termočlánky nejsou součástí dodávky APS-5.
| Termočlánek | Rozsah trvale | Krátkodobě | |||||
| Fe-Ko | - | 160 | až + | 600°C | do + | 850°C | |
| ch-a | - | 50 | až + | 1000°C | do + | 1230°C | |
| PtRh30-PtRh6 | + | 1000 | až + | 1600°C | do + | 1800°C | |
| PtRh10-Pt | 0 | až + | 1300°C | do + | 1600°C | ||
| ch-k | - | 50 | až + | 600°C | do + | 610°C | |
přesnost měření je závislá na použitých termočláncích a je uvedena v následující tabulce
| Termočlánek | Přesnost měření |
| Fe-Ko | ± 0,2 % R ± 3°C |
| ch-a | ± 0,2 % R ± 4°C |
| ch-k | ± 0,2 % R ± 3°C |
| PtRh10-Pt | ± 0,2 % R ± 6°C |
| PtRh30-PtRh6 | ± 0,2 % R ± 6°C |
(R je čtená hodnota - reading)
Linearizace průběhu termoelektrického napětí je řešena programově a její chyba je pro všechny typy termočlánků (v rozsahu doporučeném ČSN 35 6710) nejvýše ± 0,5°C. Mimo doporučený rozsah může nabývat hodnoty až ± 10°C.
Je-li přístroj použit jako osmi kanálový programový regulátor, pak rozsah regulace teploty je opět určen typem použitého termočlánku. Přesnost regulace v ustáleném režimu je určena dynamikou řízené soustavy. Maximální strmost nárůstu nebo poklesu teploty je opět určena dynamikou řízené soustavy s dostupným příkonem. Rozsah regulace teploty je uveden v následující tabulce:
| Termočlánek | Rozsah regulace | |||
| Fe-Ko | + | 60 | až + | 600°C |
| ch-a | + | 60 | až + | 1000°C |
| PtRh30-PtRh6 | + | 1000 | až + | 1600°C |
| PtRh10-Pt | + | 60 | až + | 1300°C |
| ch-k | + | 60 | až + | 600°C |
| Napájení | 220 V + 10 % - 15 % / 50 Hz ± 2 % |
| Příkon | 240 VA |
| Krytí dle ČSN 33 0330 | IP 00 |
| IP 30 (u jednotky se sítovou částí) | |
| Pracovní poloha | vodorovná |
| Rozměry | 483 x 178 x 280 mm (s výstupními konektory 310 mm) |
| Hmotnost | 14,4 kg |
| Počet řídících kanálů | 8 |
| Počet segmentů teplotního cyklu | max. 127 |
| Délka jednoho segmentu | max. 9999 min. |
| Řídící algoritmus | Adaptivní PSD s přímým nastavením koeficientů |
| Vzorkovací perioda | Nastavitelná v rozmezí 10 až 2 550 s (po 10 s) |
| Četnost měření | 6/min |
Vstupy
Na vstupy smí být připojeno pouze zařízení s obvody bezpečně oddělenými od sítě dle ČSN 18 0003 čl. 15.
Pro každý kanál je k dispozici jeden analogový vstup (- 10 mV až + 100 mV) a dva logické vstupy pro
úrovně TTL (TTL/1,5 mA)
Výstupy
Pro každý kanál je k dispozici jeden reléový výstup umožňující spínat proud nejvýše 0,5 A, pro
stejnoměrné napětí 42 V, resp. střídavé napětí 42 v, resp. výkon 12 W, resp. výkon 15 VA/50 Hz.
Dále je pro každý kanál k dispozici dvojice logických výstupů TTL (1 mA ... H, 15 mA ... L). K
těmto výstupům však smí být připojeno pouze zařízení s obvody bezpečně oddělenými od sítě dle
ČSN 18 0003 čl.15
| Zatížitelnost svorek K0, K1, K2 | 0,6A/42 Vss st. |
| Kapacita paměti | 4 kByte RWM |
| 14 kByte EPROM | |
| Střední doba mezi poruchami | 1 175 hodin |
| Bezpečnostní požadavky | Bezpečnostní třída I (dle ČSN 34 1010). Zařízení splňuje bezpečnostní požadavky ČSN 18 0003 |
| Stupeň odrušení | RO 3 |
Jednotka programového řízení tepelných procesů APS-5 je určena především pro časově závislou regulaci teplot až osmi nezávislých či vzájemně závislých tepelných soustav prostřednictvím bezkontaktních výkonových spínačů.
V základním provedení s osmi výstupy je jednotka umístěna v jediném 19" vestavném rámu systému SAPI-1. Všechny potřebné ovládací prvky jsou umístěny na čelním panelu, všechny přívody pro napájení, vstupní i výstupní signály jsou umístěny na zadní straně rámu. Pro zobrazování je využíván standardní displej systému SAPI-1.
Programové vybavení jednotky umožňuje obsluze zadat přes klávesnici čelního panelu, pro každý kanál nezávisle, požadovaný průběh teplotní křivky. Ta se může skládat z nejvýše 127. lineárních úseků charakterizovaných dobou trvání od 1 do 9999 minut a požadovanou teplotou na konci úseku. Rozsah teplot je dán použitými typy termočlánků. Kompenzace teploty srovnávacích konců je zajišťována programově ve spojení s izotermickou svorkovnicí pro zakončení kompenzačních vedení termočlánků. Toto řešení umožňuje používat libovolné kombinace termočlánků z výše uvedeného souboru.
Pro zabezpečení dat (vstupní data programátoru, parametry regulátoru, proměnné atd.), proti ztrátě v důsledku výpadku napájení, je v jednotce APS-5 použita operační paměť CMOS se zálohovaným napájením.
Regulace v jednotlivých kanálech je prováděna pomocí adaptivního PSD algoritmu, který samočinně a průběžně během celého teplotního cyklu optimalizuje parametry dílčích regulátorů. Podmínkou spojené činnosti algoritmu je zachování jistých podmínek na počátku teplotního cyklu a zadání vhodné doby vzorkování (podrobnosti jsou uvedeny v kapitole OBSLUHA).
Požadované přesnosti regulace lze při dvoustavovém ovládání (dvoupolohová regulace) dosáhnout (je-li zajištěno přesné měření, vhodný regulační algoritmus atd.) pouze velkou četností spínání. Z toho důvodu musí být výkonové akční členy bezkontaktní, dimenzované v souladu s příkonem tepelných soustav. K ovládání těchto akčních členů jsou určeny především reléové výstupy zajištující zároveň galvanické oddělení regulátorů od akčních členů.
Ovládací panel má jednoduché a tím i přehledné uspořádání. Všechny prvky jsou opatřeny jednoznačnými symboly či nápisy.
Na ovládacím panelu se nalézá:
1. poloha připouští: prohlížení parametrů zadaného teplotního cyklu, spuštěni regulace, zastavení regulace (vše nezávisle pro každý kanál).
2. poloha připouští: zadávání parametrů teplotního cyklu, jejich úpravu, zadávání vzorkovací periody.
Funkce ve 2. poloze jsou chráněny před nepovolanými osobami uzamykatelným přepínačem
Napájení Signalizuje správnou činnost zdroje + 5 V. Porucha signalizuje bud výpadek napájení + 12 V nebo poruchu, která způsobila přerušení řádného chodu programu.
Mimo uvedené prvky je na čelním panelu umístěna pod krycím víčkem baterie pro záložní napájení RTC-1 a CRM-1.
Určení tlačítek klávesnice
| 0-9 | číselné hodnoty parametrů v dekadickém tvaru, celočíselné hodnoty v pořadí od leva doprava, časové údaje v minutách |
| <—— | mazání chybných znaků zprava do leva |
| ——> | ukončení zápisu parametrů (přepis podprogramu) |
| M | vyvolání nabídkové tabulky (menu) |
| R | rozlišovací znak pro zabezpečené příkazy (působí pouze ve 2. poloze) |
Izotermická svorkovnice slouží ke spojení vstupní části mikropočítačového regulátoru, tj. osmi analogových vstupů, s termočlánkovými čidly teploty. Konstrukce této svorkovnice zajišťuje téměř shodnou teplotu všech svorek pro kompenzační vedení termočlánků a je vybavena snímačem teploty nezbytným pro programovou simulaci srovnávacího konce
Svorkovnice je tvořena kovovým nosným hranolem, na kterém jsou upevněny galvanicky oddělené svorky (celkem 16 segmentů) tak, aby tepelný odpor mezi svorkou a hranolem byl co nejmenší. Teplota středu nosného hranolu je pro účely kompenzace považována za společnou teplotu všech svorek.
Obsluha přístroje APS-5 je vymezena v souladu s ČSN 34 3100 takto:
Při poloze 1 spínacího klíčku na čelním panelu je oprávněn k obsluze pracovník poučený . V této poloze lze pouze kontrolovat činnost přístroje, zahájení jeho funkce (měření nebo regulace), vypnutí přístroje, ukončení funkce.
Při poloze 2 spínacího klíčku je oprávněn k obsluze pracovník znalý. V této poloze je možné měnit zadané parametry měření a regulace, zapisovat a přepisovat teplotní programy. Pracovník znalý též provádí výměnu záložní baterie v pouzdru na čelním panelu.
Instalaci přístroje provádí pracovník znalý.
1. Příkazové menu
Všechny příkazy jsou zobrazovány na obrazovce ve formě tzv. menu - očíslovaného seznamu příkazů. Obsluha volí jednotlivé příkazy zadáním pořadového čísla příkazu. U skupiny tzv. rezervovaných příkazů je součástí čísla příkazu i znak R. Po zápisu čísla příkazu, potvrzeném stiskem klávesy ——>, se na obrazovce vypíše text funkce a převodník očekává příslušnou hodnotu, resp. sekvenci hodnot.
1.2 Klávesnice převodníku
Z hlediska funkce lze jednotlivé klávesy rozdělit do dvou skupin - na řídicí a datovou část.
1.2.1 Označování kláves v textu
V dalším textu budou pro jednoduchost klávesy označovány podtržením příslušného symbolu - např. klávesa R bude značeno pouze R.
1.2.2 Řídicí část klávesnice
Slouží k opravám chybných číslic, k potvrzování hodnot a k přerušení vykonávaných příkazů. Obsahuje ——>, <——, M, R.
1.2.2.1 Klávesa <——
Slouží k mazání údajů zadávaných obsluhou. Opakovaným stiskem lze postupně vymazat všechny znaky zadané v poslední ukládací sekvenci. Jsou-li všechny znaky vymazány je další stisk ignorován.
1.2.2.2 Klávesa ——>
Slouží k potvrzení zadané hodnoty a vyvolává její zpracování.
1.2.2.3 Klávesa M
Slouží k přerušení prováděných příkazů a návratu do příkazového menu. Je-li na libovolné pozici zadané hodnoty M, je rozpracovaný příkaz přerušen a do 21. řádku je vypsána zpráva "Příkaz ignorován". Je vypsáno příkazové menu a převodník očekává zadání dalšího příkazu.
Touto klávesou potvrzenou ——> je rovněž ukončeno zobrazování tabulek stavu procesu (příkazy 10, 11, 12) a je opět vypsáno příkazové menu.
1.2.2.4 Klávesa R
Slouží při výběru některého příkazu ze skupiny příkazů rezervovaných. Pořadová čísla těchto příkazů je nutno před potvrzením (1.2.2.2) doplnit znakem R. V opačném případě je po potvrzení do 21. řádku vypsána zpráva "Příkaz ignorován "a je opět zobrazeno příkazové menu. Klávesa R vysílá příslušný znak jen tehdy, jeli klíč v zámku předního panelu v poloze 2.
1.2.3 Datová část klávesnice
Tato část klávesnice slouží pro zadávání číselných údajů.
2. Popis příkazů příkazového menu
2.1 Volba příkazů příkazového menu
Je-li na obrazovce příkazové menu, je možné po zadání čísla příslušného příkazu vyvolat stiskem ——> vyhodnocení čísla příkazu. Je-li zadáno číslo vyšší než číslo posledního příkazu, je ignorováno a převodník očekává zadání dalšího čísla příkazu. Není-li číslo rezervovaného příkazu ukončeno znakem R pak viz 1.2.2.4.
2.1.1 Volba aktuální pece
Příkazem se volí jeden z osmi nezávislých měřících a regulačních obvodů. Převodník očekává čísla 1 - 8, čísla 0 a 9 ignoruje. Číslo zvolené pece je dále zobrazováno v záhlaví textu dalších příkazů. Po zapnutí převodníku je implicitně zvolena pec číslo 1.
2.1.2 Zapnutí / vypnutí programové regulace
Příkaz slouží k zapnutí, resp. vypnutí, programové regulace aktuální smyčky, nebo k zapnutí, resp. vypnutí všech smyček. Vypnutí smyčky není na rozdíl od zapnutí, podmíněno správným nastavením parametrů měření a regulace (viz 3.)
Při každém zapnutí řízení v kterémkoli kanálu probíhá vždy proces adaptace znovu od počátku.
2.1.2.1 Zapnutí aktuální pece
Nejsou-li před zapnutím aktuální pece správně zadány potřebné parametry regulace a měření, je příkaz ignorován. Jedná se o tzv. chybu přístupu (viz 5.)
2.1.2.2 Zapnutí všech smyček
Tímto příkazem jsou zapínány všechny smyčky se správně nastavenými parametry. Dojde-li k chybě přístupu, není chybové hlášení (chybová zpráva) vypisováno.
2.1.3 Programování
Příkaz vyvolává programové menu sloužící k tvorbě, opravám a uchování teplotních programů (viz 3.)
2.1.4 Ruční nastaveni příkonu
Příkaz je určen k ručnímu řízení příkonu aktuální pece. Před uvedením tohoto příkazu musí být vypnuta programová regulace příslušné pece (viz 2.1.2), jinak je hlášena chyba přístupu. Příkon pece se nastavuje v rozmezí 1 - 100 % s rozlišením na 1 %. Zadáním příkonu 0 % se ruční řízení vypíná.
2.1.5 Zadáni vzorkovací periody
Rezervovaný příkaz (viz 1.2.2.4) sloužící k nastavení vzorkovací periody aktuální pece. Nejvyšší nastavitelná hodnota je 2550 sekund. Nastavení se provádí s krokem 10 s, tj. zadání 255 odpovídá maximální nastavitelné hodnotě. Překročí-li zadáni maximální hodnotu je hlášena chyba parametru.
2.1.6 Zadání vstupní logické kombinace
Rezervovaný příkaz (viz 1.2.2.4) sloužící k nastavení logické hodnoty dvoubitového slova periodicky porovnávaného s příslušnými logickými signály příslušné pece. Pro spuštění programové regulace je nutné, aby toto slovo souhlasilo s hodnotami vstupních signálů.
2.1.7 Kalibrace ADP-1
Rezervovaný příkaz (viz 1.2.2.4) sloužící k nastavení konstanty převodu A/D převodníku. Digitálním voltmetrem s přesností lepší než 0,05 % se změří napětí mezi svorkami A5 (zem) a KAL. Hodnota tohoto napětí v mV se zadá jako vstupní údaj kalibrační funkce. Kalibraci je žádoucí provádět nejdříve 30 minut po zapnutí přístroje a není nutné ji provádět po každém zapnutí převodníku. Pozn: orientační hodnota kalibr. napětí 9,728 až 10 V.
2.1.8 Zadání přípustné doby výpadku
Rezervovaný příkaz (viz 1.2.2.4) sloužící k zadání přípustné doby výpadku elektrické energie. Je-li při vypnutí převodníku v některé pec zapnuta programová regulace, je po opětovném zapnutí (nebo obnovení dodávky elektrické energie) zjištěna doba výpadku. Je-li menší, než hodnota přípustné doby výpadku, zůstává programová regulace v činnosti. V opačném případě dojde k vypnutí. Doba výpadku se zadává v rozsahu 1 - 127 minut s rozlišením na 1 minutu.
2.1.9 Zadání typu termočlánku
Rezervovaný příkaz (viz 1.2.2.4) sloužící k volbě jednoho z pěti typů termočlánků. Připojování, odpojování a změnu termočlánku nelze provádět během programové regulace, nemá-li dojít k chybě přístupu.
2.1.10 Přiřazení programů
Rezervovaný příkaz (viz 1.2.2.4) sloužící k přiřazení již dříve vytvořeného teplotního programu dané peci.
Program, je přiřazen za těchto podmínek:
- číslo programu je v rozmezí 1-32
- daný program obsahuje nejméně jeden segment
- v aktuální smyčce neprobíhá programová regulace
2.1.11 Zobrazeni paramétrů regulace
Příkaz slouží k zobrazení tabulky vstupních parametrů měření a regulace všech smyček, typ termočlánku, zadaná vstupní logická kombinace, vzorkovací perioda, číslo teplotního programu a přípustná doba výpadku elektrické energie. Návrat viz 1.2.2.3.
2.1.12 Zobrazení stavu pecí
Příkazem je vyvolávána tabulka zobrazující průběžně stav všech pecí (viz 4.). Blikající dvojtečka označuje místo v němž probíhá regulace. Návrat viz 1.2.2.3.
2.1.13 Zobrazení tabulky chyb
Tento příkaz se používá, je-li v řádku 24 vypsáno hlášení "PORUCHA" (přetržení termočlánku, silné rušení, porucha regulace atd.). Po odeslání příkazu se zobrazí tabulka, v níž jsou pro jednotlivé pece uvedeny aktuální poruchy měření a regulace (viz 5.). Návrat viz 1.2.2.3.
3.1 Zadáni nutných parametrů
3.1.1 Zadání parametrů pro ruční řízení
Pro přechod k ručnímu řízení je zapotřebí zvolit příslušnou pec a vypnout programovou regulaci (pokud je zapnuta). Hodnota příkonu se zadává dle 2.1.2.
3.1.2 Zadání parametrů pro programovou regulaci
Před spuštěním programové regulace je nutno zadat tyto parametry:
- typ termočlánku (2.1.9)
- vzorkovací periodu (2.1.5)
- číslo příslušného regulačního programu (2.1.10)
3.2 Programování
3.2.1 Teplotní program
Požadovaný průběh teploty regulované soustavy v závislosti na čase je nutno aproximovat přímkovými
úseky, tzv. segmenty, navazujícími spojitě na sebe. Při aproximaci lze užívat tři druhy úseků
- nárůst
- výdrž
- pokles.
Každý segment je určen trojicí čísel
- pořadím v teplotním programu (1 - 127)
- dobou trvání (1 - 9999 minut)
- konečnou teplotou (dělení po 1°C)
Konečná teplota každého segmentu je zároveň počáteční teplotou segmentu následujícího. Počáteční teplota 1. segmentu je dána teplotou regulované soustavy při zahájení programové regulace.
Kapacita operační paměti RWM vyčleněné pro zápis teplotních programů umožňuje zápis nejvýše 512 segmentů, resp. 32 teplotních programů. Informace o volné kapacitě paměti se v průběhu programování neustále aktualizuje a zobrazuje.
3.2.2 Zápis teplotního programu
Podprogram pro zápis teplotního programu je z hlavního menu vyvoláván příkazem č.2 -"PROGRAMOVÁNÍ". Po vyvolání se objeví výzva "ZADEJ ČÍSLO PROGRAMU". Obsluha zadá číslo z intervalu 1-32 včetně. Překročení mezí intervalu způsobí hlášení "CHYBA PARAMETRU, PŘÍKAZ IGNOROVÁN". Poté lze volit nové číslo programu nebo z podprogramu vystoupit (viz 1.2.2.3)
Je-li číslo programu zvoleno správně, objeví se na obrazovce nabídkový seznam (menu) editačního podprogramu pro teplotní programy:
| 0. | ... | ZADEJ ČlSLO SEGMENTU |
| 1. | .R. | VYMAŽ SEGMENT |
| 2. | .R. | VLOŽ SEGMENT |
| 3. | .R. | PŘIDEJ SEGMENT |
| 4. | ... | ZOBRAZ DALŠÍ SEGMENT |
| 5. | ... | ZOBRAZ PŘEDCHOZÍ SEGMENT |
| 6. | .R. | MODIFIKUJ SEGMENT |
| 7. | .R. | VYMAŽ PROGRAM |
| 8. | ... | ZADEJ ČÍSLO PROGRAMU |
Pod touto nabídkou se vypíše číslo zvoleného programu, pořadí segmentu (při prvém průchodu vždy 1.).
Je-li segment již zadán, vypisuje se též jeho délka a teplota. Jedná-li se o poslední segment
programu, je teplota označena znakem "P". Jako poslední se vypisuje volná kapacita paměti RWM
rezervované pro teplotní programy. Celý editační řádek má tedy tvar:
PROG SEG CAS TEPLOTA REZERVA, kde
| PROG | - číslo programu (1-32) |
| SEG | - číslo segmentu (1-127) |
| CAS | - doba trvání segmentu v minutách (1-9999) |
| TEPLOTA | - konečná teplota segmentu (podle termočlánku) |
| REZERVA | - rezerva paměti (0-512) |
Příkazy označené R jsou rezervované a jsou přístupné až po otočení klíčkem do druhé polohy.
3.2.2.1 Příkaz 0
Pořadí segmentu lze zadávat pouze do velikosti délky programu. V případě zadání čísla mimo tento rozsah se objeví upozornění: "CHYBA PARAMETRU, PŘÍKAZ IGNOROVÁN" a obsluha má možnost znovu volit jednu z nabídek. Úspěšné zadání se projeví číslem v rubrice SEG editačního řádku a zobrazením příslušných hodnot času a teploty.
3.2.2.2 Příkaz 4
Je určen k posuvu o jeden segment vpřed v zapsaném teplotním programu délky d. Maximálně lze tímto příkazem dosáhnout pozice d.
3.2.2.3 Příkaz 5
Je určen k posuvu o jednu pozici (jeden segment) vzad v zapsaném teplotním programu. Nejnižší pozice, dosažitelná tímto příkazem, má číslo 1.
3.2.2.4 Příkaz 8
Slouží k zadání čísla programu. Zásady pro použití viz 3.2.2 - Vyvolání regulačního programu.
3.2.2.5 Příkaz 3R
Rezervovaný příkaz určený pro zápis nového segmentu bezprostředně za poslední zapsaný segment teplotního programu délky d (d < 127). Číslo segmentu tedy není nutno předem nastavovat. Pro nový segment se nejprve zadává čas v minutách, poté teplota ve stupních Celsia. Po ukončení vstupu se automaticky sníží velikost kapacity volné paměti v kolonce "REZERVA". Zadaný segment se zobrazí (včetně pořadí) doplněn o znak "P".
3.2.2.6 Příkaz 6R
Rezervovaný příkaz určený pro modifikaci již zapsaného segmentu (s pořadím 1 až d). Při pokusu o úpravu segmentu mimo povolenou oblast je příkaz ignorován. Po správném zadání se po ukončení vstupu zobrazí čas a teplota nově zadaného segmentu.
3.2.2.7 Příkaz 2R
Rezervovaný příkaz určený pro vkládání segmentů do již napsaného programu délky d (d < 127). Vložený segment je uložen na předem zvolenou pozici a všechny následující segmenty se posunou o jeden segment dále, přičemž se pořadí segmentů přečísluje. Rezerva se zmenší o 1.
3.2.2.8 Příkaz 1R
Rezervovaný příkaz určený ke zrušení právě nastaveného segmentu. Všechny vyšší segmenty se posunou o jeden dolů a jejich pořadí se přečísluje. Rezerva se zvětší o 1.
3.2.2.9 Příkaz 7R
Rezervovaný příkaz určený ke zrušení celého teplotního programu, jehož číslo je zobrazeno v rubrice PROG. Rezerva se zvětší o délku (počet segmentů) zrušeného programu. Číslo tohoto programu zůstává zobrazeno, pořadí se nastaví na 1. segment a kolonky "ČAS" a "TEPLOTA" jsou prázdné.
3.2.2.10 Návrat do hlavního menu
viz 1.2.2.3 (klávesa M)
Tato tabulka informuje obsluhu o pěti parametrech pecí. Celkem se zobrazuje šest sloupců:
N T P SG ČAS TW, kde
| N | - číslo měřícího kanálu (orientační údaj 1-8) |
| T | - sloupec v němž je při připojeném čidle každých 10 sekund aktualizována naměřená teplota (s rozlišením 1°C). Není-li v některém kanále přiřazen termočlánek, zobrazuje se nula |
| P | - procento příkonu právě přiváděného do soustavy |
| SG | - pořadí (číslo) právě probíhajícího segmentu |
| ČAS | - doba uběhlá od počátku segmentu (v minutách a desítkách sekund) |
| TW | - momentální žádaná teplota vypočítaná ze zadaného teplotního programu, aktualizovaná po 10 sekundách. |
Není-li spuštěna programová regulace, jsou ve sloupcích SG, ČAS a TW uvedeny nuly a tyto sloupce jsou též nulovány ukončením programové regulace (vyčerpáním teplotního programu nebo na příkaz obsluhy) a to společně se sloupcem P.
Diagnostický systém zařízení umožňuje odhalit a indikovat chyby měření, některé chyby z oblasti regulace a též chyby systému.
Z chyb měření lze identifikovat přerušení termočlánku, překročení měřícího rozsahu nebo chybu vstupního převodu. Chyba vstupního převodu jé indikována v případě nepřípustného rozptylu z několika bezprostředně následujících čtení z A/D převodníku.
Je-li zjištěna některá z těchto poruch, objeví se v dolní části displeje nápis "PORUCHA".
V případě, že v kanále s poruchou měření probíhá programová regulace, zastaví se inkrementace času a tím i automatická regulace a to až do okamžiku obnovení měření. Zároveň, na dobu trvání poruchy na měřícím kanále, přejde příslušný logický výstup LO nl (n = 1 až 8) z úrovně L na úroveň H (výstup LO n2 je pouze připraven pro případné použití a je trvale držen na úrovni L).
Součástí měření teploty v jednotlivých kanálech je také periodické měření teploty studeného (referenčního) konce připojených termočlánků.
V případě poruchy tohoto měření je vydána na displeji informace "CHYBA KOMPENZACE" a až do obnovení funkce tohoto měření je pro zachování alespoň přibližné teploty dosazována teplota z paměti EPROM (odpovídající experimentálně zjištěné teplo tě studeného konce při běžných provozních podmínkách).
Další možnou poruchou je nesouhlas zadané a vstupní logické kombinace, podmiňující spuštění programové regulace.
Jako porucha jsou rovněž vyhodnocovány ty případy, kdy algoritmus programové regulace vypočítá ze zadaného teplotního programu takové řízení (tj. takové procento příkonu regulované soustavy), které je fyzikálně nereálné (tj. příliš velké oteplení nebo ochlazení). Pokud se jedná pouze o mírné vybočení z reálných hodnot, je vydáváno upozornění. Teprve při větším vybočení je hlášeno vážné varování.
Tato vybočení mohou mít různé příčiny. Jednou z nich je příliš krátká vzorkovací perioda. Pro tento případ je typická oscilace mezi snižováním a zvyšováním teploty s periodou rovnou několika periodám vzorkovacím.
Další možnou příčinou může být chybně sestavený program, konkrétně zadání segmentu s nárůstem nebo poklesem teploty v dané soustavě a zadaném čase nedosažitelným.
Jinou možnou příčinou může být chybně umístěný termočlánek, tedy případ, kdy měřená teplota neodpovídá, teplotě skutečné. Konečně poslední mošnou příčinou je porucha v topné soustavě (porucha topného článku, vypadlý jistič, atd.).
Výše uvedené poruchy jsou hlášeny pouze formou výpisu na displeji a slouží především pro období nastavování parametrů regulace.
Cílem diagnostiky APS-5 je indikace poruchy a tím vyloučení možnosti "zběhnutí" programu, které by mohlo mít za následek poškození připojeného regulovaného systému.
V žádném případě diagnostika nemůže zvýšit odolnost systému vůči poruchám hardware (silové rušení, poruchy zdroje atp.).
V takovém případě by se opakovaně objevovala na monitoru "CHYBA 0".
5.1 Vážné chyby systému
Jedná se o chyby vznikající při zapnutí převodníku APS-5 nebo během jeho činnosti a to o chyby natolik závažné, že vedou k přerušení činnosti.
5.1.1 Chyba 0 - neidentifikovatelná chyba
Tato chyba je hlášena v případě, kdy nedojde k znovu spuštění obvodu watch dog. Příčinu nelze jednoznačně identifikovat.
5.1.2 Chyba 1 - chyba přerušovacího systému
K této chybě dochází zahlcením přerušovacího systému v důsledku vícenásobného zastoupení jedné žádosti o přerušení ve vstupní frontě žádostí o přerušení. Příčinu nelze jednoznačně identifikovat.
5.1.3 Chyba. 2 - chyba A/D převodníku
Chyba signalizuje nesprávnou činnost A/D převodníku na desce ADP-1 zjištěnou při automatické interní kalibraci.
5.1.4 Chyba 3 - chyba pamětí EPROM
Chyba oznamuje ztrátu informace z paměti EPROM (Paměť EPROM v systému je rozdělena do tří bloků testovaných vždy po 40 sekundách pomocí kontrolních součtů bloků dlouhých 256 byte. Je-li v testu zjištěn alespoň jeden chybný součet, je hlášena chyba).
5.1.5 Chyba 4 - chyba paměti RWM (RAM)
Chyba oznamuje ztrátu funkce alespoň jednoho, byte paměti RWM-RAM. Test je prováděn vždy po zapnutí APS-5 a dále periodicky po 40 sekundách.
5.1.6 Chyba 5 - chyba generátorů přerušovacích impulsů
K této chybě dochází, je-li přijata žádost o přerušení, avšak v přerušovacím systému nelze identifikovat číslo příslušné žádosti (silné rušení, chyba generátorů na desce RTC-1).
5.1.7 Chyba 6 - chyba hlídacího MKO
Tato chyba je hlášena dojde-li během testu WD (po zapnutí převodníku) ke zjištění chyby obvodu watch dog na desce HRK-1B.
5.1.8 Chyba 7 - chyba ukazatele zásobníku
Od spuštění APS-5 je pravidelně (s periodou 20 ms) testována poloha ukazatele zásobníku. Pokud ukazatel vybočí z předepsaného rozsahu, je signalizována chyba 7. Příčinu nelze jednoznačně určit.
5.2 Chyby vznikající během vyhodnocováni příkazů
5.2.1 Chyby přístupu
Jedná se o situaci, v níž není přípustné provedení určitého příkazu. Např. před spuštěním programové regulace není zadán typ termočlánku atd., nebo je požadována určitá změna (typu termočlánku, vzorkovací periody, čísla programu) v průběhu regulace. V těchto případech je do 21. řádku vypsána zpráva "CHYBA PŘÍSTUPU, PRIKAZ IGNOROVÁN", je vypsáno menu a převodník očekává zadání nového příkazu.
5.2.2 Chyba parametru
Tato chyba je vyhodnocena v případě, kdy za daný parametr vybočil z povolených mezí (z předepsaného rozsahu). Chybná hodnota je ignorována na obrazovce se vypíše hlášení "CHYBA PARAMETRU, PRIKAZ IGNOROVÁN" do 21. řádku a je vypsáno příslušné menu (příkazové nebo programové).
5.3 Chyby způsobené výpadkem napájení
5.3.1 Ztráta teplotních programů
Dojde-li k výpadku napájení při operacích mazání programu, mazání segmentu, vkládání segmentu, může dojít ke ztrátě všech teplotních pro gramů uložených v paměti převodníku. V tom případě je po zapnutí převodníku vypsána do 23. řádku zpráva "ZTRATA VŠECH PROGRAMU", jsou vypnuty všechny pece pracující v režimu programové regulace, signály "PORUCHA" všech smyček jsou nastaveny do aktivního stavu, je zrušeno přiřazení teplotních programů jednotlivým pecím a potřebné teplotní programy je nutno znovu naprogramovat.
5.3.2 Vypnutí pece
Dojde-li k výpadku napájení v průběhu regulace a adaptace některé pece pracující v režimu programové regulace, může po obnovení dodávky elektrické energie dojít k vypnutí této pece. V tomto případě je do 23. řádku vypsáno hlášení "VYPNUTI PECE n" (n je číslo pece) a signál "PORUCHA" je u této pece nastaven do aktivního stavu. Programovou regulaci této pece lze spustit bud's původním teplotním programem nebo s programem novým, respektujícím již vykonanou část programu původního.
5.4 Pokles napětí záložního zdroje
Tento stav je signalizován ve 24. řádku zprávou "UB< 4,1V". V tom případě je zapotřebí vyměnit záložní zdroj (baterii v předním panelu. Tuto výměnu je nutno vždy (!) provádět v zapnutém stavu, jinak dojde ke ztrátě všech programů a nastavených parametrů ! ! !
Při zapnutí převodníku může jít o tzv. studený nebo teplý start. Studený start probíhá při prvním zapnutí převodníku (po instalaci nebo vážné chybě převodníku). V jeho průběhu jsou vymazány všechny paměti určené k uchování teplotních programů a parametrů měření a regulace (zpravidla jsou nastaveny nulové hodnoty). Dále následuje test funkčních celků převodníku (test RWM-RAM, test EPROM, test watch dog, kalibrace a test A/D převodníku). Pokud je během testu zjištěna závažná chyba, vypíše se zpráva "CHYBA INICIALIZACE" a vstupní signály "porucha" jsou nastaveny do aktivní úrovně (H). Stiskem M ——> je start zahájen opět od počátku.
Nastavení parametrů při studeném startu:
- termočlánky odpojeny
- vzorkovací perioda Tvz =0
- přípustná doba výpadku Tvyp = 0
- teplotní programy vymazány
- přiřazení programů zrušeno
- vstupní logická kombinace LI1 = H, LI2 = H
- programová regulace vypnuta
- ruční nastavení příkonu vypnuto.
Teplý start je nejčastějším procesem po zapnutí převodníku. Na rozdíl od studeného startu nemaže
vložené parametry a programy, avšak rovněž provádí test. Pokud během testu dojde ke zjištění
chyby, je vypsána příslušná zpráva a převodník očekává přechod ke studenému startu. Nedojde-li
při testu hardware k chybě, následuje test stavu řízeného procesu. Výsledek této druhé části
testu závisí na:
- době vypnutí převodníku
- nastavené době výpadku
- zapnutí ručního řízení nebo programové regulace.
Na závěr je zobrazeno příkazové menu a převodník očekává pokyny obsluhy.
Pozn.: Pokračuje-li regulace některé smyčky, resp. více smyček, není doba trvání právě probíhajícího segmentu zvětšena o dobu trvání výpadku, ale pokračuje s časem, v němž k výpadku došlo.
Před zahájením regulace, v kterémkoli z kanálů, musí být zadán (naprogramován) průběh teplotního cyklu, typ použitého termočlánku a vzorkovací perioda. Průběh teplotního cyklu musí být rozložen na úseky, tzv. segmenty (max. 127) a každý z těchto segmentů musí být aproximován jednou přímkou. Segment je charakterizován délkou trvání a požadovanou teplotou na konci segmentu. Doba trvání je zadávána v minutách v rozmezí 0 - 9999 minut s dělením po 1 minutě.
Rozsah teplot je určen přípustným rozsahem použitého termočlánku a dělení je po 1°C. Programování teplotních hodnot ležících pod dolní hranicí teplot termočlánku vede ke snížení přesnosti regulace, zadávání teplot nad horní hranici vede zpravidla k destrukci termočlánku. Okamžitou požadovanou teplotu mezi krajními hodnotami segmentu stanovuje program pomocí lineární interpolace.
Při sestavování programu je třeba dbát zejména na to, aby v úsecích s požadovaným poklesem nebo nárůstem teploty nebyla překročena mezní rychlost změny teploty daná dynamikou soustavy. Nedodržení této zásady vede k vyčerpání výkonové rezervy regulátoru, tzv. ke stavu, kdy přechodové děje jsou ovlivňovány pouze fyzikálními ději v soustavě samé a nikoliv regulátorem. Jsou-li kladeny nároky na přesnost regulace i během přechodových dějů, je zapotřebí programovat požadované teplotní změny co nejdále od změn mezních. Z toho důvodu je zapotřebí znát přechodnou funkci tepelné soustavy a to pro obě změny (vzestup i pokles). Je to z toho důvodu, že při dvoupolohové regulaci je pouze vzestup teploty ovlivnitelný množstvím přiváděné energie a proto oba přechodné děje mají obecně rozdílné časové konstanty.
Při volbě vzorkovací periody je rovněž žádoucí (v zájmu optimálního průběhu regulačních dějů) znát přechodové funkce soustavy. Vzorkovací periodu je vhodné volit mezi jednou dvacetinou až jednou sedminou významné části pomalejšího přechodného děje. Vzhledem k tomuto požadavku na vzorkovací periodu a programovým možnostem (zadávání periody po krocích 10 s) převodníku APS-5 lze stanovit, že tímto převodníkem lze ovládat takové tepelné soustavy, jejichž významná část přechodného děje je delší než 240 s a kratší než 750 minut. Programování vzorkovací periody mimo tyto meze vede k prodlužování doby regulace.
Pozn.: Významná část přechodové funkce je úsek mezi body, v nichž odezva na skokový vstupní signál nabývá 10 % a 90 % hodnoty ustálené.
Signalizace
Pro zabezpečení technologických zařízení doporučujeme použít logických vstupů, výstupů nebo havarijního relé RP 210 pro akustickou signalizaci poruch.
Přístroj APS-5 je určen pro zabudování do rozváděčové skříně a to ve vodorovné poloze. V prostoru umístění přístroje nesmí být žádným způsobem zamezováno cirkulaci vzduchu. Přístroj je schopen plnit svou funkci okamžitě po zapnutí napájení.
Analogové vstupní signály jsou přiváděny na svorky izotermické svorkovnice (IS) označené pro každý kanál příslušným číslem a symboly + a -. Vstupní signály se mohou pohybovat v rozmezí od -10 mV do +100 mV a musí být ke svorkám IS přivedeny kompenzačním vedením tak, aby kladný pól termoelektrického napětí byl přiveden na svorku + a záporný na svorku - (při teplotě měřícího konce vyšší než teplotě konce kompenzačního) Odpovídajícího kanálu. Maximální průřez vodičů použitého kompenzačního vedený smí být 2,5 mm2.
K těmto svorkám se připojuje stínění termočlánků, resp. kompenzačního vedení každého kanálu.
K těmto svorkám se připojuje vnější drátěné opletení kompenzačního vedení. Má-li použitý termočlánek dvojitou izolaci a je-li bezpečně oddělen od sítě, podle ČSN 18 0003 čl. 15, nemusí být ochranná svorka zapojena. Příklad zapojení jednotlivého kanálu viz obr. 1
Tyto vstupy jsou vyvedeny na konektoru XS1 svorkovnicového pole a jsou číslovány 1a, 1b až 8a, 8b. Číslo je vždy shodné s číslem kanálu, písmeno a odpovídá pořadí vstupu 1, písmeno b pořadí vstupu 2. Vývody 10a, b až 13a, b mají nulový potenciál (zem).
Tyto výstupy jsou vyvedeny na konektor XS2 svorkovnicového pole a jejich číslování je plně ekvivalentní číslování logických vstupů.
Tyto výstupy tvořené kontakty výstupních relé desky DRV-1A jsou vyvedeny na konektor XP-4.
Zapojení jednotlivého kanálu - příklad:
a) Kompenzační vedení se stíněním:
Ochranná svorka se nezapojuje při použití termočlánku a dvojitou izolací, je-li bezpečně oddělen od sítě podle ČSN 18 0003 čl. 15.
b) Kompenzační vedení se stíněním a drátěným ochranným opletením:
| špička XP 4 | číslo kanálu | označení na schématu |
| 1b | RO-1-I | S1 |
| 2b | RO-1-II | |
| 4b | RO-2-I | S2 |
| 5b | RO-2-II | |
| 7b | RO-3-I | S3 |
| 8b | RO-3-II | |
| 10b | RO-4-I | S4 |
| 11b | RO-4-II | |
| 2a | RO-5-I | S5 |
| 3a | RO-5-II | |
| 5a | RO-6-I | S6 |
| 6a | RO-6-II | |
| 8a | RO-7-I | S7 |
| 9a | RO-7-II | |
| 11a | RO-8-I | S8 |
| 12a | RO-8-II |
Kontakty relé RP 210 (K1, K2, K0) z desky HRK-1B.
jsou vyvedeny na konektor XS 3 a to relé K1 na 1a, K2 na 2a a KO na 3a. Pokud je regulátor teploty zapnut a nenachází se v havarijním stavu, je kontakt mezi K0 a K2 sepnut, kontakt mezi K0 a K1 rozepnut. V havarijním stavu (výpadek napájení, chyba programu) sepne kontakt mezi K0 a K1 a kontakt mezi K0 a K2 rozepne.
Kalibrační napětí z desky ADP-1 (XC3 : 2) je vyvedeno na svorku XS3 : 5b a příslušný nulový potenciál na svorku XS3 : 5a.
U1 - analogový výstup z DMT-1 (XC3 : 15) je vyvedeno na XS3 : 7b.
U2 - měření teploty izotermické svorkovnice je vyvedeno na XS3 : 8b.
0V - zem z DMT-1 (XC3 : 3,4) je vyvedeno na XS3 : 7a, 8a.
Tento výstup je určen pro připojení zobrazovací jednotky ZJS-1 a je vyveden na konektor X11 (typ 6AF 282 05) a to na X11 : 1 videosignál (z AND-1 X2 : 30) na XII : 2 zem (z AND-1 X2 : 27).
Baterie zajišťují napěťové zálohování, pro paměť RWM-RAM a údaje o probíhajícím čase, je uložena v pouzdru čelního panelu. Výměnu baterie je žádoucí provádět v době provozu APS-5, jinak dojde ke ztrátě dat i teplotních programů. Stav záložního zdroje (plochá baterie 314, příp. 3R12, na 4,5 V) je indikován v pravém dolním rohu obrazovky ZJS-1. Pokud se napětí baterie pohybuje v rozmezí od 4,1 do 4,5 V, není vypisován žádný varovný údaj. Poklesne-li napětí na úroveň 4,1 V, objeví se v témže místě upozornění UD < 4,1 V. Od okamžiku výpisu tohoto hlášení je zaručeno, že ještě 168 hodin může záložní zdroj krýt spotřebu napěťově zálohovaných částí APS-5. Pokud se výše uvedené upozornění objeví ihned po zapnutí, je zapotřebí od 168 hodin odečíst dobu trvání posledního vyřazení regulátoru z provozu. Není-li tato doba známá, doporučujeme záložní zdroj vyměnit ihned.
Pozn.: Desky RTC-1 a CRM-1 mohou mít vlastní záložní zdroje. Držáky těchto zdrojů jsou univerzální a lze v nich umístit 2 nebo 3 články s průměry 9,5 mm, 11,5 mm a 15,5 mm. Doporučené typy článků jsou SR 44, SR 45, 5105, DK 60 VARTA. V sestavě APS-5 nejsou záložní baterie na deskách RTC-1 a CRM-1 osazeny.
| 1 | ks | šňůra přívodní | 6XK 760 09/Z |
| 2 | ks | vložka pojistková | T1, 25/35A CSN 35 4733 |
| 1 | ks | list balící | 6XV 115 47 |
| 3 | ks | kryt | 6XF 698 53 |
| 1 | ks | kryt upravený | 6XF 698 54 |
| 1 | ks | zásuvka přístrojová 26 pólová | TPF 18-06-04-06/66 |
| 1 | ks | vidlice přístrojová 26 pólová | TPF 18-06-04-06/66 |
| 14 | ks | šroub M4 x 10 | ČSN 02 1131.2 |
| 14 | ks | podložka 4,3 | ČSN 02 1744.0 |
Servis zajišťuje TESLA ELTOS DIZ.
Skladovací prostor musí být suchý, dobře větraný, bez mechanických otřesů a chemických vlivů. Skladovací teplota musí být v rozmezí - 5°C až + 40°C a relativní vlhkost nesmí překročit 75 %. Výrobek musí být skladován v neporušeném obalu.
Při vybalování je nutné ponechat výrobek v přepravním obalu 4 až 5 hodin v pracovních podmínkách, aby nedošlo k orosení.
Výrobce ručí odběrateli za jakost výrobku po dobu 9 měsíců ode dne uvedení do provozu, nejdéle však po dobu 18 měsíců ode dne splnění dodávky ve smyslu TPTE 82-223/86.
| č. | vstupy/výstupy | vodič | poznámka |
| 1. | Logické a ostatní | LáU 0,15 ČSN 347713 | doporučeno |
| 2. | Reléové výstupy R0 | CYA 0,35 ČSN 347445 | předepsáno NUTNO DODRŽET ! |
| 3. | Izotermická svorkovnice | Termočlánky, resp. kompenzační vedení | Rozměry komp. vedení |
| a) se zvýšenou izolací | 1,4 x 1,0 až | ||
| b) s ochranou nulováním | 7,3 x 5 | ||
| 4. | TV (ZJS-1) | 2 WK 641 00 | kabel |
Použité termočlánky uvedené v kapitole "POPIS" musí mít vnější plášt galvanicky oddělen od obou elektrod.
:20000000C33B000000000000C3C9140000000000C3C9140000000000C3C914000000000002 :20002000C3C9140000000000C3C9140000000000C3C9140000000000C3C914AF3200303AF5 :2000400049E2FE5AC250003E013249E23236E2C931FFEF3A40E2FEA5CA97003A39E2FEAAE0 :20006000CAF101FE5ACAF1013A39E2FE55CA73003E5A213EAA3239E2CD2F133EA53240E297 :200080003E01CDE213119E022140380E3FCDA86C3E063240E2F376AF3240E2CD67143A3928 :2000A000E2FEAACAB1002167E236412336002336403E04323CE2320030CD2103FBCD1D148A :2000C000CD4C12CD7712CDA212CDCB12CDF1123A39E2FEAACAEF00CD2914CD4714AF32419A :2000E000E2324AE2323AE2CD50E23EAA3239E23A49E2FEA5C22101CD47140E082185E2117B :200100002C00197EE6DE770DC202011154030E3FCDA26CAF3249E22F324AE23241E2C3E9E5 :2001200001FE55C25F013A4FE22185E2CD5C147EE6FE77116D030E3FCDA26C3A4FE23C5F91 :20014000AF573C21A63DCD56683A4FE2473E800705F24F01324AE2AF3249E22F3241E22101 :2001600085E2112C000E08197EE641C275010DC26701C3E901CDC4133A3FE2A7C29B013AAD :200180003EE2E6F0C29B012A3DE20E057CA71F677D1F6F0DC28C01EB06FF2106BE3E074F36 :2001A0002198E2CD5C147BBEF5792185E2CD5C14F17EDAB701E6BEA077793DF29F01324184 :2001C000E2C5D51139030E3FCDA26CD1C104C2E9017BA7C2D7011C21913D16003E03CD56AB :2001E00068114D030E3FCDA26CAF3D3233E2C37D03AF320024320028D3770E643A002CB760 :20020000F2C0020DC2FC013E5A3239E2AF2F324AE2CD67143E02323CE2320030CD2103FB17 :20022000CD1D142140E27E3600E6075F160021580219195E23562140380E3FCDA86C11B05B :20024000020E3FCDA26C3E01218D38CDA41BAF324AE23249E2C36800680271027A02830250 :200260008C0295029E02A70243485942412030FFFF43485942412031FFFF4348594241201E :2002800032FFFF43485942412033FFFF43485942412034FFFF43485942412035FFFF434878 :2002A0005942412036FFFF43485942412037FFFF8038494E494349414C495A414345FFFF37 :2002C0003A39E2FE5ACAE3023E553239E23A2FE23DE607324FE2AF323DE2323EE2323FE265 :2002E000CDA51301FFFF11002C3E8012AF12213BE27E2F77BECAF902760B78B1C2E6023A39 :2003000039E2FE5ACA97003EAA3239E231FFEFCD67143E04323CE2320030CD2103FBC3E9E1 :20032000013A002C2FE670C22103C9F33240E2AF320024320028D37776803D56595041447B :20034000454B204E4150414A454E49FFFF963D4D494EFFFF803D5A54524154412056534553 :2003600043482050524F4752414D55FFFF9A3D5659504E5554492050454345FFFFCD231412 :2003800011590E0E3FCDA26C3A41E2A7C29A0311490521803D0E3FCDA86CAF3241E2114991 :2003A0000521003D0E3FCDA86C3A1AE2A7CACF0321003D11F204FE01CAC603111505FE0211 :2003C000CAC6031137050E3FCDA86CAF321AE221C03B3E02CDA41BAF324AE2D5C5CD23149F :2003E000C1D179FE0DCA7D037BFE0AD2F903FE04DAF90379FE12C2ED047BFE4BC20B043A69 :200400003AE22FE601323AE2C37D03FE4CC21C043A3AE22FE602323AE2C37D03FE21C227E7 :2004200004CD001EC31B0EFE0DD27D03FE0ACAFF0DFE0BCA080EFE0CCA500EF5CDB504F11F :2004400047874F8780816F2600116F04195E2356D5237EF5235E2356D5235E23560E3FCDA0 :20046000A26CE1F1CDA41B79FE0DC0D1C3ED0473050157398305B30501803A4C06E7060202 :20048000DC389E09100B0347393F0B630B034C39880BB50B014939EE0B2B0C044A39510CD9 :2004A000720C034D39890CBA0C01003B0B0D970D025C39CB0D11CD040E3FCDA26C3A34E219 :2004C0003C5F16003E01215038CD5668C94038414B5455414C4E4920504543202E2EFFFFEC :2004E0003E01321AE2C37D033E02C3E2043E03C3E204434859424120504152414D45545296 :20050000552C205052494B415A2049474E4F524F56414EFFFF43485942412050524953547F :200520005550552C205052494B415A2049474E4F524F56414EFFFF5052494B415A20494752 :200540004E4F524F56414EFFFF20202020202020202020202020202020202020202020209A :200560002020202020202020202020202020202020FFFF7B3DFAE004FE08D2E0043234E2C3 :20058000C37D03C038564F4C424120414B5455414C4E492050454345FF40395A4144454A10 :2005A000204349534C4F20504543452028312D3829FFFF3A34E22185E2CD5C147BB7CAD37B :2005C00005FE01CADC05FE02CA0506FE03CA1906C3E0043EFEF3A6FB77C37D037EE61EFEFC :2005E0001EC2E8043A34E22195E2CD5C147EE680C2E8043A34E22185E2CD5C143E01B6E688 :20060000BF77C37D032185E2112C000E08197EE6FE770DC20D06C37D033E074F2185E2CD86 :200620005C147EE61EFE1EC24406792195E2CD5C147EE680C24406792185E2CD5C147EF6B0 :2006400001E6BF77793DF21B06C37D03C0385A41504E5554492F5659504E5554492050521E :200660004F4752414D4F564520524547554C414345FF403930202E2E2E20414B5455414C7E :200680004E4920504543205659504E555441FF803931202E2E2E20414B5455414C4E492048 :2006A000504543205A41504E555441FFC03932202E2E2E2056534543484E592050454345CE :2006C000205659504E555459FF003A33202E2E2E2056534543484E592050454345205A415D :2006E000504E555459FFFF3E013243E23246E27BA7CAD407FE21D2D4073246E2CDD5193292 :2007000042E2CD231411BE090E3FCDA26C3A19E2A7CA330721003D11F204FE01CA2A071161 :200720001505FE02CA2A071137050E3FCDA86CAF3219E22A46E2EB21813B16003E02CD56BA :20074000682A43E2EB21863B16003E03CD56683A42E2A7CA8407CDE7195E235623E5218A82 :200760003B3E04CD5668E15E235621933B3E04CD56683A42E22143E2BEC2840711E6070E42 :200780003FCDA26C2A44E2EB3E03219F3BCD566821003C3E02CDA41BE5D5C50E3F114905E9 :2007A00021003DCDA86CC1D1E179FE0DCA7D037BFE09D2FC0621C2075F160019197E2366CB :2007C0006FE9EB071408460878089D08AF08BE08E80819093E013219E2C3FC063E02C3D6A7 :2007E000073E03C3D607983B50FFFF0E3F11E00ACDA26C21903C3E03CDA41B79FE0DCAEDD8 :00000001FF
:20000000043A42E23CBBDAD4077BA7CAD4073243E2C3FC0679FE12C2E107CD7609DADC07B3 :200020002142E27EA7CAD407E53E903224E4CD6909E13A43E2FE01CAFC06BEDAFC067E3D25 :200040003243E2C3FC0679FE12C2E107CD7609DADC073A42E2A7CAD4072A44E27DB4CAD47F :20006000073A43E2FE7FCAD4073E04CD21093A43E23C3243E2C3FC0679FE12C2E1072A4467 :20008000E27DB4CAD4073A43E2FE7FCAD4073E40CD21093A42E23C3243E2C3FC063A42E29E :2000A0004F3A43E2B9D2D4073C3243E2C3FC063A43E2FE01CAD4073D3243E2C3FC0679FE01 :2000C00012C2E107CD7609DADC073A42E2A7CAD4073E20CD21093A42E2473A43E2B8CAFCDA :2000E000063C3243E2C3FC0679FE12C2E1073A43E2F53E013243E2CD7609C1783243E2DACF :20010000DC073A42E2A7CAD4073E883224E4CD69093E013243E2C3FC06CD23143E02C33B76 :20012000042124E47711F40A0E3FCDA26C218B3C3E05CDA41B79FE0DCA72097BB2CA7209F2 :200140002125E473237211030B0E3FCDA26C21CB3C3E04CDA41B79FE0DCA72092127E473C8 :2001600023722124E43E80B6773A24E4E680C26909C9D1C3E1073E074F219AE2CD5C143A0D :2001800046E2BEC29809792178E2CD5C147EA7CA98093A43E23DBED8793DF27809C9C03839 :2001A0005A4144454A204349534C4F2050524F4752414D552028312D33322920FFFF4038E0 :2001C00050524F4752414D4F56414E4920FFC03830202E2E2E205A4144454A204349534CC0 :2001E0004F205345474D454E5455FF003931202E522E2056594D415A205345474D454E5407 :20020000FF403932202E522E20564C4F5A205345474D454E54FF803933202E522E2050524D :200220004944454A205345474D454E54FFC03934202E2E2E205A4F4252415A2044414C535D :2002400049205345474D454E54FF003A35202E2E2E205A4F4252415A205052454443484FED :200260005A49205345474D454E54FF403A36202E522E204D4F444946494B554A205345476A :200280004D454E54FF803A37202E522E2056594D415A2050524F4752414DFFC03A38202EFE :2002A0002E2E205A4144454A204349534C4F2050524F4752414D55FF403B50524F4720203B :2002C000534547202043415320205445504C4F544120202020202052455A45525641FFFFF2 :2002E000803C4349534C4F205345474D454E54553A20FFFF803C434153205B4D494E5D3A5F :2003000020FFFFC03C5445504C4F54413A20FFFF7AA7C2E0047BA7FAE004FE65D2E0043A38 :2003200034E22185E2CD5C147EE601C2E8043E40B6772199E23A34E2CD5C1473C37D03C085 :20034000385255434E49204E4153544156454E49205052494B4F4E55FF4039505B255D200E :200360003DFFFF3A34E22185E2CD5C143E01A6C2E8047AA7C2E0047EF602773A34E22196DF :20038000E2CD5C1473C37D03C0385A4144414E4920565A4F524B4F5641434920504552495B :2003A0004F445920FF403954565A205B3130535D203D20FFFF7BFE02D2E0040FF5111E0C3E :2003C0000E3FCDA26C2189393E01CDA41B79FE0DC1CA7D037BFE02D2E004B00F473A34E231 :2003E000218BE2CD5C147EE63FB077C37D03C0385A4144414E492056535455504E49204CB1 :200400004F4749434B45204B4F4D42494E414345FF40394C49202D2031203D20FFFF8039A2 :200420004C49202D2032203D20FFFF7AFE26DAE004EB2262E23E05CD4713F2A013CDCA18A2 :200440003E06CD4713F2A013CDD618CDF112C37D03C0384B414C4942524143452041445053 :20046000202D2031FF403955205B4D565D203D20FFFF7AA7C2E0047BA7FAE0043A34E221E3 :2004800098E2CD5C1473C37D03C0385A4144414E4920505249505553544E4520444F425908 :2004A0002056595041444B55FF403954565950205B4D494E5D203D20FFFF7BFE07D2E004C0 :2004C0003A34E22185E2CD5C143E01A6C2E8043A34E2218BE2CD5C147EE6E0773A34E2212D :2004E00085E2CD5C147EE6EB777BA7CA7D037EF610773A34E2218BE2CD5C147BFE043E1045 :20050000D2050D3E08B6B377C37D03C0385A4144414E492054595055205445524D4F434C37 :20052000414E4B55FF403930202E2E2E205653545550204E455A41504F4A454EFF803931C5 :20054000202E2E2E204645202D204B4FFFC03932202E2E2E204348202D204BFF003A33207C :200560002E2E2E204348202D2041FF403A34202E2E2E20505452483130202D205054FF80F2 :200580003A35202E2E2E20505452483330202D205054524836FFFF7BFE21D2E004A7CAE001 :2005A00004D57BCDD819D1A7CAE0043A34E22185E2CD5C143E01A6C2E8043E08B6773A347A :2005C000E2219AE2CD5C1473C37D03C03850524952415A454E492050524F4752414D55FF71 :2005E00040395A4144454A204349534C4F2050524F4752414D552028312D333229FFFFCDEE :20060000906BCDC41CC31B0ECD306C3EFF3235E23E07F5CD841AF13DF2120E11320E0E3FD4 :20062000CDA26C215C3D3E01CDA41BAF3235E2C37D03403D5659564F4C414E49204D454E2A :2006400055204B4C415645534F55203C4D3EFFFFCD446DCD991CC31B0E40382030202E2EA6 :200660002E20564F4C424120414B5455414C4E492050454345FF80382031202E2E2E205AD6 :2006800041502F5659502050524F4752414D4F564520524547554C414345FFC038203220A8 :2006A0002E2E2E2050524F4752414D4F56414E49FF00392033202E2E2E205255434E492005 :2006C0004E4153544156454E49205052494B4F4E55FF40392034202E522E205A4144414E01 :2006E0004920565A4F524B4F5641434920504552494F4459FF80392035202E522E205A41B1 :2007000044414E492056535455504E49204C4F4749434B45204B4F4D42494E414345FFC0DE :20072000392036202E522E204B414C49425241434520414450202D2031FF003A2037202E4D :20074000522E205A4144414E4920505249505553544E4520444F42592056595041444B55C6 :20076000FF403A2038202E522E205A4144414E492054595055205445524D4F434C414E4B81 :2007800055FF803A2039202E522E2050524952415A454E492050524F4752414D55FFC03ACA :2007A0003130202E2E2E205A4F4252415A454E4920504152414D4554525520524547554CEA :2007C000414345FF003B3131202E2E2E205A4F4252415A454E49205354415655205045438B :2007E00049FF403B3132202E2E2E205A4F4252415A454E4920544142554C4B5920504F5208 :00000001FF
:20000000554348FFFF3A33E2A7C8CD56E23EA53249E2CD1719AF3249E23A2FE2FE09C239A9 :2000200010AF322FE23A1BE2A7C4F1123A32E23CE63F3232E2C0C3F112FE08CA69110E0145 :20004000CDF3133A2FE22195E2CD5C143A95E2E68F773A2FE2217CE2CD5C14AF7723772326 :2000600077322EE23A85E2E610F5CA82103E80D38007060ACDE4133A8BE2E618212FE28696 :20008000D3803A2FE23DE6070E01CDF313CD441DCD59E23E553249E2CDB715AF3249E23AB1 :2000A0002EE2FE1EC29F103A2FE23DE60747211DE25F160019191186E21AF37713231A775C :2000C000FB3E5A3249E2780E00CDF3133A36E2A7C2F101AF3249E2F1CA39113A2EE2FE23AE :2000E000C2DB103A2FE20E01CDF313AFCD4713FA13114F3E08070DF2F510472195E2B67786 :200100002185E23EFBA67778FE40219099CA1E11C32111E5F52185E23E04B677F1E1CD4E55 :20012000183E5A3249E23A2FE20E00CDF3133A36E2A7C2F101AF3249E23A2FE2473E800776 :2001400005F23F11472F4F3A2DE2A14F3A95E2E6F0A779CA5711B0322DE2214AE2B632005B :20016000243A2FE23C322FE2C93A3AE2FE01F5CC851DF1FE02CCC91D3A35E2A7CA8A113ED2 :2001800007F5CD841AF13DF281113A32E2E603875F160021A011195E235621A811E5EBE9BE :2001A0004C127712A212CB120E3F11490521C03DCDA86C0E08112C002195E2197EA7C2C869 :2001C000110DC2BB11C3D01111F1110E3FCDA26C3A1BE2A7CADF1111FC110E3FCDA26C3A7C :2001E0001CE2A7CA61111110120E3FCDA26CC36111C03D504F5255434841FFFFC93D4348F0 :20020000594241204B4F4D50454E5A414345FFFFDC3D5542203C20342E312056FFFFCD2FC8 :20022000133A33E2A7C8CD53E2212EE234010800211DE27E23B6CA4112562B5E1B732372E7 :200240003723781F470DC23312D377C90100002100001100207E814F78CE0047231B7AB3A6 :20026000C255126960224BE23A0077B9C2E7123A0177B8C2E712C901000021006011001780 :200280007E814F78CE0047231B7AB3C280126960224DE23A0277B9C2E7123A0377B8C2E76E :2002A00012C92100787EFEC3C00100001100087E814F78CE0047231B7AB3C2AF123A047733 :2002C000B9C2E7123A0577C2E712C92100E01100F07E2FF377BEC2EC122F77BEC2EC12FBBA :2002E000CD1614C2D112C93E03C32B033E04C32B033E05CD4713F2A013CDCA183E04CD4720 :2003000013F20A133E41BCDA0B133EAF321CE2AF321BE23CCD4713FA2B133A39E2FE5ACA7B :20032000A0133E01321BE2210030A7CD3D18C9210000397CFEEFC2421321002C3E8077AFAE :2003400077C93E07C32B030E0247CD67132272E2CD67132274E2CD67132276E2CDEA1B3D84 :20036000F80DC878C34A13F5D3013E023240E2210000DB01A7F27213E60FFE0ACA9E13DB4D :2003800001E61F67F1F5FE01C297137CE60F67DB00E6FE6FC39A13DB006FAF3240E2F1C922 :2003A0003E02C32B033E80D3F3213DE27EF3D3F0237ED3F1237ED3F23E0ED3F33E0DD3F326 :2003C000D3FCFBC93E9BD3F3213DE2F3DBF0772347DBF17723DBF2E60777DBF0B8C2C81355 :2003E000FBC906630E850DC2E61305C2E4133DC2E213C9062C2178E21E2C1600E5193DF2C0 :20040000FD13D10DCA0814EB7E12132305C20814C90603C30814237BBDC07ABCC911000890 :20042000C3D36C117905C3201421A4E21104E43600CD1614C22F140E08218BE2112C001968 :2004400036C00DC23F14C92104E41124E43600CD1614C24D142100022244E2C9D5112C0003 :20046000193DF26014D1C92109E21138E23600CD1614C26D143604AF3224E4326FE20106D2 :20048000C33A0078FEC32150E2110078C29F147023732372231313130DC28F14C3A81436B7 :2004A000C92323230DC29F143EB7D3FBAFD3FA3E04D3FA3E35D3F7AFD3F43CD3F43E75D3FE :2004C000F7AFD3F53E50D3F5C9E5D5C5F53A002C2FE67047C2E1143E053240E2F1C1D1E137 :2004E000C93A002C2FE6704FB04779A7C2E1143A37E2B03237E221000039EB210AE23A3819 :20050000E24F06000909097EA7C215152F7723732372C31B15237E23666FF93A3CE2320098 :2005200030FB06401137E22109E21AA0CA40151AA8F3127EB7CA3D153E01C32B033601FBC1 :2005400023780F47FE08C22A151101000E032109E27EA7C25C151C230DC25115FE01CA746B :2005600015210AE21919197BF33238E23600F1C1D1E1FBC9219B15E521AF1519194E234672 :20058000C52108E219F3360243210AE23A38E25F1919193600783238E2FBC92108E23A38BE :2005A000E25F1600193E04F33238E23600FBC34915351B1E1205103A85E247E640C2CD15B1 :2005C00078E604C878E601C21616C3F0153A99E2A7C2DB1578E6BF3285E2AF6F2600E529C6 :2005E00029D1192286E2EBCD2F722182E2C313723A85E2E69E3285E23A95E2E6F03295E24A :20060000CD35173278E22286E22282E22283E2227FE22280E2C978E620C2361678F6203282 :2006200085E23E013278E2CD65163A2FE23DE6073CF610C35F17CD7F16DAF0153A97E23D1F :200640003297E2C03A2FE23DE6073C4F3A85E247E680CA611678E67F3285E279F680C35F19 :200660001779C35F17CD3517CDD816E5217CE2119EE2CD1114E1CDE916CD0C17373FC93AE0 :200680007BE2FE05CA8E163C327BE2C39916AF327BE22A79E2232279E2CD46172AA1E2EB2A :2006A000CD5A1AFA79163A78E23C3278E2473A9AE2CDD819B8FAD616CD3517CDD8162B2B91 :2006C0002B2B5E2356232323E5CD2F72219EE2CD1372E1C3761637C9CD53175E235623E5F8 :2006E000EBCD401722A1E2E1C95E2356CD2F72219EE2CD0C72CDDF6FC5D52AA1E2EBCD2F22 :2007000072E1F1CDA470219BE2C31372CD4617CD1F17217FE2CD13722188E2CD1372C9CD5A :200720002F72219BE2CD0C72CD3E70219EE2CD0C72CDED6FC92100002279E2AF327BE2C931 :2007400029E529D119C92A79E2CD40173A7BE2EBC3261A3A9AE2CD091A3A78E2C32D1A4FEE :20076000E610CA6E17217CE2110EE0CD1114793200E0E60F3201E0217CE2110BE0CD1114C4 :200780002188E21102E0CD1114218CE21111E0CD1114218FE21114E0CD11142192E2111720 :2007A000E0CD1114CD00602108E0CD05720E0421007D3E4ACD2618FAF9170E0821807F3E2C :2007C00049CD2618FAF9170E0021007D3E49CD2618FAF9172100003E00CD2618FAF91721DE :2007E00000B03E44CD2618FAF9170E022100833E49CD2618FAF9170E013A95E2E6F0B132E9 :00000001FF
:2000000095E22105E0CD05723E3F21FA7FCDED6F2182E2CD1372CD3B722186E27323723AC3 :2000200096E23297E2C9C5CD0771C1C9F5CD9A67CD2F72F1DA3918AFC9AFD601C9CDF9184E :2000400021EB513E3ACD3E70216AE2C31372CDF918F5C5D53A8BE21F1F1FE6034F878121C9 :20006000AF1816005F19CD0C72D1C1CDA970C5D53A8BE2E6073D4F878121BB1816005F1924 :20008000CD0572216AE2CD0C72CD3E70EB78D1C14FF1FCFE7179CDED6FF5FCFE713A8BE2A0 :2000A000E6073D4FF179CD6768217CE2C3137247006448806349807C4A007D3CBA6B3D95E5 :2000C000433CEB5139075F000000CD2C18FCFE712164E2C31372CD2C18FCFE712164E2CDEB :2000E0000C72CDDF6FC5D52A62E2EBCD2F72E1F1CDA9702167E2C31372CD2C18FCFE7121FF :2001000064E2CD0C72CDDF6F2167E2CD0C72CD3E70F5FCFE71F1C93A24E417D017DA4A196C :2001200017DA7C1917DA8B1917DAB119CDE719E5CDF019EBE1E5CD451AD12125E40604CDB2 :200140000814CDD5193C12C36D19CDF019E5CDE119CDD5193C123DC42E1AD1E513CD5A1A53 :200160001BC4451AD12125E40604CD08142A44E22B2244E22124E47EE67F77C9CDE7191166 :2001800025E4EB0604CD0814C37419CDE7194D44E5CDF019EBE12323232313CD5A1A1BC484 :2001A000381ACDD5193D122A44E2232244E2C37419CDE1194D44CDF019E5CDD5196F260075 :2001C000AF12EB2A44E2192244E2EB2929D109CD381AC374193A46E23D1104E4CD261A1A7D :2001E000C93A46E2C3091ACDE1193A43E2C32D1A2A44E21100027B956F7A9C6729297DB4DC :20020000CA041A2B1129E419C91129E4D52104E41100004705CA201A7ECD261A23C3141ACF :20022000EBD1292919C9835F7ACE0057C93DE5110000CD261AC3201A7E020323EBCD5A1A75 :20024000EBF8C3381AD53E04CD261A4B42EBE17E020B2BCD5A1AF8C34F1AC5CD781ACA76AA :200260001A7CE680477AE680A8CA731AEBCD781AEBC1C9CD781AC1C97D93477C9AF8C0B0DF :20028000C8AF3CC921151B87CD3369E521251BCD3369E55E1600C1E1E5C53E02CD5668E1A1 :2002A000235E235623E5C1E1E5C501050009CD5668E17E23E5CD4D68C1E1E5C5010A00090D :2002C00077233630D1E1E5D5010E0009EBCDE567D1131313E1E5D501170009EBCDE567E1EB :2002E000232323E5CD0C72063E116766CD3E70CD3B72C1E1E5C5012000093E03CD5668E12B :200300002323237EE1010A00092BE601CA121B367AC9363AC904398439043A843A043B848D :200320003B043C843CA4E2D0E2FCE228E354E380E3ACE3D8E33A6FE2FE00C82A6DE23A7009 :20034000E216005F193A002CE60FFE0DCA851BFE0FF53A6FE2473A70E2B8C2621BF1C0C392 :200360009B1BF1CA951BFE0AF2701BC630C3791BFE0B3E12CA791B3E0D773A70E23C3270A7 :20038000E22336A0C93A70E2FE00C83D3270E236202B36A0C93A70E2FE00C83A70E2327105 :2003A000E23620C9326FE2226DE236A0AF3270E23271E23A71E2FE0047CAB31BEB21000044 :2003C0004D1AFE0DCACC1BFE12C2D01B4FC3D81B29292929E60FB56F1305C2C11BC5CD9A99 :2003E00067C1AF3271E2326FE2C9C52172E23E03010000F55E235623E57AE610C20C1C218A :20040000BB0BCD5A1AC21A1C0CC31A1C7AE60F57218001CD5A1AF21A1C04E1F13DC2F31B24 :200420003C91FA5F1C90FA5B1C2A72E2EB2A74E2CD671CD2501C2A74E2EB2A76E2CD671CC5 :20044000D2501C2A72E2EB2A76E2CD671CDA571CAF29292929C1C93E01C1C93E02C1C92145 :200460009909AF3E03C1C97CE610477AE610B8CA911C7CE60F677AE60F57D5110000CD5A5D :200480001AD1C2971C210000CD5A1AC2971C373FC9CD5A1ACA8E1C37C93E0711E538F5D5F4 :2004A0002195E2CD5C147EEB06081F0E20D2B11C48711140001905C2AA1CD11B1B1BF13D04 :2004C000F29E1CC93E0711E538D5F5218BE2CD5C147EEB47E607F630771180001978CD3B3B :2004E0001D2BCD3B1D2319F1F5E52196E2CD5C147E5F16003E03E1E52B2BCD5668E1118065 :200500000019F1F5E5219AE2CD5C147E5F16003E02E1E52BCD5668E111800019F1F5E521F7 :2005200098E2CD5C147E5F16003E03E12B2BCD5668F1D11B1B1B3DF2C91CC90E3017D242B5 :200540001D0C71C93A2FE23DE607CD7C1D470E003A0024A0CA591D0E403A0028A0CA641D2F :200560003E80B14F3A8BE2E6C0B93A95E2CA761DF6803295E2C9E67F3295E2C9473E01055F :20058000F887C37F1D2100383E004FE52185E2CD5C147EE1CDB11D23E5792195E2CD5C149D :2005A0007EE1CDB11D23362D23793CFE08C28A1DC9471F1F1F1FE60FCD4D68E63F7723783A :2005C000E60FCD4D68E63F77C9210038E521000039EBE1CDF21DE52A72E2EBE1CDF21DE50F :2005E0002A74E2EBE1CDF21DE52A76E2EBE1CDF21DC97ACDB11D237BCDB11D23362D23C93B :2006000011E805CDD36C0E3F116F1ECDA26C3A0477471F1F1F1FE60FF63032073978E60F98 :20062000F63032093921010006117D3200247C3200283A0024BDC24B1E3A0028BCC24B1EAF :200640002905C22A1E11511EC3A26C11621EC3A26CC039562F56205620504F5241444B552F :20066000FFFFC039434859424120562F56FFFF00394150532D352056202E20FFFFFFFFFFC5 :20068000FFFFFFFFFFFFFFFFFFFFFFFFFFFFFFFFFFFFFFFFFFFFFFFFFFFFFFFFFFFFFFFF7A :2006A000FFFFFFFFFFFFFFFFFFFFFFFFFFFFFFFFFFFFFFFFFFFFFFFFFFFFFFFFFFFFFFFF5A :2006C000FFFFFFFFFFFFFFFFFFFFFFFFFFFFFFFFFFFFFFFFFFFFFFFFFFFFFFFFFFFFFFFF3A :2006E000FFFFFFFFFFFFFFFFFFFFFFFFFFFFFFFFFFFFFFFFFFFFFFFFFFFFFFFFFFFFFFFF1A :20070000FFFFFFFFFFFFFFFFFFFFFFFFFFFFFFFFFFFFFFFFFFFFFFFFFFFFFFFFFFFFFFFFF9 :20072000FFFFFFFFFFFFFFFFFFFFFFFFFFFFFFFFFFFFFFFFFFFFFFFFFFFFFFFFFFFFFFFFD9 :20074000FFFFFFFFFFFFFFFFFFFFFFFFFFFFFFFFFFFFFFFFFFFFFFFFFFFFFFFFFFFFFFFFB9 :20076000FFFFFFFFFFFFFFFFFFFFFFFFFFFFFFFFFFFFFFFFFFFFFFFFFFFFFFFFFFFFFFFF99 :20078000FFFFFFFFFFFFFFFFFFFFFFFFFFFFFFFFFFFFFFFFFFFFFFFFFFFFFFFFFFFFFFFF79 :2007A000FFFFFFFFFFFFFFFFFFFFFFFFFFFFFFFFFFFFFFFFFFFFFFFFFFFFFFFFFFFFFFFF59 :2007C000FFFFFFFFFFFFFFFFFFFFFFFFFFFFFFFFFFFFFFFFFFFFFFFFFFFFFFFFFFFFFFFF39 :2007E000FFFFFFFFFFFFFFFFFFFFFFFFFFFFFFFFFFFFFFFFFFFFFFFFFFFFFFFFFFFFFFFF19 :00000001FF
:200000002A00E0E52A01E0E50102E0C50105E0C50108E0C5010BE0C5010EE0C50111E0C5E4 :200020001117E00114E0CD4860C94200404288644400504000403E66664100403C666642EC :20004000006049007D0000002173E0722B732B702B712BD1C1702B712BC1702B712BC170A2 :200060002B712BC1702B712BC1702B712BC1702B712BC1712BC171D53A62E0E61032E7E101 :200080003A62E0E60F32E5E13A62E0E68032E6E13A62E0E64032E8E13AE7E1FE00CA9A61BA :2000A00021E9E136003AE5E13D6F2600110300CDC16FEB21E7E173013960C52AE7E126007E :2000C000018CE009444D1E01CD796E013960C52AE7E126000174E009444D1E01CD796E010C :2000E0003960C52AE7E1260001BCE009444D1E01CD796E2A6CE0E52AE7E12600110300CD2C :20010000C16F019DE109232323444D1E01CD796E2AE7E12600110300CDC16F019DE1091198 :20012000060019444D1E01CD436E013060C52AE7E1260001A4E009444D1E01CD796E2AE701 :20014000E1260001D4E009444D1E01CD436E2AE7E12600014CE109444D1E01CD436E3AE80D :20016000E1FE00C29A61013660C52AE7E12600011AE009444D1E01CD796E2AE7E1260001EE :2001800032E009444D1E01CD436E2AE7E12600014AE009444D1E01CD436E3AE5E132E7E1A2 :2001A0003D6F2600110300CDC16FEB21E5E173237EFE00CAC6612AE5E12600014CE10944F6 :2001C0004D1E01CD436E2AE5E12600011CE10922ECE12AE5E126000174E009E52AE5E126BA :2001E0000001BCE009444D2AECE1EBCD3B6F2AECE1444D2AECE1EBCD596F012D60C52AEC07 :20020000E1444D2AECE1EBCD316F2AE5E1260001D4E00922ECE121E7E13A63E0BECA6C629E :200220002AE5E12600011CE109E52AECE1444D2AECE1EBCD316F2A64E0E52AECE1444D2AE0 :20024000ECE1EBCD1D6F013960C52AE5E12600011CE109444D1194E1CD1D6F2AECE1E52A9B :20026000ECE1EB0194E1CD3B6FC37A622A64E0E52AECE1444D1E01CD796E2AE5E126001165 :200280000300CDC16F019DE10922EAE12AECE1E52A6AE0444D2AEAE1EBCD276F2AE5E126AF :2002A000000134E109EB2AEAE1444DCD4F6F2AE5E12600110300CDC16F01A0E10922ECE182 :2002C0002AEAE1E52AE5E126002901ECE009EB2AECE1444DCD276F2AECE1E52AECE1444DF5 :2002E0001194E1CD1D6F2AE5E126002901EFE00922ECE12AEAE1E52AECE1EB0194E1CD27F2 :200300006F2AECE1E52AE5E12600110300CDC16F01A3E109444D2AECE1EBCD1D6F3AE9E10D :20032000FE00C2DB653AE8E1FE00C29F652AE5E1260001A4E00922ECE12AE5E12600011C30 :20034000E10922EAE1013F60C52AEAE1444D1194E1CD316F0194E1C52AECE1444D2AECE12E :20036000EBCD316F2AE5E126000134E109E52AECE1444D2AECE1EBCD1D6F013960C5119444 :20038000E10194E1CD1D6F2AECE1E52AECE1EB0194E1CD3B6F013C60C52AECE1444D119473 :2003A000E1CD316F2AE5E126000134E109444D1194E1CD776F32E7E13AE7E1FE00CA9C652B :2003C0002AE5E12600018CE00922ECE1013960C52AEAE1444D1194E1CD1D6F2AEAE1E52ADA :2003E000ECE1444D2AECE1EBCD316F2AE5E126000134E109E52AECE1444D2AECE1EBCD1DE2 :200400006F2AECE1E52AECE1EB0194E1CD3B6F2AE5E126000174E00922ECE12AEAE1E52A5B :20042000ECE1444D2AECE1EBCD316F2AE5E126002901ECE009444D1197E1CD4F6F0197E1DC :20044000C52AECE1444D2AECE1EBCD1D6F2AECE1E52AECE1EB0194E1CD3B6F2AE5E1260053 :2004600001BCE00922ECE12AE5E126002901EFE009444D1197E1CD4F6F2AEAE1E52AECE159 :20048000444D2AECE1EBCD316F2AECE1E52AECE1EB0197E1CD1D6F2AECE1E52AECE1EB012D :2004A00094E1CD3B6F2AE5E12600017CE10922ECE12AE5E12600018CE009E52AE5E126005D :2004C00001BCE009444D1194E1CD316F1197E10194E1CD596F2AE5E126000174E009E52ADB :2004E000ECE1EB0197E1CD3B6F013360C52AECE1444D1194E1CD3B6F0194E1C55059013958 :2005000060CD276F2AEAE1E51197E1012A60CD316F2AE5E12600011AE00922ECE10194E13E :20052000C550590197E1CD3B6F0194E1C52AECE1444D1197E1CD316F2AECE1E52AECE1EBE6 :200540000197E1CD1D6F2AE5E12600018CE00922EAE12AEAE1E52AE5E126000174E00944BE :200560004D1194E1CD3B6F2AE5E126000132E009EB0194E1CD596F2AEAE1E52AE5E1260019 :2005800001BCE009444D1197E1CD3B6F2AE5E12600014AE009EB0197E1CD596FC3DB652AB4 :2005A0006EE0E52AE5E12600011AE009444D1E01CD796E2A70E0E52AE5E126000132E009F9 :2005C000444D1E01CD796E2A72E0E52AE5E12600014AE009444D1E01CD796E2AE5E1260092 :2005E000011AE00922ECE12AECE1E52AE5E12600014AE009444D1194E1CD316F0194E1C523 :200600002AE5E126002901ECE009444D2A66E0EBCD316F2AE5E12600110300CDC16F019DA7 :20062000E10922EAE12AECE1E52AEAE1444D1194E1CD316F2AECE1E52AE5E126000132E089 :2006400009444D1197E1CD316F2AEAE1E51197E10197E1CD316F0197E1C52A66E0444D2A58 :2006600066E0EBCD1D6F2AE5E12600014CE109E51197E10194E1CD1D6F0197E1C52A66E0B8 :20068000444D119AE1CD1D6F2AE5E126000164E109E52AE5E1260009EB0194E1CD1D6F2A97 :2006A000E5E126000164E109E52A66E0444D2A68E0EBCD1D6F119AE1014260CD776F32E768 :2006C000E13AE7E1FE00C2DF66014260C52A66E0444D1E01CD796E21E9E13601C352671147 :2006E0009AE1014560CD776F32E7E13AE7E1FE02C20967014560C52A66E0444D1E01CD7927 :200700006E21E9E13601C35267019AE1C52A66E0444D1E01CD796E0197E1C52AE5E1260064 :20072000014CE109444D1E01CD796E0197E1C52AE5E126000164E109444D1E01CD796E0116 :200740009AE1C52A68E0444D1E01CD796E21E9E136002AE5E12600110300CDC16F019DE1BC :2007600009444D1E03CDCD6E2AE5E126002901ECE009444D1E02CDCD6EC90E00CDD967D232 :2007800086670CC37C67CDC767C90E00CDCF67D296670CC38C67CDC167C9119640CD7A6701 :2007A00079070707074F115602CD7C6741111600CD7A6779070707074F1E01CD8C675950BA :2007C000C9AF7B85276FC9CDC1677A8C2767C9373E99CE009385276FC9CDCF673E99CE00F5 :2007E00092842767C9D5CD05723E3F21FA7FCDED6FCD3B72AF82F204682F577B2F5F133E4A :00000001FF
:200000002DC306683E20E17723E5EB060011E803CD2568116400CD2568110A00CD25687DBC :20002000CD3E68E1C90EFF0C7D936F7C9A67F227681979B047C23D683E20C3416879CD4DC0 :2000400068EBF3E1E17723E53B3BFBEBC9E60FC69027CE4027C9E50600EBFE02CA1968FE65 :2000600003CA1368C30D68F5C5D5F2736887C60AC374688732EFE1213C69CD33697EFE007A :20008000C28D68E1E1E1AF1100000600C932EEE1AF32F0E1D1C1C5D523E5E5CD0C72CD286B :2000A00071FABD683AF0E13C32F0E14F3AEEE1B9CABD68E1232323232323C39A68E1E13AF2 :2000C000F0E13D32F0E1874F87814F060009D1C1E5CD0C72CDDF6FC5D52150693AEFE1CDAB :2000E00033693AF0E14F878787814F060009D1C1C5D5E5CD4971E1E5CD0C72CD3E7021F160 :20010000E1CD1372E1232323D1C1E5CD0C72CD3E7021F1E1CD0C72CDED6FE1232323CD0C9B :2001200072CDED6FE1232323CD0C72CDED6FF1F0C3FE7116005F195E2356EBC96469906974 :20014000B069DC690E6A8369A969D5690D6A456A466A856AB26AF16A396B736AA96AE86A6B :20016000396B8A6B05000000000000449A5748006445A4584900644652434A004B465C5CA4 :200180004A00640200000000000043FF4B4700640400000000000044487548006445EC7D18 :2001A0004900644605624A004B0100000000000006000000000000440A41480064459941EF :2001C000490064459A634A004B4694424A0064468A524A007D0100000000000008000000DF :2001E00000000041E75B48006442FF67490064438D534A004B4326754A006444724C4A00EB :200200007D445C5F4B004B447B724B805700090000004600503EA05A48006440FE6449000B :200220006441D0724A004B42ED644A006443604D4A007D439B6C4B004B44A3474B805744D6 :20024000EC594B0064003DABBD45C34B3E0959380149453D473C2B703B0A9145D7463BD2AB :20026000A93D71A0458F443B12883DF9BD4485773D7F4A3F847F455C4A3F7B4441CA614585 :20028000A4603D315F3DF09B4467783F72593BE38D44F6623EEBB33AA48D44485D3DAE989E :2002A0003AC841440A5B3B56713E9A57447B7C3BFBBF3C0E56459A6040E6473D43AD4548EB :2002C000633E454739A5A3453D5E3DE24D3C9066459A5D3C315F3DBA58455C613D10693EA5 :2002E0000B44451F663D086C40776645B8653B59A845CDB048195341165142658747E5748D :200300003E5F4741EE9447B2683CCE4241DEA44748623DCDB84142B0474D5C3B505340547E :20032000A4476C563D9C453DC168471C533C377D3E937A47A6533ADE444C78904B105B44B1 :20034000CD5048F4A549D26B42CC404676B948BF7440ED45443D9048E6523E535443D49B41 :2003600048A6403E8B5D426F9247006D3E5C4041C590471C603DB1B040A4AF47F1583DCF32 :200380005A3E774D471C563CBA550600110000C9CDBB6B21003BCDC46C0E2D210039CDC4AB :2003A0006C218039CDC46C21003ACDC46C21803ACDC46C11EE6B0E3FC3A26CCDD06C11CE5A :2003C0006B0E3FCDA26C2180380EFDC3C46C4038504543FF50383120203220203320203452 :2003E000202035202036202037202038FFFFC0385445524D4F434C414E454BFF40394C49EB :200400002D3120204C492D32FFC03954565A205B3130535DFF403A50524F4752414DFFC072 :200420003A4D41582E5659502E5B4D494E5DFFFFCDD06C11E16C0EFFCDA26C2142380E2A85 :20044000CDBC6C0E09214738CDBC6C215138CDBC6C215938CDBC6C216238CDBC6C0E3A219C :200460008D380611CDBE6C0E2D214039CDC46C21C039CDC46C21403ACDC46C21C03ACDC47C :200480006C21403BCDC46C21C03BCDC46C21403CCDC46C21C0380EFDCDC46C21C03CCDC4D5 :2004A0006CC91A6F131A67131AFEFFCAB46CA17723C3A76C131AFEFFC2A36CC90612114098 :2004C00000C3C96C0628110100711905C2C96CC911FF042100380E2071231B7AB3C2D86C18 :2004E000C94038CEFF4338D3D3C7FF4938C3C3C1C1D3FF5438D4FF5C38D4D4D7FF6538D0CE :20050000FF89381B0D090E3A131DFF92381B03050C131DFF9B381B03050C131DFFA4381B23 :20052000251DFF0039F1FF8039F2FF003AF3FF803AF4FF003BF5FF803BF6FF003CF7FF803D :200540003CF8FFFFCDBB6B21C03ACDC46C11556D0E3FC3A26C003B41203D204E4553504CF2 :200560004E454E41205653542E204C4F472E204B4F4D422EFF403B42203D205052454B52AA :200580004F43454E49204D4552494349484F20524F5A53414855FF803B43203D20505245D0 :2005A000525553454E59205445524D4F434C414E454BFFC03B44203D204348594241205668 :2005C000535455502E20505245564F4455FF003C45203D205052454B524F43454E204D4108 :2005E000582E204E4152555354FF403C46203D20504F5A4F52202D20525943484C59204EEA :2006000041525553542021FF803C47203D20504F5A4F52202D20525943484C5920504F4B9F :200620004C45532021FFC03C48203D205052454B524F43454E204D41582E20504F4B4C455D :2006400053FFFF21F6E1732B702B7121F7E136012AF6E12600110300CDC16FEB3AF7E1CD75 :20066000D56FDA786E2AF4E136002AF4E12322F4E121F7E134C2506EC921FCE1732B702B7B :20068000712BD1C1702B71D521FEE136003AFCE13D21FEE1BEDACC6E21FDE136003E022159 :2006A000FDE1BEDAC56E2AF8E1E52AFAE1C10A772AF8E12322F8E12AFAE12322FAE121FDFE :2006C000E134C29D6E21FEE134C28D6EC92101E2732B702B713A01E23D3D5F1600210300A0 :2006E000CDC16FEB2AFFE11922FFE12104E236013A01E23D2104E2BEDA1C6F2AFFE1E52A12 :20070000FFE1232323444D1E01CD796E2AFFE12B2B2B22FFE12104E234C2F06EC9CD8F6FB0 :20072000CDED6FCDBA6FC9CD8F6FCDDF6FCDBA6FC9CD8F6FCD3E70CDBA6FC9CD8F6FCDA9E6 :2007400070CDBA6FC9CDAE6FCDEA71CDBA6FC9CDAE6FCD4971CDBA6FC9CDAE6FCD6271CD12 :20076000BA6FC9CDAE6FCDD771CDBA6FC9CDAE6FCDFE71CDBA6FC96069D5CD0572E1CD0C48 :2007800072CD07713E00F28B6FF602C0F601C92107E27123702105E2732372C1D1E1D5C5D5 :2007A000CD05722A07E2CD0C72C9CD8F6FC92105E27323726069CD0572C92A05E2CD1372F1 :2007C000C9444D2100003E1029EB29EBD2D06F093DC2C86FC94F06007B916F7A9867C94FAE :2007E000C3E66F4847EBAF956F9F9467794F90CA2070FAF96FEB412F3CFEFAF21370C60E2E :00000001FF
:20000000FAE4723C4F296C9F67290DC209706C67C320704F7C070F1F677D1F6F0CC214700F :200020004C199FA9AAACEBFA3370AF4FB2FCFD71F2C1727C074F04FAF0717AC3DF7280D6E1 :200040004047AF4F82CAFF72FCFD71EBAF82CAFF72FCFD71C5AFB5CA5D70EBAFB5442100BF :2000600000E5CA6D700E08CD96706C67E378192987870E06CD9670D119CE00871FC1FA8409 :2000800070298F055C57AF80F2F9713CCAFA7287F2F071C3FA7287D29D7019CE00298F0D68 :2000A000C29770C9EB90C3AC702F3C80C641470E01AF82CAFF72FCFD71EBAF82CA0171F4EA :2000C000FD713E0219D2CB7017190405F2DB707880CAF0713DFAFA72C3F071C5F5AF934FA1 :2000E0009F9247F109CDF670F53E01CDF670D15FC1C3F97117D82919DAF4700987D2F6709F :20010000C93ED70CC3F2714F7AACF21171A4C324717990CA1A71AAC3247185937CC22371A0 :200120009A79C99AF60F79C94F7AACF23271A2C345717891CA3B71AAC3457183957AC244A3 :20014000719C79C99CF60F79C9EB7887D64047AF4FEB82CAFF72FCFE71C542AFB3C35E701B :2001600047EBAFB2FAD271C878C6411FF59FEE40E6C0821F477B1F4F7A90FA8371CA9E713F :20018000C388717B177A17902102F817B8FA9271239029DA8B717D0F801F47791F4FEBAF64 :2001A000915F9F905719D2B3717CB5C2B67109EBC3CC710929193E05CDF670F53E01CDF6F4 :2001C00070E16F097C1F577D1FCE005F3E008A57C1C93E42C3FC72AF90C3DF71EB2F3CC6D3 :2001E00082470E01210040C3BA70AFB2FAFE71C93EEFCD8A6B11FF7F42790F3CD00CAF93A4 :200200005F9F9257C946235E235623C97E234E236669C9702373237223C9064FC321720620 :2002200040AF4FB2FCFD71F2C1720416C0B2C9064FAF4FB2F2C17204C3DF723E4FC34272A4 :200240003E4090C8F25F723CC25372B2F2537287FA8D723E8FCD8A6B1511FF7FF013C9EB6F :20026000D608FA8072C26E727C179FC38C72D607F28F724F299F6C67290CC27872C38C72C3 :200280004F299FC3887229170CC286725C57C9CA97723E8BC3FC7211010029DAFE71C9AF3F :2002A00082FABC723E4F90C8F25F723CC2B372EB29EBC93E8DCD8A6B11FFFFC93E81C3FC1E :2002C00072C2E772535FB2CAFF72173EF888FAFA7247AFB2F2E772791F7AD2DF722F3C1F05 :2002E000577B1F5FAFB2C982FAF971EB290584F2EC72A0EBF2F971C3FA723EEBCD8A6BAF01 :2003000047575FC9FFFFFFFFFFFFFFFFFFFFFFFFFFFFFFFFFFFFFFFFFFFFFFFFFFFFFFFF33 :20032000FFFFFFFFFFFFFFFFFFFFFFFFFFFFFFFFFFFFFFFFFFFFFFFFFFFFFFFFFFFFFFFFDD :20034000FFFFFFFFFFFFFFFFFFFFFFFFFFFFFFFFFFFFFFFFFFFFFFFFFFFFFFFFFFFFFFFFBD :20036000FFFFFFFFFFFFFFFFFFFFFFFFFFFFFFFFFFFFFFFFFFFFFFFFFFFFFFFFFFFFFFFF9D :20038000FFFFFFFFFFFFFFFFFFFFFFFFFFFFFFFFFFFFFFFFFFFFFFFFFFFFFFFFFFFFFFFF7D :2003A000FFFFFFFFFFFFFFFFFFFFFFFFFFFFFFFFFFFFFFFFFFFFFFFFFFFFFFFFFFFFFFFF5D :2003C000FFFFFFFFFFFFFFFFFFFFFFFFFFFFFFFFFFFFFFFFFFFFFFFFFFFFFFFFFFFFFFFF3D :2003E000FFFFFFFFFFFFFFFFFFFFFFFFFFFFFFFFFFFFFFFFFFFFFFFFFFFFFFFFFFFFFFFF1D :20040000FFFFFFFFFFFFFFFFFFFFFFFFFFFFFFFFFFFFFFFFFFFFFFFFFFFFFFFFFFFFFFFFFC :20042000FFFFFFFFFFFFFFFFFFFFFFFFFFFFFFFFFFFFFFFFFFFFFFFFFFFFFFFFFFFFFFFFDC :20044000FFFFFFFFFFFFFFFFFFFFFFFFFFFFFFFFFFFFFFFFFFFFFFFFFFFFFFFFFFFFFFFFBC :20046000FFFFFFFFFFFFFFFFFFFFFFFFFFFFFFFFFFFFFFFFFFFFFFFFFFFFFFFFFFFFFFFF9C :20048000FFFFFFFFFFFFFFFFFFFFFFFFFFFFFFFFFFFFFFFFFFFFFFFFFFFFFFFFFFFFFFFF7C :2004A000FFFFFFFFFFFFFFFFFFFFFFFFFFFFFFFFFFFFFFFFFFFFFFFFFFFFFFFFFFFFFFFF5C :2004C000FFFFFFFFFFFFFFFFFFFFFFFFFFFFFFFFFFFFFFFFFFFFFFFFFFFFFFFFFFFFFFFF3C :2004E000FFFFFFFFFFFFFFFFFFFFFFFFFFFFFFFFFFFFFFFFFFFFFFFFFFFFFFFFFFFFFFFF1C :20050000FFFFFFFFFFFFFFFFFFFFFFFFFFFFFFFFFFFFFFFFFFFFFFFFFFFFFFFFFFFFFFFFFB :20052000FFFFFFFFFFFFFFFFFFFFFFFFFFFFFFFFFFFFFFFFFFFFFFFFFFFFFFFFFFFFFFFFDB :20054000FFFFFFFFFFFFFFFFFFFFFFFFFFFFFFFFFFFFFFFFFFFFFFFFFFFFFFFFFFFFFFFFBB :20056000FFFFFFFFFFFFFFFFFFFFFFFFFFFFFFFFFFFFFFFFFFFFFFFFFFFFFFFFFFFFFFFF9B :20058000FFFFFFFFFFFFFFFFFFFFFFFFFFFFFFFFFFFFFFFFFFFFFFFFFFFFFFFFFFFFFFFF7B :2005A000FFFFFFFFFFFFFFFFFFFFFFFFFFFFFFFFFFFFFFFFFFFFFFFFFFFFFFFFFFFFFFFF5B :2005C000FFFFFFFFFFFFFFFFFFFFFFFFFFFFFFFFFFFFFFFFFFFFFFFFFFFFFFFFFFFFFFFF3B :2005E000FFFFFFFFFFFFFFFFFFFFFFFFFFFFFFFFFFFFFFFFFFFFFFFFFFFFFFFFFFFFFFFF1B :20060000FFFFFFFFFFFFFFFFFFFFFFFFFFFFFFFFFFFFFFFFFFFFFFFFFFFFFFFFFFFFFFFFFA :20062000FFFFFFFFFFFFFFFFFFFFFFFFFFFFFFFFFFFFFFFFFFFFFFFFFFFFFFFFFFFFFFFFDA :20064000FFFFFFFFFFFFFFFFFFFFFFFFFFFFFFFFFFFFFFFFFFFFFFFFFFFFFFFFFFFFFFFFBA :20066000FFFFFFFFFFFFFFFFFFFFFFFFFFFFFFFFFFFFFFFFFFFFFFFFFFFFFFFFFFFFFFFF9A :20068000FFFFFFFFFFFFFFFFFFFFFFFFFFFFFFFFFFFFFFFFFFFFFFFFFFFFFFFFFFFFFFFF7A :2006A000FFFFFFFFFFFFFFFFFFFFFFFFFFFFFFFFFFFFFFFFFFFFFFFFFFFFFFFFFFFFFFFF5A :2006C000FFFFFFFFFFFFFFFFFFFFFFFFFFFFFFFFFFFFFFFFFFFFFFFFFFFFFFFFFFFFFFFF3A :2006E000FFFFFFFFFFFFFFFFFFFFFFFFFFFFFFFFFFFFFFFFFFFFFFFFFFFFFFFFFFFFFFFF1A :200700003DD5779610FFFFFFFFFFFFFFFFFFFFFFFFFFFFFFFFFFFFFFFFFFFFFFFFFFFFFFC5 :20072000FFFFFFFFFFFFFFFFFFFFFFFFFFFFFFFFFFFFFFFFFFFFFFFFFFFFFFFFFFFFFFFFD9 :20074000FFFFFFFFFFFFFFFFFFFFFFFFFFFFFFFFFFFFFFFFFFFFFFFFFFFFFFFFFFFFFFFFB9 :20076000FFFFFFFFFFFFFFFFFFFFFFFFFFFFFFFFFFFFFFFFFFFFFFFFFFFFFFFFFFFFFFFF99 :20078000FFFFFFFFFFFFFFFFFFFFFFFFFFFFFFFFFFFFFFFFFFFFFFFFFFFFFFFFFFFFFFFF79 :2007A000FFFFFFFFFFFFFFFFFFFFFFFFFFFFFFFFFFFFFFFFFFFFFFFFFFFFFFFFFFFFFFFF59 :2007C000FFFFFFFFFFFFFFFFFFFFFFFFFFFFFFFFFFFFFFFFFFFFFFFFFFFFFFFFFFFFFFFF39 :2007E000FFFFFFFFFFFFFFFFFFFFFFFFFFFFFFFFFFFFFFFFFFFFFFFFFFFFFFFFFFFFFFFF19 :00000001FF
|
|
|
|
|
|
|
|
|
|
|
|
|
|
|
|
|
|
|
|
|
|
ÚVOD | Novinky | 8 Bitů | Příslušenství | Drobnosti | TTL | Kontakt
SAPI-1 | ONDRA | PMI-80 | PMD-85 | klony PMD-85 | klony SM50/40 | PETR | PLAN-80A | IQ151 | TNS | FK-1 | HVĚZDA | SP 830 | PCS 1-QR6000 | TEMS
ZPS | Technické prostředky | Programové vybavení | Dokumentace