ÚVOD | Novinky | 8 Bitů | Příslušenství | Drobnosti | TTL | Kontakt


SAPI-1 | ONDRA | PMI-80 | PMD-85 | klony PMD-85 | klony SM50/40 | PETR | PLAN-80A | IQ151 | TNS | FK-1 | HVĚZDA | SP 830 | PCS 1-QR6000 | TEMS


ZPS | Technické prostředky | Programové vybavení | Dokumentace


8 bity / SAPI-1 / Dokumentace / EI20


OCR Dokumentace EI20


EXPRES
INFORMACE   
TESLA
ELTOS
OBOROVÝ
PODNIK
DIZ
SAPI 1ZÁKLADNÍ
INFORMACE

Dodavatelsko-inženýrský závod TESLA ELTOS PRAHA - čís.20



MIKROPOČÍTAČOVÝ STAVEBNICOVÝ SOUBOR SAPI 1 je nejmenšmi, ale nejlevnějším a nejrozšířenějším členem rodiny SAPI, jejíž nezkrácený název zní: Soubory pro Automatizované Pořizování a předzpracování .Informací a dat. Do konce letošního roku /1985/ dodáme našim zákazníkům již 3428 těchto souborů jejichž plně provozuschopná malá konfigurace stoji 21.845,- Kčs včetně klávesnice, obrazovkového displeje, kazetopáskové mg. paměti a desky polovodičové paměti 48 kB, a zároveň včetně základního programového vybavení a testovacího programu na magnetopáskové kasetě.

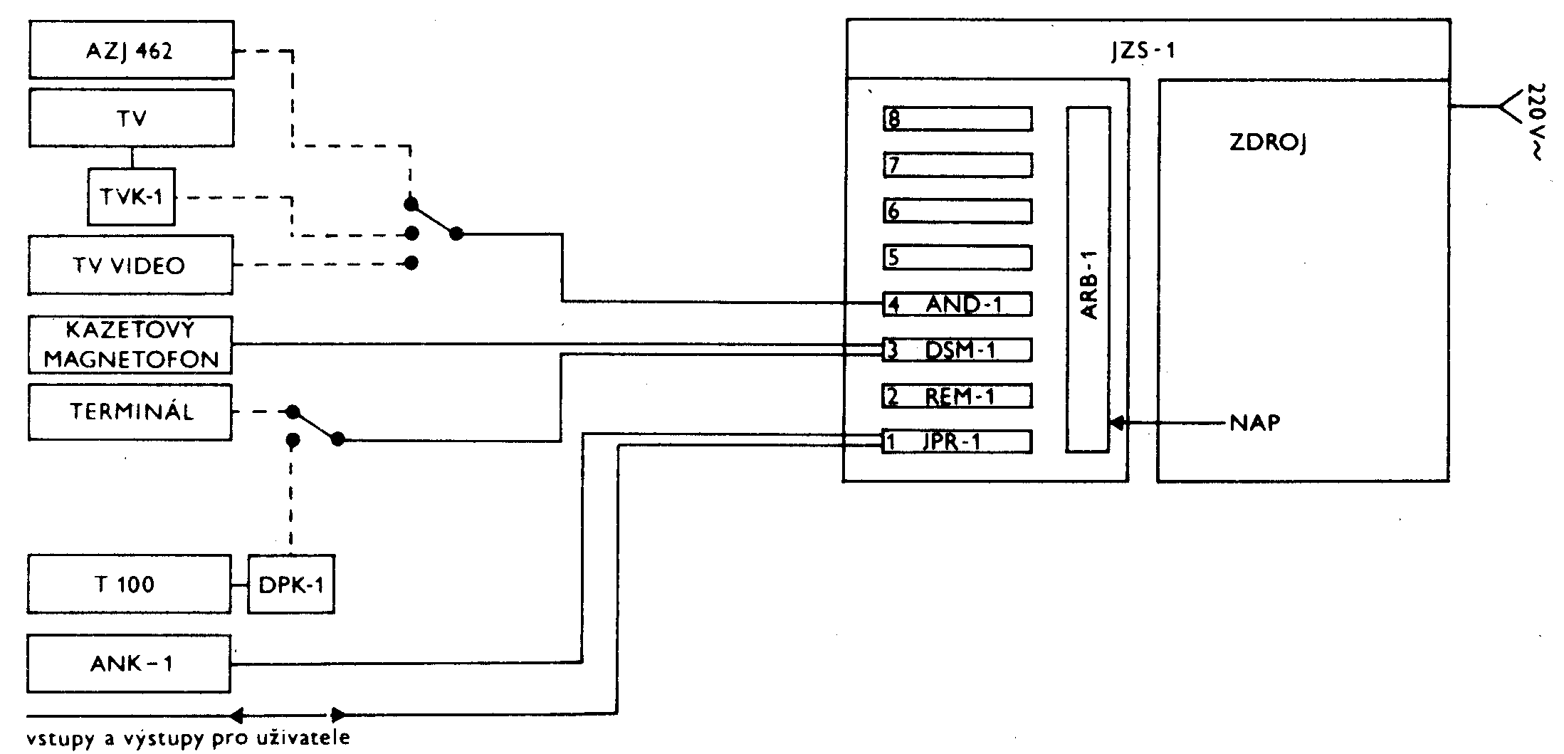
Základem souboru je JEDNOTKA PROGRAMOVÉHO ŘÍZENÍ / JPR-1 nebo JPR-1A/ ve funkci jednodeskového mikropočítače na desce plodných spojů o rozměru 150 x 140 mm, která je na jedné straně opatřena FRB konektorem o 62 nožích pro připojení na sběrnici, a na protilehlé straně dvěma FRB konektory po 30 nožích pro připojení vstupů a výstupů.

Mechanickým základem souboru SAPI-1 je panelová JEDNOTKA ZDROJE A SBĚRNICE /JZS-1 nebo JZS-1A/, kterou tvoří zásuvný rám s předním panelem v modulu 19". Do tohoto rámu je vestavěn zdroj ZDR-1 nebo ZDR-1A a deska sběrnice ARB-1 s rozvodem a zesilovači sběrnice. Zdroj je kabelem KB-08 spojen na zadní straně jednotky s deskou sběrnice ARB-1. Jednotka je konstruována pro zasunutí do pevného rámu nebo stojanu tak, aby nad i pod jednotkou mohl proudit vzduch pro chlazení zdroje. Není-li možno toto umístěni je nutné zajistit nucené chlazení větrákem



mechanická konstrukce systému

Dalším důležitým prvkem souboru SAPI-1 je SYSTÉMOVÝ PANEL SPN-1, který se umísťuje hned vedle zdroje do JZS-1 a je tvořený deskou plodného spoje na níž je kolmo připevněný malý panel. Na desce je stabilizátor +5V s MA 7805 z +12V ze zdroje a pojistka pro vyvedené napájení vnějších zařízeni /klávesnice, zobrazovací jednotky, atd,/. Na předním malém panelu jsou čtyři sedmipólové konektory FRB, vstup externího signálu RESET a LED dioda pro signalizaci napájení.

VNITŘNÍ PAMĚTI je možné v rámci využívání souboru SAPI-1 realizovat třemi způsoby. Jednak můžeme využít možnosti osadit RAM i EPROM přímo na desce JPR-1 /pokud nepoužíváme vnitřních pamětí na paměťových deskách/, dále můžeme použít DESKU PAMĚTÍ RAM A EPROM typu REM-1 s možností osazení až 8 KB RAM a 16 KB PROM či EPROM pamětí; a nyní již i další DESKU DYNAMICKÝCH PAMĚTÍ RAM označenou RAM-1 o kapacitě až 48 KB RAM pamětí na obvodech MHB 4116.

VNĚJŠÍ PAMĚŤ souboru SAPI-1 tvoří MAGNETICKÁ PÍSKOVÁ KAZETOVÁ PAMĚŤ typu MKP-1 z upraveného kazetového magnetofonu TESLA K 10, ovšem připojit lze i jiný typ kazetového magnetofonu s možností elektrického ovládání Stop/Start. Kromě toho je možné připojit 1/2" stolní magnetickou páskovou jednotku IZOT 5300 pomocí ŘADIČE MAGNETICKÉ PÁSKY RMP-1 na stejnojmenné desce souboru SAPI-1, a připravuje se připojení 8" pružného disku vestavěného do JEDNOTKY PRUŽNÝCH DISKŮ JPD 1, kterou bude možné připojit k souboru pomocí dvoudeskového ŘADIČE PRUŽNÉHO DISKU RPD-1.

ZOBRAZOVACÍ JEDNOTKY mohou být jednak z běžných alfanumerických displejů, jednak je možno použít ZOBRAZOVACÍ JEDNOTKU ZJS-1 z upraveného televizního přijímače TESLA doplněného videovstupem, nebo při použití TELEVIZNÍHO KONVERTORU TVK-1 se souboru SAPI-1 i jakéhokoliv běžného televizního přijímače, třeba i zapůjčeného z Multiservisu TESLA. Zobrazovací jednotky se připojují prostřednictvím DESKY ALFANUMERICKÉHO DISPLEJE AND-1 se souboru SAPI-1.

ALFANUMERICKÁ KLÁVESNICE typu ANK-1 je jednoduchá membránová klávesnice pro vstup dat, ale k souboru je možné připojit i BEZKONTAKTNÍ KLÁVESNICE CONSUL typu C 259.11, které také dodáváme.

ZE STANDARDNÍCH DESEK SOUBORU jsou dále k disposici především desky propojení. DESKA SÉRIOVÉHO PŘENOSU A MODEMU typu DSM-1 umožňuje asynchronní propojení na bázi V 24 i obslouženi modemu pro dálkový přenos dat, pro rychlosti do 9 600 Bd. DESKA PARALELNÍCH PORTŮ typu DPP-1 umožňuje připojení periferií s paralelním přenosem, nebo připojení až 48 vstupů/výstupů.

UNIVERZÁLNÍ DESKA. BDK-1 umožňuje každému uživateli, aby si sán na předem připravené standardní desky opatřené konektory realizoval specielní HW aplikace a své zapojení.

PRODLUŽ OVACÍ DESKA PDK-1 umožňuje snadnější měření na deskách ze souboru SAPI-1, což je důležité zejména při oživování systémů.

TISK výsledků je možné zajistit buď pomocí běžně dostupných mozaikových tiskáren /DZM 180 z PLR, nebo našich Consul C 2111-C 2113/, které se připojují přímo k desce JPR-1 ; nebo pomocí dálnopisu T 100, který se připojuje prostřednictvím DÁLNOPISNÉHO KONVERTORU DPK-1, který je v samostatném pouzdru a zajišťuje galvanické oddělení dálnopisu od desky DSM-1, na níž je připojen. Kromě toho se připravuje i dovoz malých mozaikových tiskáren Robotron 6311.



BLOKOVÍ SCHÉMA

ZÁKLADNÍ PROGRAMOVÉ VYBANENÍ, které je součástí dodávky, tvoří MIKROMONITOR a zjednodušená verze Basic - MIKROBASIC verze 2.4 nahrané v EPROM pamětech + příslušné příručky.

Dále je možno zakoupit TESTOVACÍ PROGRAM TSX 03 na magnetofonové kazetě a PROGRAMOVÝ SYSTÉM HELP s EPROM pamětí 1KB a příručkou, který obsahuje asi 25 základních funkčních podprogramů a rozšiřuje MIKROMONITOR dodávaný s malým mikropočítačovým systémem SAPI-1M a jeho možnosti.

NOVÉ PROGRAMOVÉ VYBAVENÍ V4.0. pro kazetopáskový systém SAPI-1 používající desku paměti RAM-1 a jednotku programového řízení JPR-1 spolu s ostatními prvky Malého mikropočítačového systému SAPI 1M obsahuje jednak REZIDENTNÍ PROGRAMY /dodávané na EPROM pamětech/ a jednak TRANSPARENTNÍ PROGRAMY dodávané na kazetové pásce. Na EPROM pamětech je 2 KB MONITOR se základními funkcemi pro řízení systému a 2 KB MONITOR PLUS a MIKOS, které rozšiřují funkce Monitoru o mikrokazetový operační systém pro kazetový magnetofon ve funkci vnější paměti. Na kazetové pásce je jednak 7 KB soubor programů pro práci v Assembleru TOOL ASM-80 obsahující absolutní ASSEMBLER. LINE ASSEMBLER, obrazovkově orientovaný editor PEDIT, ladící a trasovací program TRASER a DIS ASSEMBLER: a jednak 7 KB interpreter jazyku BASIC s grafickými příkazy pro připravovanou desku grafiky, který pracuje i s pohyblivou řádovou čárkou a umožňuje práci s řetězci. Jeho součástí jsou i povely pro ladění programu /editor a trasovací program/

Možnosti aplikaci SAPI 1

Nejjednodušší využití souboru SAPI-1 představuje využití jeho jednotky programového řízení JPR-1, která představuje vlastně jednodeskový mikropočítač vestavitelný do libovolného zařízení či stroje. Jak vidíte na následujícím blokovém schématu její použití může být velice široké :



BLOKOVÍ SCHÉMA

Například Družstvo mechaniků kancelářských strojů DM Servis Praha ji vestavuje do elektrického psacího stroje Consul a získává tak velice levnou, ale praktickou tiskárnu pro svůj informační systém. Kromě toho ji řada podniků používá pro řízení obráběcích strojů nejrůznějších typů a určení.

Vědecko-výrobní sdružení SVT ČSAV-TESLA ELTOS DIZ na bázi SAPI-1 a JPR-13 připravilo systém inteligentních terminálů připojitelných ke všem vyšším typům počítačů JSEP od EC 1033 výše, jehož první verze již jsou v provozu v praktickém nasazení.

Řada uživatelů využívá SAPI-1M pro přípravu a pořizování dat, jednak samostatně a jednak ve spojení s vyšším souborem SAPI-R. Kromě toho celá řada menších výrobců využívá jednotek souboru SAPI-1 k výrobě problémově orientovaných komplexů, které pak konečným uživatelům dodává včetně uživatelského programového vybavení /jak na př. STS Slaný, DM Servis Praha atd./.

Nízká cena, veliká a stále se rozšiřující paleta jednotek, desek a dílů ze SAPI-1 vytváří soubor, který může ulehčit práci každému.



NAŠE
POŠTOVNÍ
ADRESA:
 
TESLA DIZ
145 00PRAHA 4
poštovní úřad 45
schránka 27



Podrobnější informace o možnostech tohoto souboru můžete získat v odboru inženýrských služeb, nebo technickém odbytu.

ISM - 850 125

tisk praha




ÚVOD | Novinky | 8 Bitů | Příslušenství | Drobnosti | TTL | Kontakt


SAPI-1 | ONDRA | PMI-80 | PMD-85 | klony PMD-85 | klony SM50/40 | PETR | PLAN-80A | IQ151 | TNS | FK-1 | HVĚZDA | SP 830 | PCS 1-QR6000 | TEMS


ZPS | Technické prostředky | Programové vybavení | Dokumentace


8 bity / SAPI-1 / Dokumentace / EI20



SAPI.cz - web o československých osmibitech, zejména SAPI-1. Provozuje EC1045 od roku 2011
Za korekce češtiny dekuji: MELSOFTovi, Silliconovi, Martinu Lukáškovi a NOSTALCOMPovi

Když začínám blbnout z 8bitů tak se chodím léčit mezi otaku.
Animefest.cz