ÚVOD | Novinky | 8 Bitů | Příslušenství | Drobnosti | TTL | Kontakt


SAPI-1 | ONDRA | PMI-80 | PMD-85 | klony PMD-85 | klony SM50/40 | PETR | PLAN-80A | IQ151 | TNS | FK-1 | HVĚZDA | SP 830 | PCS 1-QR6000 | TEMS


ZPS | Technické prostředky | Programové vybavení | Dokumentace


8 bity / SAPI-1 / Technické prostředky / JPN-1






OCR návodu JPN-1

SAPI-1



UNIVERZÁLNÍ JEDNOTKA PROPOJENÍ

JPN-1







6 XV 122 64

TESLA ELSTROJ     TESLA LIBEREC     TESLA ELTOS-DIZ







OBSAH



JEDNOTKA JPN-1

  1. ÚVOD

  2. Jednotka propojení JPN-1 je určena pro ty uživatele mikropočítačového systému SAPI-1, kteří pro své aplikace potřebují vytvořit konfiguraci s větším počtem desek, než kolik se jich vejde do jednotky JZS-1 /JZS-1A/.

    Jednotka JPN-1 umožňuje rozšířit sběrnici ARB-1 mikropočítače SAPI-1 o dalších 8 pozic pro desky, adresované jako vstupní/výstupní zařízení. Mechanická konstrukce je obdobná jako u jednotky JZS-1 /JZS-1A/. Tvoří ji zásuvný rám s předním panelem v rozměru 19" modulu. V tomto rámu je umístěn napájecí zdroj ZDR-1A a sběrnice IOB-1, které jsou navzájem propojené kabelem KB-15. K základní sestavě SAPI-1 /jednotce JZS-1 nebo JZS-1A/ se jednotka JPN-1 připojuje pomocí desek ZDP-1 a DPB-1 a propojovacího kabelu KB-22, které jsou součástí jednotky JPN-1.


  3. TECHNICKÉ PARAMETRY

  4. Napájení jednotky
    Napětí sítě220 V +10% -15%
    Frekvence sítě50 Hz ± 2%
    Příkonmax. 240 VA
    Připojenípevným neoddělitelným přívodem
     
    Napájecí napětí desek
    + 5 V ± 5%... 8 A
    - 5 V ± 5%... 0.8 A
    + 12 V ± 5%... 2 A
    - 12 V ± 5%... 0.5 A
    + 15 V ± 5%... 0.5 A
    - 15 V ± 5%... 0.5 A
    Ze zdroje + 12V lze odebírat proud až 4A, nepřekročí-li odběr z + 5V hodnotu 5A.
    Zvlnění napájecích napětí   max. 100 mV šš (složka 100 Hz)
     
    Jištěnítrubičková pojistková vložka T 3,15/35 A
     
    Stupeň odrušeníRO 2
     
    Spolehlivoststřední doba mezi poruchami - 10 500 hodin
     
    Rozměry482,5 x 177,8 x 280 mm
     
    Hmotnost11 kg


  5. POPIS FUNKCE

  6. Jednotku propojení JPN-1 představuje zásuvný rám, ve kterém je zabudován zdroj ZDR-1A a sběrnice IOB-1, které jsou propojeny propojovací kabelem KB-15 /schéma zapojení je uvedeno v příloze V/. Sběrnice IOB-1 slouží k rozvádění napájecích napětí, datových, adresových, řídicích a přerušovacích signálu k jednotlivým deskám systému, pro které jsou na sběrnici IOB-1 osazeny 62 pólové konektory X1 až X9

    Pozice X1 až X8 jsou určeny pro libovolné desky, adresované jako vstupní/výstupní zařízení, pozice X9 je vyhrazena pro základní desku propojení ZDP-1, která pracuje jako řídicí deska jednotky JPN-1.

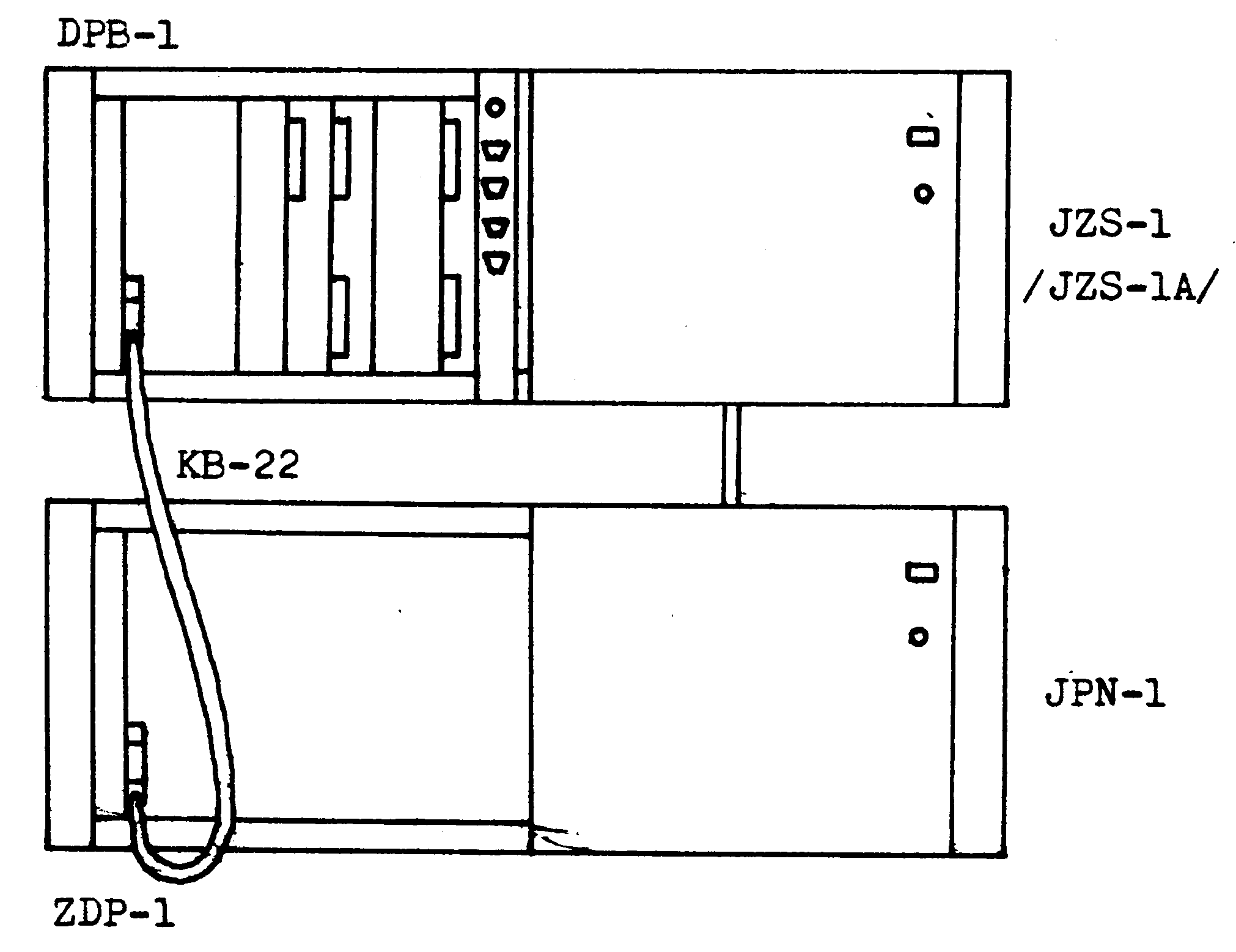
    Pomocí desky propojení sběrnic DPB-1 a propojovacího kabelu KB-22 /schéma zapojení je uvedeno v příloze VI/ se připojí jednotka JPN-1 k jednotce JZS-1 /JZS-1A/. Toto propojení je schematicky znázorněno na obr. 1.



    Obr. 1: Propojení jednotek JZS-1 /JZS-1A/ a JPN-1

    Po doplnění desky DPB-1 obvody podle schématu lze k systému připojit až 14 jednotek systému vstupů a výstupů JVV-1.

    Pozn.: Zdroj ZDR-1A, sběrnice IOB-1 a desky ZDP-1 a DPB-1 jsou popsány samostatně v následujících částech tohoto návodu k obsluze a užití.



  7. INSTALACE

    1. Jednotku JPN-1 vyjmeme z obalu a zkontrolujeme, zda nedošlo k mechanickému poškození jednotky při přepravě. Odšroubováním čtyř šroubů sejmeme přední panel jednotky.

    2. Zkontrolujeme, zda jsou v pojistkách pouzdrech na zadním panelu jednotky JPN-1 a na zdroji ZDR-1A pojistky správných hodnot.

    3. Zkontrolujeme propojení zdroje ZDR-1A a sběrnice IOB-1 pomocí kabelu KB-15 /viz příloha V/. Na obr. 2 je uvedeno zapojení výstupní svorkovnice zdroje ZDR-1A.



    4. Obr. 2: Zapojení výstupní svorkovnice zdroje ZDR-1A

    5. Desky DPB-1 a ZDP-1 vyjmeme z jednotky JPN-1 a zkontrolujeme, zda při přepravě nedošlo k jejich mechanickému poškození /zejména FRB konektory/. Zkontrolujeme zapojení propojek a přepínačů na deskách /viz přílohy II kapitol deska DPB-1 a ZDP-1/.

    6. Jednotku JPN-1 zasuneme do rámu nebo stojanu zařízení, jehož je systém SAPI-1 řídicí jednotkou.
    7. Pozn.: Konstrukce jednotky JPN-1 předpokládá určitý volný prostor nad a pod jednotkou tak, aby tudy mohl proudit vzduch pro chlazení zdroje i jednotlivých desek systému, zasunutých ve sběrnici.

      Tuto skutečnost je třeba mít na zřeteli při zabudování jednotky JPN-1 do zařízení. Nelze-li při zástavbě jednotky zajistit větrání tak, aby nedošlo k přehřátí systému při funkci, je nutno jednotku JPN-1 chladit nuceným oběhem vzduchu.

    8. Překontrolujeme, zda deska DPB-1 nezpůsobí překročení povoleného odběru zdroje v jednotce JZS-1 /JZS-1A/ a zda adresa navolená na desce DPB-1 není již v systému použita. Zasuneme desku DPB-1 do některého z konektorů X2 až X8 sběrnice ARB-1.

    9. Do konektoru X9 sběrnice IOB-1 jednotky JPN-1 zasuneme desku ZDP-1.

    10. Pomocí propojovacího kabelu KB-22 z příslušenství jednotky JPN-1 propojíme konektory X2 desek ZDP-1 a DPB-1 Jednotky JPN-1 a JZS-1 /JZS-1A/ lze umístit nad sebou nebo vedle sebe.

    11. Pro dodržení stupně odrušení RO 2 je nutné:

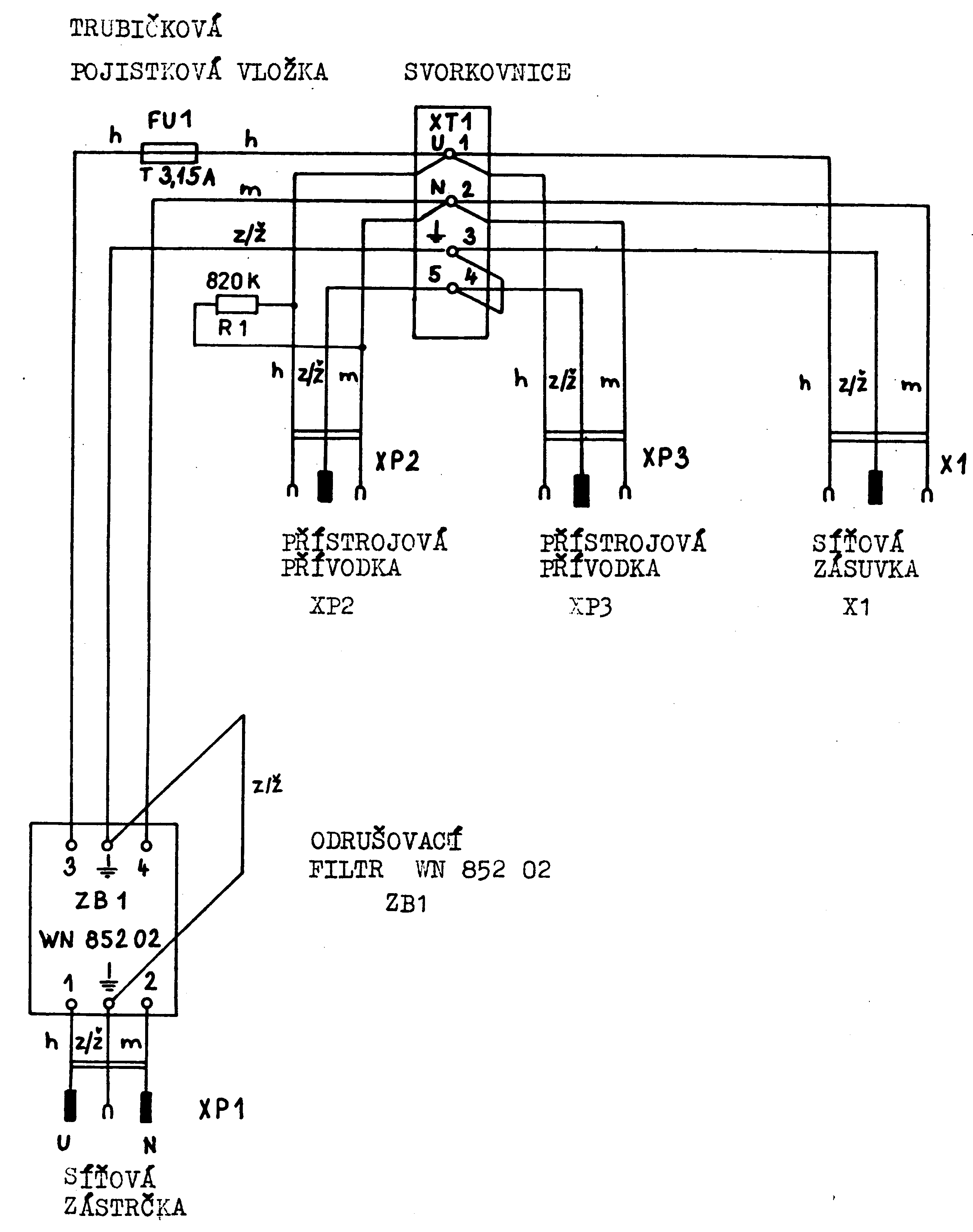
      • jednotku JZS-1 /JZS-1A/ napájet přívodním kabelem ze zadního panelu jednotky JPN-1 /přístrojová přívodka XP2 nebo XP3 - druhá slouží k připojení zdroje jednotky JPN-1/

      • TV přijímač napájet ze síťové zásuvky X1 na zadním panelu jednotky JPN-1.
      • Schéma zapojení zadního panelu je uvedeno v příloze VII.

    12. Jednotku JPN-1 připojíme k síti, tím je jednotka připravena k činnosti. Zapnutí jednotky JPN-1 se indikuje LED diodou na předním panelu jednotky.

    13. Po zasunutí desek systému a připojení všech potřebných kabelů nasuneme prodlužovací tyčku sítového vypínače z příslušenství jednotky JPN-1 a přišroubujeme přední panel jednotky JPN-1.

    14. Obal jednotky JPN-1 uložíme při případ zaslání jednotky do opravy.

      1. Pozn.: V jednotce JPN-1 nelze použít desky, adresované jako pamětí /desky REM-1, RAM-1, AND-1, ZLP-1, ZDP-1/ ani desky procesoru /JPR-1, JPR-1A/.

      2. Pozn.: Je-li v systému použita deska RAM-1/48K, je třeba na této desce zablokovat posledních 8 KB paměti přepojením propojek /viz návod k obsluze desky RAM-1/.

      3. Pozn.: Aby bylo možno využít výhod programovatelného řadiče přerušení na desce ZDP-1, je nutné vyřadit z činnosti obvod MH 3214 na JPR-1.
      4. Na desce JPR-1 provedeme tyto úpravy:

        1. Spojíme vývod č.13 obvodu MH 3214 /D15/ se zemí /s vývodem č.12 téhož IO/.

        2. Přerušíme spoj mezi vývodem č.23 obvodu D16 a vývody č.4 a 5 obvodu D14 /MH 7400/.

        3. Vývod č.15 obvodu D15 spojíme s vývody č.4 a 5 obvodu D14.

        Upozornění: S takto upravenou deskou JPR-1 nelze obsluhovat přerušení od desek umístěných ve sběrnici ARB-1!

      5. Pozn.: Před zasunutím desek systému je nutno provést rozvahu součtu odběrů všech desek /viz formulář příloha IV/.

      6. Pozn.: Obsluha zdroje se omezuje na zapínání a vypínání pomocí sílového vypínače. Je třeba si uvědomit, že bezprostředně po vypnutí není zdroj schopen znovu nastartovat, a proto je třeba před novým zapnutím cca 15 sekund vyčkat.

      7. Pozn.: Při uvádění systému do provozu je nutno nejprve zapnout jednotku JPN-1 a potom JZS-1 /JZS-1A/.

      8. Pozn.: Zasouvat a vyjímat desky ze sběrnice je dovoleno pouze při vypnutém systému.



  8. PROGRAMOVÁNÍ

  9. Programování jednotky JPN-1 spočívá ve volbě adresy jednotky na desce DPB-1 a v obsluze programovatelných obvodů na desce ZDP-1.

    1. Volba adresy jednotky JPN-1
    2. Jednotka JPN-1 je obsahem paměti PROM v dekodéru adres na desce DPB-1 standardně adresována do oblasti paměti FF00 až FFFFH. Požadujeme-li připojení více než jedné jednotky JPN-1, je třeba další jednotky umístit do jiného paměťového "okna" výměnou paměti PROM.

      V takovém případě je však nutno změnit obsah dekodéru adres na všech deskách DPB-1 použitých v systému, neboť je třeba zrušit adresaci jednotek JVV-1 v těch oblastech paměti, kde máme umístěné jednotky JPN-1. Celkový počet připojitelných jednotek JVV-1 a JPN-1 je 15. Počet jednotek JPN-1, které je možné připojit, je prakticky omezen počtem volných pozic ve sběrnici ARB-1 na 4.

      Standardně dodávaný obsah dekodéru adresy na desce DPB-1 je uveden v příloze II kapitoly Deska DPB-1. Výběr jednotky JPN-1 se volí naprogramováním výstupu Y4 obvodu MH 74S287 na úroveň L ve zvolené oblasti o velikosti 256 bajtu. Je samozřejmé, že v oblasti, kde jsou adreso-vány jednotky JVV-1 a JPN-1 musí být zablokována paměť RAM. To lze provést změnou zapojení propojek na desce RAM-1.

    3. Přehled adresace desky ZDP-1
    4. V tab. 1 je uveden přehled registru desky ZDP-1 a jejich adres. Uvedená adresa představuje nižší bajt adresy paměťového místa, odpovídajícího danému registru. Zápis a čtení se ovládají signály MR, MW.

      Pokud v jednotce JPN-1 použijeme desku, jejíž adresa se překrývá s adresami desky ZDP-1, je nutno přeadresovat desku ZDP-1 výměnou paměti PROM.

         adr.      obvod   čtenízápis
      00D4C   registr požadavků /IRR/   
         registr obsluhy /ISR/
         úroveň přerušení
         řídicí slova ICW 1,0CW 2 OCW 3
      01   reg. masky přer. /IMR/   řídicí slova ICW 2,OCW 1
      02D2B   není povoleno   povolení funkce RTC a WATCH DOG   
      03D3B   není povoleno   nulování přerušení od RTC
      04D3C   stav čítače 0   předvolba čítače 0
      05   stav čítače 1   předvolba čítače 1
      06   stav čítače 2   předvolba čítače 2
      07   není povoleno   řídicí slovo čítačů 0 až 2

      Tab. 1: Přehled adres registrů na desce ZDP-1

    5. Ovládání klopných obvodů přerušovacího systému
    6. Zápis na adresu 02H:

                D7  D6  D5  D4  D3  D2  D1  D0
                \________ _______/     EWG ERTC
                         V              |   |
                      bez významu       |   |
                                        |   |
              povoleni funkce WATCH DOG-+   |
      Povolení přerušení od čítače Č1 /RTC/-+
      

      Zápis na adresu 03H nuluje klopný obvod požadavku na přerušení od čítače Č1.

    7. Programování obvodu 8253
    8. Čítač Č0 pracuje jako dělič kmitočtu v módu 2. Výstupní kmitočet je dán vztahem:

               fΦ2
      fOUT0 = -----     [MHz; MHz, -]
               N0
                        fΦ2 kmitočet hodinového signálu N
                        N0 předvolba čítače Č0
      

      Čítač Č1 ve funkci hodin reálného času /RTC/ pracuje v módu 2, ve funkci měření časových intervalů /monostabilní generátor/ v módu 0 nebo 1. Délka generované periody /intervalu/ je:

              N0*N1
      TRTC = -------    [s; -, -, MHz]
               fΦ2
                        N1 předvolba čítače Č1
      

      Čítač Č2 ve funkci "watch dog" pracuje v módu 0. Programátor musí zajistit, aby do čítače byla vložena nová předvolba nejpozději jednu periodu signálu OUT0 před přetečením čítače. Doba od poslední předvolby do vyvolání resetu je dána vztahem:

      
             N0*N2
      TWD = -------     [s; -, -, MHz]
              fΦ2
                        N2 předvolba čítače Č2
      

      Příklad inicializačního programu:

      Čítač Č0 jako zdroj kmitočtu 1 kHz, čítač Č1 jako zdroj periodického přerušení s periodou 25 ms, čítač Č2 jako watch dog s časovou konstantou 1 s.

      START:
      LXI  H,FF07H  : adresa CWR do reg. HL
      MVI  M,35H    : čítač Č0: mód 2, předvolba 2 bajty, BCD
      MVI  M,75H    : čítač Č1: mód 2, předvolba 2 bajty, BCD
      MVI  M,B1H    : čítač Č2; mód 0, předvolba 2 bajty, BCD
      DCX  H        : adresa Č2 do reg. HL
      MVI  M,00H    : - předvolba N2 = 1000 /TWD = 1000 ms/
      MVI  M,10H    : /
      DCX  H        : adresa Č1 do reg. HL
      MVI  M,25H    : - předvolba N1, = 25 /TRTC= 25 ms/
      MVI  M,00H    : /
      DCX  H        : adresa Č0 do reg. HL
      MVI  M,00H    : - předvolba N0 = 2000 /fOUT = 1 kHz/
      MVI  M,20H    : /
      MVI  A,03H    : - povolení RTC a "WATCH DOG"
      STA  FF02H    : /
      
      REP:
      CALL PROG     : uživatelský program /kratší než 1 s/
      LXI  H,FF06H  : \
      MVI  M,00H    :  > nová předvolba čítače Č2
      MVI  M,10H    : /
      JMP  REP      : skok do uživatelského programu
      
    9. Programování obvodu 8259
    10. Obvod typu 8259 je programovatelný osmi úrovňový řadič přerušení, který umožňuje operativně přiřazovat prioritu jednotlivým požadavkům na přerušení, maskovat tyto požadavky a měnit adresy obslužných podprogramů za chodu programu.

      Obvod dodává mikroprocesoru úplnou instrukci volání podprogramu CALL adr16 během tří strojních cyklů typu INTA. Horních 10 nebo 11 bitů adresy podprogramu je pro všechny úrovně přerušení společných a určuje je programátor při inicializaci řadiče přerušení. Dolních 6 nebo 5 bitů dodává obvod 8259 v závislosti na úrovni přerušení a zvoleném formátu /4 nebo 8 bajtu/. Příklad uspořádání adres obslužných podprogramů je uveden v tab. 2 /8259 inicializován adresou 4000H/.

      úroveň přerušení   formát 4   formát 8
      INT04000H4000H
      INT14004H4008H
      INT24008H4010H
      INT3400CH4018H
      INT44010H4020H
      INT54014H4028H
      INT64018H4030H
      INT7401CH4038H

      Tab. 2: Přehled adres obslužných podprogramů

      Vstupy obvodu 8259 jsou úrovňové, tzn. že žádost o přerušení musí na příslušném vstupu trvat až do jejího zpracování. Podprogram obsluhy přerušení musí zajistit zrušení žádosti u příslušné periferie, oznámit řadiči přerušení ukončení obsluhy povelem EOI a povolit přerušení.

      Pro inicializaci obvodu 8259 je třeba zapsat nejprve tzv. inicializační řídicí slova /ICW 1, ICW 2/, která určují počáteční adresu tabulky obslužných podprogramů, interval adres /formát - viz výše/ a režim provozu /single/not single - 8259 na desce ZDP-1 pracuje v režimu "single", tzn., že v systému je jen jeden řadič přerušení a nevyužívá se kaskádního razení/.

      Po provedené inicializaci pomocí ICW je možno v průběhu programu libovolně nastavovat různé mody činnosti pomocí operačních řídicích slov /OCW/. Celá problematika programování obvodu 8259 je poměrně složitá, proto zde uvádíme pouze přehled použitelných řídicích slov a příklad inicializačního programu. Podrobnější popis lze najít v literatuře, např. Valášek,P.: Mikroprocesor 8080 a základní obvody, sv. 2, díl 1., Vydavatelství Obzor, Bratislava 1982.

      adr.   typ CWD7D6D5D4D3D2D1D0význam
      00ICW 1 AA7A6A51 0110inicializace 1. bajtu formát 4
      00ICW 1 CA7A6A500010inicializace 1. bajtu formát 8
      01ICW 2A15   A14   A13   A12   A11   A10A9A8inicializace 2. bajtu /vyšší bajt adresy/
      01OCW 1M7M6M5M4M3M2   M1   M0   zápis/čtení registru masky přerušení
      00OCW 2 E00100000nespecifický EOI
      00OCW 2 SE01100L2L1L0specifický EOI, L2 až L0 určují nulovaný IS
      00OCW 2 RE10100000rotace s EOI /auto mód/
      00OCW 2 RSE11100L2L1L0rotace s EOI, specifický mód
      00OCW 2 RS11000L2L1L0L2 až L0 určují dolní prioritu
      00OCW 2 P00001100dotazovací mód
      00OCW 3 RR00001010čtení reg. IRR
      00OCW 3 RIS00001011čtení reg. ISR
      00OCW 3 SM01101000nastavení spec. maskovacího módu
      00OCW 3 RSM   01001000zrušení spec., maskovacího módu

      Tab. 3: Přehled řídicích slov pro obvod 8259

      Příklad inicializačního programu:
      8259 je inicializován pro práci v módu s úplným vložením /základní mód/, vstupy IR1 a IR6 jsou maskovány, obslužné podprogramy jsou uloženy v paměti od adresy 4800H v intervalu 4 bajty.

      START: LXI H,FF00H  : adresa registru ICW 1 do reg. HL
             MVI M,16H    : nižší bajt adresy, formát 4, single
             INX H        : adresa registru ICW 2 do reg. HL
             MVI M,48H    : vyšší bajt adresy
             MVI M,42H    : OCW 1 - zápis masky přerušení
                  .
                  .         uživatelský program
                  .
      
      
      Konec podprogramu pro obsluhu přerušení
             MVI A, 40H   : - příkaz EOI do registru OCW 2
             STA FF00H    : /
             EI           : povolení přerušení
             RET          : návrat z obslužného podprogramu
      


  10. TESTOVÁNÍ, KONTROLA FUNKCE

  11. Funkce zdroje ZDR-1A, sběrnice IOB-1 a desek ZDP-1 a DPB-1 je ve výrobním podniku kontrolována pomocí speciálního měřicího zařízení. Kontrola funkce kompletní jednotky JPN-1 se provádí v předepsané konfiguraci testem TSX 21.



  12. ÚDRŽBA A SERVIS

    1. Údržba
    2. Je-li jednotka JPN-1 používána v prostředí, pro které je určena, není třeba žádné údržby. Zvýšenou pozornost je nutno věnovat pouze konektorům sběrnice, kabelů a desek. Kontakty FRB konektorů je nutno chránit před znečištěním a mechanickým poškozením, aby byla zaručena spolehlivá funkce systému.

      V rámci údržby lze vyměňovat sítové pojistky /při vypnutém zdroji/.

    3. Servis
    4. Servis provádí Tesla DIZ prostřednictvím svých servisních středisek. Při odeslání jednotky JPN-1 do opravy je nutné ji zabalit do původního přepravního obalu.



  13. VŠEOBECNÉ ÚDAJE

  14. Pracovní podmínky
     
    Teplota okolí+5°C až +40°C
    Relativní vlhkost40% až 80% při 30°C
    Prostředíneklimatizované, bez agresivních par a plynu
    Atmosférický tlak84 až 107 kPa
    Prašnost prostředímax. 1 mg/m3, velikost částic max. 10 µm
    Odolnost proti vibracím0,1 mm při 25 Hz
     
    Krytí
     
    Zdroje ZDR-1AIP 30
    Sběrnice IOB-1, desek DPB-1 a ZDP-1IP 00
    Zabudované jednotky JPN-1 s předním panelem   podle TP a provedení finálního zařízení
     
    Elektrické zařízení odpovídáČSN 36 9060
     
    Kvalifikace obsluhy a údržbypracovník poučený podle § 4 vyhlášky 50/78 Sb.

    Příslušenství

    1 ksKabel KB-15
    1 ksKabel KB-22
    1 ksPřípravek pro vytahování desek systému
    1 ksProdlužovací tyčka sílového vypínače
    2 ksTrubičková pojistková vložka T 3,15/35A
    2 ks   Trubičková pojistková vložka T 1,25/35A

    Skladování

    Skladovací prostor musí být suchý, dobře větraný bez mechanických otřesů a chemických vlivů. Skladovací teplota musí být v rozmezí -5 °C až +35 °C a relativní vlhkost nesmí překročit 75%. Výrobky musí být skladovány v neporušeném obalu. Při vybalování výrobku (zvláště v zimním období) je nutné ponechat výrobek v přepravním obalu 4 až 5 hodin v pracovních podmínkách, aby se vyrovnaly teploty uvnitř a vně obalu a tím se zabránilo orosení výrobku.

    Záruka

    Je uvedena v záručním listě, dodávaném s přístrojem.



  1. PŘÍLOHA: ROZMĚROVÝ NÁKRES JEDNOTKY JPN-1



  2. ROZMĚROVÝ NÁKRES JEDNOTKY JPN-1

  3. PŘÍLOHA: TABULKA ADRESACE SYSTÉMŮ JVV-1 A JPN-1

  4. adresa /hex./jednotka   číslo      obsaz.   
       F000 až F0FF   JVV-10
    F100 až F1FFJVV-11
    F200 až F2FFJVV-12
    F300 až F3FFJVV-13
    F400 až F4FFJVV-14
    F500 až F5FFJVV-15
    F600 až F6FFJVV-16
    F700 až F7FFJVV-17
    F800 až F8FFJVV-18
    F900 až F9FFJVV-19
    FA00 až FAFFJVV-110
    FB00 až FBFFJVV-1JPN-1
    FC00 až FCFFJVV-1JPN-1
    FD00 až FDFFJVV-1JPN-1
    FE00 až FEFF   Obsluha desek RDV-1   
    FF00 až FFFFJPN-10x

    Pozn.: Silně vytažená jednotka je obsazena



  5. PŘÍLOHA: FORMULÁŘ OBSAZENÍ ADRES JEDNOTKY JPN-1



  6. FORMULÁŘ OBSAZENÍ ADRES JEDNOTKY JPN-1

    Pozn.: Adresaci desky ZDP-1 lze změnit úpravou obsahu paměti PROM /obvod D2E/



  7. PŘÍLOHA: FORMULÁŘ PRO KONTROLU CELKOVÉHO ODBĚRU JPN-1

  8. JEDNOTKA JPN-1         v.č.:                           plati od:
    TypPozicePoznámkaProudové odběry ze sekci /v mA/
    +5V-5V+12V   -12V      +15V      -15V   
    SPN-1   0.-----
       1./X1/
       2./X2/
       3./X3/
       4./X4/
       5./X5/
       6./X6/
       7./X7/
    ZDP-1   8./X8/-----
    Celkem   
       ZDR-1A      Maximální možný odběr      8000      800      2000   500500500
       Využití zdroje


  9. PŘÍLOHA: ELEKTRICKÉ SCHÉMA PROPOJOVACÍHO KABELU KB-15



  10. ELEKTRICKÉ SCHÉMA PROPOJOVACÍHO KABELU KB-15

  11. PŘÍLOHA: ELEKTRICKÉ SCHÉMA PROPOJOVACÍHO KABELU KB-22



  12. ELEKTRICKÉ SCHÉMA PROPOJOVACÍHO KABELU KB-22

  13. PŘÍLOHA: SCHÉMA ZAPOJENÍ ZADNÍHO PANELU JEDNOTKY JPN-1



  14. SCHÉMA ZAPOJENÍ ZADNÍHO PANELU JEDNOTKY JPN-1





SBĚRNICE IOB - 1

  1. ÚVOD

  2. Deska sběrnice IOB-1 jednotky JPN-1 slouží k rozvádění napájecích napětí, datových, adresových, řídicích a přerušovacích signálů k jednotlivým deskám systému, umístěných v jednotce JPN-1.

    Sběrnice IOB-1 je realizována deskou oboustranného plošného spoje, osazena devíti 62-pólovými konektory pro desky systému, jedním 30-pólovým konektorem pro připojení napájecího zdroje a třemi kontakty pro připojení systémového panelu SPN-1.



  3. TECHNICKÉ PARAMETRY

  4. Vstupní napětí:
    + 5 V± 0,25 V
    - 5 V± 0,25 V
    + 12 V± 0,25 V
    - 12 V± 0,5 V
     
    Odběr:závisí na typu a počtu desek PS umístěných ve sběrnici
     
    Počet pozic pro desky PS:   1 pro desku ZDP-1
    8 pro desky systému
     
    Signály sběrnice:8 datových
    8 adresových
    8 řídicích
    9 pro přerušovací systém
    5 napájecích
    5 rezervních


  5. POPIS FUNKCE

  6. Deska sběrnice IOB-1 slouží k rozvádění napájecích napětí, datových, adresových, řídicích a přerušovacích signálů k jednotlivým deskám systému. Datové, adresové a řídicí signály jsou posíleny třístavovými zesilovači na deskách DPB-1 a ZDP-1.

    Konektory X1 až X8 jsou určeny pro libovolné desky, adresované jako porty /vstupní/výstupní zařízení/; konektor X9 je vyhrazen pro desku ZDP-1, která pracuje jako řídicí deska jednotky JPN-1 a zajišťuje propojení s jednotkou JZS-1 /JZS-1A/

    Zapojení jednotlivých signálů na vývody konektorů odpovídá sběrnici ARB-1 s tím rozdílem, že u IOB-1 jsou vypuštěny signály, které se používají k obsluze paměti. Sběrnice IOB-1 tedy zahrnuje tyto signály /v závorce jsou uvedena čísla vývodů konektorů/:

    Datové vodiče D0 až D7 /31 až 38/ - slouží k obousměrnému přenosu dat mezi deskami systému.

    Adresové vodiče A0 až A7 /39 až 46/ - slouží k určení osmibitové adresy vstupního/výstupního zařízení.

    Signál IOR /10/ - čtení z portu. Povoluje přenos dat ze vstupního zařízení do procesoru.

    Signál IOW /12/ - zápis do portu. Oznamuje, že na datové sběrnici jsou platná data pro výstupní zařízení.

    Signály IOR a IOW jsou na desce DPB-1 odvozeny ze signálu MR a MW /čtení/zápis z/do paměti/ při adresování zvoleného paměťového "okna". Jednotka JPN-1 se tedy procesoru jeví jako 256 paměťových míst, přičemž nižší bajt adresy paměťového místa odpovídá osmibitové adrese portu.

    Signál RDY /3/ - hlášení připravenosti portu předat/převzít data. Používá se ke vložení čekacích stavů do cyklu čtení nebo zápisu při spolupráci mikroprocesoru 8080A s pomalými periferiemi.

    Signál RTL /1/ - vstup pro nulování /reset/. Slouží k nastavení systému do definovaného výchozího stavu Signál RTL muže být aktivován programově /viz popis desky ZDP-1/.

    Signál RES /8/ - nulování. Odezva mikroprocesoru na signál RTL. Je rovněž automaticky generován po zapnutí napájení.

    Signály M1 /6/, STSTB /4/ - synchronizační signály mikroprocesoru 8080A. Slouží k identifikaci typu strojního cyklu pro diagnostické a ladicí účely.

    Signál Φ2 /60/ - hodinový signál mikroprocesoru 8080A. Slouží k synchronizaci a časování činnosti desek systému.

    Signály INT0INT7 /23 až 30 na X9 a 62 na X1 až X8/ - požadavky na přerušení. Každé pozici ve sběrnici IOB-1 je přiřazen jeden vstup řadiče přerušení na desce ZDP-1. To umožňuje snadno identifikovat a programově obsloužit zdroj přerušení.

    Signál INTA /61/ - potvrzení přijetí požadavku na přerušení.



  1. PŘÍLOHA: TABULKA ZAPOJENÍ KONEKTORŮ X1 AŽ X8

  2. zařízení: IOB-1    konektor: X1 až X8    Klíč: C6    typ: TX 518 4512
    protikus: desky systému SAPI-1    typ: TY 517 6211

    č.signál   význam   typ   č.signál   význam   typ
    1RTLtlačítko RESET   INP2
    3RDYsignál READYINP4STSTB   vzorek statusuOUT
    56M1příznak cyklu M1   OUT
    7R1rezerva 18RESnulováníOUT
    910IORčtení z portuOUT
    1112IOWzápis do portuOUT
    1314
    15+5VnapájeníNAP16+5VnapájeníNAP
    17+5VnapájeníNAP18+5VnapájeníNAP
    190VzemNAP200VzemNAP
    2122
    2324
    2526
    2728
    2930
    31D4dataI/O32D3dataI/O
    33D6dataI/O34D5dataI/O
    35D2dataI/O36D7dataI/O
    37D0dataI/O38D1dataI/O
    39A1adresaOUT40A0adresaOUT
    41A3adresaOUT42A2adresaOUT
    43A5adresaOUT44A4adresaOUT
    45A7adresaOUT46A6adresaOUT
    47R2rezerva 248R3rezerva 3
    49R4rezerva 450R5rezerva 5
    51+12VnapájeníNAP52+12VnapájeníNAP
    530VzemNAP540VzemNAP
    55-5VnapájeníNAP56-5VnapájeníNAP
    57-12VnapájeníNAP58-12VnapájeníNAP
    59   60   Φ2hodiny Φ2OUT
    61INTApotvrzení přer.OUT62INTnžádost o přer.INP
    Typ signálu:   INPvstupnívývod 62   X1signál INT0
    OUT   výstupníX2   signál INT1
    I/Oobousměrný   ...
    NAPnapájeníX8signál INT7


  3. PŘÍLOHA: TABULKA ZAPOJENÍ KONEKTORU X9

  4. zařízení: IOB-1    konektor: X9    Klíč: E2    typ: TX 518 4512
    protikus: deska ZDP-1 konektor X1    typ: TY 517 6211

    č.signál   význam   typ   č.signál   význam   typ
    1RTLtlačítko RESETOUT2
    3RDYsignál READYOUT4STSTB   vzorek statusuINP
    56M1příznak cyklu M1   INP
    7R1rezerva8RESnulováníINP
    910IORčtení z portuINP
    1112IOWzápis do portuINP
    1314
    15+5VnapájeníNAP16+5VnapájeníNAP
    17+5VnapájeníNAP18+5VnapájeníNAP
    190VzemNAP200VzemNAP
    2122
    23INT0žádost o přer. 0OUT24INT1žádost o přer. 1OUT
    25INT2žádost o přer. 2OUT26INT3žádost o přer. 3OUT
    27INT4žádost o přer. 4OUT28INT5žádost o přer. 5OUT
    29INT6žádost o přer. 6   OUT30INT7žádost o přer. 7OUT
    31D4dataI/O32D3dataI/O
    33D6dataI/O34D5dataI/O
    35D2dataI/O36D7dataI/O
    37D0dataI/O38D1dataI/O
    39A1adresaINP40A0adresaINP
    41A3adresaINP42A2adresaINP
    43A5adresaINP44A4adresaINP
    45A7adresaINP46A6adresaINP
    47R2rezerva 248R3rezerva 3
    49R4rezerva 450R5rezerva 5
    51+12VnapájeníNAP52+12VnapájeníNAP
    530VzemNAP540VzemNAP
    55-5VnapájeníNAP56-5VnapájeníNAP
    57-12VnapájeníNAP58-12VnapájeníNAP
    59   60Φ2hodiny Φ2INP
    61INTApotvrzení přer.INP62   
    Typ signálu:   INPvstupní
    OUTvýstupní
    I/Oobousměrný
    NAP   napájeni


  5. PŘÍLOHA: TABULKA ZAPOJENÍ KONEKTORU X10

  6. zařízení: IOB-1    konektor: X10    Klíč: B2    typ: TX 514 3012
    protikus: propojovací kabel KB-15 /X1/    typ: TY 513 3042

    č.signál   význam   typ   č.signál   význam   typ
    1-5VnapájeníNAP2-5VnapájeníNAP
    3-12VnapájeníNAP4-12VnapájeníNAP
    50VzemNAP60VzemNAP
    70VzemNAP80VzemNAP
    9+12VnapájeníNAP10+12VnapájeníNAP
    11+12VnapájeníNAP12+12VnapájeníNAP
    1314
    15+5VnapájeníNAP16+5Vnapájení   NAP
    17+5Vnapájení   NAP18+5VnapájeníNAP
    19+5VnapájeníNAP20+5VnapájeníNAP
    21+5VnapájeníNAP22+5VnapájeníNAP
    230VzemNAP240VzemNAP
    250VzemNAP260VzemNAP
    27   0VzemNAP280VzemNAP
    290VzemNAP30   0VzemNAP
    Typ signálu:   NAP   napájeni


  7. PŘÍLOHA: ROZPISKA SOUČÁSTÍ SBĚRNICE IOB-1

  8. ks   označení součásti   značení polohy   název součásti
    Konstrukční marerial
    16XB 005 88deska PS oboustranná
    16XA 789 11pružinapřipevnění vidlice
    kabelu KB-15
    k zásuvce X10
    16XA 345 15pásek
    16XA 947 61držák
    3WA 459 411,2,3kontaktní kolík /pro SPN-1/
    8TX 518 4512X1 až X862-pólová zásuvka SOURIAU
    1TX 514 3012X1030-pólová zásuvka SOURIAU
    1TX 518 9212X962-pólová zásuvka SOURIAU
    Pasivní prvky
    4TF 009 47uC33 až C36elektrolytický kondenzátor /25V/
    16TK 783 15nC9 až C16,
    C18, C20,
    C22, C24,
    C26, C28,
    C30, C32
    keramický kondenzátor /32V=/
    16TK 783 22nC1 až C8,
    C17,C19,
    C21, C23,
    C25, C27,
    C29, C31
    keramický kondenzátor /32V=/


  9. PŘÍLOHA: VÝKRES OSAZENÍ SBĚRNICE IOB-1


  10. VÝKRES OSAZENÍ SBĚRNICE IOB-1

  11. PŘÍLOHA: ELEKTRICKÉ SCHÉMA SBĚRNICE IOB-1


  12. ELEKTRICKÉ SCHÉMA SBĚRNICE IOB-1 a černobílá verze ZDE.





DESKA DPB-1

  1. ÚVOD

  2. Deska propojení sběrnic DPB-1 umožňuje připojit k základní sestavě mikropočítače SAPI-1 /jednotka JZS-1, JZS-1A/ jednu jednotku JPN-1 a po doplnění obvody podle schématu až 14 jednotek systému vstupů a výstupů JVV-1.

    Deska DPB-1 je realizovaná oboustrannou deskou PS formátu 140 x 150 mm, je opatřená dvěma FRB konektory. 62-pólový konektor slouží pro připojení desky do některého z konektorů X2 až X8 sběrnice ARB-1 jednotky JZS-1 /JZS-1A/. 30-pólový konektor je určen pro připojení kabelu KB-22 /propojení s deskou ZDP-1/


  3. TECHNICKÉ PARAMETRY

  4. Napájecí napětí+ 5 V ± 0,25 V
     
    Odběr proudutyp. 0,4 A
    max. 0,7 A
     
    Zátěže sběrnice ARB-1
    D0 až D7... 0,5 mA
    A0 až A3... 0,5 mA
    A4 až A7... 0,75 mA
    A8 až A11... 1,5 mA
    A12 až A15... 0,25 mA
    M1... 0,25 mA
    MR, MW, Φ2... 0,5 mA
    STSTB, INTA... 0,75 mA
    RES... 1,5 mA
     
    Počet připojitelných jednotek   1 x JPN-1
    14 x JVV-1 /po dosazení podle schématu/
     
    Adresace deskyMR/MW, adresa F000H až FFFFH
     
    Rozměry desky140 x 150 mm
     
    Hmotnost desky100 g


  5. POPIS FUNKCE

  6. Deska propojení sběrnic DPB-1 obsahuje dekodér adresy, obousměrné datové zesilovače a logiku řídicích signálů.

    Dekodér adresy je tvořen pamětí PROM D2B a hradlem D3A/6. Deska je adresovaná jako paměť v rozsahu F000H až FFFFH. Tato oblast je rozdělena na 16 stránek po 256 bajtech, z nichž 14 je využito pro adresování jednotek JVV-1, 1 pro adresování jednotky JPN-1 a 1 pro obsluhu desky RDV-1 /řídicí deska systému JVV-1/. Paměť PROM generuje signály SELI/O pro výběr jednotky JPN-1, SELV/V pro výběr jednotky JVV-1, INH pro obsluhu přerušovacího systému jednotek JVV-1 a WAIT pro zařazení čekacího stavu do cyklu čtení/zápisu při obsluze pomalejších desek systému JVV-1. Standardní obsah paměti PROM je uveden v příloze II. Změnou tohoto obsahu je možno změnit rozmístění jednotek JPN-1 a JVV-1 v adresovém prostoru.

    Logika řídicích signálů:
    Hradla D1B/1, D1B/13 transformují signály MR a MW na signály RD a WR pro jednotku JVV-1 za předpokladu, že je tato jednotka vybrána signálem SELV/V = 0. Hradla D2A/6, D2A/8 obdobným způsobem transformují signály MR, MW na RD, WR pro jednotku JPN-1. Vkládání čekacích stavů do cyklu čtení/zápisu zajišťuje klopný obvod D4A/6, který přejde do stavu "1" na dobu jedné periody hodin Φ2, je-li adresována jednotka, pro kterou paměť D2B generuje signál WAIT. Vkládání čekacích stavů je možno zrušit rozpojením propojky 1-2.

    Signály sběrnice ARB-1 jsou zesilovány obvody MHB 8286 /D1C, D1D, D2C/ pro JPN-1 a MHB 8287 /D2D, D3C, D4C/ pro JVV-1 - tyto signály jsou invertovány. Směr přenosu datových zesilovačů je řízen příslušným signálem čtení RD, pro jednotku JPN-1 navíc ještě signálem INTA /pro čtení instrukce přerušení/. K jednotce JVV-1 se přivádí 12 adresových vodičů A0A11, které adresují jednotlivé bity vstup/výstupního systému podle následujícího schématu:

    A11   A10   A9   A8   A7   A6   A5   A4   A3   A2   A1   A0
    \________  _______/   \____  ____/   \_  __/   \____  ____/
             \/                \/          \/           \/
      číslo jednotky      pozice desky adresa por-  pořadí bitu
                           v jednotce  tu na desce    v portu
    

    Pro řízení systému JVV-1 jsou vyvedeny signály čtení RD zápisu MW, nulování RES a signál INH. Tento signál ve stavu L přepíná adresaci jednotky z adresových vodičů A11, A10, A9, A8 na A3, A2, A1, A0 a umožňuje číst do procesoru stavové slovo požadavku na přerušení RI0 až RI7 právě adresované jednotky a nulovat tyto požadavky zápisem na danou adresu /viz příloha II jednotky JPN-1/. Jednotky JVV-1 vysílají k desce DPB-1 signál požadavku na obsluhu SRQ, který muže být přiveden buď přímo na sběrnici ARB-1 jako signál žádosti o přerušení INT1, nebo k řadiči přerušení na desce ZDP-1, je-li v systému použita jednotka JPN-1. Způsob ošetření signálu SRQ se volí spojkou 3-4.

    K jednotce JPN-1 je přivedeno pouze nižších 8 bitů 16-bitové adresové sběrnice mikroprocesoru 8080A. Vyšších 8 bitů je využito na desce DPB-1 k adresaci jednotky. Adresa desek, umístěných v jednotce JPN-1 se tedy transformuje takto:

    vyšší bajt        FFH        A8H     8-bitová adresa
    adresy JPN-1       |__  ______|      portu na desce
                         |\/| 
                         FFA8H-----------výsledné adresa portu
                          |              /adresuje se jako
    standardní provedení--+               paměťové místo/
    
    lze změnit změnou obsahu
    PROM D2B
    

    Popsaná transformace adresy umožňuje použít v systému více desek se stejnou adresou a zefektivnit jejich obsluhu, neboť instrukce pracující s pamětí jsou výkonnější než instrukce vstupu a výstupu.

    Z řídicích signálů je pro jednotku JPN-1 použito signálů RD, WR /čtení, zápis/, Φ2 /hodiny/, STSTB, M1 /synchronizační signály strojních cyklů procesoru/, RES /nulování/ a INTA /čtení instrukce přerušení/. Jednotka JPN-1 vysílá k procesoru signály RDY /synchronizace procesoru s pomalými periferiemi/, INT /požadavek na přerušení/ a RTL /požadavek na reset systému/. Tyto signály jsou na desce DPB-1 zesíleny budiči D1A.



  1. PŘÍLOHA: VÝZNAM PROPOJEK NA DESCE DPB-1

  2.    Propojka   spojenorozpojeno
    1-2generuje signál RDY   
    při adresaci JVV-1
    signál RDY blokován
    3-4přivádí signál SRQ
    na sběrnici ARB-1
    signál SRQ veden
    přes desku ZDP-1

    Pozn.: Dodávané zapojení je silné vytaženo


  3. PŘÍLOHA: OBSAH DEKODÉRU ADRESY DESKY DPB-1

  4. adresa /hex./   Y4   Y3   Y2   Y1
    00 až DF1000
    E01001
    E1 až EF1110
    F0 až FF0110

    Pozn.: Uvedené adresy představují hexadecimální vyjádření vstupního slova paměti PROM v pořadí bitů HGFEDCBA.

    Obsah PROM (INTELHEX)

    :20000000F8F8F8F8F8F8F8F8F8F8F8F8F8F8F8F8F8F8F8F8F8F8F8F8F8F8F8F8F8F8F8F8E0
    :20002000F8F8F8F8F8F8F8F8F8F8F8F8F8F8F8F8F8F8F8F8F8F8F8F8F8F8F8F8F8F8F8F8C0
    :20004000F8F8F8F8F8F8F8F8F8F8F8F8F8F8F8F8F8F8F8F8F8F8F8F8F8F8F8F8F8F8F8F8A0
    :20006000F8F8F8F8F8F8F8F8F8F8F8F8F8F8F8F8F8F8F8F8F8F8F8F8F8F8F8F8F8F8F8F880
    :20008000F8F8F8F8F8F8F8F8F8F8F8F8F8F8F8F8F8F8F8F8F8F8F8F8F8F8F8F8F8F8F8F860
    :2000A000F8F8F8F8F8F8F8F8F8F8F8F8F8F8F8F8F8F8F8F8F8F8F8F8F8F8F8F8F8F8F8F840
    :2000C000F8F8F8F8F8F8F8F8F8F8F8F8F8F8F8F8F8F8F8F8F8F8F8F8F8F8F8F8F8F8F8F820
    :2000E000F9FEFEFEFEFEFEFEFEFEFEFEFEFEFEFEF6F6F6F6F6F6F6F6F6F6F6F6F6F6F6F6C5
    :00000001FF
    

    Přiřazení vstupů paměti PROM vodičům adresové sběrnice:

    vstupHGFEDCBA
    číslo vývodu   151234765
    adres. bitA11   A10   A9   A8   A7   A6   A5   A4


    Výstupní signály paměti PROM:

    výstupY4Y3Y2Y1
    číslo vývodu   9101112
    signálSELI/O   SELV/V   WAIT   INH


  5. PŘÍLOHA: TABULKA ZAPOJENÍ KONEKTORU X1

  6. Deska: DPB-1    Konektor: X1    Klíč: C6    Typ: TY 517 6211
    Protikus: sběrnice ARB-1 X2 až X8 /JZS-1/    typ: TX 525 6212

    č.signál   význam   typ   č.signál   význam   typ
    1RTLtlačítko RESET   OUT2
    3RDYsignál READYOUT4STSTB   vzorek statusuINP
    56M1příznak cyklu M1   INP
    78RESnulováníINP
    9MRčteníINP10
    11MWzápisINP12
    1314
    15+5VnapájeníNAP16+5VnapájeníNAP
    17+5VnapájeníNAP18+5VnapájeníNAP
    190VzemNAP200VzemNAP
    2122
    23A9adresaINP24A15adresaINP
    25A11adresaINP26A14adresaINP
    27A13adresaINP26A12adresaINP
    29A10adresaINP30A8adresaINP
    31D4dataI/O32D3dataI/O
    33D6dataI/O34D5dataI/O
    35D2dataI/O36D7dataI/O
    37D0dataI/O38D1dataI/O
    39A1adresaINP40A0adresaINP
    41A3adresaINP42A2adresaINP
    43A5adresaINP44A4adresaINP
    45A7adresaINP46A6adresaINP
    4748
    4950
    5152
    5354
    5556
    5758   
    59   60Φ2hodiny Φ2INP
    61INTApotvrzení přer.INP62INT0žádost o prer. 0OUT
    Typ signálu:   INPvstupní
    OUTvýstupní
    I/Oobousměrný
    NAP   napájeni


  7. PŘÍLOHA: TABULKA ZAPOJENÍ KONEKTORU X2

  8. deska: DPB-1    Konektor: X2    Klíč: C3    typ: TY 513 3011
    protikus: propojovací kabel KB-22 /X1,X2/    typ: TX 514 3043

    č.signál   význam   typ   č.signál   význam   typ
    10VzemNAP20VzemNAP
    3A6adresaOUT4A5adresaOUT
    5A7adresaOUT6A4adresaOUT
    7A2adresaOUT8A3adresaOUT
    9A0adresaOUT10A1adresaOUT
    11D1dataI/O12D7dataI/O
    13D2dataI/O14D5dataI/O
    15D6dataI/O16D4dataI/O
    17D3dataI/O18D0dataI/O
    19STSTB   vzorek statusu   OUT20M1příznak cyklu M1OUT
    21RESnulováníOUT22RDčteníOUT
    23WRzápisOUT24   Φ2hodiny Φ2OUT
    25INTApotvrzení přer.OUT26VVSINT   přerušení z JVV-1   OUT
    27   RDYsignál READYINP28INT0žádost o přer.INP
    290VzemNAP30RTLtlačítko RESETINP
    Typ signálu:   INPvstupní
    OUTvýstupní
    I/Oobousměrný
    NAP   napájeni


  9. PŘÍLOHA: ROZPISKA SOUČÁSTÍ DESKY DPB-1

  10. ks   označení součásti   označení polohynázev součásti
    Konstrukční materiál
    16XB 005 30deska PS oboustranná
    1TX 782 2171objímka pro IO - 16 pin
    16XA 276 08podložka pod objímku
    1TY 517 6211X1vidlice FRB 62-pólová
    1TY 513 3011X2vidlice FRB 30-pólová
    Pasivní prvky
    3TR 191 560RKR6 až R8odpor 0,25 W, tolerance 10%
    1TR 191 1K0KR15odpor 0,25 W, tolerance 10%
    5TR 191 4K7KR1 až R3, R5,R9   odpor 0,25 W, tolerance 10%
    4TR 191 10KKR10 až R13odpor 0,25 W, tolerance 10%
    8TK 782 22nC1 až C8keramický kondenzátor /32V=/
    2TE 131 6u8C9,C10elektrolytický kond. /12,5V=/
    Integrované obvody
    1UCY 7407D1A6 x budič s otevř. kolektorem
    1K 555 LI1D3B4 x AND
    1K 555 LA1D3A2 x čtyřvstupový NAND
    1K 555 LL1D2A4 x dvouvstupový OR
    1MH 74S287D2Bpaměť PROM
    3MHB 8286D1C,D2C,D1Dosmibitový přijímač/vysílač


  11. PŘÍLOHA: VÝKRES OSAZENÍ DESKY DPB-1


  12. VÝKRES OSAZENÍ DESKY DPB-1

  13. PŘÍLOHA: ELEKTRICKÉ SCHÉMA DESKY DPB-1


  14. ELEKTRICKÉ SCHÉMA DESKY DPB-1 a černobílá verze ZDE.





DESKA ZDP-1

  1. ÚVOD

  2. Základní deska propojení ZDP-1 se používá jako řídicí deska jednotky JPN-1.

    Deska ZDP-1 je realizované oboustrannou deskou PS formátu 140 x 150 mm, je opatřené dvěma FRB konektory. 62-pólový konektor slouží pro připojení desky do jednotky JPN-1 - pozice X9 sběrnice IOB-1. 30-pólový konektor je určen pro připojení kabelu KB-22 /propojení s deskou DPB-1/.



  3. TECHNICKÉ PARAMETRY

  4. Napájecí napití+ 5 V ± 0,25 V
     
    Odběr proudu typ. 0,8 A
    max. 1,2 A
     
    Zátěže sběrnice IOB-1RDY, RTL, INT0INT7 ... 0,25 mA
     
    Počet úrovní přerušení8 programovatelný řadič přerušení
    3 programovatelné čítače
     
    Adresace desky MR/MW   přes desku DPB-1
    adresa volitelná v rozsahu 256 B
    deska zabírá 8 adres
     
    Rozměry desky140 x 150 mm
     
    Hmotnost desky140 g


  5. POPIS FUNKCE

  6. Základní deska propojení ZDP-1 obsahuje zesilovače datových, adresových a řídicích signálů, dekodér adresy, univerzální časovač, programovatelný řadič přerušení a obvody pro řízení přerušovacího systému.

    Zesilovače datových, adresových a řídicích signálů jsou tvořeny třemi obvody MHB 8286 /D1C, D1E, D2D/. Zajišťují potřebnou výkonovou úroveň k buzení sběrnice IOB-1 a propojovacího kabelu KB-22. Směr přenosu zesilovače datové sběrnice je řízen signály RD a INTA. Obvod MHB 8286 /D2D/ posiluje výstupy programovatelných obvodů časovače /D3C/ a radiče přerušení /D4C/.

    Dekodér adresy je tvořen pamětí PROM D2E. Generuje signály CTS, ICS výběru obvodu D3C, D4C a signály WRCR, RRTC pro zápis do klopných obvodů řízení přerušovacího systému D2B, D3B. Změnou obsahu paměti lze libovolné měnit adresaci desky. Z výroby je nastavena adresa v rozsahu 00H až 07H /viz odst. Programování v popisu jednotky JPN-1/.

    Programovatelný časovač je tvořen obvodem typu 8253 /D3C/. Tento obvod obsahuje tři 16-bitové čítače, z nichž jeden /Č0/ je použit jako dělič hodinového kmitočtu 2 MHz. Dělicí poměr je možno volit programově. Výstup z čítače Č0 slouží jako zdroj hodinového kmitočtu pro čítače Č1 a Č2. Výstup čítače Č1 vyvolává přerušení a lze ho využít pro funkci hodin reálného času jako zdroj periodického přerušení pro obsluhu periferních zařízení nebo k měření časových intervalů. Požadavek na přerušení se pamatuje v klopném obvodu D3B/5 a lze jej vymazat signálem RRTC. Činnost čítače Č1 lze blokovat zápisem "0" do klopného obvodu D2B/5.

    Čítač Č2 je zapojen ve funkci "watch dog". Jeho výstup přechodem na úroveň H způsobí reset systému. Této funkce se využívá v případě, kdy je nutno zabezpečit systém proti zhroucení programu. Čítač Č2 je při běhu programu periodicky nastavován před dočítáním, takže jeho výstup setrvává v úrovni L. Pokud v programu dojde k chybě /program "zabloudí"/, nastane po uplynutí předvolené doby reset, čímž se systém uvede do definovaného výchozího stavu. Funkci lze blokovat zápisem "0" do klopného obvodu D2B/9.

    Programovatelný prioritní radič přerušení je tvořen obvodem 8259 /D4C/. Obvod má 8 vstupů požadavků na přerušení, k nimž jsou přivedeny signály INT0INT7 od jednotlivých pozic ve sběrnici IOB-1. Na vstup IR1 muže být kromě toho připojen signál SRQ z jednotky JVV-1 a na vstup IR0 požadavek na přerušení od časovače Č1 /RTC INT/. Toto připojení se volí přepínači S1 a S2 /viz příloha I/.



  1. PŘÍLOHA: VÝZNAM PŘEPÍNAČŮ NA DESCE ZDP-1

  2. Přepínač   sepnutrozepnut
    S1RTC generuje
    přerušení INT0   
    RTC blokován
    S2SRQ generuje
    přerušení INT1
    SRQ blokován


  3. PŘÍLOHA: OBSAH DEKODÉRU ADRESY DESKY ZDP-1

  4. adresa /hex./   Y4   Y3   Y2   Y1
    00 až 011110
    021011
    030111
    04 až 071101
    08 až FF1111

    Pozn.: Uvedené adresy představují hexadecimální vyjádření vstupního slova paměti PROM v pořadí bitů HGFEDCBA

    Obsah PROM (INTELHEX)

    :20000000FEFEFBF7FDFDFDFDFFFFFFFFFFFFFFFFFFFFFFFFFFFFFFFFFFFFFFFFFFFFFFFF16
    :20002000FFFFFFFFFFFFFFFFFFFFFFFFFFFFFFFFFFFFFFFFFFFFFFFFFFFFFFFFFFFFFFFFE0
    :20004000FFFFFFFFFFFFFFFFFFFFFFFFFFFFFFFFFFFFFFFFFFFFFFFFFFFFFFFFFFFFFFFFC0
    :20006000FFFFFFFFFFFFFFFFFFFFFFFFFFFFFFFFFFFFFFFFFFFFFFFFFFFFFFFFFFFFFFFFA0
    :20008000FFFFFFFFFFFFFFFFFFFFFFFFFFFFFFFFFFFFFFFFFFFFFFFFFFFFFFFFFFFFFFFF80
    :2000A000FFFFFFFFFFFFFFFFFFFFFFFFFFFFFFFFFFFFFFFFFFFFFFFFFFFFFFFFFFFFFFFF60
    :2000C000FFFFFFFFFFFFFFFFFFFFFFFFFFFFFFFFFFFFFFFFFFFFFFFFFFFFFFFFFFFFFFFF40
    :2000E000FFFFFFFFFFFFFFFFFFFFFFFFFFFFFFFFFFFFFFFFFFFFFFFFFFFFFFFFFFFFFFFF20
    :00000001FF
    

    přiřazení vstupů paměti PROM vodičům adresové sběrnice:

    vstupHGFEDCBA
    číslo vývodu   151234765
    adres. BitA7   A6   A5   A4   A3   A2   A1   A0


    Výstupní signály paměti PROM:

    VýstupY4Y3Y2Y1
    číslo vývodu   9101112
    signálRRTC   WRCR   CTS   ICS


  5. PŘÍLOHA: TABULKA ZAPOJENÍ KONEKTORU X1

  6. Deska: ZDP-1    Konektor: X1    Klíč: E2    Typ: TY 517 6211
    Protikus: sběrnice IOB-1 konektor X9    Typ: TX 525 6212

    č.signál   význam   typ   č.signál   význam   typ
    1RTLtlačítko RESETINP2
    3RDYsignál READYINP4STSTB   vzorek statusuOUT
    56M1příznak cyklu M1   OUT
    78RESnulováníOUT
    910IORčtení z portuOUT
    1112IOWzápis do portuOUT
    1314
    15+5VnapájeníNAP16+5VnapájeníNAP
    17+5VnapájeníNAP18+5VnapájeníNAP
    190VzemNAP200VzemNAP
    2122
    23INT0žádost o přer. 0   INP24INT1žádost o přer. 1INP
    25INT2žádost o přer. 2INP26INT3žádost o přer. 3INP
    27INT4žádost o přer. 4INP28INT5žádost o přer. 5INP
    29INT6žádost o přer. 6INP30INT7žádost o přer. 7INP
    31D4dataI/O32D3dataI/O
    33D6dataI/O34D5dataI/O
    35D2dataI/O36D7dataI/O
    37D0dataI/O38D1dataI/O
    39A1adresaOUT40A0adresaOUT
    41A3adresaOUT42A2adresaOUT
    43A5adresaOUT44A4adresaOUT
    45A7adresaOUT46A6adresaOUT
    4748
    4950
    5152
    5354
    5556
    5758
    59   60   Φ2hodiny Φ2OUT
    61INTApotvrzení přer.OUT62
    Typ signálu:   INPvstupní
    OUTvýstupní
    I/Oobousměrný
    NAP   napájeni


  7. PŘÍLOHA: TABULKA ZAPOJENÍ KONEKTORU X2

  8. Deska: ZDP-1    Konektor: X2    Klíč: C3    Typ: TY 513 3011
    Protikus: propojovací kabel KB-22 /X1,X2/    Typ: TX 514 3043

    č.signál   význam   typ   č.signál   význam   typ
    10VzemNAP20VzemNAP
    3A6adresaINP4A5adresaINP
    5A7adresaINP6A4adresaINP
    7A2adresaINP8A3adresaINP
    9A0adresaINP10A1adresaINP
    11D0dataI/O12D7dataI/O
    13D2dataI/O14D5dataI/O
    15D6dataI/O16D4dataI/O
    17D3dataI/O18D0dataI/O
    19STSTB   vzorek statusu   INP20M1příznak cyklu M1INP
    21RESnulováníINP22RDčteníINP
    23WRzápisINP24   Φ2hodiny Φ2INP
    25INTApotvrzení přer.INP26VVSINT   přerušení z JVV-1   INP
    27RDYsignál READYOUT28INT0žádost o přer. 0OUT
    290V   zemNAP30RTLtlačítko RESETOUT
    Typ signálu:   INPvstupní
    OUTvýstupní
    I/Oobousměrný
    NAP   napájeni


  9. PŘÍLOHA: ROZPISKA SOUČÁSTÍ DESKY ZDP-1

  10. ks   označení součásti   označení polohynázev součásti
    konstrukční material
    16XB 006 03deska PS oboustranná
    1TX 782 2171objímka pod IO - 16 pin
    16XA 276 08podložka pod objímku
    1TY 517 6211X1vidlice FRB 62-pólová
    1TY 513 3011X2vidlice FRB 30-pólová
    1TS 501 2121S1, S22 x přepínač DIL
    Pasivní prvky
    1TR 191 150RKR16odpor 0,25 W, tolerance 10%
    1TR 191 470RKR5odpor 0,25 W, tolerance 10%
    3TR 191 560RKR2 až R4odpor 0,25 W, tolerance 10%
    11TR 191 1K0KR6 až R15, R17odpor 0,25 W, tolerance 10%
    2TR 191 4K7KR4, R18odpor 0,25 W, tolerance 10%
    1TK 794 680pMC1keramický kond. /40V=/
    2TK 783 15nC8, C12keramický kond. /32V=/
    9TK 783 47nC2 až C7, C9 až C11keramický kond. /32V=/
    3TE 131 6u8C13 až C15elektrolyt, kond. /6,3V=/
    Integrované obvody
    17406 PCD1D6 x invertor
    1MH 7430D4Eosmivstupový NAND
    2MH 7474D2B, D3B2 x klopný obvod D
    1UCY 74132D1B4 x NAND
    2K 555 LI1D3A, D3E4 x AND
    1K 555 LL1D2A4 x dvouvstupový OR
    2K 555 TL2D1A, D4B6 x invertor, Schmidt. KO
    1KR 580 VI53D3Cprogramovatelný časovač
    1KR 580 VN59D4Cprogr. řadič přerušení
    1MH 74S287D2Epaměť PROM
    4MHB 8286D1C, D1E, D2C, D2D   osmibitový přijímač/vysílač


  11. PŘÍLOHA: VÝKRES OSAZENÍ DESKY ZDP-1


  12. VÝKRES OSAZENÍ DESKY ZDP-1



  13. PŘÍLOHA: ELEKTRICKÉ SCHÉMA DESKY ZDP-1


  14. ELEKTRICKÉ SCHÉMA DESKY ZDP-1 a černobílá verze ZDE.







ZDROJ ZDR-1A

  1. ÚVOD

  2. Zdroj ZDR-1A je impulsní stabilizovaný zdroj, který využívá integrované obvody B260D a realizuje napěťové hladiny ± 5V, ± 12V a ± 15V. Tyto hladiny jsou chráněny proti proudovému přetížení. Při startu nejprve nabíhají hladiny - 5V, - 12V, ± 15V, hladina - 5V odblokuje hladinu + 5V a ta pak odblokuje hladinu + 12V. ZDR-1A obsahuje ochranu proti přepětí a umožňuje signalizovat následný výpadek sílového napětí.



  3. TECHNICKÉ PARAMETRY

  4. Napájecí napětí220 V + 10% -15%
     
    Frekvence sítě50 Hz ± 2%
     
    Příkon max.240 VA
     
    Výstupní napětí
    + 5 V ± 5%... 8 A
    - 5 V ± 5%... 0,8 A
    + 12 V ± 5%... 2 A
    - 12 V ± 5%... 0,5 A
    + 15 V ± 5%... 0,5 A
    - 15 V ± 5%... 0,5 A
    Výstup + 12V lze zatížit proudem až 4 A,
    nepřekročí-li zatížení výstupu + 5V hodnotu 5 A.
     
    Zvlnění výstupního napětí   max. 100 mV š-š /složka 100 Hz/
     
    Jištění zdrojetrubičková pojistková vložka T 1,25/35A


  5. POPIS FUNKCE

  6. Vstupní sílové napětí 220 V je nejprve transformováno na hodnotu 24 V transformátorem T1, který slouží též k bezpečnému oddělení sekundárních obvodů od sítě. Střídavé napětí z transformátoru je dále usměrněno čtveřicí diod VD1 až VD4 a částečně vyfiltrováno kondenzátory C1 až C7. Toto stejnosměrné napětí je přivedeno ke stabilizátorům pro jednotlivá napětí + 5V, + 12V a + 15V.

    Napěťové hladiny + 5V a + 12V jsou výstupní, hladina + 15V slouží k napájení dvojčinného měniče a startuje jako první. Měnič pak vytváří napěťové hladiny - 5V, - 12V a ± 15V. Hladina - 5V odblokuje stabilizátor + 5V a hladina + 5V odblokuje stabilizátor + 12V. Stabilizátory jsou řízeny integrovaným obvodem B260D, jednotlivá napětí se nastavují trimry RP2, RP4 a RP6. Nastavení proudového omezení se provádí trimry RP1, RP3 a RP5.

    Vzorky napětí ze stabilizátoru + 5V, + 12V a + 15V se přivádí na desku filtru do obvodu přepěťové ochrany. Stoupne-li některé z uvedených napětí nad povolenou hodnotu, sepne tyristor VS1 a tím zkratuje stejnosměrné napájecí napití, což má za následek přepálení pojistky FU1.

    Zdroj má na svorce N výstupní svorkovnice vyvedeno stejnosměrné napětí z filtračních kondenzátorů /cca 25 až 35V podle zatížení zdroje a napětí sítě/. Tento vývod je určen pro kontrolní a měřicí účely.

    Na svorce X výstupní svorkovnice má zdroj vyvedenou signalizaci poklesu stejnosměrného napájecího napětí na filtračních kondenzátorech pod zvolenou hodnotu. Je na ní vyveden kolektor tranzistoru, který je v běžném provozu rozepnut, při výpadku napájení sepnut. Maximální dovolené napětí na výstupu X je 30 V, proudová zatížitelnost 50 mA.

    Pozn.: Zapojení výstupní svorkovnice je uvedeno v odstavci Instalace jednotky JPN-1.


  1. PŘÍLOHA: ROZMÍSTĚNÍ DESEK PS VE ZDROJI ZDR-1A


  2. Obr. 1: ROZMÍSTĚNÍ DESEK PS VE ZDROJI ZDR-1A

  3. PŘÍLOHA: ROZPISKA SOUČÁSTÍ DESKY FILTRU

  4. ks   označení součásti   označení polohy   název součásti
    Konstrukční materiál
    16XB 006 34deska PS jednostranná
    16XA 481 03spojka
    Pasivní prvky
    4TR 191 100RKR2, R3, R7, R8odpor 0,25 W, tolerance 10%
    2TR 191 1K0KR1, R10odpor 0,25 W, tolerance 10%
    1TR 191 5K6KR6odpor 0,25 W, tolerance 10%
    2TR 191 6K8KR11, R12odpor 0,25 W, tolerance 10%
    2TR 224 1K0KR4, R5odpor 2 W, tolerance 10%
    1TP 095 100RRP1dolaďovací rezistor 0,5 W
    1TP 095 22KRP2dolaďovací rezistor 0,5 W
    7TE 677 1m0C1 až C7elektrolyt, kond. /50V=/
    1TK 745 4n7SC9keramická kond. /250V=/
    1TK 783 100nC10keramický kond. /32V=/
    2TK 794 1n0MC11, C12keramický kond. /40V=/
    1WK 724 72C13odrušovací kond. /250V/
    Polovodičové prvky
    1KA 262VD1dioda pro všeobecné použití
    1KZ 260/16VZ1výkonová Zenerova dioda
    1KZ 260/11VZ2výkonová Zenerova dioda
    1KZ 260/5V6VZ3výkonová Zenerova dioda
    1KT 702VS1tyristor P-N-P-N do 15 A
    1KFY 18VT1tranzistor P-N-P
    1KFY 46VT2tranzistor N-P-N
    1KC 507VT3tranz. N-P-N pro nf. zesil.
    1BC 177AVT4tranz. P-N-P pro nf. zesil.

    Pozn.: Drobný konstrukční materiál /nýty, podložky, vodiče/ není v rozpisce uveden.



  5. PŘÍLOHA: VÝKRES OSAZENI DESKY FILTRU


  6. Obr. 2: VÝKRES OSAZENI DESKY FILTRU

  7. PŘÍLOHA: ELEKTRICKÉ SCHÉMA DESKY FILTRU


  8. Obr. 3: ELEKTRICKÉ SCHÉMA DESKY FILTRU

  9. PŘÍLOHA: ROZPISKA SOUČÁSTÍ DESKY MĚNIČE

  10. ksoznačeni součástí   označeni polohynázev součásti
    Konstrukční materiál
    16XB 006 35deska PS jednostranná
    36XF 508 09svorkovnice
    36XA 789 06pružina /ke svorkovnici/
    16XA 634 10držák svorkovnic
    26XA 094 77sloupek pro upevnění desky
    16XN 657 44T1transformátor
    Pasivní prvky
    2TR 224 100RKR1,R2odpor 2W, tolerance 10%
    1TR 223 1K0KR3odpor 1W, tolerance 10%
    1TE 986 500µC1elektrolyt, kond. /35V=/
    3TF 009 220µC2, C5, C8elektrolyt, kond. /25V=/
    1TF 009 100µC3, C6, C9elektrolyt, kond. /25V=/
    1TF 008 470µC11elektrolyt, kond. /16V=/
    1TF 007 220µC12elektrolyt, kond. /10V=/
    4TK 783 100nC4, C7, C10, C13   keramický kond. /32V=/
    Polovodičové prvky
    10   KY 197VD1 až VD10rychlá usměrňovači dioda
    2KUY 12VT1, VT2výkonový spínací tranz. N-P-N
    Integrované obvody
    1MA 7805NL4výkon. stabilizátor 5V
    1MA 7812NL3výkon, stabilizátor 12V
    2MA 7815NL1, NL2výkon, stabilizátor 15V

    Pozn.: Drobný konstrukční materiál /nýty, podložky, vodiče/ není v rozpisce uveden.



  11. PŘÍLOHA: VÝKRES OSAZENÍ DESKY MĚNIČE


  12. Obr. 3: VÝKRES OSAZENÍ DESKY MĚNIČE

  13. PŘÍLOHA: ELEKTRICKÉ SCHÉMA DESKY MĚNIČE


  14. Obr. 4: ELEKTRICKÉ SCHÉMA DESKY MĚNIČE

  15. PŘÍLOHA: ROZPISKA SOUČÁSTÍ DESKY STABILIZÁTORŮ

  16. ks   označení součásti   označení polohynázev součásti
    Konstrukční materiál
    16XB 006 36deska PS jednostranná
    16XK 053 83chladič sestavený
    16XA 643 80chladič
    26XN 657 45T1, T2transformátor
    16XN 657 46T3 - T4transformátor
    16XN 650 33L3tlumivka
    16XN 650 34L1tlumivka
    16XN 650 35L2tlumivka
    Pasivní prvky
    1TR 191 8R2KR50odpor 0,25 W, tolerance 10%
    2TR 191 10RKR11, R31odpor 0,25 W, tolerance 10%
    1TR 191 33RKR37odpor 0,25 W, tolerance 10%
    2TR 191 100RKR3, R23odpor 0,25 W, tolerance 10%
    3TR 191 220RKR4, R24, R43odpor 0,25 W, tolerance 10%
    3TR 191 270RKR1, R21, R42odpor 0,25 W, tolerance 10%
    2TR 191 390RKR44, R57odpor 0,25 W, tolerance 10%
    2TR 191 560KRR5, R25odpor 0,25 W, tolerance 10%
    1TR 191 1K0KR12, R32, R54odpor 0,25 W, tolerance 10%
    1TR 191 8K2KR51odpor 0,25 W, tolerance 10%
    2TR 191 56KKR9, R49odpor 0,25 W, tolerance 10%
    1TR 191 270RJR33odpor 0,25 W, tolerance 5%
    1TR 191 470RJR34odpor 0,25 W, tolerance 5%
    1TR 191 560RJR55odpor 0,25 W, tolerance 5%
    1TR 191 1K8JR56odpor 0,25 W, tolerance 5%
    2TR 191 2K7JR14, R36odpor 0,25 W, tolerance 5%
    4TR 191 5K6JR6, R45, R46, R53odpor 0,25 W, tolerance 5%
    1TR 191 6K8JR35odpor 0,25 W, tolerance 5%
    2TR 191 8K2JR13, R26odpor 0,25 W, tolerance 5%
    3TR 191 10KJR7, R27, R52odpor 0,25 W, tolerance 5%
    3TR 191 15KJR8, R28, R48odpor 0,25 W, tolerance 5%
    1TR 191 56KJR29odpor 0,25 W, tolerance 5%
    1TR 224 39KRR41odpor 2 W tolerance 10%
    2TR 224 820KRR2, R22odpor 2 W tolerance 10%
    1TP 095 470RRP6dolaďovací rezistor 0,5 W
    2TP 095 1K0RP2, RP4dolaďovací rezistor 0,5 W
    3TP 095 2K2RP1, RP3, RP5dolaďovací rezistor 0,5 W
    4TF 010 220µC1, C9, C10, C20elektrolyt, kond. /40V=/
    2TE 981 2m0C40, C41elektrolyt, kond. /6V=/
    2TE 984 1m0C28, C29elektrolyt, kond. /15V=/
    3TE 132 10µC3, C22, C32elektrolyt, kond. /10V=/
    3TC 276 2n2KC5, C24, C34kond. polyesterový /400V=/
    3TK 724 2n2SC38, C39, C42keramický kond. /40V=/
    3TK 744 4n7SC4, C23, C33keramický kond. /40V=/
    6TK 783 100nC2, C8, C21, C27, C31, C37keramický kond. /32V=/
    3TK 783 6n8C7, C26, C36keramický kond. /32V=/
    Polovodičové prvky
    5KAY 11VD1, VD21, VD31, VD32, VD33   dioda pro velmi rychlé spínací obvody
    2KYW 31/100VD2, VD22rychlá usměrňovači dioda
    1KYS 30/40VD34Schottkyho usměrň. dioda
    1KZ 260/15VZ1výkonová Zenerova dioda
    1KZ 260/18VZ2výkonová Zenerova dioda
    3KSY 34DVT1, VT21, VT31spínací tranzistor N-P-N
    2KD 138BVT2, VT22nf. výkonový tranz. P-N-P
    1KC 508VT33tranz. N-P-N pro nf. zesil.
    3B260DDD1, DD2, DD3říd. obvod spínacích zdrojů

    Pozn.: Drobný konstrukční materiál /nýty, podložky, vodiče/ není v rozpisce uveden.



  17. PŘÍLOHA: VÝKRES OSAZENÍ DESKY STABILIZÁTORŮ


  18. Obr. 4: VÝKRES OSAZENÍ DESKY STABILIZÁTORŮ

  19. PŘÍLOHA: ELEKTRICKÉ SCHÉMA DESKY STABILIZÁTORŮ

  20. Obr. 5: ELEKTRICKÉ SCHÉMA DESKY STABILIZÁTORŮ 1/2       Obr. 5: ELEKTRICKÉ SCHÉMA DESKY STABILIZÁTORŮ 2/2


OBSAH



ÚVOD | Novinky | 8 Bitů | Příslušenství | Drobnosti | TTL | Kontakt


SAPI-1 | ONDRA | PMI-80 | PMD-85 | klony PMD-85 | klony SM50/40 | PETR | PLAN-80A | IQ151 | TNS | FK-1 | HVĚZDA | SP 830 | PCS 1-QR6000 | TEMS


ZPS | Technické prostředky | Programové vybavení | Dokumentace


8 bity / SAPI-1 / Technické prostředky JPN-1



SAPI.cz - web o československých osmibitech, zejména SAPI-1. Provozuje EC1045 od roku 2011
Za korekce češtiny dekuji: MELSOFTovi, Silliconovi, Martinu Lukáškovi a NOSTALCOMPovi

Když začínám blbnout z 8bitů tak se chodím léčit mezi otaku.
Animefest.cz