ÚVOD | Novinky | 8 Bitů | Příslušenství | Drobnosti | TTL | Kontakt
SAPI-1 | ONDRA | PMI-80 | PMD-85 | klony PMD-85 | klony SM50/40 | PETR | PLAN-80A | IQ151 | TNS | FK-1 | HVĚZDA | SP 830 | PCS 1-QR6000 | TEMS
ZPS | Technické prostředky | Programové vybavení | Dokumentace
OCR návodu RSW-1
| Název : | DESKA RSW-1 |
| Výroba : | TESLA LIBEREC s. p. |
| Kateřinská ulice 325 | |
| 461 98 LIBEREC | |
| Prodej : | TESLA LIBEREC s. p. |
| a | |
| TESLA ELTOS s. p. | |
| Dodavatelsko inženýrský závod | |
| pošta 45, schránka 27 | |
| 145 00 PRAHA 4 | |
| Servis : | TESLA ELTOS s. p. |
| Dodavatelsko inženýrský závod | |
| Kocínova 136 | |
| 397 01 PÍSEK | |
| Technické podmínky : | TESLA LIBEREC s. p. |
| TPTE 82-251/89 |
Deska RSW-1 je prvkem mikropočítačového souboru SAPI-1.5. Sdružuje zapojení operační paměti mikropočítače z dynamických pamětí RAM, rozhraní Sériového kanálu a obvod WATCH DOG pro hlídání správného běhu programu.
| Napájecí napětí / odběr proudu | + 5 V ±5% / max.1,3 A |
| ±12 V ±5% / max.50 mA | |
| Kapacita paměti dRAM | 65 536 x 8 bit ( 64 kByte ) |
| Provoz sériového kanálu / | synchronní / 0 - 56 kBaud |
| / rozsah přenosových rychlostí | asynchronní / 0 - 9,6 kBaud |
| Počet bitů ve znaku | 5 až 8 |
| Počet stop bitů ve znaku | 1; 1,5; 2 (asynchr. provoz) |
| Typ rozhraní | CCITT V.24 (RS 232C) |
| úroveň L +3 až +15 V | |
| úroveň H -3 až -15 V | |
| speciální pro DPK-1 | |
| Generováni signálu INT0n | od stavů RXRDY, TXRDY, TXE |
| Interval "WATCH DOG" | max. 58 min |
| Maximální odběr sběrnicových signálů | |
| A0 až A9, D0 až D7, | + 20 µA úroveň H |
| MR, MW, IOR, IOW, REF, RES | -100 µA Úroveň L |
| A10 až A15 | + 45 µA úroveň H |
| -350 µA úroveň L | |
| MAP1, MAP2 , AEN | + 20 µA úroveň H |
| -250 µA úroveň L | |
| Maximální zátěže výstupních signálů | |
| RTL | + 24 mA úroveň L |
| +2,6 mA úroveň H | |
| INT0 | 5 mA / otevřený kolektor |
Pracovní podmínky :
Odolnost výrobku vůči vlivu klimatických činitelů je označena skupinou 2 podle ČSN 36 9302 čl. 1.3.1 tj. musí zabezpečit provozuschopnost a vnější vzhled pro:
| Rozsah pracovních teplot | +5 až +40 °C |
| Relativní vlhkost vzduchu | 40 až 80 % při 25 °C |
| Atmosférický tlak | 84 až 107 kPa |
| Prostředí | bez agresivních plynů a par |
Bezpečnostní ustanovení :
Připojená zařízení napájená z rozvodné sítě 220V/50Hz musí splňovat ustanovení ČSN 36 9060 (zejména požadavek na izolační pevnost zkoušenou napětím 3,75 kV).
| Krytí: | IP 00 |
Funkční zkoušky:
Odolnost proti vnějším vlivům je dána ČSN 36 9302 takto :
| mráz | článek 2.4 |
| suché teplo | článek 2.5 |
| vlhké teplo | článek 2.6 |
| chvění | článek 2.10 |
Střední doba mezi poruchami:
| prostředí normální +5 °C až +40 °C | 4 600 hodin |
| prostředí klimatizované +15 °C až +30 °C | 9 900 hodin |
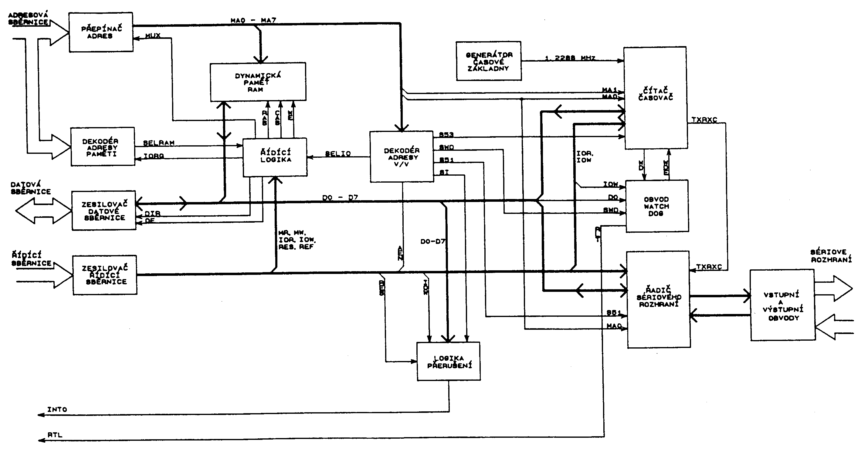
Desku RSW-1 je možné rozdělit na tři funkčně nezávislé části s různým určením, které mají společné obvody styku se sběrnicí mikropočítače. Ve spojení s deskou mikroprocesoru PKT-1 tvoří tyto dvě desky elementární řídící systém schopný samostatné funkce. Desku je rovněž možné použit pro rozšíření kapacity paměti RWM mikropočítače.
Obvody styku se sběrnici a adresové dekodéry
Obvod DD7 odděluje systémovou sběrnici SAPI-1 od vnitřní datové sběrnice desky RSW-1. Přenos dat D0 až D7 tímto obvodem je blokován, není-li některý z funkčních bloků desky vybrán příslušnou adresou tj. není-li aktivován signál SELRAM pro paměťové operace nebo SELIO pro vstup/výstupní operace. Směr přenosu je určen signálem DIR v závislosti na typu operace zápis/čtení.
Obvod DD4 odděluje řídící signály sběrnice pro jednotlivé funkční bloky desky, je trvale propustný.
Signály RTL - výstup obvodu WATCH DOG a INT0 - žádost o přerušení od sériového kanálu je možné přivést na systémovou sběrnici po spojení propojek. Oba tyto signály mají charakter otevřených kolektorových výstupů.
Adresový dekodér paměti RAM je tvořen pamětí PROM připojenou k bitům A10 až A17 a rozšiřujícím, signálům MAP1, MAP2 sběrnice mikropočítače. Volbu výběru aktivního paměťového adresového prostoru je možné provádět zapojením propojek případně změnou obsahu PROM DD1. Výstupní signál dekodéru je označen SELRAM a je dále zpracováván v obvodech řízení přístupu do paměti. Generování tohoto signálu je v době provádění vstup/výstupních operací na desce blokováno signálem IORQ odvozeným od signálů IOW, IOR.
Adresový dekodér obvodů sériového kanálu a WATCH DOG je tvořen pamětí PROM připojenou k multiplexovaným adresovým vodičům desky 0/7 až 8/15 - to je možné proto, že multiplexory DD8 a DD9 mají v případě vstup/výstupních operací na výstupu stabilní adresy odpovídající adresám A0 až A7 sběrnice mikropočítače (signál přepínání MUX je tvořen pouze u paměťových operací). Z výstupů dekodéru DD2 jsou odebírány signály SWD pro adresování obvodů WATCH DOG, SIR pro registr přerušení od stavu sériového kanálu, S51 pro adresování řadiče sériového kanálu a S53 pro programovatelný dělič. Součinem těchto čtyř signálů je generován signál SELIO, tvorba signálů je blokována v době paměťových operací signálem MRQ (MRxMW) a v době přímého přístupu do paměti (DMA) sběrnicovým signálem AEN. Změnu adres jednotlivých funkčních bloků je možné provést přeprogramováním obsahu PROM DD2.
Paměť dRAM a obvody jejího řízení
Paměť dRAM je tvořena osmi obvody typu 4164. Každý z těchto prvků je paměť s kapacitou 64k x 1 bit, která pro správnou činnost vyžaduje periodickou obnovu informace realizovanou minimálně 128x za 2ms zápisem obnovovací adresy za přítomnosti signálu RAS. Tento proces je zajišťován automaticky činností mikroprocesoru typu Z80, který v cyklu FETCH (M1) vytváří na bitech A0 až A7 obnovovací adresu a vydává signál REF. Proto je možné použít desku RSW-1 pouze ve spojení s deskou mikroprocesoru typu Z80 tj. PKT-1 případně JPR-1Z (mikroprocesor 8080 obnovovací adresu nevydává) ! Obvodové zapojení paměti RAM dále využívá toho, že výstup obvodu 4164 se neotevře, přejde-li dříve signál WE než CAS. Potom je možné spojit datový vstup a výstup DI a DO a připojit je přímo na interní datovou sběrnici. Vlastní adresa je do paměti zapisována nadvakrát - nejprve její spodní část A0 až A7 signálem RAS a následně horní část A8 až A15 signálem CAS. Zápis dat do paměti je řízen signálem WE odvozeným od sběrnicového MW. Všechny signály jsou k vývodům pamětí přivedeny přes oddělovací odpory 33 Ω.
Obvody řídící logiky přístupu do pamětí RAM jsou tvořeny následujícími prvky s touto funkcí : hradlo DD5/2 vytváří signál MRQ (součinem MR,MW), který je dále v době aktivity signálu SELRAM přenášen hradly DD5/3, DD6/1 a invertorem DD3/2 jako signál RAS na paměťově prvky. RAS je zároveň vydáván pomocí hradla DD6/1 v okamžiku přítomnosti obnovovací adresy signálem REF.
Výstup DD5/3 je zároveň připojen na zpožďovací člen DD3/4-R7/C4-DD3/6 , který generuje signál MUX přepnuti multiplexorů DD8, DD9 adresy pamětí RAM a dále na zpožďovací člen DD3/5-R6/C3-DD3/1 vytvářející signál CAS. Celý cyklus přístupu do paměti je možné popsat následovně: signál MR nebo MW --> signál MRQ --> signál RAS (na výstupu multiplexorů DD8, DD9 je adresa A0 až A7) --> zpoždění R7/C4 --> signál MUX (přepnutí multiplexorů DD8, DD9) --> zpoždění R6/C3 --> signál CAS (na výstupu multiplexorů DD8, DD9 je adresa A8 až A15) .
Obvody sériového kanálu
Generátor hodinového kmitočtu pro USART typu 8251 je realizován z následujících prvků - krystalový oscilátor 12,288 MHz (DD29/4,5 a DD23/4) - symetrický dělič deseti DD22 - programovatelný dělič tvořený čítačem 0 obvodu PIT 8253. Takto vzniklý hodinový kmitočet je přiváděn současně na vstupy RXC a TXC obvodu USART. Tím je dáno, že přenosová rychlost vysílaných dat a přijímaných dat v duplexním provozu je stejná.
Použitý obvod USART typu 8251 umožňuje dva druhy provozu s následujícími parametry:
| Provoz | asynchronní | synchronní |
| Délka znaku | 5 až 8 bitů | 5 až 8 bitů |
| Přenos.rychlost | 0 až 9,6 kBaud | 0 až 56 kBaud |
| Počet stop bitů | 1; 1.5; 2 | - |
| Frekvence hodin | 1/16/64X přen.rych. | 1x přen. rychlost |
| Synchronizace | - | interní. externí |
| Vkládání znaků | - | automatické synchronní |
| Detekce chyb | parity, ztráty | znaku.ukončení znaku |
| Ostatní | duplexní | provoz |
| signál BREAK, | verifikace start bitu |
Obvod USART je připojen odpovídajícími vývody k interním sběrnicovým signálům desky RSW-1 ( D0 až D7, 0/8, IOR, IOW, RES, fi2 ) a je vybírán signálem S51. Uživatelské vstupy a výstupy tohoto obvodu jsou spojeny s přijímači a vysilači signálů sériového rozhraní V.24 (RS 232C) a s logikou žádosti o přerušení od stavu USART.
Na čtyřnásobný přijímač sériového rozhraní DD26 jsou přivedeny signály RD (CCITT V.24 - 104), CTS (106), DSR (107) a vstup detekce synchronizace SYND pro externí synchronní režim. Z výstupu přijímače jsou signály RD, CTS a DSR přivedeny přímo na USART, SYND na propojovací pole. Dalším vstupním prvkem je optočlen UF1, na který je možné přivést signál z dálnopisného konvertoru DPK-1. Takto zpracovaný signál je možné dále propojit na vstup vysílače DD25.
K buzení výstupů sériového rozhraní V.24 (RS 232C) slouží dva linkové vysílače DD24, DD25 a tranzistor VT3 pro dálnopisný konvertor DPK-1. Obvod DD24 přenáší signál TD (CCITT V.24 - 103) , jeho druhý výstup může být zapojen ve třech režimech: jako výstup signálu SYND v interním synchronizačním režimu; jako pomocný výstup dat z dálnopisného konektoru DPK-1 s úrovněmi V.24 a jako výstup signalizace stavu obvodu WATCH DOG prostřednictvím sériové linky. Volba režimu práce je určena zapojením příslušných propojek. Oba výstupy obvodu DD24 mohou být uvedeny do stavu BREAK zápisem do registru DD28. Druhý vysílač DD25 přenáší signály DTR (108) a RTS (105).
Práce obvodů sériového rozhraní v přerušovacím režimu je umožněna obvody DD28 a DD27. Zápisem do registru DD28 je povoleno nebo zakázáno přerušení od stavu USART, který tento obvod indikuje na výstupech TXE, TXRDY a RXRDY. Vznik libovolného povoleného požadavku na přerušeni způsobí prostřednictvím hradla AND-OR DD27 generování sběrnicového signálu INT0. Zápis do registru DD28 je řízen signály IOW a SIR. Vlastní rozlišení druhu přerušení je nutné provést programově z obsahu stavového slova USART.
Obvody WATCH DOG
Kontrolu správného běhu uživatelského programu je možné zajistit obvodem WATCH DOG. Princip činnosti spočívá v periodickém spouštění znovu spustitelného čítače před jeho dočítáním, které je zajištěno pouze při správné činnosti programu. Při zhroucení programu nedojde ke spuštění během předepsaného intervalu a dočítání čítače způsobí počáteční inicializaci systému a tím i návrat do přesně definovaného stavu.
Zapojení tohoto bloku je na desce RSW-1 realizováno pomocí dvou programovatelných čítačů obvodu PIT 8253 a dvojice klopných obvodů D. Obvod DD21/1 slouží k povolení činnosti WATCH DOG - po zápisu D0=log1 na adresu bloku (aktivovány signály IOW a SWD) je tato hodnota převedena na hradlovací vstupy kaskádně řazených čítačů 1 a 2 v PIT 8253 a tím je zahájeno vlastní dělení hodinového kmitočtu přednastavenými poměry. Programovatelné čítače pracují v modu 2 - děleni frekvence přednastaveným číslem, kdy rozteč mezi výstupními pulsy dlouhými jednu periodu hodinového kmitočtu je přednastavené číslo a přechod H-->L-->H na hradlovacim vstupu spustí dělení od počátečního stavu. Dojde-li k tomuto přechodu během dělení, neobjeví se na výstupu čítače 2 impuls H-->L-->H, který jinak prostřednictvím klopného obvodu DD21/2 způsobí vydání signálu RTL na systémovou sběrnici mikropočítače.
Oba klopné obvody jsou při počáteční inicializaci nastaveny signálem RES tak, že blok WATCH DOG není aktivován. Pomocí propojky je možné jeden z výstupů klopného obvodu DD21/1 připojit k vysílači sériové linky DD25 a jejím prostřednictvím signalizovat spolupracujícímu zařízení správnou činnost systému.
Zbývající vývody obvodu PIT DD20 jsou připojeny k odpovídajícím vodičům interní datové, adresové a řídící sběrnice desky RSW-1.
Poznámky uživatele k funkci desky RSW-1
Instalaci může provádět pracovník poučený podle §5 vyhlášky 50/78 Sbírky .
Při uvádění výrobku do provozu bezprostředné po dopravě je nutné zajistit vyrovnání teploty zabalené desky s teplotou provozního prostředí a zabránit tak vzniku orosení.
Na desce PKT-1 jsou použity elektrostaticky citlivé prvky. Z ochranných důvodů je nutné i při manipulaci s deskami dodržovat zásady práce s těmito součástkami - například podle oborové normy TESLA NT 8551.
Při vlastní instalaci postupovat takto :
Desku vyjmeme z obalu a překontrolujeme, zda nedošlo k poškozeni desky při přepravě. Zejména kontrolujeme kontakty konektorů FRB.
Při doplňování již provozovaných sestav zkontrolujeme, zda deska RSW-1 nezpůsobí překročení maximálního odběru z napájecího zdroje. Ověříme, zda adresy portů obsazené deskou RSW-1 nejsou již v systému použity.
Desku zasuneme do libovolné pozice sběrnice mikropočítače (s výjimkou vyhrazené pozice pro desku RTI-1 případné JPR-1x). Je vhodné aby deska RSW-1 byla umístěna co nejblíže desky procesoru - nejlépe v sousední pozici. Ověříme, zda je zajištěno dobré proudění vzduchu okolo desky tak, aby byl dodržen předepsaný teplotní režim. Desku zajistíme v rámu namontováním držáku.
DESKU JE DOVOLENO ZASUNOVAT A VYJÍMAT POUZE U SYSTÉMU VE VYPNUTÉM STAVU !
Připojíme kabel od zkontrolovaného zařízení spolupracujícího prostřednictvím sériové linky a kryt konektoru zajistíme sponou. Potom je teprve možné zapnout napájení v pořadí připojená zařízení - mikropočítač.
Obsazeni adres
V paměťovém adresovém prostoru obsazuje deska RSW-1 rozsah adres navolený konfigurací propojek. Možné varianty jsou uvedeny dále v příslušné tabulce. V případě potřeby jiného rozložení aktivního paměťového prostoru je nutné změnit obsah paměti PROM DD1. Při požadavku vyššího rozsahu paměti RAM je možné využít mechanismu stránkování paměti pomocí signálů MAP1 a MAP2, které generují příslušné obvody desky PKT-1. Potom lze v systému použít více desek RSW-1 zároveň.
V adresovém prostoru V/V obsazuje deska RSW-1 8 bajtů. Jejich konkrétní hodnoty pro adresování jednotlivých funkčních bloků jsou pro dodávaný obsah dekodéru PROM DD2 následující:
| Adresa | Operace | Význam |
| 18 hex | W/R | CW módu a povelu,syne znaky/stav USART |
| 19 hex | W/R | vysílaná / přijímaná data |
| 1A hex | W/R | předvolba / čteni čítače 0 |
| 1B hex | W/R | předvolba / čtení čítače 1 |
| 1C hex | W/R | předvolba / čteni čítače 2 |
| 1D hex | W | zápis CW |
| 1E hex | W | zápis masky přerušení a stavu BREAK |
| 1F hex | W | start intervalu WATCH DOG |
| Pozn.: | W - zápis, R/W - čtení i zápis |
Poznámky uživatele
Význam řídících slov masky přerušení a startu WATCH DOG
Maska přerušení - zápis na adresu 1Ehex
| D7 | D6 | D5 | D4 | D3 | D2 | D1 | D0 |
| XX | XX | XX | XX | TXE | BRK | RXRDY | TXRDY |
| TXE | přerušení od stavu TRANSMITTER EMPTY | - | 0 zakázáno |
| 1 povoleno | |||
| RXRDY | přerušení od stavu RECEIVER READY | - | 0 zakázáno |
| 1 povoleno | |||
| TXRDY | přerušení od stavu TRANSMITTER READY | - | 0 zakázáno |
| 1 povoleno | |||
| BRK | řízení stavu sériové linky TD | - | 0 uvolněno |
| 1 BREAK | |||
| XX | hodnota nemá vliv |
Start intervalu WATCH DOG je proveden zápisem slova tvaru (XXXXXXX1)bin na adresu 1Fhex.
Poznámky uživatele
XT 1 Nastaveni aktivní oblasti paměti RAM
Z osmi možných způsobů nastaveni jsou pro dodávanou verzi dekodéru PROM DD1 6XN 902 51 použitelné tyto :
| propojeno | aktivní adresy | |
| 2-3, 5-6, 8-9 | 0000hex až FFFFhex | |
| 2-3, 4-5, 8-9 | 4000hex až FFFFhex | |
| 0-2, 5-6, 8-9 | pro MAP2=L | 0000hex až FFFFhex |
| pro MAP2=H | 0000hex až 7FFFhex | |
| a A000hex až FFFFhex |
Ostatní kombinace tj. :
propojeno 2-3. 5-6, 8-10 ; 2-3, 4-5, 8-10 ; 0-2, 4-5, 8-9 ; 0-2, 4-5, 8-10 a 0-2, 4-5, 8-10
je možné využívat podle potřeb aplikace za předpokladu změny obsahu dekodéru DD1. Pokud nebudou zapojeny signály MAP1 a
MAP2 je možné použít i špičky 1 a 7 propojovacího pole.
XT 2 Signál RTL
| propojeno | signál RTL |
| 11-12 | přiveden na sběrnici |
XT 3 Signál INT0
| propojeno | signál INT0 |
| 13-14 | přiveden na sběrnici |
XT 4 , XT 5 Připojeni dálnopisného konvertoru DPK-1
| propojeno | sériové rozhraní |
| 15-16 a 18-19 | vstup a výstup nastaven pro DPK-1 |
XT 5 , XT 6 Signály SYNDET a WATCH DOG
| propojeno | funkce |
| 17-18 a 21-22 | výstup SYNDET v interním sync. Režimu |
| 22-23 | vstup SYNDET v externím sync. režimu |
| 20-21 | signalizace stavu WATCH DOG po sériové lince |
XT 7 Volba úrovně signálu WATCH DOG
| propojeno | aktivní úroveň signálu WATCH DOG |
| 24-25 | H |
| 25-26 | L |
Poznámky uživatele o nastavení propojek
Dekodér adres paměti
| Pozice na desce | DD1 |
| Výkresové označení TESLA Liberec | 6XN 902 51 |
| Typ obvodu - paměti PROM | MH 74S 571 |
adresa X=0 1 2 3 4 5 6 7 8 9 A B C D E F
00x-06x ----------------------0-----------------------
07x 0 0 0 0 0 0 0 0 0 0 0 0 0 0 1 1
08x-0Ex ----------------------0-----------------------
0Fx 1 1 1 1 1 1 1 1 1 1 1 1 1 1 1 1
10x-11x ----------------------0-----------------------
12x 1 1 1 1 1 1 1 1 1 1 1 1 1 1 1 1
13x-16x ----------------------0-----------------------
17x 0 0 0 0 0 0 0 0 0 0 0 0 0 0 1 1
18x-19x ----------------------0-----------------------
1Ax 0 0 0 0 0 0 0 0 0 0 0 0 1 1 1 1
1Bx-1Ex ----------------------0-----------------------
1Fx 1 1 1 1 1 1 1 1 1 1 1 1 1 1 1 1
Hodnoty adres a obsahu paměťových míst jsou uvedeny
v hexadecimálním tvaru .
Obsah PROM z desky (INTELHEX)
:20000000F0F0F0F0F0F0F0F0F0F0F0F0F0F0F0F0F0F0F0F0F0F0F0F0F0F0F0F0F0F0F0F0E0
:20002000F0F0F0F0F0F0F0F0F0F0F0F0F0F0F0F0F0F0F0F0F0F0F0F0F0F0F0F0F0F0F0F0C0
:20004000F0F0F0F0F0F0F0F0F0F0F0F0F0F0F0F0F0F0F0F0F0F0F0F0F0F0F0F0F0F0F0F0A0
:20006000F0F0F0F0F0F0F0F0F0F0F0F0F0F0F0F0F0F0F0F0F0F0F0F0F0F0F0F0F0F0F1F17E
:20008000F0F0F0F0F0F0F0F0F0F0F0F0F0F0F0F0F0F0F0F0F0F0F0F0F0F0F0F0F0F0F0F060
:2000A000F0F0F0F0F0F0F0F0F0F0F0F0F0F0F0F0F0F0F0F0F0F0F0F0F0F0F0F0F0F0F0F040
:2000C000F0F0F0F0F0F0F0F0F0F0F0F0F0F0F0F0F0F0F0F0F0F0F0F0F0F0F0F0F0F0F0F020
:2000E000F0F0F0F0F0F0F0F0F0F0F0F0F0F0F0F0F1F1F1F1F1F1F1F1F1F1F1F1F1F1F1F1F0
:20010000F0F0F0F0F0F0F0F0F0F0F0F0F0F0F0F0F0F0F0F0F0F0F0F0F0F0F0F0F0F0F0F0DF
:20012000F1F1F1F1F1F1F1F1F1F1F1F1F1F1F1F1F0F0F0F0F0F0F0F0F0F0F0F0F0F0F0F0AF
:20014000F0F0F0F0F0F0F0F0F0F0F0F0F0F0F0F0F0F0F0F0F0F0F0F0F0F0F0F0F0F0F0F09F
:20016000F0F0F0F0F0F0F0F0F0F0F0F0F0F0F0F0F0F0F0F0F0F0F0F0F0F0F0F0F0F0F1F17D
:20018000F0F0F0F0F0F0F0F0F0F0F0F0F0F0F0F0F0F0F0F0F0F0F0F0F0F0F0F0F0F0F0F05F
:2001A000F0F0F0F0F0F0F0F0F0F0F0F0F1F1F1F1F0F0F0F0F0F0F0F0F0F0F0F0F0F0F0F03B
:2001C000F0F0F0F0F0F0F0F0F0F0F0F0F0F0F0F0F0F0F0F0F0F0F0F0F0F0F0F0F0F0F0F01F
:2001E000F0F0F0F0F0F0F0F0F0F0F0F0F0F0F0F0F1F1F1F1F1F1F1F1F1F1F1F1F1F1F1F1EF
:00000001FF
Dekodér adres obvodů V/V
| Pozice na desce | DD2 |
| Výkresové označení TESLA Liberec | 6XN 902 52 |
| Typ obvodu - paměti PROM | MH 74S 287 |
adresa X=0 1 2 3 4 5 6 7 8 9 A B C D E F
00x ----------------------F-----------------------
01x F F F F F F F F B B 7 7 7 7 D E
02x-0Fx ----------------------F-----------------------
Hodnoty adres a obsahu paměťových míst jsou uvedeny
v hexadecimálním tvaru .
Obsah PROM z desky (INTELHEX)
:20000000FFFFFFFFFFFFFFFFFFFFFFFFFFFFFFFFFFFFFFFFFFFFFFFFFBFBF7F7F7F7FDFE2B
:20002000FFFFFFFFFFFFFFFFFFFFFFFFFFFFFFFFFFFFFFFFFFFFFFFFFFFFFFFFFFFFFFFFE0
:20004000FFFFFFFFFFFFFFFFFFFFFFFFFFFFFFFFFFFFFFFFFFFFFFFFFFFFFFFFFFFFFFFFC0
:20006000FFFFFFFFFFFFFFFFFFFFFFFFFFFFFFFFFFFFFFFFFFFFFFFFFFFFFFFFFFFFFFFFA0
:20008000FFFFFFFFFFFFFFFFFFFFFFFFFFFFFFFFFFFFFFFFFFFFFFFFFFFFFFFFFFFFFFFF80
:2000A000FFFFFFFFFFFFFFFFFFFFFFFFFFFFFFFFFFFFFFFFFFFFFFFFFFFFFFFFFFFFFFFF60
:2000C000FFFFFFFFFFFFFFFFFFFFFFFFFFFFFFFFFFFFFFFFFFFFFFFFFFFFFFFFFFFFFFFF40
:2000E000FFFFFFFFFFFFFFFFFFFFFFFFFFFFFFFFFFFFFFFFFFFFFFFFFFFFFFFFFFFFFFFF20
:00000001FF
Vývody konektoru připojení ke sběrnici mikropočítače.
| Pozice na desce | XP1 | |
| Klíčování | C6 | |
| Typ konektoru | vidlice | TY 517 5011 61 |
| č. | signál | název | typ | č. | signál | název | typ | |
| 1 | RTLn | tlač. RESET | OUT | 2 | ||||
| 3 | 4 | |||||||
| 5 | 6 | |||||||
| 7 | REFn | obn.obs.dRAM | INP | 8 | RESn | nulováni | INP | |
| 9 | MRn | čtení z MEM | INP | 10 | IORn | čtení z I/O | INP | |
| 11 | MWn | zápis do MEM | INP | 12 | IOWn | zápis do I/O | INP | |
| 13 | AENn | povol.adresy | INP | 14 | ||||
| 15 | + 5 V | napájení Ucc | NAP | 16 | + 5 V | napájení Ucc | NAP | |
| 17 | + 5 V | napájení Ucc | NAP | 18 | + 5 V | napájení Ucc | NAP | |
| 19 | GND | zem | NAP | 20 | GND | zem | NAP | |
| 21 | MAP1 | rozš.adres 1 | INP | 22 | MAP 2 | rozš.adres 2 | INP | |
| 23 | A9 | adresa-bit 9 | INP | 24 | A15 | adresa-bit 15 | INP | |
| 25 | A11 | adresa-bit 11 | INP | 26 | A14 | adresa-bit 14 | INP | |
| 27 | A13 | adresa-bit 13 | INP | 28 | A12 | adresa-bit 12 | INP | |
| 29 | A10 | adresa-bit 10 | INP | 30 | A8 | adresa-bit 8 | INP | |
| 31 | D4 | data - bit 4 | BD | 32 | D3 | data - bit 8 | BD | |
| 33 | D6 | data - bit 6 | BD | 34 | D5 | data - bit 5 | BD | |
| 35 | D2 | data - bit 2 | BD | 36 | D7 | data - bit 7 | BD | |
| 37 | D0 | data - bit 0 | BD | 38 | D1 | data - bit 1 | BD | |
| 39 | A1 | adresa-bit 1 | INP | 40 | A0 | adresa-bit 0 | INP | |
| 41 | A3 | adresa-bit 3 | INP | 42 | A2 | adresa-bit 2 | INP | |
| 43 | A5 | adresa-bit 5 | INP | 44 | A4 | adresa-bit 4 | INP | |
| 45 | A7 | adresa-bit 7 | INP | 46 | A6 | adresa-bit 6 | INP | |
| 47 | 48 | |||||||
| 49 | 50 | |||||||
| 51 | + 12V | napájení+12V | NAP | 52 | + 12V | napájení+12V | NAP | |
| 53 | 0 V | analoq. zem | NAP | 54 | 0 V | analoq. zem | NAP | |
| 55 | 56 | |||||||
| 57 | -12V | napájeni-12V | NAP | 58 | -12V | napájení-12V | NAP | |
| 59 | 60 | Φ2 | hodiny TTL | INP | ||||
| 61 | 62 | INT0n | žád.o přer.0 | OUT |
Signály aktivní v úrovní L jsou označeny příponou " n " .
| Typ signálu : | NAP | napájení |
| INP | vstup | |
| OUT | výstup | |
| BD | obousměrný |
Vývody konektoru rozhraní sériového kanálu
| Pozice na desce | XP2 | |
| Klíčování | A1 | |
| Typ konektoru | vidlice | TY 513 2011 28 |
| č. | signál | název | typ | č. | signál | název | typ | |
| 1 | GND | CCITT V.24 101 | GND | 2 | TD | CCITT V.24 103 | OUT | |
| 3 | RD | CCITT V.24 104 | INP | 4 | RTS | CCITT V.24 105 | OUT | |
| 5 | CTS | CCITT V.24 106 | INP | 6 | DSR | CCITT V.24 107 | INP | |
| 7 | SG | CCITT V.24 102 | GND | 8 | ||||
| 9 | SYND | vstup synchr. | INP | 10 | SYND | výstup synchr. | OUT | |
| 11 | 12 | |||||||
| 13 | 14 | |||||||
| 15 | RD | CCITT V.24 104 | INP | 16 | RDD | čtená data TTY | OUT | |
| 17 | 18 | |||||||
| 19 | A | výstup pro DPK | OUT | 20 | DTR | CCITT V.24 108 | OUT | |
| 21 | K | výstup pro DPK | OUT | 22 | ||||
| 23 | -I | vstup z DPK-1 | INP | 24 | + I | vstup z DPK-1 | INP | |
| 25 | 26 | |||||||
| 27 | 28 | |||||||
| 29 | 30 |
| Typ signálu : | GND | uzemnění |
| INP | vstup | |
| OUT | výstup |
Poznámky uživatele o použití sériového rozhraní
Spojení se spolupracujícím zařízením prostřednictvím sériové linky bez využiti řídicích signálů provozu rozhraní V. 24
| Vývod konektoru XP2 propojen s vývodem konektoru D-SUB | ||||||||||||||||||||||||||||||||||||||||||||||
|
Spojení se spolupracujícím zařízením prostřednictvím sériové linky s využitím řídících signálů provozu rozhraní V.24
| Vývod konektoru XP2 propojen s vývodem konektoru D-SUB | ||||||||||||||||||||||||||||||||||||||||||||||||||||||
|
Příklad spojení s dálnopisným konvertorem DPK-1, kdy dálnopis pracuje ve funkci přijímač - vysilač
| Vývod konektoru XP2 propojen s vývodem svorkovnice X8 | ||||||||||||||||||||||||||||||
|
Propojky na desce RSW-1 musí být nastaveny pro připojení dálnopisného konvertoru DPK-1. Ostatní způsoby připojení DPK-1 jsou uvedeny v průvodní dokumentaci tohoto zařízení.
| Výkresové číslo kompletní desky | 6XK 199 244 |
| Výkresové číslo desky plošných spojů | 6XB 007 26 |
| Formát desky | 140 x 150 mm |
| Maximální výška součástek nad deskou | 15 mm |
| Maximální hmotnost kompletní desky | 200 g |
| Tloušťka desky plošného spoje | 1,5 mm |
| název | pozice na desce | hodnota | typ |
| vidlice | XP1 | TY 517 5011 61 | |
| vidlice | XP2 | TY 513 2011 28 | |
| objímka | (DD1, DD2) | TX 782 2161 | |
| odpor | R1, R29, R31 | 4k7 | TR 296 |
| odpor | R2, R28, R35, R36 | 1k2 | TR 296 |
| odpor | R3 - R5, R8 - R15, R20 - R27 | 33R | TR 296 |
| odpor | R6, R7 | 220R | TR 296 |
| odpor | R16 - R19, R34 | 10k | TR 296 |
| odpor | R32, R33 | 3k3 | TR 296 |
| kondenzátor | C1 | 6µ8 | TE 133 |
| kondenzátor | C2, C5, C6, C15, C16, C20 | 15n | TK 683 |
| kondenzátor | C3, C4 | 150p | TK 774 |
| kondenzátor | C7 - C14 | 68n | TK 842 |
| kondenzátor | C17 | 1n5 | TK 724 |
| kondenzátor | C18, C19 | 4µ7 | TE 134 |
| kondenzátor | C21 | 100p | TK 794 |
| PKJ | BX1 | 12 288 kHz | |
| dioda | VD1 | KAS 21/40 | |
| dioda | VD2 | KA 206 | |
| tranzistor | VT1 - VT3 | KC 238B | |
| optron | UF1 | WK 164 14 | |
| obvod int. | DD3 | MH74 ALS 14 | |
| obvod int. | DD4 | MH74 ALS 244 | |
| obvod int. | DD5, DD6 | MH74 ALS 00 | |
| obvod int. | DD7 | MH74 ALS 245 | |
| obvod int. | DD8, DD9 | MH74 ALS 157 | |
| obvod int. | DD10 - DD17 | KR565RU5G (4164) | |
| obvod int. | DD18 | MH74 ALS 20 | |
| obvod int. | DD19 | MHB 8251 | |
| obvod int. | DD20 | KR580VI53 (8253) | |
| obvod int. | DD21 | MH74 ALS 74 | |
| obvod int. | DD22 | DL 090 (74LS90) | |
| obvod int. | DD23 | MH74 ALS 32 | |
| obvod int. | DD24, DD25 | 75 150 PC | |
| obvod int. | DD26 | 75 154 PC | |
| obvod int. | DD27 | MH74 54 | |
| obvod int. | DD28 | MH74 ALS 175 | |
| obvod int. | DD29 | MH74 ALS 04 |
Zkoušky u výrobce:
Výrobce provádí typové, kontrolní, informační i dílčí zkoušky pro ověření vlastnosti výrobku v mezních pracovních podmínkách a pro regulaci kvality práce v průběhu výrobního procesu. Metodika a rozsah těchto zkoušek jsou dány interními předpisy, které konkretizují ustanovení státních, oborových a podnikových norem.
Záruka :
Výrobce ručí za jakost výrobku po dobu uvedenou na záručním listě.
Balení :
Při dodávce jednotlivé desky je tato balena do přepravního obalu tvořeného výliskem z pěnového polystyrenu.
Je-li deska dodávána v rámci sestavy, je upevněna do rámu mikropočítače..
Doprava :
Výrobek se přepravuje v dodávaném obalu chráněn před vlivy povětrnosti a agresivních látek všemi druhy krytých přepravních prostředků. Při přepravě nesmí docházet k hrubým otřesům. Klimatické podmínky při dopravě jsou určeny podle ČSN 36 9302 čl.1.8.1 to je :
| rozsah teplot | -40 °C až +50 °C |
| relativní vlhkost vzduchu | 95 % při 30 °C |
Skladování :
Skladovací prostor musí být suchý, dobře větraný, bez mechanických otřesů a chemických vlivů. Skladovací teplota musí být v rozmezí +5 °C až +40 °C a relativní vlhkost maximálně 85 % . Výrobky musí být skladovány v neporušeném obalu (ČSN 36 9302 čl. 1.9.4).
Údržba :
Zařízení neobsahuje žádné nastavovací prvky. Údržba spočívá v občasné kontrole mechanického stavu desky a součástek na ní osazených, případně odstraňování usazeného prachu odsáváním.
Servis :
Záruční a běžné opravy výrobku zajišťuje TESLA ELTOS. Při poruše je nutné zaslat výrobek zabalený v původním obalu na adresu
| TESLA ELTOS DIZ | |
| Kocínova 136 | |
| 397 01 | PÍSEK |
Pro větší odebíraná množství si může odběratel dohodnout s výrobcem jinou formu zajišťování servisní činnosti.
Datum dne uvedení výrobku do provozu : _____________
Údaje o reklamacích : datum, obsah reklamace, opatření
Údaje o provozu : termín od-do, způsob práce, doba práce
Technická obsluha : datum, prováděné práce, technický stav
Závady při provozu : datum, charakteristika závady, příčina
Opravy, konstrukční změny : datum, popis, výsledný stav
Mikropočítačový soubor SAPI-1.5
Deska PKT-1
Výrobce si vyhrazuje v rámci technického rozvoje a dalšího vývoje zařízení provádět změny sloužící ke zlepšení funkce výrobku. Z tohoto důvodu se nemusí všechny údaje v textu a všechna vyobrazení zcela shodovat s dodávaným zařízením.
Uživatelská dokumentace je duševnim majetkem firmy TESLA LIBEREC. Rozmnožování podléhá souhlasu výrobce. Nerespektování uvedené podmínky, případně jiné zneužití dokumentace může být soudně stíháno.
(C) TESLA LIBEREC 1990
Schéma RSW-1 a černobílá verze ZDE.
ÚVOD | Novinky | 8 Bitů | Příslušenství | Drobnosti | TTL | Kontakt
SAPI-1 | ONDRA | PMI-80 | PMD-85 | klony PMD-85 | klony SM50/40 | PETR | PLAN-80A | IQ151 | TNS | FK-1 | HVĚZDA | SP 830 | PCS 1-QR6000 | TEMS
ZPS | Technické prostředky | Programové vybavení | Dokumentace