ÚVOD | Novinky | 8 Bitů | Příslušenství | Drobnosti | TTL | Kontakt
SAPI-1 | ONDRA | PMI-80 | PMD-85 | klony PMD-85 | klony SM50/40 | PETR | PLAN-80A | IQ151 | TNS | FK-1 | HVĚZDA | SP 830 | PCS 1-QR6000 | TEMS
ZPS | Technické prostředky | Programové vybavení | Dokumentace
OCR návodu SBI-1
| Název : | SBĚRNICE SBI-1 |
| Výroba : | TESLA LIBEREC s.p. |
| Kateřinská ulice 235 | |
| 461 98 LIBEREC | |
| Prodej : | TESLA LIBEREC s.p. |
| a | |
| TESLA ELTOS s. p. | |
| Dodavatelsko inženýrský závod | |
| pošta 45, schránka 27 | |
| 145 00 PRAHA 4 | |
| Servis : | TESLA ELTOS s. p. |
| Dodavatelsko inženýrský závod | |
| Kocínova 136 | |
| 397 01 PÍSEK | |
| Technické podmínky : | TESLA LIBEREC s. p. |
| TPTE 82-251/89 |
Sběrnice SBI-1 je prvkem mikropočítačového souboru SAPI-1.5. Je určena pro rozsáhlejší aplikace, ve kterých umožňuje využití víceúrovňového přerušovacího systému (System Bus & Interrupt).
| Napájecí napětí | +5 V ±5% |
| -5 V ±5% | |
| ±12 V ±5% | |
| * napájecí napětí -5 V nepoužívat v nových aplikacích | |
| Napětí záložního zdroje pro RTI-1 | +4,5 V |
| Typy rozhraní adresy | třístavové TTL |
| data | třístavové TTL |
| řízení | třístavové TTL nebo |
| otevřený kolektor | |
| Počet adresových vodičů | 16+2 stránkování |
| Počet datových vodičů | 8 |
| Počet řídících vodičů | 22 |
| Počet napájecích vodičů | 14 |
| Konektory | nepřímé 62 vývodů, FRB |
| proud kontaktem | 3 A max. |
| přechodový odpor | 7 mohm max. |
| mechanická trvanlivost | 10 000 cyklů |
| Charakteristika budičů | |
| výstupní proud úroveň L | 24 mA |
| výstupní proud úroveň H | -2 mA |
| Doporučené typy budičů | |
| třístavové TTL | 74 (A)LS 24X |
| otevřený kolektor | 74 (A)LS 38 |
| Charakteristika přijímačů - maximální doporučené hodnoty | |
| vstupní proud úroveň L | -0,4 mA |
| vstupní proud úroveň H | 25 µA |
| Doporučené typy přijímačů | obvody řady 74(A)LS |
| paměti PROM řady 74S | |
| Úrovně | |
| společný bod (GND) | 0 V |
| výstupní napětí úroveň L | max. 0,6 V |
| vstupní napětí úroveň L | max. 0,8 V |
| zakázané pásmo | 0,8 V - 2,0 V |
| vstupní napětí úroveň H min. | 2,0 V |
| výstupní napětí úroveň H | min. 2,4 V |
| napájecí napětí | +5 V ±5% |
| Napájecí soustava | |
| maximální odběr celkový | +5 V / 15 A |
| ±12 V / 4 A | |
| celkový odpor od vstupu napá- | +5 V / 20 mΩ max. |
| jení k libovolné pozici | ±12 V / 100 mΩ max. |
| doporučený odběr jedné desky | +5 V / 1,0 A max. |
| Počet desek ve sběrnici | 20 |
| z toho standardní pozice | 19 |
| vyhrazené pozice | 1 pro desku RTI-1 |
| Rozteč desek ve sběrnici | 20mm |
| Mechanické parametry jednotlivých desek souboru | |
| rozměr desky | 140 x 150 mm (+0/-0,3) |
| tloušťka plošného spoje | 1,5 mm |
| výška součástek nad deskou | max. 15 mm |
| výška vývodů ze strany spojů | max. 2,5 mm |
Pracovní podmínky :
Odolnost výrobku vůči vlivu klimatických činitelů je označena skupinou 2 podle ČSN 36 9302 čl. 1.3.1 tj. musí zabezpečit provozuschopnost a vnější vzhled pro:
| Rozsah pracovních teplot | +5 až +40 °C |
| Relativní vlhkost vzduchu | 40 až 80 % při 25 °C |
| Atmosférický tlak | 84 až 107 kPa |
| Prostředí | bez agresivních plynů a par |
Bezpečnostní ustanovení :
Připojená zařízení napájená z rozvodné sítě 220V/50Hz musí splňovat ustanovení ČSN 36 9060 (zejména požadavek na izolační pevnost zkoušenou napětím 3,75 kV).
| Krytí: | IP 00 |
Funkční zkoušky:
Odolnost proti vnějším vlivům je dána ČSN 36 9302 takto :
| mráz | článek 2.4 |
| suché teplo | článek 2.5 |
| vlhké teplo | článek 2.6 |
| chvění | článek 2.10 |
Střední doba mezi poruchami:
| prostředí normální +5 °C až +40 °C | >100 000 hodin |
| prostředí klimatizované +15 °C až +30 °C | >100 000 hodin |
Sběrnice SBI-1 je základním elektronicko - mechanickým prvkem sestav řídícího mikropočítače SAPI-1.5. Tato sběrnice umožňuje skládání jednotlivých prvků souborů SAPI-1 a SAPI-1.5 pro rozsáhlejší aplikace s možností využití funkce víceúrovňového přerušovacího systému. Až na některé výjimky uvedené dále je sběrnice SBI-1 funkčně shodná s dosud používanou sběrnicí ARB-1, v případě doplnění rozšiřujícím modulem je s touto sběrnicí funkčně ekvivalentní. SBI-1 je však zejména určena pro nové aplikace s prvky SAPI-1.5, kde zapojení desky procesoru PKT-1 a desky řadiče přerušení RTI-1 přináší plné využití možností sběrnice.
Sběrnice SBI-1 je tvořena dvoustrannou deskou plošného spoje, na které jsou umístěny elektronické a mechanické prvky. K rámu mikropočítače se sběrnice upevňuje pomocí šroubů M3. K přivedení napájecích napětí a řídících signálů jsou použity ploché kolíky (fastony) a nepřímé řadové konektory.
Vlastní zapojení sběrnice je možné rozdělit do čtyř základních funkčních celků:
- rozvod napájecích napětí pro desky a perif. zařízení
- pole sběrnicových konektorů
- konektory pro umístění desek procesoru PKT-1 a řadiče přerušení RTI-1
- víceúrovňový přerušovací systém
Rozvod napájecích napětí
Na sběrnici je proveden rozvod systémových napájecích napětí +5 V, -5 V, +12 V, -12 V pro jednotlivé desky. Vzhledem k použití nových prvků není vhodné využívat napájecí napětí -5 V. Pro rozvod základního napájecího napětí Ucc (+5 V) logických obvodů a odpovídajícího společného vodiče GND je potřebné využívat vývody číslo 15 až 20 sběrnice.
Společný vodič GND umístěný na vývodech 53 a 54 je sice v základním provedení propojen s vývody 19 a 20, přerušením vodičů na desce PS v oblasti příslušného přívodu je však možné oba tyto společné vodiče rozpojit a oblast vývodů číslo 51 až 58 použít pro samostatný rozvod symetrického napájecího napětí ±12 V s analogovou zemí pro napájení rozšiřujících desek. Potom však není například napájecí napětí +12 V použitelné pro napájení logických obvodů systému, protože filtrační kondenzátory nebudou spojeny s "číslicovou zemí".
K odstranění zákmitů na napájecích vodičích vzniklých při činnosti systému slouží keramické kondenzátory umístěné mezi jednotlivými sběrnicovými konektory a to jak pro napětí +5 V, tak i pro -5 V a ±12 V. Na vstupu rozvodů napájecích napětí +5 V a ±12 V je dále umístěna zenerova dioda pro jednorázovou ochranu před přepětím a tantalový elektrolytický kondenzátor.
Přívody napájecích napětí od zdroje jsou zakončeny plochými dutinkami zasunutými na ploché kolíky připevněné ke sběrnici. Pro napětí +5 V a společný vodič GND jsou tyto vstupy vícenásobné.
K napájení přídavných zařízení - například mechanik floppy disků nebo monitorů - je možné využít výstupní řadové konektory XP2, XP3 případné XP5, na něž jsou vyvedeny napájecí napětí +5 V a +12 V, přičemž konektor XP5 je určen zejména pro připojení systémového panelu. Obsahuje výstupy +5 V/max.0,3 A; +12 V, výstup napájení signalizační LED diody a vstup signálu RTL z tlačítka ruční inicializace.
UPOZORNĚNÍ:
Souhrn odběrů systémových prvků - desek a připojených periferních zařízení napájených ze sběrnice nesmí v žádné hladině
napájecích napětí překročit povolený odběr použitého napájecího zdroje.
Systémové konektory
Pole zásuvek XS3 až XS20 je určeno pro umístění základních systémových i rozšiřujících desek mikropočítače SAPI-1. Všechny pozice jsou rovnocenné (není-li využíván víceúrovňový přerušovací systém - viz dále). V jakékoliv pozici může být zasunuta libovolná deska včetně desky procesoru typu PKT-1.
UPOZORNĚNÍ:
Je nutné, aby základní systémové desky zejména procesoru PKT-1 a paměti
RSW-1 byly umístěny v blízkých, pokud možno sousedních pozicích. Tím je omezen nepříznivý vliv
délky sběrnice na jejich vzájemnou komunikaci.
Pro rozsáhlejší řídící aplikace umožňuje sběrnice využití víceúrovňového přerušovacího systému řízeného deskou RTI-1.V tomto případě je v zásuvce XS2 umístěna deska PKT-1 a v zásuvce XS1 deska RTI-1.
UPOZORNĚNÍ:
Zásuvka XS1 má nestandardní zapojení sběrnicového konektoru a jiné klíčování - je určena výhradně pro desku RTI-1.
POZNÁMKA:
Deska PKT-1 může být připojena k zásuvce XS2 i v případě, kdy není využíván rozšířený
přerušovací systém.
K zásuvce XS1 vývodům 55 a 56 je prostřednictvím řadového konektoru XP1 připojeno napájecí napětí 4,5 V ze záložního napájecího zdroje. Toto napětí je určeno pro napájení generátoru reálného časového údaje a zálohované paměti sRAM umístěných na desce RTI-1 v době vypnutí nebo výpadku systémového napájecího zdroje.
Mezi zásuvkami XS2 a XS3 je pole pro kontakty, které slouží k připojení rozšiřujícího modulu zesilovačů signálů adresové sběrnice. V případě využití tohoto prvku je nutné přerušit adresové vodiče A0 až A15 ze strany spojů přímo na desce sběrnice SBI-1. Instalace modulu se provede podle k němu přiloženého návodu. Tím se sběrnice SBI-1 stává použitelnou pro desky procesoru typu JPR-1(A) případně JPR-1Z.
Přerušovací systém
Jak vyplývá z přiloženého blokového schématu je na sběrnici SBI-1 dána možnost zavedení víceúrovňového přerušovacího systému. K tomu jsou využity standardní sběrnicové signály SAPI-1 – INT0, INT1 a INTA, nové je definován význam rezervních signálů S4,S5,S6 jako CAS0,CAS1,CAS2 tj. signály umožňující kaskádní zapojení řadičů přerušení typu 8259. Signál INTE je jako nadbytečný zrušen a nahrazen signálem REF pro řízení obnovy informací v pamětech dRAM.
Práce bez využití přerušení
V tomto případě nejsou aktivovány žádnou deskou signály INT0 a INT1, procesor nevydává potvrzení signálem INTA. Desky systému mohou být umístěny v libovolné pozici 2 až 20, propojky signálů S4, S5, S6 mezi pozicemi 5 a 6 a propojka signálu INT1 mezi pozicemi 2 a 3 jsou propojeny. Všechny signály sběrnice mají standardní význam ARB-1.
Práce ve standardním přerušovacím režimu ARB-1
Tento způsob je možný v pozicích 13 až 20 sběrnice SBI-1. Po spojení propojek signálů S4, S5, S6 a INT1 mají tyto standardní význam ARB-1 přičemž signál INT0 je použitelný v pozicích 13 až 20. Obsluhu požadavků na přerušení provádí mikroprocesor.
POZNÁMKA:
Ve výše uvedených režimech může být deska procesoru umístěna v každé z uvedených pozic. Z funkčních bloků na desce
RTI-1 lze využít generátor reálného času a zálohovanou paměť sRAM.
Využití rozšířeného přerušovacího systému
Tuto variantu poskytuje vzájemná spolupráce desek procesoru PKT-1 a řadiče přerušení RTI-1. Specializuje se význam signálů požadavků přerušení INT0 jako selektivních od jednotlivých desek, signál INT1 je vyhrazen pro požadavek na nemaskovatelné přerušení NMI s možností generování z vnějšího zařízení, například při výpadku napájecího zdroje.
K desce RTI-1 jsou svedeny vodiče IRQ ( jako sloučený požadavek na přerušení od desek v pozicích 13 až 20 ) a dále IRQ3, IRQ4 ... IRQ12 jako jednotlivé požadavky od pozic 3 až 12. Na tuto desku je možné při odpovídajícím zapojení propojky přivést požadavek z galvanicky odděleného vstupu XP4. Potom je tento signál zařazen do prioritního řetězce nebo jako signál ONMI propojen na vstup NMI procesoru. Při druhém způsobu propojení je externí požadavek z XP4 přiveden na vstup NMI (INT1) procesoru přímo.
Po zpracování prioritním řadičem požadavků na přerušení je deskou RTI-1 vydán signál INT pro procesor. Ten potom řídí vlastní obsluhu příslušného požadavku pomocí signálu INTA.
Kaskádní zapojení řadičů obsluhy přerušení
Tato možnost je dána využitím rezervních vodičů pro rozvod signálů CAS0, CAS1 a CAS2 obvodů typu 8259. Pozice 3,4 a 5 jsou potom vyhrazeny pro připojení uživatelských desek vybavených uvedenými obvody.
| č. | signál | název | č. | signál | název |
| 1 | RTLn | tlačítko RESET | 2 | HOLDn | žádost o DMA |
| 3 | RDY | signál READY | 4 | STSTB | vzorek statutu |
| 5 | HLDAn | potvrzení pro DMA | 6 | M1n | příznak cyklu M1 |
| 7 | *REFn | obnova obs. dRAM | 8 | RESn | nulování |
| 9 | MRn | čtení z paměti | 10 | IORn | čtení z portu |
| 11 | MWn | zápis do paměti | 12 | IOWn | zápis do portu |
| 13 | AENn | povolení adres | 14 | DENn | povolení dat |
| 15 | + 5 V | napájení Ucc | 16 | + 5 V | napájení Ucc |
| 17 | + 5 V | napájení Ucc | 18 | + 5 V | napájení Ucc |
| 19 | GND | zem | 20 | GND | zem |
| 21 | *MAP1 | rozšíření adres 1 | 22 | *MAP2 | rozšíření adres 2 |
| 23 | A9 | adresový bit 9 | 24 | A15 | adresový bit 15 |
| 25 | A11 | adresový bit 11 | 26 | A14 | adresový bit 14 |
| 27 | A13 | adresový bit 13 | 28 | A12 | adresový bit 12 |
| 29 | A10 | adresový bit 10 | 30 | A8 | adresový bit 8 |
| 31 | D4 | datový bit 4 | 32 | D3 | datový bit 8 |
| 33 | D6 | datový bit 6 | 34 | D5 | datový bit 5 |
| 35 | D2 | datový bit 2 | 36 | D7 | datový bit 7 |
| 37 | D0 | datový bit 0 | 38 | D1 | datový bit 1 |
| 39 | A1 | adresový bit 1 | 40 | A0 | adresový bit 0 |
| 41 | A3 | adresový bit 3 | 42 | A2 | adresový bit 2 |
| 43 | A5 | adresový bit 5 | 44 | A4 | adresový bit 4 |
| 45 | A7 | adresový bit 7 | 46 | A6 | adresový bit 6 |
| 47 | *S3 | rezerva 3 | 48 | *S4 | rezerva 4 |
| 49 | *S5 | rezerva 5 | 50 | *S6 | rezerva 6 |
| 51 | + 12 V | napájení +12 V | 52 | + 12 V | napájení +12 V |
| 53 | 0 V | analogová zem | 54 | 0 V | analogová zem |
| 55 | -5 V | napájení -5 V | 56 | -5 V | napájení -5 V |
| 57 | -12 V | napájení -12 V | 58 | -12 V | napájení -12 V |
| 59 | INT1n | žád. o přerušení 1 | 60 | Φ2 | hodiny TTL |
| 61 | INTAn | potvrz. přerušení | 62 | INT0n | žád. o přerušení 0 |
Signály aktivní v úrovní L jsou označeny příponou " n " .
POZNÁMKY:
U signálů označených ve sloupci "signál" * je v případě potřeby pozměňována funkce oproti původnímu provedení sběrnice
SAPI-1 (ARB-1) takto :
- vývod č. 7 pro signál REFRESH pamětí dRAM (trvale)
- vývody č. 21,22 pro rozšíření adresového prostoru
- vývod č. 47 pro indikaci příznaku čtení vnitřní ROM
- vývody č. 48,49 a 50 pro kaskádní signály řadičů přerušení
Detailní popis uvedených změn je uveden v příslušných návodech k obsluze k jednotlivým deskám.
Rozloženi signálů na konektoru XS1 - pozice vyhrazená pro desku RTI-1
| č. | signál | název | č. | signál | název |
| 1 | RTLn | tlačítko RESET | 2 | IRQ3n | přerušení 3 |
| 3 | RDY | signál READY | 4 | STSTB | vzorek statutu |
| 5 | IRQ4n | přerušení 4 | 6 | M1n | příznak cyklu M1 |
| 7 | IRQ5n | přerušení 5 | 8 | RESn | nulování |
| 9 | MRn | čtení z paměti | 10 | IORn | čteni z portu |
| 11 | MWn | zápis do paměti | 12 | IOWn | zápis do portu |
| 13 | AENn | povolení adres | 14 | NMIn | nemaskované přer. |
| 15 | + 5 V | napájení Ucc | 16 | + 5 V | napájení Ucc |
| 17 | + 5 V | napájení Ucc | 18 | + 5 V | napájeni Ucc |
| 19 | GND | zem | 20 | GND | zem |
| 21 | MAP1 | rozšíření adres 1 | 22 | MAP2 | rozšíření adres 2 |
| 23 | IRQ9n | přerušení 9 | 24 | IRQn | přerušení 13-20 |
| 25 | IRQ8n | přerušení 8 | 26 | IRQ12n | přerušení 12 |
| 27 | IRQ7n | přerušení 7 | 28 | IRQ11n | přerušeni 11 |
| 29 | IRQ6n | přerušení 6 | 30 | IRQ10n | přerušeni 10 |
| 31 | D4 | datový bit 4 | 32 | D3 | datový bit 8 |
| 33 | D6 | datový bit 6 | 34 | D5 | datový bit 5 |
| 35 | D2 | datový bit 2 | 36 | D7 | datový bit 7 |
| 37 | D0 | datový bit 0 | 38 | D1 | datový bit 1 |
| 39 | A1 | adresový bit 1 | 40 | A0 | adresový bit 0 |
| 41 | A3 | adresový bit 3 | 42 | A2 | adresový bit 2 |
| 43 | A5 | adresový bit 5 | 44 | A4 | adresový bit 4 |
| 45 | A7 | adresový bit 7 | 46 | A6 | adresový bit 6 |
| 47 | S3 | rezerva 3 | 48 | CAS0 | kaskáda 8259 0 |
| 49 | CAS1 | kaskáda 8259 1 | 50 | CAS2 | kaskáda 8259 2 |
| 51 | + 12 V | napájení +12 V | 52 | + 12 V | napájení +12 V |
| 53 | 0 V | analogová zem | 54 | 0 V | analogová zem |
| 55 | Ur | záložní napájení | 56 | Ur | záložní napájení |
| 57 | -12 V | napájení -12 V | 58 | -12 V | napájeni -12 V |
| 59 | ONMIn | výstup NMI | 60 | Φ2 | hodiny TTL |
| 61 | INTAn | potvrz. přerušení | 62 | INT0n | žád. o přerušení 0 |
Signály aktivní v úrovní L jsou označeny příponou " n " .
Sběrnicové konektory
| Pozice na sběrnici | XS1 až XS20 | |
| Klíčování | XS1 | A1 |
| XS2 až XS20 | C6 | |
| Typ konektoru | zásuvka | TX 518 6212 |
| Typy konektorů na deskách | vidlice | řada TY 517, TY 525 |
Vstupy napájecích vodičů a RTL
| Typ kontaktu | plochý kolík 4,8 mm 7201-01/4 |
| Zakončení napáj. kabelů | pl.dutinka 4,8 mm 7101-01(03) |
Řadové konektory pro připojení přídavných zařízení
| Typ kontaktu | kontaktní kolík WA 459 41 | |
| Zakončení připojovacích kabelů | ||
| 3 kontakty | pohyblivá zásuvka WK 180 22 | |
| 5 kontaktů | pohyblivá zásuvka WK 180 26 | |
| Jmenovitý proud kontaktem | 3 A | |
| Přechodový odpor | max. 10 mΩ | |
Umístění konektorů na desce sběrnice a zapojení jejich vývodů je uvedeno v kapitole rozložení obvodů a na schématu zapojení.
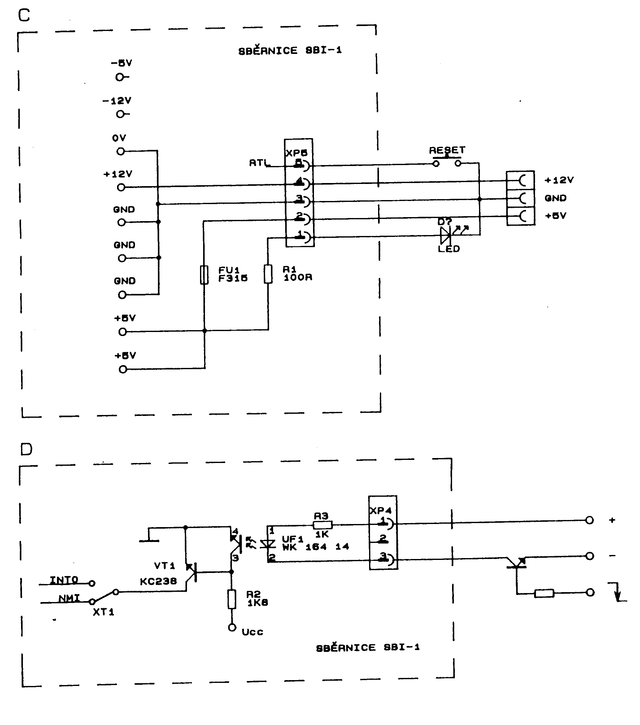
Příklady připojení periferních zařízení
A Připojení napájecího zdroje, jednotky FD a tlačítka RESET
B Připojení napájecího zdroje a záložního napájení
Příklady připojení periferních zařízení
C Připojení systémového panelu
D Připojení signálu externího NMI
| XT 1 | Připojeni signálů externího NMI | |
| XT1 | externí NMI | |
| propojeno 1-2 | přiveden na desku RTI-1 | |
| propojeno 3-4 | spojen se signálem INT1 sběrnice | |
| rozpojeno | nevyužit |
| XT 2 | Volba funkce vývodů 48.49,50 | |
| XT2 | funkce vývodů 48,49,50 u XS2 až XS5 | |
| propojeno | vývody ve funkci S4, S5, S6 | |
| rozpojeno | vývody ve funkci CAS0, CAS1, CAS2 |
| XT 3 | Zdroj signálu INT1 (NMI) pro CPU | |
| XT3 | požadavek přerušení INT1 od | |
| propojeno | signálů INT1 z desek v pozicích 3-20 | |
| rozpojeno | signálu ONMI z desky RTI-1 |
Poznámky uživatele o nastavení propojek
Instalaci může provádět pracovník poučený podle §5 vyhlášky 50/78 Sbírky.
Při uvádění výrobku do provozu bezprostředně po dopravě je nutné zajistit vyrovnání teploty zabalené desky s teplotou provozního prostředí a zabránit tak vzniku orosení.
Při instalaci sběrnice (je-li tato dodávána samostatně) postupovat následujícím způsobem :
Před definitivním upevněním sběrnice do rámu je nutné zajistit správnou polohu sběrnice vůči vodítkům pro desky. V žádném případě nesmí dojít při zasunování desek k ohýbáni kontaktů sběrnicových konektorů.
Sběrnice musí být k rámu přichycena šrouby ve všech upevňovacích otvorech, aby nedocházelo k jejímu prohýbání při manipulaci s deskami.
Vstupy napájecích napětí na sběrnici se propojí s výstupy zdroje vodiči s dostatečným průřezem; pro napájení +5 V a společný vodič GND mohou být tyto vodiče vícenásobné. K zakončení napájecích vodičů musejí být použity odpovídající ploché dutinky. Rovněž kabely připojované k řadovým konektorům musí být zakončeny předepsanými zásuvkami. U těchto zásuvek je nutné odstranit boční vodící výstupek.
Propojky se zapojují ovíjením, je dovoleno použít spojení pájením.
Před zasunutím desek do sběrnice je nutné se přesvědčit o správném připojení napájecích napětí měřením na příslušných vývodech sběrnicových konektorů.
Přídavná zařízení napájená ze sběrnice musí být před připojením zkontrolována.
Souhrn odběrů systémových prvků - desek a připojených periferních zařízení napájených ze sběrnice nesmí v žádné hladině napájecích napětí překročit povolený odběr použitého napájecího zdroje.
Desky zasunované do sběrnice musí mít čisté, rovné a jinak nepoškozené kontakty vidlic.
DESKY JE DOVOLENO ZASUNOVAT A VYJÍMAT POUZE U SYSTÉMU VE VYPNUTÉM STAVU!
Poznámky uživatele o instalaci sběrnice
Pohled ze strany součástek
| Výkresové číslo kompletní desky | 6XK 199 304 |
| Výkresové číslo desky plošných spojů | 6XB 007 59 |
Pohled ze strany spojů
| Rozměry | 420 x 162,5 mm |
| Maximální hmotnost kompletní sběrnice | 650 g |
| název | pozice na sběrnici | hodn | typ |
| zásuvka | XS1 až XS20 | TX 518 6212 | |
| odpor | R1 | 100R | TR 296 |
| odpor | R2 | 1k8 | TR 296 |
| odpor | R3 | 1K0 | TR 296 |
| kondenzátor | C1 až C3 | 4µ7 | TE 134 |
| kondenzátor | C4 až C76 | 15n | TK 683 |
| dioda | VZ1 | KZ 260 / 6V2 | |
| dioda | VZ2,VZ3 | KZ 260 / 15 | |
| tranzistor | VT1 | KC 238B | |
| optron | UF1 | WK 164 14-2 | |
| poiistka | FU1 | F 315 / 35 A |
Zkoušky u výrobce:
Výrobce provádí typové, kontrolní, informační i dílčí zkoušky pro ověření vlastnosti výrobku v mezních pracovních podmínkách a pro regulaci kvality práce v průběhu výrobního procesu. Metodika a rozsah těchto zkoušek jsou dány interními předpisy, které konkretizují ustanovení státních, oborových a podnikových norem.
Záruka :
Výrobce ručí za jakost výrobku po dobu uvedenou na záručním listě.
Balení :
Při dodávce jednotlivé sběrnice je tato balena do přepravního obalu.
Je-li sběrnice dodávána v rámci sestavy, je upevněna do rámu mikropočítače.
Doprava :
Výrobek se přepravuje v dodávaném obalu chráněn před vlivy povětrnosti a agresivních látek všemi druhy krytých přepravních prostředků. Při přepravě nesmí docházet k hrubým otřesům. Klimatické podmínky při dopravě jsou určeny podle ČSN 36 9302 čl.1.8.1 to je :
| rozsah teplot | -40 °C až +50 °C |
| relativní vlhkost vzduchu | 95 % při 30 °C |
Skladování :
Skladovací prostor musí být suchý, dobře větraný, bez mechanických otřesů a chemických vlivů. Skladovací teplota musí být v rozmezí +5 °C až +40 °C a relativní vlhkost maximálně 85 % . Výrobky musí být skladovány v neporušeném obalu (ČSN 36 9302 čl. 1.9.4).
Údržba :
Zařízení neobsahuje žádné nastavovací prvky. Údržba spočívá v občasné kontrole mechanického stavu sběrnice a součástek na ní osazených. Zvýšenou pozornost je třeba věnovat stavu kontaktních dutinek sběrnicových zásuvek a upevnění přívodních kabelů zejména od napájecího zdroje V rámci údržby je možné odstraňovat usazený prach odsáváním.
Servis :
Záruční a běžné opravy výrobku zajišťuje TESLA ELTOS. Při poruše je nutné zaslat výrobek zabalený v původním obalu na adresu
| TESLA ELTOS DIZ | |
| Kocínova 136 | |
| 397 01 | PÍSEK |
Pro větší odebíraná množství si může odběratel dohodnout s výrobcem jinou formu zajišťování servisní činnosti.
Datum dne uvedení výrobku do provozu : _____________
Údaje o reklamacích : datum, obsah reklamace, opatření
Údaje o provozu : termín od-do, způsob práce, doba práce
Technická obsluha : datum, prováděné práce, technický stav
Závady při provozu : datum, charakteristika závady, příčina
Opravy, konstrukční změny : datum, popis, výsledný stav
Schéma SBI-1 a černobílá verze ZDE.
Mikropočítačový soubor SAPI-1.5
Sběrnice SBI-1
Výrobce si vyhrazuje v rámci technického rozvoje a dalšího vývoje zařízení provádět změny sloužící ke zlepšení funkce výrobku. Z tohoto důvodu se nemusí všechny údaje v textu a všechna vyobrazení zcela shodovat s dodávaným zařízením.
Uživatelská dokumentace je duševnim majetkem firmy TESLA LIBEREC. Rozmnožování podléhá souhlasu výrobce. Nerespektování uvedené podmínky, případně jiné zneužití dokumentace může být soudně stíháno.
(C) TESLA LIBEREC 1990
ÚVOD | Novinky | 8 Bitů | Příslušenství | Drobnosti | TTL | Kontakt
SAPI-1 | ONDRA | PMI-80 | PMD-85 | klony PMD-85 | klony SM50/40 | PETR | PLAN-80A | IQ151 | TNS | FK-1 | HVĚZDA | SP 830 | PCS 1-QR6000 | TEMS
ZPS | Technické prostředky | Programové vybavení | Dokumentace