ÚVOD | Novinky | 8 Bitů | Příslušenství | Drobnosti | TTL | Kontakt


SAPI-1 | ONDRA | PMI-80 | PMD-85 | klony PMD-85 | klony SM50/40 | PETR | PLAN-80A | IQ151 | TNS | FK-1 | HVĚZDA | SP 830 | PCS 1-QR6000 | TEMS


ZPS | Technické prostředky | Programové vybavení | Dokumentace


8 bity / SAPI-1 / Technické prostředky / SPN-1




SPN-1



OCR dokumentace ze ZPS-1


SYSTÉMOVY NAPÁJECÍ PANEL PERIFERIÍ

SPN-1


6XK198 91


Obsah:

  1. Úvod
  2. Technické parametry
  3. Popis funkce
  4. Instalace
  5. Kontrola funkce
  6. Údržba a servis
  7. Všeobecné údaje

Přílohy:

  1. Výkres sestavení panelu SPN-1
  2. Rozpiska součástí panelu SPN-1
  3. El. schéma panelu SPN-1


  1. Úvod
  2. Systémový panel SPN-1 je prvek souboru SAPI-1, který je umístěn v jednotce JZS-1 /nebo JSB-1/ a umožňuje napájet přídavná zařízení souboru napětím +5 V a +12 V. Krotě toho umožňuje vstup externího signálu RESET do systému.



  3. Technické parametry
  4. Napájecí napětí:+12 V ± 0,50 V
    Zvlnění napájecího napětí:50 mVš-š
    Max. odběr proudu:+12 V/1,8 A
    Počet výstupních konektorů:4
    Signály na výstupních konektorech:   +12 V + 0,50 V
    +12 V  - 0,70 V
    + 5 V ± 0,25 V
    RESET
    Indikace:dioda LED indikuje přítomnost napětí +12 V na výstupním konektoru
    Max. odběry výstupních napětí:+12 V/1,5 A
    + 5 V/0,3 A
    Jištění výstupních napětí:trubičkové pojistkové vložka F 2/35 A
    Rozměry desky PS:100 x 140 mm
    Váha:120 g


  5. Popis funkce
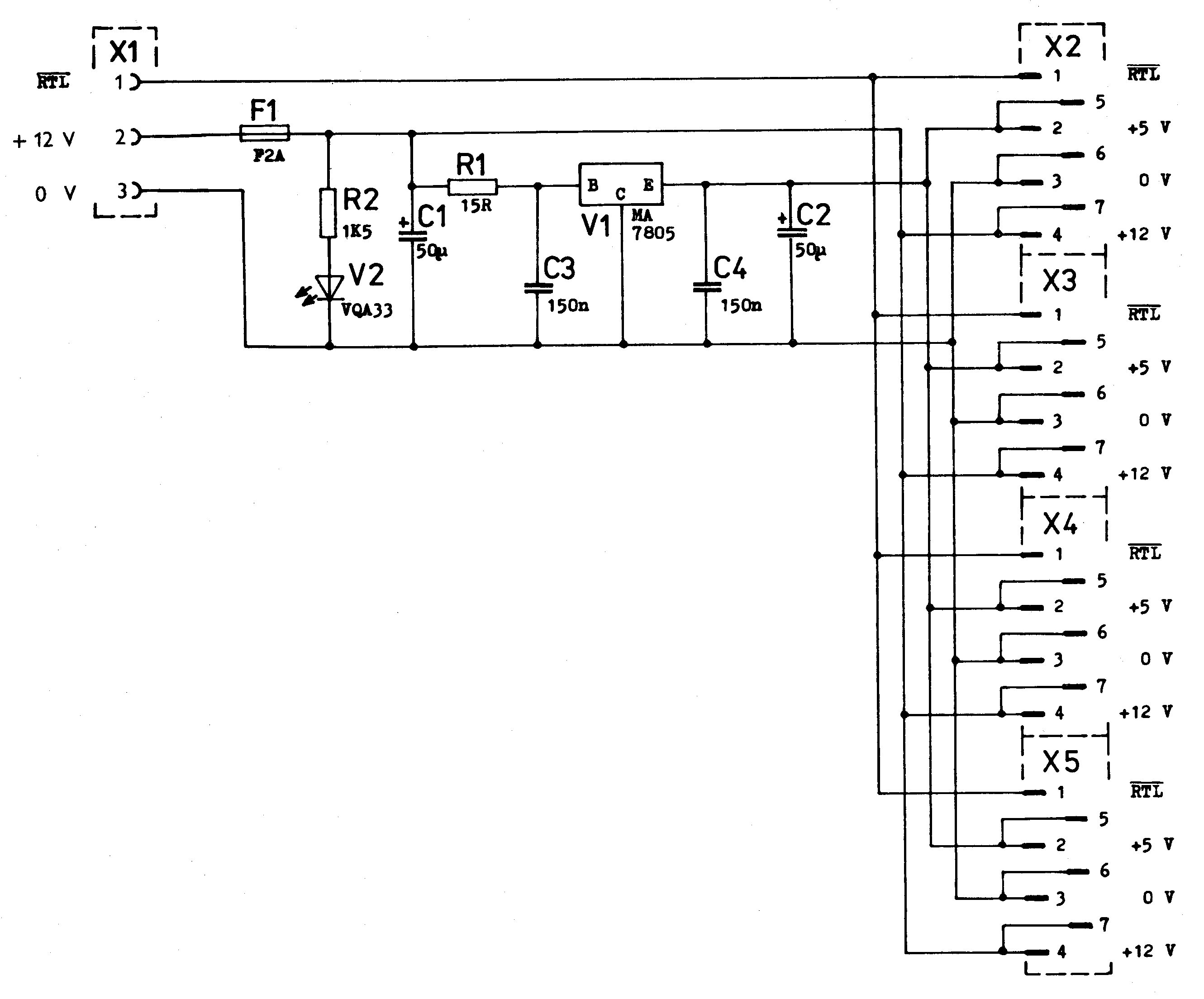
  6. Deska SPN-1 se zasouvá do nulté pozice vany souboru /JZS-1, JSB-1/. Na předním panelu desky jsou 4 konektory X2, X3, X4 a X5, které slouží pro napájení přídavných zařízení napětím +5 V a +12 V a pro přívod externího signálu RESET. Deska je spojena kabelem s konektorem X1 s deskou sběrnice ARB-1 /konektor X10/. Z desky ARB-1 je odebíráno pouze napětí +12 V. Na vstupu desky SPN-1 je toto napětí jištěno pojistkou F1, aby při zkratu v přídavném zařízení nebo v jeho kabelu nebyl přetížen zdroj. Přítomnost napětí +12 V je na panelu desky SPN-1 indikováno LED diodou V1. Zhasnutí této diody indikuje buď vypnutí napájecího zdroje anebo přepálení pojistky F1. Aby nebylo možno při manipulaci a kabelem nebo jinak zkratovat hlavní napájecí napětí systému +5 V je na desce SPN-1 samostatný stabilizátor, který vyrábí napětí +5 V/0,3 A pro napájení přídavných zařízení.

    Všechny výstupní konektory X2 - X5 jsou zapojeny stejně. Externí tlačítko RESET se zapojuje mezi vývod 1 těchto konektorů a zem /vývody 3 a 6/.

    V souboru SAPI-1 je možno na desku SPN-1 připojit:
    Napájení alfanumerické klávesnice ANK-1
    Napájení alfanumerické zobrazovací jednotky AZJ 462



  7. Instalace
    1. Pokud je panel balen a dodáván samostatně, vyjmeme jej z obalu, překontrolujeme, eventuelně nasadíme pojistkovou vložku do držáku na desce PS.
    2. Kabel panelu ukončený konektorem X1 zasuneme do konektoru X10 na sběrnici systému v jednotce JZS-1 /JSB-1/.
    3. Systémový panel zasuneme do prvé pozice vodítek /zprava/ a upevníme v jednotce JZS-1 /JSB-1/ dvěma šrouby.
    4. Zapnutím zdroje ZDR-1 se přesvědčíme, že na výstupních konektorech panelu je přítomno napětí /svítí LED dioda/.
    5. Před připojením napájení přídavného zařízení provedeme rozvahu odběru proudu z +12 V zdroje podle bodu 4. Instalace systému a přílohyXII. Návodu k obsluze a užití souboru SAPI-1. Do tabulky doplňujeme hodnoty odběru přídavných zařízení, která chceme napájet z panelu SPN-1. Přitom kontrolujeme, zda nebudou překročeny maximální hodnoty odběru z panelu, uvedené v bodě 2 tohoto Návodu.
    6. Obal panelu /pokud byl panel dodán samostatně/ uložíme pro případ zaslání výrobku do opravy.


  8. Kontrola funkce
  9. Po připojení napájecího napětí se musí rozsvítit LED dioda a na příslušných špičkách výstupních konektorů objevit napětí +5 V a +12 V v povolených tolerancích /viz bod 2/. Průchodnost signálu RESET je možno vyzkoušet při funkci základního souboru SAPI-1 /konfigurace roku 1983/ pomocí klávesnice ANK-1.



  10. Údržba a servis
    1. Údržba panelu SPN-1 spočívá v kontrole a ochraně výstupních FRB konektorů před znečištěním a mechanickým poškozením. V rámci údržby je možné rovněž vyměňovat trubičkovou vložku systému v držáku na desce PS.
    2. Servis provádí Tesla DIZ prostřednictvím svých servisních středisek. Při odeslání panelu do opravy je nutno jej zabalit do původního obalu /pokud byl s panelem dodán/.


  11. Všeobecné údaje
    1. Pracovní podmínky
    2. Teplota okolí+5°C až +40°C
      Relativní vlhkost40% až 80% při 30°C
      Prostředíneklimatizované, bez
      agresivních plynů a par
      Atmosférický tlak84 až 107 kPa
      Prašnost prostředímax. 1 mg/m3
      velikost částicmax. 10 µm
      Odolnost proti vibracím   0,1 mm při 25 Hz
    3. Krytí: IP 00
    4. Kvalifikace obsluhy a údržby: pracovník poučený dle § 4 vyhlášky 50/78 Sb.
    5. Příslušenství: 3 ks konektor WK 180 28
    6. Skladování
    7. Skladovací prostor musí být suchý, dobře větraný, bez mechanických otřesů a chemických vlivů. Skladovací teplota musí být v rozmezí -5°C až +35°C a relativní vlhkost vzduchu smí být max. 75%. Výrobky musí být skladovány v neporušeném obalu. Při vybalování výrobku /zvláště v zimnim období/ je nutné ponechat výrobek v přepravním obalu 4 až 5 hodin v pracovních podmínkách, aby nedošlo k oroseni.
    8. Záruka
    9. Dodavatel ručí za jakost výrobku po dobu 6 měsíců ode dne splnění dodávky za předpokladu, že výrobek nebyl poškozen hrubým nebo neodborným zásahem.


    PŘÍL. I.


    Výkres sestavení




    Výkres sestavení



    PŘÍL. II.

    Panel SPN-1   ROZPISKA DÍLŮ   6XK 198 91
    KsTypOznačení
    polohopisné   
    Název
    16XA 631 03panel čelní 160x20 mm
    26XA 637 21držák desky PS
    16XB 004 59deska PS Jednostranná 140x100 mm
    20 cm   PNLY 3x0,35vodič dle TP 03/41-302/72
    1WK 180 22X1zásuvka pohyblivá plochá 3 pólová
    4WK 462 46X2- X5vidlice lichoběžníková 7 pólová
    4WA 780 28pružina zajišťovací
    26XA 489 00držák pojistkový
    1F2A ČSN 35 4733   vložka pojistková 2 A
    1MA 7805V1integrovaný obvod
    1LQ 1432V2dioda svítivá žlutá
    1TR 224 15RKR1odpor vrstvový metaloxidový 2 W
    1TR 191 1K5KR2odpor vrstvový metalizovaný 0,25 W
    1TE 984 50uC1kondenzátor elektrolytický 15 V
    1TE 981 50uC2kondenzátor elektrolytický 6 V
    2TK 783 150nC3, C4kondenzátor keramický
    Příslušenství:
    3WK 180 28zásuvka lichoběžníková 7 pólová



    PŘÍL. III.


    Schéma zapojení SPN-1 a černobílá verze ZDE.




    Schéma zapojení SPN-1



Obsah:

  1. Úvod
  2. Technické parametry
  3. Popis funkce
  4. Instalace
  5. Kontrola funkce
  6. Údržba a servis
  7. Všeobecné údaje

Přílohy:

  1. Výkres sestavení panelu SPN-1
  2. Rozpiska součástí panelu SPN-1
  3. El. schéma panelu SPN-1


ÚVOD | Novinky | 8 Bitů | Příslušenství | Drobnosti | TTL | Kontakt


SAPI-1 | ONDRA | PMI-80 | PMD-85 | klony PMD-85 | klony SM50/40 | PETR | PLAN-80A | IQ151 | TNS | FK-1 | HVĚZDA | SP 830 | PCS 1-QR6000 | TEMS


ZPS | Technické prostředky | Programové vybavení | Dokumentace


8 bity / SAPI-1 / Technické prostředky / SPN-1



SAPI.cz - web o československých osmibitech, zejména SAPI-1. Provozuje EC1045 od roku 2011
Za korekce češtiny dekuji: MELSOFTovi, Silliconovi, Martinu Lukáškovi a NOSTALCOMPovi

Když začínám blbnout z 8bitů tak se chodím léčit mezi otaku.
Animefest.cz