ÚVOD | Novinky | 8 Bitů | Příslušenství | Drobnosti | TTL | Kontakt


SAPI-1 | ONDRA | PMI-80 | PMD-85 | klony PMD-85 | klony SM50/40 | PETR | PLAN-80A | IQ151 | TNS | FK-1 | HVĚZDA | SP 830 | PCS 1-QR6000 | TEMS


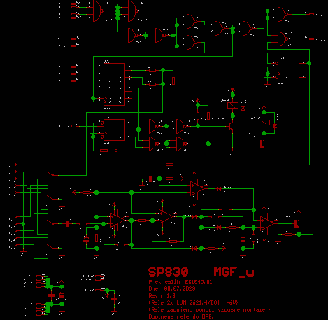
8 bity / SP 830


Více o SP830 zde a zde případně zde.

OCR části dokumentace.



STREDNÁ PRIEMYSELNÁ ŠKOLA

JOZEFA MURGAŠA B. BYSTRICA





ODBOR: ELEKTRONIKA
NÁZOV PRÁCE: STOLOVÝ POČÍTAČ
ŠKOLSKÝ ROK: 1984/85





PRÁCU ZADAL: ING. JOZEP KRÁL
MIESTO SPRACOVANIA: B.BYSTRICA SPŠ J.M.
KONZULTANT: s. ĽUBOR STANISLAV





AUTORI: STANISLAV ĽUBOR, PŠENÁK BRANISLAV, PILIAR PETER, PARDITKA RÓBERT, BARTKO GABRIEL.
TRIEDA: II.D
DÁTUM ODOVZDANIA:





Obsah:

  1. ÚVOD
  2. TECHNICKÉ ÚDAJE
  3. BLOKOVÁ SCHÉMA
  4. PROCESOR
  5. PAMÄŤ EPROM
  6. PAMÄŤ RAM
  7. DISPLAY
  8. DISPLAY AZJ 462
  9. PRIPOJENIE MAGNETOFÓNU
  10. KLÁVESNICA
  11. STABILIZÁTOR
  12. ZDROJ
  13. SKRIŇA DISPLAYA A ŠTÓL. POČÍTAČA
  14. POUŽITÁ LITERATÚRA
  15. ČESTNÉ PREHLÁSENIE
  16. ODBORNÍ POSUDOK


  1. ÚVOD

  2. Stolný počítač

    Je určený pre zber a predspracovanie údajov, vedecko-technické výpočty, riadenie malých technologických procesov, výučbu a pod. Stolný počítač je vybavený alfanumerickou zobrazovacou jednotkou a zabudovanou klávesnicou. Zobrazovacia jednotka umožňuje zobrazenie textov, alebo jednoduchých grafov s rozlišovacou schopnosťou 128 x 48 bodov. K počítaču je možné pripojiť celú škálu periférií a to prostredníctvom integrovanej zbernice používanej v systéme SPU 800. Systém stolného počítača je vybavený vnútornou užívateľskou pamäťou o kapacite 14 kB. Stolný počítač je vytvorený na prvkoch vysokej integrácie s použitím špičkovej súčiastkovej základné štátov RVHP. Programovacím jazykom stolného počítača je rozšírená verzia jazyku BASIC, ktorého interpretátor je uložený do vnútornej pevnej pamäti. Pracovná pamäť je o obsahu 48 kB. Súbor príkazov jazyku BASIC stolného počítača obsahuje obvyklé aritmetické a logické operácie s numerickými i alfanumerickými premennými, alebo poliami týchto premenných. Ďalej obsahujú príkazy pre deklaráciu polí a typov premenných, podmienené a nepodmienené skoky, textovanie inštrukcií, vyvolávanie programov vstupných, výstupných údajov na perifériách a to ako vo voľnom, tak aj vo formálnom tvare. Stolný počítač umožňuje ľahké odlaďovanie, edíciu a dokumentáciu programov. Stolný počítač vykonáva príkazy v režime programov, ako aj v priamom režime. Možnosť pripojenia periférií:
    - snímač diernej pásky PS 1501
    - dierovač diernej pásky DT 1055
    - mozaiková tlačiareň CONSUL C 2111, DZM 180
    - snímač súradníc PAS 465
    - magnetická pásková pamať CM 5300



  3. Technické údaje

  4. Podľa dokumentácie koncernového podniku ZVT Banská Bystrica:
    Užívateľská pamäť - 48 kB
    EPROM pamäť - 14 kB
    programovací jazyk - BASIC II
    max. počet adresných periférií – 240
    Zobrazovacia jednotka:
    alfanumerické znaky - 64 x 16
    semigrafika- 128 x 48
    napájanie - 220 V/ 50 Hz
    príkon - 100 VA



  5. Bloková schéma




  6. Bloková schéma



  7. Procesor

  8. Doska procesora je osadená najmodernejšími. súčiastkami československej výroby a RVHP. Procesor vykonáva presuny informácií medzi registrami, logické, aritmetické operácie, operácie s pamäťou, skoky v programe, vstupné a výstupné operácie. Procesor je rady Z80 alebo U880D - výrobok NDR. Procesor je 8 bitový, má možnosť až 158 inštrukcií so základnou frekvenciou ( synchronizačným signálom) 2,5 MHz. Hodinový synchronizačný signál sa získa s oscilátoru 20MHz.

    Na riadenie mikroprocesorového systému sa používajú periférne obvody MH 3216 a MH 3226. Počiatočná dedička oscilátoru je delenie 1:8 integrovaným obvodom MH 7493.




    Schéma Procesor a černobílá verze ZDE.




    DPS Procesor





  9. Pamäť EPROM

  10. Doska plošného spoja EPROM je osadená najmodernejšími súčiastkami československej alebo zahraničnej výroby, rady MHB 8708 C alebo I2708. V pamätiach je naprogramovaný jazyk BASIC II. Môže byť tak isto naprogramovaný jazyk ASSEMBLER v jazyku BASIC. Pamäť EPROM uvoľňuje pre pracovňu pamäť RAM. Pamäte EPROM sú trvalo naprogramované na dobu 10 000 nepretržitých hodín. Obsah pamäte EPROM v jazyku BASIC je 14 kB.




    Schéma Pamäť EPROM a černobílá verze ZDE.




    DPS Pamäť EPROM





  11. Pamäť RAM

  12. Doska plošného spoja pracovnej pamäti RAM je osadená najmodernejšími československými súčiastkami, pamäťami rady MHB 4116 o obsahu 48 kB, Do pracovnej pamäti sa nahrá program z periférií (magnetofón, snímač, dierovač, klávesnica). Pracovná pamäť RAM si vyberá potrebné údaje v jazyku BASIC z naprogramované pamäti EPROM.




    Schéma Pamäť RAM a černobílá verze ZDE.




    DPS Pamäť RAM





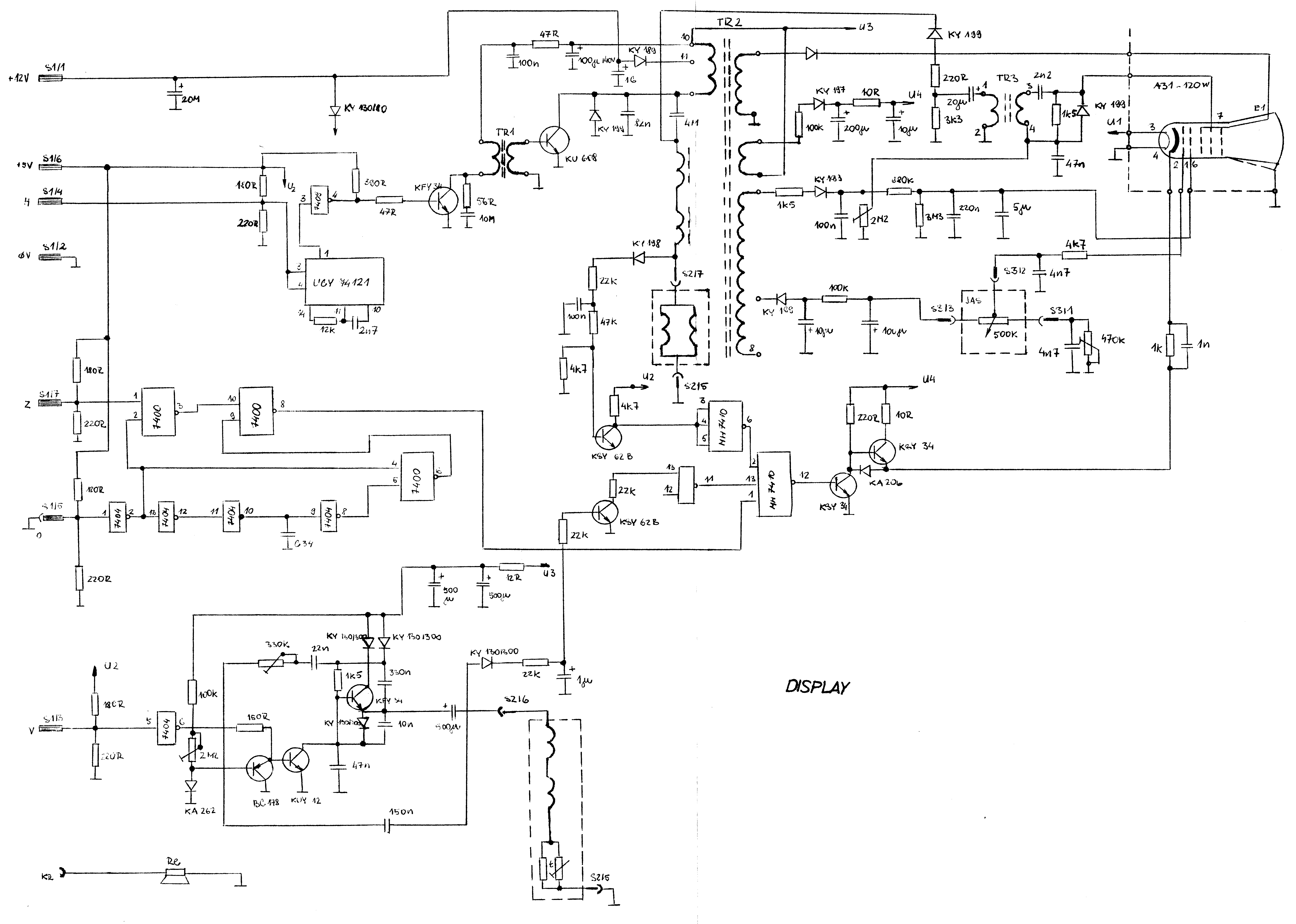
  13. Pripojenie displaya

  14. Doska plošného spoj a pripojenia displaya je osadená znova najmodernejšími súčiastkami československej výroby a RVHP. V doske sú použité integrované obvody rady MHB 2102, ktoré sú ako 2kB pamäť.

    Pamäť zároveň, slúži pre display AZJ 462. /Pre zobrazenie bodov sa používa integrovaný obvod MHB 2501. Vstupný kmitočet displaya je 20 MHz.




    Schéma Pripojenie displaya a černobílá verze ZDE.




    DPS Pripojenie displaya





  15. Display AZJ 462 upravený

  16. V stolnom počítači je použitý bežný display, ktorý vyrába TESLA NIŽNÁ s tým, že sa upravil pre naše podmienky. Do horizontálneho obvodu je prevedená úprava časovacieho obvodu UCY 74 121 pre riadkovú frekvenciu.

    Zobrazovacia. jednotka - display umožňuje zobraziť text, jednoduché grafy, 128 x 48 bodov. Display je riadený doskou displaya, pripojený je káblom. Zobrazovanie sa prevádza na obrazovke A 31 - 120 W o 525 riadkoch. Display má na doske riadenia displaya 2kB pamäť.




    schéma Display AZJ 462 upravený



  17. Pripojení magnetofónu

  18. Doska plošného spoja magnetofónu je osadená znova najmodernejšími súčiastkami československej výroby a RVHP rady MAA 741, ktoré slúžia na prekódovanie frekvenčnej modulácie na číselné znaky. Magnetofón je ovládaný diaľkovým ovládaním z relé Re1 a Re2, čím sú ovládané aj vstupy pre nahrávanie, alebo prehrávanie programu, K doske magnetofónu je možné pripojiť akýkoľvek monokazetoyý. magnetofón, ktorý umožňuje automatické zastavenie prebíjacieho motora. Programy je možné nahrávať na bežné dostupné magnetofónové kazety, doporučené sú C60 CrO2.




    Schéma Pripojení magnetofónu a černobílá verze ZDE.




    DPS Pripojení magnetofónu




    Schéma Pripojení magnetofónu s doplněními relé na DPS a černobílá verze ZDE.




    DPS Pripojení magnetofónu s doplněními relé na DPS





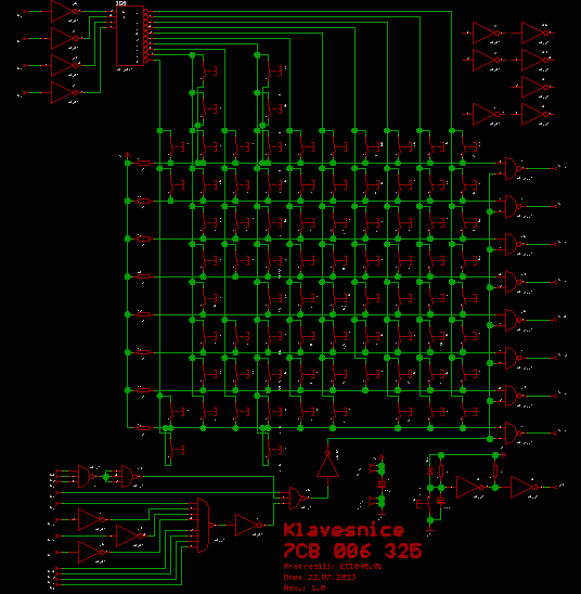
  19. Klávesnica

  20. Doska plošného spoja klávesnice je osadená 80 mikrospínačmi typu B 614. Hmatníky sú popísané jednotlivými znakmi, písmenami pre ovládanie počítača z klávesnice, alebo pre ovládanie jednotlivých periférií. Samotná klávesnica sa chová ako pamäť RAM. Doska klávesnice je pripojená k základnej zostave káblom.




    Schéma Klávesnica a černobílá verze ZDE.




    DPS Klávesnica






    Schéma konektor klávesnice a černobílá verze ZDE.




    DPS konektor klávesnice



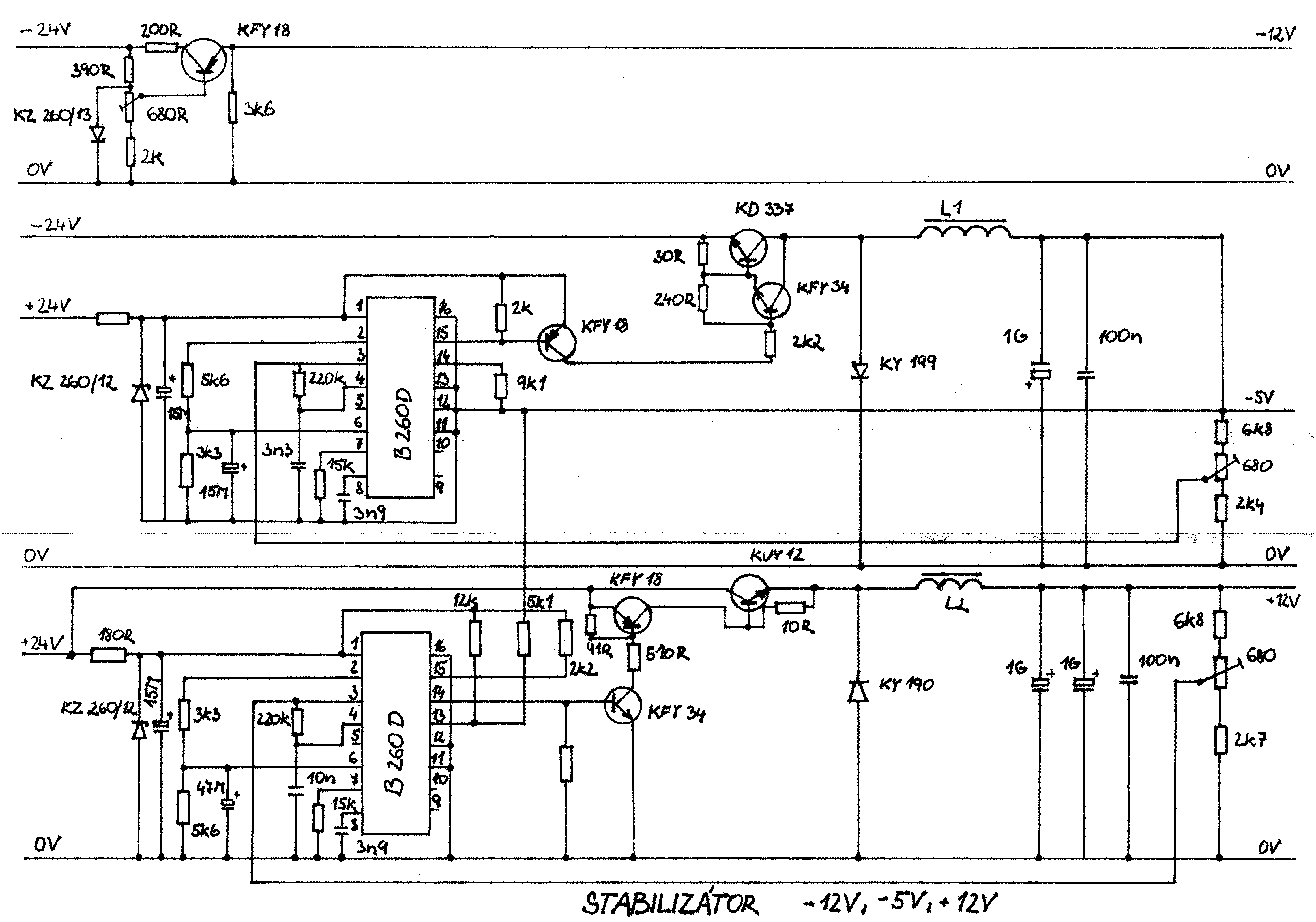
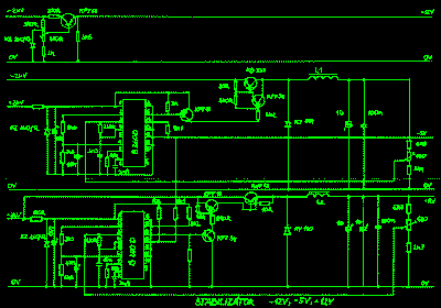
  21. Stabilizátor

  22. -5 V, +5 V, + 12 V, -12 V

    Doska plošného spoj a stabilizátora je osadená najmodernejšími súčiastkami ČS výroby a RVHP, riadenia stabilizátora integrovanými obvodmi B 260 D. Stabilizátory sú impulzné, pracujú pri frekvencii 20 kHz. Stabilizátor -12 V, -5 V môže zaťažiť do 1 A, stabilizátor +12 V môže zaťažiť do 2 A a stabilizátor +5 V môže zaťažiť do 5 A. V stabilizátore +5V/5A je použitá tyristorová ochrana proti skratu.




    schéma Stabilizátor -12V, -5V, +12V




    schéma Stabilizátor +5V





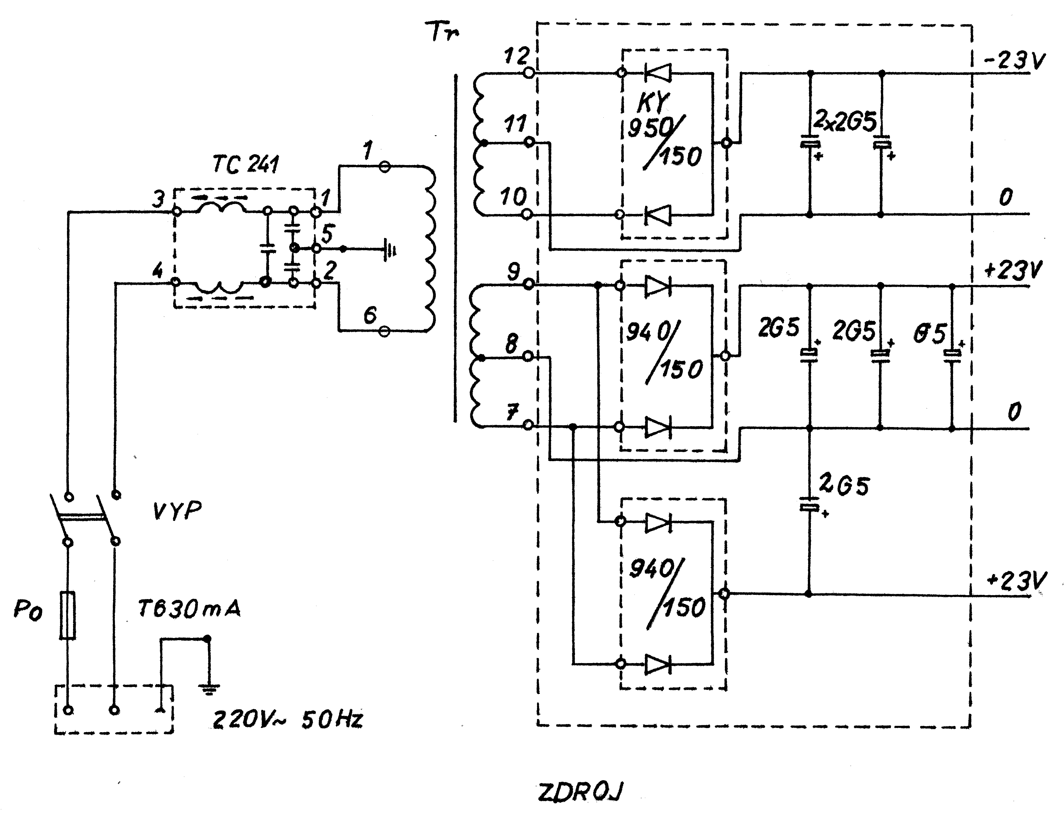
  23. Zdroj

  24. Zdroj stolného počítača je osadený 60 W transformátorom, ktorý je navinutý na jadre C - 2 000 4. Primárna časť transformátoru je napájaná cez filtračný kondenzátor TC 241, ktorý sa používa na odrušenie. Poistka PO je T - 630 mA. Doska plošného spoja usmerňovača je osadená modernými súčiastkami rady KY, dvojicami diód 950, 940.




    schéma Zdroj



  25. Skriňa displaya a stolného počítača

  26. Skriňa displaya a stolného počítača je vyrobená z tvrdého polystyrénu o hrúbke 5 mm. Jednotlivé diely a časti sú lepené trichlórom perchlórom. Po preschnutí spojov boli hrany zabrúsené a prevedené povrchové úpravy. Povrchové úpravy boli prevedené lakovaním syntetickými farbami.



  27. Použitá literatúra

  28. 1. Technická dokumentácia k. p. ZVT Banská Bystrica
    2. Programovanie v jazyku BASIC AR
    3. Programovanie v jazyku BASIC Výskumný ústav výpočtovej techniky - konzultačné stredisko SIGMA u. p. Olomouc



  29. Čestné prehlásení

  30. Čestne prehlasujeme, že dolu podpísaný študenti SPŠ J. Murgaša sme pracovali na exponáte stolného počítač a, samostatné sme osadzovali dosky plošných spojov jednotlivých častí exponátu, kabeláže a skrine displaya, skrine stolného počítača, plodia výrobnej dokumentácie, výrobných listov koncernového podniku ZVT Banská Bystrica, Na exponáte sme pracovali pod dozorom s. ing. prof. J. Krála a konzultanta s. Stanislava. Všetky dosky plošných spojov boli oživené v k. p. ZVT Banská Bystrica. Celá zostava bola oživená za dozoru konzultanta v SPŠ J. Murgaša. Stolný počítač je majetkom SPŠ J. Murgaša, bude sa používať v novoutvorenej učebni výpočtovej techniky pre výučbu študentov.

    1. Stanislav Ľubor..........................
    2. Piliar Peter..........................
    3. Bartko Gabriel..........................
    4. Parditka Róbert..........................
    5. Pšenák Branislav..........................



  31. ODBORNÍ POSUDOK

  32. na tému: Stolný počítač
    autor: Kolektív II.D

    Stolný počítač je zariadenie realizované na báze najmodernějších súčiastok. Možno ho zaradiť do kategórie malých osobných mikropočítačov. Jeho použitie vyplýva zo samotnej podstaty počítača. Vo vyučovacom procese na stredných odborných školách ho možno využiť na výuku číslicovej a výpočtovej techniky, na nácvik programovania v jazyku BASIC prípadne v strojovom kóde pomocou Assemblera, na demonštráciu pri výluke fyziky, matematiky atd.

    Mikropočítač je po zapnutí okamžité schopný práce. Možno ho programovať v jazyku BASIC, alebo využíval ako veľmi inteligentnú kalkulačku. Žiaci si na ňom môžu overiť všetky princípy počítačovej techniky. Veľmi názorné priblíži žiakom spôsob komunikácie človek, počítač a tak konkretizuje ich predstavy o počítačoch.

    Za veľkú výhodu pre školy možno považovať malé rozmery a nízku hmotnosť mikropočítača, čo umožňuje ľahké premiestnenie z jednej triedy do druhej.

    Pri výrobe vychádzali žiaci z firemnej dokumentácie podniku ZVT k.p. Banská Bystrica doplnenej o určité úpravy. Využili pri tom určité zmetkové diely profesionálneho výrobku. Žiaci takto dostali do rúk najmodernejšie súčiastky a mohli si vyskúšať prácu s nimi. Vonkajšie kryty vyrobili lepením z plastu, čím sa dosiahlo podstatné zníženie hmotnosti oproti profesionálnemu výrobku, kde sú kryty odlievané z hliníku.

    Všetku prácu na mikropočítači z výnimkou oživenia zvládli žiaci veľmi dobré. S minimálnymi nákladmi takto vytvorili pre svoju školu veľmi hodnotné a praktické zariadenie.

    Posudok vypracoval: Ing. Oto Czippel, samostatný skúšobný technik ZVT k.p. B.Bystrica

    v B. Bystrici, 2.4.1985

    -----------------------
    podpis - pečiatka



ÚVOD | Novinky | 8 Bitů | Příslušenství | Drobnosti | TTL | Kontakt


SAPI-1 | ONDRA | PMI-80 | PMD-85 | klony PMD-85 | klony SM50/40 | PETR | PLAN-80A | IQ151 | TNS | FK-1 | HVĚZDA | SP 830 | PCS 1-QR6000 | TEMS


8 bity / SP 830



SAPI.cz - web o československých osmibitech, zejména SAPI-1. Provozuje EC1045 od roku 2011
Za korekce češtiny dekuji: MELSOFTovi, Silliconovi, Martinu Lukáškovi a NOSTALCOMPovi

Když začínám blbnout z 8bitů tak se chodím léčit mezi otaku.
Animefest.cz